Diagrams - Sony Xm-Gs100 Service Manual

Monaural power amplifier
Hide thumbs Also See for XM-GS100:
Table of Contents
XM-GS100
THIS NOTE IS COMMON FOR PRINTED WIRING BOARDS AND SCHEMATIC DIAGRAMS.
(In addition to this, the necessary note is printed in each block.)
For Printed Wiring Boards.
Note:
• X : Parts extracted from the component side.
• Y : Parts extracted from the conductor side.
: Pattern from the side which enables seeing.
(The other layers' patterns are not indicated.)
Caution:
Pattern face side:
Parts on the pattern face side seen
(Conductor Side)
from the pattern face are indicated.
Parts face side:
Parts on the parts face side seen from
(Component Side)
the parts face are indicated.
• Indication of transistor.
C
Q
These are omitted.
B
E
B
C E
These are omitted.
Q
B
C E
These are omitted.
• Waveforms
– MAIN Board –
IC901 5 (CT)
1
Q905, 906, 909, 910 (Gate)
3
12.6 Vp-p
36.4 s
18.4 s
5 V/DIV, 20 s/DIV
1 V/DIV, 10 s/DIV
IC901 9 (E1), q; (E2)
2
Q905, 906, 909, 910 (Drain)
4
28.8 Vp-p
36.4 s
36.4 s
10 V/DIV, 20 s/DIV
5 V/DIV, 20 s/DIV
XM-GS100
SECTION 4

DIAGRAMS

For Schematic Diagrams.
Note:
• All capacitors are in μF unless otherwise noted. (p: pF) 50
WV or less are not indicated except for electrolytics and
tantalums.
• All resistors are in Ω and 1/4 W or less unless otherwise
specifi ed.
• 2 : Nonfl ammable resistor.
• C : Panel designation.
• A : B+ Line.
• B : B– Line.
• Power voltage is dc 14.4 V and fed with regulated dc
power supply from +12 V and REM terminals.
• Voltages and waveforms are dc with respect to ground
under no-signal conditions.
no mark : POWER ON
• Voltages are taken with VOM (Input impedance 10 M).
Voltage variations may be noted due to normal production
tolerances.
• Waveforms are taken with a oscilloscope.
Voltage variations may be noted due to normal production
tolerances.
• Circled numbers refer to waveforms.
• Signal path.
F
: AUDIO
3 Vp-p
14.6 Vp-p
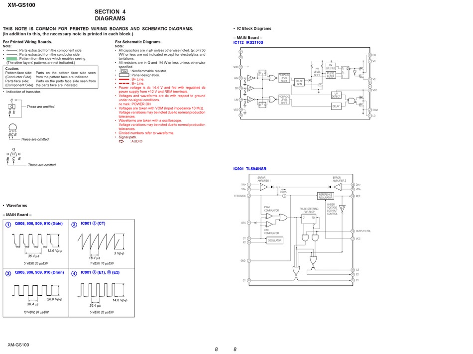
• IC Block Diagrams
– MAIN Board –
IC112 IRS2110S
9
10
VDD
11
R
Q
S
VDD/VCC
HIN
12
LEVEL
SHIFT
PULSE
GEN
SD
13
VDD/VCC
LIN 14
LEVEL
SHIFT
S
R
Q
VSS 15
16
IC901 TL594INSR
ERROR
AMPLIFIER 1
1IN+
1
+
1IN– 2
0.7mA
3
FEEDBACK
PWM
PULSE-STEERING
COMPALATOR
FLIP-FLOP
C1
4
DTC
CTC
COMPALATOR
CT
5
OSCILLATOR
RT
6
GND
7
C1
8
8
8
8
HO
7
VB
UV
DETECT
HV
R
Q
LEVEL
R
PULSE
SHIFT
FILTER
S
6
VS
5
4
3 VCC
UV
DETECT
DELAY
2
COM
1
LO
ERROR
AMPLIFIER 2
16
2IN+
+
15
2IN–
REFERENCE
14
REF
REGURATOR
UNDER
VOLTAGE
LOCKOUT
CONTROL
1D
13
OUTPUT CTRL
12
VCC
11
C2
E2
10
9
E1
Table of Contents
loading
Need help?

Need help?

Do you have a question about the XM-GS100 and is the answer not in the manual?

Table of Contents