Schéma De Câblage - Whirlpool Gz9736Xssdisc Installation Instructions And Use & Care Manual

30" (76.2 cm) and 36” (91.4 cm) wall-mount canopy range hood
Table of Contents

Advertisement

Available languages

Available languages

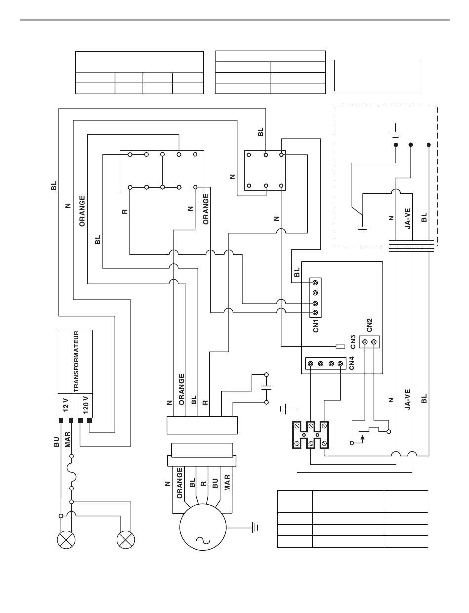
CARTE DE CIRCUITS -
VITESSE DU VENTILATEUR
VITESSE
CONTACT
BL
BL
N
LAMPES
30
SCHÉMA DE CÂBLAGE
1
2
3
1-2
1-8
1-9
BL
N
ORANGE
6
8
10
2
4
CDC-VDV
7
9
1
3
5
M
CARTE DE CIRCUITS - ALLUMAGE
ARRÊT
MARCHE
2-4
4-6
1-3
3-5
BL
R
2
4
6
CDC-A
1
3
5
R
ORANGE
BU
MAR
Vitesse
du moteur
1
2
3
SE1L7A
BOÎTIER DE RACCORDEMENT
JA-VE
YEL-GRN
N
Mesure entre
Résistance
conducteur ROUGE et
(Ohms)
Noir
Orange
Blanc
L N
22
27
32

Advertisement

Table of Contents
loading
Need help?

Need help?

Do you have a question about the GZ9736XSSDISC and is the answer not in the manual?

Table of Contents