Wiring Diagram - Whirlpool Gz9736Xssdisc Installation Instructions And Use & Care Manual

30" (76.2 cm) and 36” (91.4 cm) wall-mount canopy range hood
Table of Contents

Advertisement

Available languages

Available languages

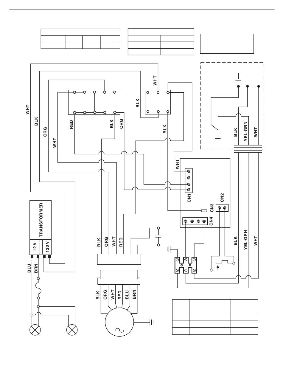
FAN SPEED CONTROL BOARD (FSCB)
SPEED
CONTACT
WHT
WHT
BLK
LIGHTS
14

WIRING DIAGRAM

1
2
3
1-2
1-8
1-9
WHT
BLK
ORG
10
2
4
6
8
FSCB
9
1
3
5
7
M
LIGHT CONTROL BOARD (LCB)
OFF
ON
2-4
4-6
1-3
3-5
WHT
RED
2
4
6
LCB
1
3
5
RED
ORG
BLU
BRN
Motor
Speed
1
2
3
SE1L7A
WIRING BOX
YEL-GRN
YEL-GRN
BLK
Measure between
Resistance
RED wire and
(Ohms)
Black
Orange
White
L N
22
27
32

Advertisement

Table of Contents
loading
Need help?

Need help?

Do you have a question about the GZ9736XSSDISC and is the answer not in the manual?

Table of Contents