Schéma De Câblage - Whirlpool Wvw51Uc0Ls Installation Instructions And Use & Care Manual

30" and 36" (76.2 and 91.4 cm) wall-mount canopy
Hide thumbs Also See for WVW51UC0LS:
Table of Contents
Available languages

Available languages

Ph
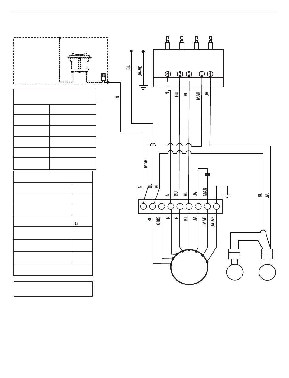
COMMUTATEUR À DISTANCE
POUR LA CONFORMITÉ ADA,
AJOUTEZ CES ÉLÉMENTS LORS
DE L'INSTALLATION.
FONCTIONNEMENT DU COMMUTATEUR
DU BOUTON-POUSSOIR
FONCTION
POSITION
ARRÊT
PAS DE CONNEXION
LAMPES
MARRON / JAUNE
VITESSE BASSE
MARRON / BLANC
VITESSE MOYENNE
MARRON / BLEU
VITESSE ÉLEVÉE
MARRON / NOIR
CARACTERISTIQUES DU MOTEUR
ALIMENTATION ÉLECTRIQUE
FREQUENCE
ABSORPTION DE COURANT
RÉSISTANCE DU MOTEUR ( )
BLEU / NOIR
BLEU / GRIS
BLEU / ROUGE
BLEU / BLANC
SEL0169984
SCHÉMA DE CÂBLAGE
Neu Terre
Ph
(L-1)
(L-2)
(L-3)
(L-4)
120 VCA
60 Hz
240 W
17,7
27,1
34,6
41,2
Commutateur du bouton-poussoir
(4 boutons 3 Vitesses)
2
3
6
1
4
5
M
S40
12.5uF
JA-VE
7
9
8
JA
BL
DEL
DEL
25
Table of Contents
loading
Need help?

Need help?

Do you have a question about the WVW51UC0LS and is the answer not in the manual?

This manual is also suitable for:

Wvw51uc6ls

Table of Contents