Sign In
Upload
Download
Table of Contents
Contents
Add to my manuals
Delete from my manuals
Share
URL of this page:
HTML Link:
Bookmark this page
Add
Manual will be automatically added to "My Manuals"
Print this page
×
Bookmark added
×
Added to my manuals
Manuals
Brands
Samsung Manuals
VCR
SV-655B
Service manual
Input-Output (Rca Jack) - Samsung Sv-655B Service Manual
Chassis : scorpio ii
Hide thumbs
Also See for SV-655B
:
Instruction manual
(26 pages)
,
Instruction manual
(27 pages)
,
Service manual
(71 pages)
1
2
3
4
5
6
7
8
9
Table Of Contents
10
11
12
13
14
15
16
17
18
19
20
21
22
23
24
25
26
27
28
29
30
31
32
33
34
35
36
37
38
39
40
41
42
43
44
45
46
47
48
page
of
48
Go
/
48
Contents
Table of Contents
Bookmarks
Table of Contents
Schematic Diagrams
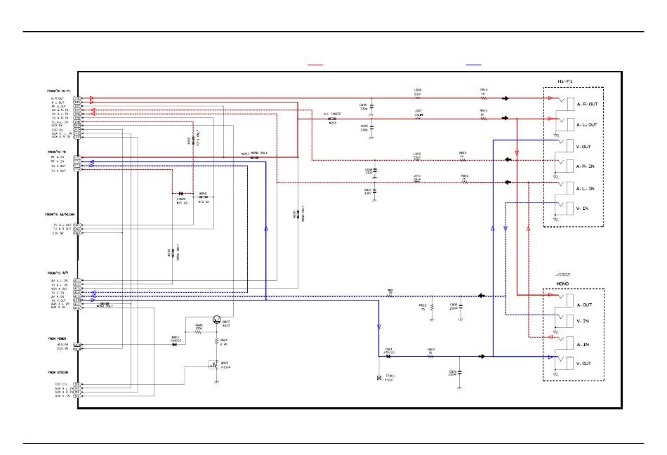
6-13 Input-Output (RCA Jack)
AUDIO PROCESS (OUT) - - - - AUDIO PROCESS (IN)
VIDEO PROCESS (OUT) - - - - VIDEO PROCESS (IN)
6-18
Samsung Electronics
Table of
Contents
Previous
Page
Next
Page
1
...
24
25
26
27
28
29
30
31
Show Quick Links
Quick Links:
Table of Contents
Audio/Video
Hi-Fi (Option)
Hide quick links:
Permanently
Temporary
Cancel
Table of Contents
Need help?
Do you have a question about the SV-655B and is the answer not in the manual?
Ask a question
Go to Questions and Answers
Related Manuals for Samsung SV-655B
VCR Samsung SV-657F Service Manual
Chassis : scorpio ii (71 pages)
VCR Samsung SV-251B Instruction Manual
(27 pages)
VCR Samsung sv 255B Instruction Manual
Video cassette recorder (26 pages)
VCR Samsung SV-H35K Instruction Manual
Video cassette recorder (25 pages)
VCR Samsung SV-H620K Instruction Manual
Video cassette recorder (25 pages)
VCR Samsung SV-252I Instruction Manual
(23 pages)
VCR Samsung SV-254G Instruction Manual
(23 pages)
VCR Samsung SV-3000DS Instruction Manual
(23 pages)
VCR Samsung SV-670D Owner's Manual
Samsung sv-670d: owners manual (2 pages)
VCR Samsung SV-150GS Owner's Manual
(2 pages)
VCR Samsung SV-H10K Owner's Manual
Video cassette recorder (vcr)- line recorder (2 pages)
VCR Samsung SV-H22KS Owner's Manual
Video cassette recorder - line recorder (2 pages)
VCR Samsung SV-251GX Instruction Manual
(17 pages)
VCR Samsung SV-657GX Instruction Manual
Video cassette recorder (17 pages)
VCR Samsung SV-667I Instruction Manual
Videocassette recorder (23 pages)
VCR Samsung SV-613X Service Manual
Video cassette recorder (140 pages)
Related Content for Samsung SV-655B
SVR-639 Input-Output (Rca Jack)
Samsung SVR-639
SV-434F Input-Output (Rca Jack)
Samsung SV-434F
SV-637B Input-Output (Rca Jack)
Samsung SV-637B
SV-434F Input-Output (Rca Jack)
Samsung SV-434F
SVR-639 Input-Output (Rca Jack)
Samsung SVR-639
SVR-639 Input-Output (Rca Jack)
Samsung SVR-639
VR8460 Tm-Block/Input-Output
Samsung VR8460
SV-657F Input-Output (2 Scart Jack)
Samsung SV-657F
SV-629 Input-Output
Samsung SV-629
SV-G180UM Tm-Block/Input-Output
Samsung SV-G180UM
SV-G600 Connecting Rca Audio/Video Input Cable
Samsung SV-G600
VR9070 Tm-Block/Input-Output
Samsung VR9070
Scorpio VR9180 Tm-Block/Input-Output
Samsung Scorpio VR9180
SV-647F Connecting An Rca Audio/Video Input Cable
Samsung SV-647F
SV-640GS Connecting Rca Audio/Video Input Cable
Samsung SV-640GS
VR9180 Tm-Block/Input-Output
Samsung VR9180
This manual is also suitable for:
Sv-650b
Sv-450b
Sv-255b
Sv-250b
Sv-655x
Sv-650x
...
Show all
Sv-450x
Sv-250x
Sv-455g
Sv-254g
Sv-150g
Sv-655gs
Sv-650gs
Sv-455gs
Sv-254gs
Sv-150gs
Sv-h625k
Sv-h620k
Sv-h85k
Sv-h35k
Sv-h30k
Sv-h12k
Sv-h11k
Sv-h10k
Sv-5h
Sv-656i
Sv-456i
Sv-256i
Sv-252i
Sv-3000ds
Sv-2000ds
Sv-929d
Sv-919d
Sv-718d
Sv-717d
Sv-695d
Sv-690d
Sv-685d
Sv-680d
Sv-675d
Sv-670d
Table of Contents
Print
Rename the bookmark
Delete bookmark?
Delete from my manuals?
Login
Sign In
OR
Sign in with Facebook
Sign in with Google
Upload manual
Upload from disk
Upload from URL
Need help?
Do you have a question about the SV-655B and is the answer not in the manual?