Advertisement

In warnings, signal words at the beginning of a warning are used to indicate the type and seriousness of the ensuing risk if measures for minimizing danger are not taken.
The following signal words are defined and can be used in this document:
DANGER indicates that severe or life-threatening personal injury will occur.
WARNING indicates that severe to life-threatening personal injury may occur.
CAUTION indicates that minor to medium personal injury may occur.
NOTICE
NOTICE indicates that material damage may occur.
The info symbol indicates important information where there is no risk to people or property.
Table 61
| Symbol | Meaning |
| Warning regarding flammable substances: the refrigerant R32 used in this product is a gas with low combustibility and low toxicity (A2L or A2). |
| Wear protective gloves during installation and maintenance work. |
| Maintenance by a qualified person should be done while following the instructions of the service manual. |
| For operation follow the instructions of the user manual. |
Key to Fig. 1:

Indoor unit and outdoor unit
Figures 2 to 4.


Refrigerant lines
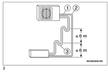
Key to Fig. 5:

If the outdoor unit is positioned higher than the indoor unit, install a siphon-shaped elbow on the gas side after no more than 6 m and every 6 m thereafter (Fig. 5, [1]).
Table 63 Pipe Length and Drop Height
| Maximum pipe length1) [m] | Maximum difference in height2) [m] | |
| CL5000i 26 E | ≤ 25 | ≤ 10 |
| CL5000i 35 E | ≤ 25 | ≤ 10 |
Table 64 Pipe diameter depending on unit type
| Pipe size | ||
| Unit type | Liquid side [mm] | Gas side [mm] |
| CL5000i 26 E | 6.35 (1/4") | 9.53 (3/8") |
| CL5000i 35 E | 6.35 (1/4") | 9.53 (3/8") |
Table 65 Alternative pipe diameter
| Pipe diameter [mm] | Alternative pipe diameter [mm] |
| 6.35 (1/4") | 6 |
| 9.53 (3/8") | 10 |
Table 66
| Specification of the pipes | |
| Min. piping length | 3 m |
| Standard piping length | 5 m |
| Additional refrigerant when the piping length exceeds 5 m | 12g/m |
| Piping Thickness | ≥ 0.8 mm |
| Thickness of insulation against heat | ≥ 6 mm |
| Material of insulation against heat | Polyethylene foam |
This device contains fluorinated greenhouse gases as refrigerant. The device is hermetically sealed. You will find the information on the refrigerant according to the Regulation (EU) No 517/2014 on fluorinated greenhouse gases in the operating instructions of the device.
Information for the installer: If you refill refrigerant, enter the additional charge size and the total charge size of the refrigerant in the table "information on refrigerant" of the operating instructions.
Risk of injury from sharp edges!
Danger of burns!
During operation the pipes become hot.
Indoor unit
Table 67 Minimum room area
| Unit type | Installation height [m] | Minimum room area [m2] |
| CL5000iU W 26 E CL5000iU W 35 E | ≥ 1.8 | ≥ 4 |
If the installation height is lower, the floor area must be accordingly larger.
Outdoor unit
NOTICE
Incorrect assembly can cause material damage.
If the unit is assembled incorrectly, it may fall off the wall.
The pipe fittings on the indoor unit are generally located behind the indoor unit. We recommend extending the pipes before mounting the indoor unit.
If it is necessary to take the indoor unit off the mounting plate:
Discharge of refrigerant due to leaky connections
Refrigerant may be discharged if pipe connections are incorrectly installed. Reusable mechanical connectors and flared joints are not allowed indoors.
Copper pipes are available in metric and imperial sizes, the flare nut thread is however the same. The flared fittings on the indoor and outdoor unit are intended for imperial sizes.
NOTICE
Reduced efficiency due to heat transfer between refrigerant pipes
Table 68 Key data of pipe connections
| External diameter of pipe Ø [mm] | Tightening torque [Nm] | Flared opening diameter (A) [mm] | Flared pipe end | Pre-assembled flare nut thread |
| 6.35 (1/4") | 18-20 | 8.4-8.7 | ![]() | 3/8" |
| 9.53 (3/8") | 32-39 | 13.2-13.5 | 3/8" |
The condensation catch pan of the indoor unit has two connections. A condensate hose and bung are mounted on these connections at the factory and can be replaced (Fig. 12).
Checking tightness
Observe the national and local regulations when carrying out the tightness test.
Filling the system
NOTICE
Malfunction due to incorrect refrigerant
The outdoor unit is filled with R32 refrigerant at the factory.
Risk to life from electric shock!
Touching live electrical parts can cause an electric shock.
The indoor unit is connected to the outdoor unit using a 5-core communication cable of the type H07RN-F. The conductor cross-section of the communication cable should be at least 1.5 mm2.
NOTICE
Material damage due to incorrectly connected indoor unit
Voltage is supplied to the indoor unit via the outdoor unit.
To connect the communication cable:
A power cable (3-core) is connected to the outdoor unit and the communication cable is connected to the indoor unit (5-core). Use cables of the type H07RN-F with sufficient conductor cross-section and protect the mains power supply with a fuse (Table 69).
Table 69
| Outdoor unit | Mains fuse protection | Conductor cross-section | |
| Power cable | Communication cable | ||
| CL5000i 26 E | 13 A | ≥ 1.5 mm2 | ≥ 1.5 mm2 |
| CL5000i 35 E | 13 A | ≥ 1.5 mm2 | ≥ 1.5 mm2 |
Table 70
| 1 | Outdoor unit and indoor unit are correctly installed. |
| 2 | Pipes are correctly
|
| 3 | Condensate pipes are functioning correctly and have been tested. |
| 4 | Electrical connection has been correctly established.
|
| 5 | All covers are fitted and secured. |
| 6 | The horizontal louver of the indoor unit is fitted correctly and the actuator is engaged. |
The system can be tested once the installation including tightness test has been carried out and the electrical connection has been established:
If the room temperature is less than 17°C, the cooling mode must be switched on manually. This manual operation is only envisaged for testing and emergency situations.
To switch on the cooling mode manually:
In a system with multi-split air conditioner, manual operation is not possible.
Risk to life from electric shock!
Touching live electrical parts can cause an electric shock.
If a fault occurs during operation, a fault code appears in the display (e.g. EH 02).
If a fault is present for more than 10 minutes:
If a fault persists:
Table 71
| Fault code | Possible Cause |
| EC 07 | Fan speed of outdoor unit outside the normal range |
| EC 51 | Faulty parameter in the EEPROM of the outdoor unit |
| EC 52 | Temperature sensor error at T3 (condenser coil) |
| EC 53 | Temperature sensor error at T4 (outside temperature) |
| EC 54 | Temperature sensor error at TP (compressor discharge pipe) |
| EC 56 | Temperature sensor error at T2B (outlet of evaporator coil; only multi-split air conditioner) |
| EH 0A EH 00 | Faulty parameter in the EEPROM of the indoor unit |
| EH 0b | Communication error between main PCB of indoor unit and display |
| EH 02 | Fault when detecting the zero-crossing signal |
| EH 03 | Fan speed of indoor unit outside the normal range |
| EH 60 | Temperature sensor error at T1 (room temperature) |
| EH 61 | Temperature sensor error at T2 (centre of evaporator coil) |
| EL 0C1) | Insufficient or escaping refrigerant or temperature sensor error at T2 |
| EL 01 | Communication error between IDU and ODU |
| PC 00 | Fault at IPM module or IGBT overcurrent protection |
| PC 01 | Over- or undervoltage protection |
| PC 02 | Temperature protection at compressor or overheating protection at IPM module or pressure relief device |
| PC 03 | Low pressure protection |
| PC 04 | Inverter compressor module error |
| PC 08 | Protection against current overload |
| PC 40 | Communication fault between main PCB of outdoor unit and main PCB of compressor drive |
| −− | Conflicting operating mode of indoor units; operating mode of indoor units and outdoor unit must correspond. |
| Special condition | Possible cause |
| -- | Conflicting operating mode of indoor units; operating mode of indoor units and outdoor unit must correspond.1) |
Note: units set to cooling/dry/fan mode will be affected with a mode conflict as soon as one other unit in the system is set to heating (heating is the priority system mode).
Table 72
| Fault | Possible cause | Remedy |
| The output of the indoor unit is too low. | Heat exchanger of the outdoor or indoor unit contaminated or partially blocked. |
|
| Shortage of refrigerant |
| |
| Outdoor unit or indoor unit is not working. | No current |
|
| Leakage protector or fuse installed in the device1) has blown. |
| |
| Outdoor unit or indoor unit starts and stops continuously. | Insufficient refrigerant in the system. |
|
| Too much refrigerant in the system. | Remove refrigerant with refrigerant recovery unit. | |
| Moisture or impurities in the refrigerant circuit. |
| |
| Voltage fluctuations too high. |
| |
| Defective compressor. |
|
Table 73
| Indoor Unit | CL5000iU W 26 E | CL5000iU W 35 E | |
| Outdoor Unit | CL5000i 26 E | CL5000i 35 E | |
| Cooling | |||
| Rated output | kW kBTU/h | 2.6 9 | 3.5 12 |
| Power input at rated output | W | 659 | 1004 |
| Output (min. - max.) | kW | 1.0-3.2 | 1.4-4.3 |
| Power input (min. - max.) | W | 80-1100 | 120-1650 |
| Cooling load (Pdesignc) | kW | 2.6 | 3.3 |
| Energy efficiency (SEER) | – | 8.5 | 8.5 |
| Energy efficiency class | – | A+++ | A+++ |
| General information – on heating | |||
| Rated output | kW kBTU/h | 2.9 10 | 3.8 13 |
| Power input at rated output | W | 674 | 969 |
| Output (min. - max.) | kW | 0.8-3.4 | 1.1-4.4 |
| Power input (min. - max.) | W | 70-990 | 110-1480 |
| Heating – with colder climate | |||
| Heating load (Pdesignh) | kW | 3.1 | 3.8 |
| Energy efficiency (SCOP) | – | 3.4 | 3.4 |
| Energy efficiency class | – | A | A |
| Heating – with average climate | |||
| Heating load (Pdesignh) | kW | 2.6 | 2.6 |
| Energy efficiency (SCOP) | – | 4.2 | 4.3 |
| Energy efficiency class | – | A+ | A+ |
| Heating – with warmer climate | |||
| Heating load (Pdesignh) | kW | 2.5 | 2.6 |
| Energy efficiency (SCOP) | – | 5.4 | 5.8 |
| Energy efficiency class | – | A+++ | A+++ |
| General | |||
| Power infeed | V/Hz | 220-240/50 | 220-240/50 |
| Max. power consumption | W | 2150 | 2150 |
| Max. current consumption | A | 10 | 10 |
| Refrigerant | – | R32 | R32 |
| Refrigerant charge | g | 620 | 620 |
| Design pressure | MPa | 4.3/1.7 | 4.3/1.7 |
| Indoor Unit | |||
| Ex-protected ceramic fuse on main board | – | T 3.15 A/250 V | T 3.15 A/250 V |
| Volumetric flow rate (high/medium/low) | m3/h | 510/360/300 | 520/370/310 |
| Sound pressure level (high/medium/low/noise reduction) | dB(A) | 37/32/22/21 | 37/32/22/21 |
| Sound power level | dB(A) | 56 | 60 |
| Permissible ambient temperature (cooling/heating) | °C | 16...32/0...30 | 16...32/0...30 |
| Net weight | kg | 8.7 | 8.7 |
| Outdoor Unit | |||
| Ex-protected ceramic fuse on main board | – | T 20 A/250 V | T 20 A/250 V |
| Flow rate | m3/h | 2150 | 2200 |
| Sound pressure level | dB(A) | 55.5 | 55.0 |
| Sound power level | dB(A) | 60 | 64 |
| Permissible ambient temperature (cooling/heating) | °C | –15...50/–15...24 | –15...50/–15...24 |
| Net weight | kg | 26.2 | 26.4 |
Notices for the target group
These installation instructions are intended for qualified persons who are skilled in dealing with refrigeration engineering and HVAC technology and also electrical systems. All system-relevant instructions must be observed. Failure to comply with instructions may result in material damage and personal injury, including danger to life.
Intended use
The indoor unit is intended for installation inside the building with connection to an outdoor unit and further system components, e.g. controls.
The outdoor unit is intended for installation outside the building with connection to an indoor unit or units and further system components, e.g. controls.
The air conditioning system is intended for commercial/residential use only where temperature deviations from adjusted set points do not lead to damage of living beings or materials. The air conditioning system is not suitable to set and maintain desired absolute humidity levels precisely.
Any other use is considered inappropriate. Any damage that may result from misuse is excluded from liability.
For installation at special locations (underground garage, mechanical rooms, balcony or at any semi-open areas):
General dangers posed by the refrigerant
Safety of electrical devices for domestic use and similar purposes
The following requirements apply in accordance with EN 60335-1 in order to prevent hazards from occurring when using electrical appliances:
"This appliance can be used by children of 8 years and older, as well as by people with reduced physical, sensory or mental capabilities or lacking in experience and knowledge, if they are supervised and have been given instruction in the safe use of the appliance and understand the resulting dangers. Children shall not play with the appliance. Cleaning and user maintenance must not be performed by children without supervision."
"If the power cable is damaged, it must be replaced by the manufacturer, its customer service department or a similarly qualified person, so that risks are avoided."
Handover to the user
When handing over the air conditioning system, explain the operation and operating conditions to the user.
Advertisement

















).
) until the lowest temperature is set.
).
) until the highest temperature is set.
Need help?
Do you have a question about the Climate 5000i and is the answer not in the manual?
Questions and answers