Frigidaire FEB24S2AS - 24" Electric Wall Oven Manuals

Manuals and User Guides for Frigidaire FEB24S2AS - 24" Electric Wall Oven. We have 9 Frigidaire FEB24S2AS - 24" Electric Wall Oven manuals available for free PDF download: Installation Instructions Manual, Use & Care Manual, Specifications, Service Data Sheet, User Manual, Features Manual, Product Specifications, Circuit Diagrams

Frigidaire FEB24S2AS - 24" Electric Wall Oven Specifications (7 pages)

24" Electric Single Wall Ovens
Brand: Frigidaire | Category: Oven | Size: 0 MB

Frigidaire FEB24S2AS - 24" Electric Wall Oven Service Data Sheet (5 pages)

Gas & Electric Wall Ovens with Electronic Oven Control
Brand: Frigidaire | Category: Oven | Size: 0 MB

Frigidaire FEB24S2AS - 24" Electric Wall Oven Features Manual (2 pages)

ELECTRONIC OVEN CONTROL
Brand: Frigidaire | Category: Oven | Size: 0 MB

Frigidaire FEB24S2AS - 24" Electric Wall Oven Specifications (2 pages)

Frigidaire FEB24S2A: Specifications
Brand: Frigidaire | Category: Oven | Size: 0 MB

Frigidaire FEB24S2AS - 24" Electric Wall Oven Product Specifications (2 pages)

Product Specifications Sheet (English)
Brand: Frigidaire | Category: Oven | Size: 0 MB

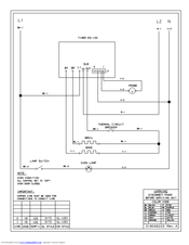
Frigidaire FEB24S2AS - 24" Electric Wall Oven Circuit Diagrams (1 page)

Frigidaire FEB24S2ASC: Supplementary Guide
Brand: Frigidaire | Category: Oven | Size: 0 MB