Advertisement

Please read the operator manual carefully and make sure you understand the instructions before using the machine.
This machine is built for superior efficiency to rapidly mow primarily large areas. A control panel easily accessible to the operator and a hydrostatic transmission regulated by steering controls both contribute to the machine's performance. This manual is a valuable document. Read the contents carefully before using or servicing the machine. The following of instructions (use, service, maintenance) by all who operate this machine is important for the safety of the operator and others. It can also considerably increase the life span of the machine and increase its resale value. If you sell your machine, be sure to give the operator manual to the new owner. The final chapter of this operator manual provides a Service Journal. Make sure that service and repair work are documented. A correctly kept service journal reduces service costs for the maintenance and affects the machine's resale value. Please contact your dealer for more information. Take the operator manual along when the machine is taken to your dealer for service.
General
In this operator manual, left and right, backward and forward are used in relation to the machine's usual driving direction. Continuous dedication to improve our products require that specifications and design are subject to change without notice.
Check applicable road traffic regulations before transporting on public roads. If the machine is transported, you must always use approved fastening equipment and make sure that the machine is correctly attached. DO NOT operate this machine on public roadways.
If machine is equipped with a tow hitch, use much more caution when towing. Do not let children or others in or on the towed equipment. Make wide turns to avoid jack-knifing. Travel slowly and leave more distance to stop. Do not tow on sloped ground. The weight of the towed equipment may cause loss of traction and loss of control. Obey the manufacturer's recommendation for weight limits for towed equipment. Do not tow near ditches, canals, and other hazards.
This machine is constructed only for mowing grass on lawns and even ground without obstacles such as stones, tree stumps, etc. The machine can also be used for other tasks when equipped with special accessories provided by the manufacturer. Operating instructions for the accessories are provided with delivery. All other types of uses are incorrect. The manufacturer's directions concerning operation, maintenance, and repairs must be carefully followed. Lawn mowers and all power equipment, can be potentially dangerous if used improperly. Safety requires good judgement, careful use in accordance with these instructions and common sense. The machine must only be operated, maintained, and repaired by persons familiar with the machine's special characteristics and who are also knowledgeable about the safety instructions. Use only approved repair parts to maintain this machine. Accident prevention regulations, other general safety regulations, occupational safety rules, and traffic regulations must be followed without fail. Unauthorized modifications to the design of the machine may absolve the manufacturer from liability for resulting personal injury or property damage.
Good Service
Husqvarna's products are sold around the world at independent dealers, retailers and online stores. No matter where you buy a Husqvarna product or solution, you can count on our team to provide you with dedicated service and support throughout the life of the product. If you need to order a spare part, make a warranty claim, or you have service-related questions, please consult the following professional:
| This manual belongs to the machine with the manufacturing number: | Engine | Transmission |
Manufacturing Number
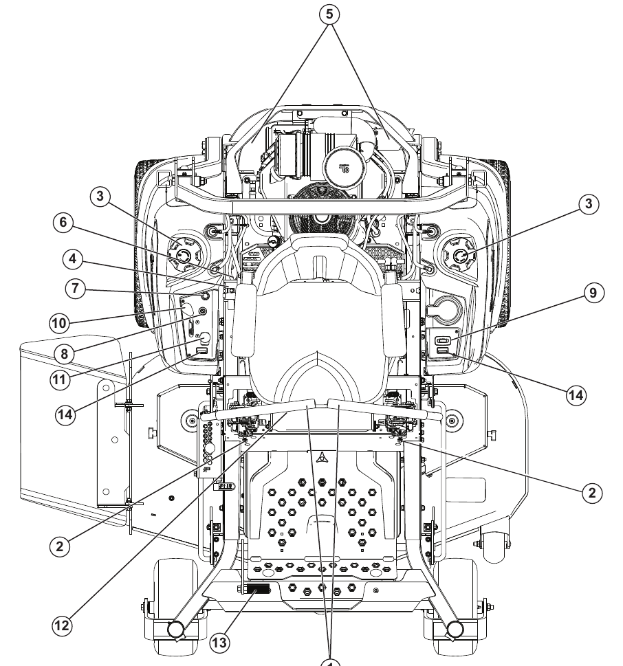
The machine's manufacturing number can be found on the printed plate affixed to the engine compartment. Stated on the plate, from the top are:
Please have the type designation and serial number available when ordering spare parts.
The engine's manufacturing number is stamped on one of the valve covers. The plate states:
Please have these available when ordering spare parts. The wheel motors and hydrostatic pumps have a barcode decal affixed at the rear.
These symbols are found on the machine and in the operator manual. Study them carefully until you know what they mean.
Used in this publication to tell the reader of a risk of personal injury or death, particularly if the reader neglects to obey the instructions in the manual.
Used in this publication to tell the reader of a risk of material damage, particularly if the reader neglects to obey the instructions in the manual. Used also when there is a possibility for misuse or misassembly.
![]() | ![]() | ![]() | ![]() | ![]() | ![]() | ![]() |
| Reverse | Neutral | Fast | Slow | Choke | Fuel | Park Brake |
| | ![]() | ![]() | ![]() | ![]() | ||
| Danger | Use protective glasses | Use protective gloves | Wear hearing protection | Do not stand here | ||
![]() | ![]() | ![]() | ![]() | |||
Battery acid is corrosive, explosive and flammable | Do not touch parts | Keep away from the discharge deck | Do not use without deflector or grass catcher | |||
| Read Operator Manual | Shut off engine, before maintenance or repair | Keep a safe distance from the machine | Use on slopes no greater than 10° | No passengers | ||
![]() | ![]() | ![]() | ![]() | ![]() | ||
| Whole body exposure to thrown objects | Severing of fingers and toes | Do not open or remove safety shields wIth engine running | Careful backing up, watch for other people | Careful going forward, watch for other people | ||
![]() | ![]() | ![]() | ![]() | ![]() | ||
Safety Instructions
These instructions are for your safety. Read them carefully.
THIS CUTTING MACHINE CAN AMPUTATE HANDS AND FEET AND THROW OBJECTS. FAILURE TO OBEY THE FOLLOWING SAFETY INSTRUCTIONS COULD RESULT IN SERIOUS INJURY OR DEATH.
CHILDREN CAN BE SERIOUSLY INJURED OR KILLED BY THIS EQUIPMENT. Carefully read and obey all the safety instruction that follow.
The American Academy of Pediatrics recommends that children be a minimum of 16 years of age before operating a riding lawn mower.
Tragic accidents can occur if the operator is not alert to the presence of children. Children are frequently attracted to the machine and the mowing activity. Do not think that children will stay where you last saw them.
General Operation
When using the machine, approved personal protective equipment must be used. Personal protective equipment cannot remove the risk of injury but it will reduce the degree of injury if an accident does occur. Speak to your retailer for aid in choosing the right equipment.

Slopes are a major cause related to loss of control and tip-over accidents, which can result in severe injury or death. Operation on slopes requires more care. If you cannot back up the slope or if you feel uneasy on it, do not mow it.
Do not drive up or down hills with slopes greater than 10 degrees. Do not drive across slopes.
To avoid personal injury or damage to property, use care in handling gasoline. Gasoline is very flammable and the vapors are explosive.
The engine and the exhaust system become very hot during operation. There is a risk for burns if touched. Let engine and exhaust system to cool before refueling.
General Maintenance
Use extreme care when loading the machine into a truck or trailer using ramps. There is the possibility of serious injury or death if the machine falls off the ramps.
The park brake is not sufficient to lock the machine in place during transport. Make sure the machine is correctly fastened to the transport vehicle. Always reverse the machine onto the transport vehicle to avoid tipping it over.
If machine is equipped with a tow hitch, use much more caution when towing. Do not let children or others in or on towed equipment. Make wide turns to avoid jack-knifing. Travel slowly and leave more distance to stop. Do not tow on sloped ground. The weight of the towed equipment may cause loss of traction and loss of control. Follow the manufacturer's recommendation for weight limits for towed equipment. Do not tow near ditches, canals, and other hazards.
This mower is equipped with an internal combustion engine and must not be used on or near unimproved forested, bush covered or grassy lands unless the engine's system is equipped with a spark arrestor meeting applicable local or state laws. Federal laws apply on federal lands. If a spark arrestor is used, it must be maintained in good working order by the operator. A spark arrestor for the muffler is available through your authorized Husqvarna dealer.
The Rollover Protection System (ROPS) increases the basic weight of the unit by 25 kg (55 lb).

Please note that there is NO roll over protection when the ROPS is folded down.
This operator manual describes the Husqvarna Zero Turn Rider. The rider is fitted with a fourstroke overhead valve engine.
Power transmission from the engine is made via belt-driven hydraulic pumps. Using the left and right steering controls, the flow is regulated and thereby the direction and speed.


The machine's speed and direction are continuously variable using the two steering controls. The steering controls can be moved forward or back about a neutral position. There is a neutral / parking brake position which sets the parking brake when the steering controls are moved out. When both controls are in the neutral position (N), the machine stands still. By equally moving both controls forward or backward, the machine moves in a straight line forward or backward.

For example, to turn right while moving forward, move the right control towards the neutral position. The rotation of the right wheel is reduced and the machine turns to the right. Zero turn can be achieved by moving one control backward (behind the neutral position) and carefully moving the other steering control forward from its neutral position. The rotation direction when zero turning is determined by which steering control is moved backward behind the neutral position. If the left steering control is pulled backward, the machine turns to the left. Use more care when using this maneuver. If the steering controls are in uneven positions when standing still or do not fit in the slots for moving the controls out, they can be adjusted.
The machine must stand still when engaging the park brake. Always engage the park brake before dismounting. Release the park brake before moving the mower.
The machine can turn very fast if one steering control is moved much further forward than the other.
The throttle controls the engine speed and the rate of rotation of the blades, assuming the blade switch is pulled out. The control is moved forward or back to increase or decrease the engine speed. To prevent the risk of fouling the spark plugs, do not idle the engine for long periods. USE FULL THROTTLE WHEN MOWING, for best mower performance and battery charging.

The ignition switch is used to start and stop the engine. On models with headlights, turn the key clockwise to ACCESSORY for headlight use.

The choke control is used for cold starts to give the engine a richer fuel mixture. For cold starts, pull the control up.

To engage the mower deck, pull the knob out; mower blades are disengaged when the knob is pressed down.

The service meter displays the total number of hours the engine has run and shows when the engine and mower need servicing. After every 50 hours of operation, an oil can icon will appear and stay on for two hours, before an automatic reset occurs. To manually reset the meter, turn the key off and on five times at one second intervals. To service the engine and mower, see the Service Journal of this manual.

Note: The service meter operates (clocks hours) only when the engine is running. Be sure to turn the key off when the unit is not in use, to prevent meter hours from accumulating.
The seat can be adjusted lengthways. The lever under the front edge of the seat is moved to the left (as seen by the driver in the seat), to adjust the seat backward or forward.
Seat must not be adjusted while unit is in motion.

Seat Release
The seat can be rotated forward to access the mower battery and hydro gears. Push down on the latch lever to release the seat. Raise the seat until the rod engages.

The fuel selector is located at the right rear of the seat. The valve has three positions: right tank, left tank and OFF.

Fuses are on the right hand side of the machine and are accessed by tilting the seat forward. Fuses are flat pin fuses type as used in automobiles. The 20 A is the primary fuse. The 7.5 A is for the mower deck coupling.

Always raise the deck to the highest position for transport.
Transmission bypass levers must be engaged when pushing or pulling the machine. Transmissions are put into bypass mode by rotating the levers to the horizontal position. The bypass levers are located at the front of both transmissions. See Manual Transport in the Operation section.

Read the safety instructions before refueling. The capacity for each tank is 6 gallons (22.7 liters). Regularly check the gas cap gasket for damage and keep the cap properly tightened.

Fill to bottom of filler neck. Do not overfill. Wipe off spilled oil or fuel. Do not store, spill or use gasoline near an open flame. The engine will run on a minimum of 87-octane unleaded gasoline (no oil mix). Environmentally adapted alkylate gasoline can be used. See Technical Data concerning ethanol fuel. Methanol fuel is not allowed. Do not use E85 alcohol based fuel. Damage to the engine and components may occur. When operating in temperatures below (32°F) 0°C, use fresh, clean winter grade gasoline to help insure good cold weather starting.
If the mower is not tracking straight, check the air pressure in both rear tires. Recommended air pressure for the rear tires is 15 psi (1 bar).
![]()
The desired cutting height is set with the height pin. The cutting height pedal releases the deck lift to place the deck at the selected height. For transport, push the lift pedal fully forward until the deck lift latches in the transport (highest) position.

Experience shows that alcohol blended fuels (called gasohol, ethanol or methanol) can attract moisture which leads to separation and formation of acids during storage. Acidic gas can damage the fuel system of an engine while in storage. To avoid engine problems, the fuel system must be emptied before storage of 30 days or longer. Drain the gas tank, start the engine and let it run until the fuel lines and carburetor are empty. Use fresh fuel the next season. See Storage for more information. Do not use engine or carburetor cleaners in the fuel tank or permanent damage can occur.
Fill to the bottom of the filler neck. Do not add too much gasoline. Wipe off spilled oil or fuel. Do not keep, spill or use gasoline near an open flame.
The engine and the exhaust system become very hot during operation. There is a risk for burns if touched. Let engine and exhaust system to cool before refueling.
Read the Safety section and following pages, if you are unfamiliar with the machine.
Due to unique steering capabilities, zero turn mowers are far more maneuverable than typical riding mowers. Review this section fully before trying to move the mower under its own power. When first operating the mower or until becoming comfortable with controls, use a reduced throttle speed and reduced ground speed. DO NOT move control levers to the furthest forward or reverse positions during initial operation.
First time users must become familiar with the mower's movement on a hard surface, such as concrete or asphalt BEFORE trying to operate on turf. Until the operator becomes comfortable with the mower controls and zero turn, overly aggressive maneuvers can damage turf.
Steering
To move forward and rearward
The direction and speed of the mower's movements are effected by the movement of the control lever(s) on each side of mower. The left lever controls the left wheel. The right lever controls the right wheel.
First time users must push the mower (see Moving Machine By Hand in the Operation section) to an open, flat area without other persons, vehicles or obstacles nearby. To move the unit under its own power, the operator must sit in the seat and start the engine (see Before Starting in the Operation section). Adjust the engine speed to idle, do not engage the blades at this time. Pull control levers inward. As long as the control levers have not been moved forward or to the rear, the mower will not move.
Slowly move the two control levers forward slightly. This will let the mower start moving forward in a straight line. Pull the control levers back to the neutral position and stop the mower from moving. Pull back slightly on control levers, allowing the mower to move to the rear. Push the control levers forward to the neutral position to stop the mower from moving.
To turn to the right
While moving in a forward direction, pull the right lever back towards the neutral position while maintaining the position of the left lever, this will slow the rotation of the right wheel and cause the machine to turn in that direction.
To turn to the left
While moving in a forward direction pull the left lever back towards the neutral position while maintaining the position of the right lever, this will slow the rotation of the left wheel and cause the machine to turn in that direction.
To zero turn
While moving in a forward direction, first pull the two control levers back until the mower stops or slows dramatically. Then by alternating one lever slightly to the forward position and the other in the reverse position, complete the turn.
Roll Bar
Operate the unit with the roll bar in the raised and locked position and use the seat belt. There is no rollover protection when the roll bar is down. If it is necessary to lower roll bar, do not wear the seat belt. Raise the roll bar as soon as clearance permits.
The seat belt must be used when the roll bar is in upright position.
Make sure the work area is free of stones and other objects that could be thrown by the rotating blades.
Before Starting

The following conditions must be fulfilled before the engine can be started:
Starting the Engine
Running
Stopping the Engine
Leaving the ignition switch in a position than OFF will cause the battery to be discharged.
Read the Safety Instructions Driving on Slopes in the Safety section.
Do not drive the rider on terrain that slopes more than 10 degrees. Mow slopes up and down, never side to side. Avoid sudden directional changes.
Mowing Tips
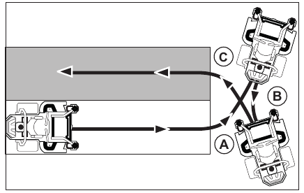
To make a three-point turn
A correct turn will prevent damage to the lawn. The goal is to turn as you move forward or rearward. Do not turn in a tight circle on a stopped wheel.

When pushing or pulling the mower, engage the bypass levers. The bypass levers are located at the front of each transmission.
Load the machine into truck or trailer by driving up ramps in low gear. DO NOT LIFT! The machine is not intended to be lifted by hand.
Once the bypasses are engaged, and the steering controls are moved in to release the parking brake, the unit is free to roll and potentially injure someone.
Use more care when loading the machine into a truck or trailer using ramps. There is the possibility of dangerous injury or death if the machine falls off the ramps.
Do not make adjustments unless:
Maintenance Schedule Following is a list of maintenance procedures that must be performed on the machine. For those points not described in this manual, visit an authorized service workshop. An annual service carried out by an authorized service workshop is recommended to maintain your machine in the best possible condition and to ensure safe operation. Read General Maintenance in the Safety section.
| MAINTENANCE | DAILY | AT LEAST ONCE EACH YEAR | MAINTENANCE INTERVAL IN HOURS | ||||
| BEFORE | AFTER | 25 | 50 | 100 | 300 | ||
| CHECK | |||||||
| Park brake for adjustment | | ![]() | ![]() | ||||
| Engine's oil level (each refueling) | ![]() | ||||||
| Safety system | ![]() | ||||||
| For fuel and oil leakages | ![]() | ||||||
| For damage | ![]() | ||||||
| For loose hardware (screws, nuts) | ![]() | ||||||
| For mower deck damage | ![]() | ||||||
| Tire pressures | ![]() | ![]() | ![]() | ![]() | |||
| Battery connections | ![]() | ![]() | ![]() | ![]() | ![]() | ||
| CLEAN | |||||||
| Engine cooling air intake | ![]() | ![]() | |||||
| Below the mower deck | ![]() | ||||||
| Around the engine | ![]() | ||||||
| Around belts, belt pulleys | ![]() | ![]() | ![]() | ![]() | |||
| Engine's cooling air intake2) | ![]() | ![]() | |||||
| Air cleaner foam pre-filter2) | ![]() | ![]() | |||||
| Air cleaner paper filter cartridge2) | ![]() | ![]() | |||||
| ALSO | |||||||
| Examine muffler/spark arrestor | ![]() | ![]() | ![]() | ![]() | |||
| Start the engine & blades, listen for unusual sounds | ![]() | ||||||
| Sharpen3) / Replace mower blades | ![]() | ![]() | |||||
= Described in this manual
= Not described in this manual
= Refer to the engine manufacturer's manual
Before performing service or adjustment:
| MAINTENANCE | DAILY | AT LEAST ONCE EACH YEAR | MAINTENANCE INTERVAL IN HOURS | ||||
| BEFORE | AFTER | 25 | 50 | 100 | 300 | ||
| CHECK | |||||||
| Throttle cable for adjustment | ![]() | ||||||
| Mower deck for adjustment Condition of belts, belt pulleys | ![]() | ![]() | |||||
| Condition of belts, belt pulleys | ![]() | ![]() | |||||
| Caster wheels (at 200 hour intervals)3) | ![]() | ![]() | |||||
| Engine valve clearance | ![]() | ![]() | |||||
| CHANGE | |||||||
| Spark plugs1) | ![]() | ![]() | |||||
| Engine oil | ![]() | ![]() | |||||
| Engine oil filter Fuel filter | ![]() | ![]() | |||||
| Fuel filter2) | ![]() | ![]() | |||||
| Paper air filter | ![]() | ![]() | |||||
| Air cleaner foam pre-filter2) | ![]() | ||||||
| ALSO | |||||||
| Do the 300-hour service3) | ![]() | ![]() | |||||
= Described in this manual
= Not described in this manual
= Refer to the engine manufacturer's manual
Do not short battery terminals by allowing a wrench or other objects to contact both terminals at the same time. Before connecting battery, remove metal bracelets, wristwatch bands, rings, etc.
Positive terminal must be connected first to prevent sparks from accidental grounding.
The mower has a 12-volt negative grounded system. The other vehicle must also be a 12-volt negative grounded system. Do not use your mower to start other vehicles.
If the battery is too weak to start the engine, it must be recharged.
Jumper Cable Use

To remove cables, reverse order
The mower has a maintenance free battery and does not need servicing. However, periodic charging of the battery with an automotive type battery charger will extend its life.
| STD BATTERY | STATE OF CHARGE | APPROXIMATE CHARGING TIME* TO FULL CHARGE AT 80º F | ||||
| Maximum Rate at: | ||||||
| 50 Amps | 30 Amps | 20 Amps | 10 Amps | |||
| 12.6V | 100% | - FULL CHARGE - | ||||
| 12.4V | 75% | 20 min. | 35 min. | 48 min. | 90 min. | |
| 12.2V | 50% | 45 min. | 75 min. | 95 min. | 180 min. | |
| 12.0V | 25% | 65 min. | 115 min. | 145 min. | 280 min. | |
| 11.8V | 0% | 85 min. | 150 min. | 195 min. | 370 min. | |
*Charging time depends on battery capacity, condition, age, temperature and efficiency of charger
Cleaning the battery and terminals
Battery Removal
Corrosion and dirt on the battery and terminals can cause the battery to lose power.
Do not open or remove caps or covers. Adding or checking level of electrolyte is not necessary. Always use two wrenches for the terminal screws.

Always wear eye protection when around batteries.
Lead-acid batteries generate explosive gases. Keep sparks, flame and smoking materials away from batteries.
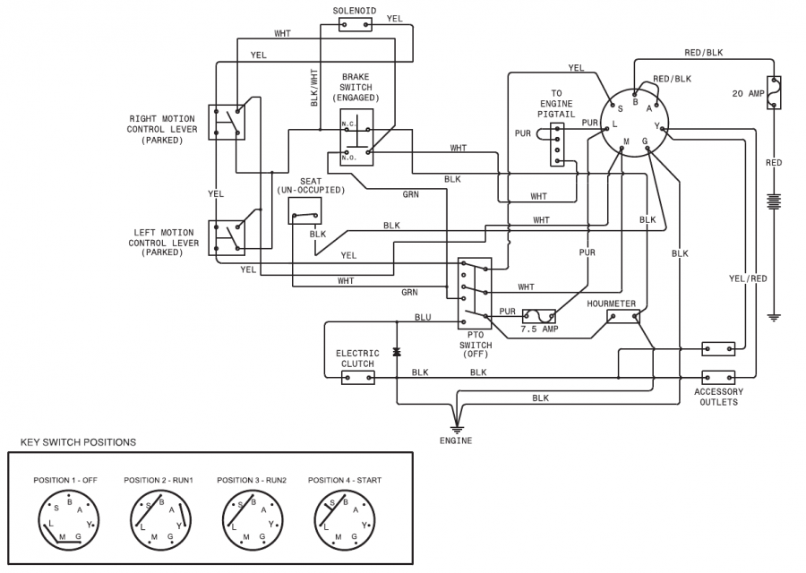
The machine has a safety system that prevents starting or driving under the following conditions. The engine can only be started when:
To be able to drive, the driver must be seated and move both steering levers in toward each other at the same time, otherwise the engine will stop. Make daily inspections to ensure that the safety system works by attempting to start the engine when one of the conditions is not met. Change the conditions and try again. If the machine starts when one of these conditions is not met, turn the machine off and repair the safety system before using the machine again. Make sure the engine stops when the park brake is released and the operator leaves the seated position. Check that the engine stops if the mower blades are engaged and the driver temporarily moves off the driver's seat.
Visually check that no damage is found on the lever, links, or switches belonging to the park brake. Do a standstill test and check that there is sufficient braking. For park brake adjustments, contact the Husqvarna service workshop.
Faulty adjustment will result in reduced braking and can cause an accident.
Tire Pressures
All tires must be at 15 psi / 103 kPa / 1 bar.
DO NOT add a tire liner or foam fill material to the tires. Excessive loads created by foam filled tires will cause premature failures. Only use tires specified by Husqvarna.
Check the belts every 100 hours of operation. Check for severe cracking and large nicks. The belt will show some small cracks in normal operation. The belts are not adjustable. Replace the belts if they begin to slip from wear.
Deck Belt Removal
Deck Belt Installation
NOTE: For ease in installing the deck belt, refer to the routing decal on the top of the deck.
Pump Belt
The transmissions drive belt tension is adjustable. The tension spring should be compressed to a length between 1.38 and 1.50 inches.
Replacing Pump Belt
Park the mower on a level surface. Engage the park brake by moving the steering controls outward.
Belt Removal
From the top side of the deck:
From the underside of the mower:
Belt Installation
Blades are sharp. Protect your hands with gloves and/or wrap blades with a heavy cloth when handling.
The sharpening of blades must be carried out by an authorized service workshop.

For the best mowing effect, it is important that the blades are well sharpened and not damaged.
Replace blades that have been bent or cracked when hitting obstacles.
Let the service workshop decide whether a blade with large nicks can be repaired/ground or must be replaced. Balance the blades after sharpening.
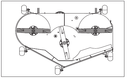
Check the blade mounts.
Blade Replacement
The special blade bolt is heat treated. Replace it with a Husqvarna bolt if necessary. Do not a use lower grade hardware than specified.
Leveling Deck
Adjust the deck while the mower is on a level surface. Make sure the tires are inflated to the correct pressure. See Tire Pressures in Maintenance section. If tires are under or over inflated, the deck cannot be correctly adjusted. Faulty mower deck adjustments will cause an uneven mowing result. Four slots control the height and pitch of the mower deck. Adjust the deck slightly higher in the rear.
NOTE: To ensure precision in the leveling procedure, the mower deck drive belt must be installed before leveling the deck.
Regular external maintenance of the Powertrain™ should include the following:
Any servicing dealer attempting a warranty repair must have prior approval before conducting maintenance of a Parker® product, unless the servicing dealer is a current Authorized Parker™ Service Center.
Check every 200 hours. Check that wheels turn freely. Foam filled tires or solid tires will void the warranty. To replace, remove the nut and caster bolt. Pull the wheel out of the yoke and take care with the spacer. Install in reverse order. Tighten the caster bolt and torque to 45 ft/lb (61 Nm).

NOTE: Tire must turn freely but axle spacers must not. If wheels do not turn freely take the unit to the dealer for service.
Anti-scalp rollers are correctly adjusted when they are slightly off of the ground when the deck is at the desired cutting height. Anti-scalp rollers keep the deck in the correct position to prevent scalping in most terrain conditions. Do not adjust the rollers to support the deck. The rollers must be approximately 1/4" (6.5 mm) from ground.

Adjust anti-scalp rollers with the mower on a flat level surface. To avoid deck damage, the anti-scalp rollers must not be adjusted to support the deck.
Regular cleaning, especially under the mower deck, will increase the machine's life-span. Clean the machine directly after use (after it is cooled), before the debris sticks. Do not spray water on the top of the mower deck. Use compressed air to clean the top side of the mower deck. Do not use a high pressure washer or steam cleaner. Avoid spraying engine and electrical components with water. Clean the underside of the deck with normal water pressure. Do not rinse hot surfaces with cold water. Let unit cool before washing.

Always wear eye protection when cleaning and washing.
Hardware
Check daily. Examine the machine for loose or missing hardware.
Lubrication Schedule

| 12/12 | Every year |
| 1/52 | Every Week |
| 1/365 | Every day |
![]() | Lubricate with grease gun |
![]() | Filter change |
![]() | Oil change |
![]() | Level check |
![]() | Initial hydraulic oil and filter change at 100 hrs, every 400 hrs thereafter Change engine oil every 50 hours |
General
Remove the ignition key to prevent unintentional movements during lubrication. When lubricating with an oil can, it must be filled with engine oil. When lubricating with grease, unless otherwise stated, use high grade molybdenum disulfide grease. For daily use, the machine must be lubricated twice weekly. Wipe away excess grease after lubrication. It is important to avoid getting lubricant on the belts or the drive surfaces on the belt pulleys. If this happens, clean them with spirits. If the belt continues to slip after cleaning, it must be replaced. Gasoline or other petroleum products must not be used to clean belts.
Qualified Hydraulic Oils
If Parker™ HT-1000 oil is used continually, the oil and filters must be changed every 750 hours. If Castrol™ Syntec 5W-50, Amsoil AW ISO 68, or Shell™ TTF-SB oils are used, the oil and filters must be changed every 500 hours after the initial 750 hour oil and filter change.
If a premium grade synthetic engine oil with a minimum viscosity grade of 15W40 is used, then the oil and filters must be changed every 250 hours after the initial 750 hour oil and filter change.
Use minimal lubrication and remove excess lubricant so that is does not come into contact with belts or belt pulley drive surfaces.
Escaping hydraulic oil under pressure can have sufficient force to penetrate the skin, causing serious injury. If injured by escaping fluid, see a doctor at once. Serious infection or reaction can develop if proper medical treatment is not administered immediately.
NOTE: Change the engine oil when the engine is warm. Refer to the engine owner's manual for the correct replacement oil and filter change recommendations.
The engine drain plug is near to the muffler. To prevent burns, the engine should be shut off and allowed to cool slightly so the engine is still warm but the adjacent surfaces and oil are not.
Use only good quality bearing grease. Grease from well-known brand names (petrochemical companies, etc.) usually maintains a good quality.
Front Wheel Mount
Lubricate 3-4 strokes with a grease gun on each set of wheel mounts.
Front Wheel Bearings
Lubricate 3-4 strokes with a grease gun on each set of wheel bearings.

Deck Spindles
Lower the cutting deck completely.
If a grease gun without rubber hose is used, the foot plate must be removed to access the center spindle. Lubricate with a grease gun, 2-3 strokes per spindle.

The hydraulic oil and filters must be replaced every 250 to 750 hours or once per year, depending on the type of oil used. See Qualified Hydraulic Oils in the Lubrication section for a list of approved oils or refer to the transmission manufacturers service manual. Due to the risk of impurities entering the system, all transmission work should be performed by an authorized service workshop. The following procedure is performed with the transmissions installed in the mower and the mower on level ground. Apply the pump release valve for each transmission and set the park brake.
Transmission Purging
Purge procedures must be implemented if the hydrostatic system has been opened for maintenance or when more oil has been added to the system.
Due to the effects air has on efficiency in hydrostatic drive applications, it is critical to purge the system. Resulting symptoms of air in hydrostatic systems may be:
Before starting, make sure the oil tank is at the proper oil level. If not, fill to the specifications outlined above. Perform the procedure first with the vehicle drive wheels off the ground, then repeated under normal operating conditions. See Moving Machine By Hand in the Operation section for bypass linkage adjustments.
Mower moves slowly, unevenly, or not at all
Mower deck not engaging
Transmission leaks oil
Uneven mowing results
Winter Storage
The machine must be readied for storage at the end of the mowing season, or if it will not be in use for more than thirty days. Fuel allowed to stand for long periods of time (thirty days or more) can leave sticky residues that can plug the carburetor and disrupt engine function. Fuel stabilizers are an permitted option as regards to the sticky residues that can occur during storage. Add stabilizer to the fuel in the tank or in the storage container. Always use the mixing ratios specified by the manufacturer of the stabilizer. Run the engine for at least ten minutes after adding the stabilizer so that it reaches the carburetor. Do not empty the fuel tank and the carburetor if a stabilizer has been added.
Do not store an engine with fuel in the tank indoors or in poorly ventilated spaces where fuel vapor can come in contact with open flames, sparks, or a pilot light such as in a boiler, hot water tank, clothes dryer, etc. Handle the fuel with care. It is very flammable and can cause serious personal injury and property damage. Drain the fuel into an approved container outdoors and store far away from open flame or sources of ignition. Do not use gasoline for cleaning. Use a degreaser and warm water.
To ready the machine for storage:
Service
When ordering spare parts, please specify the purchase year, model, type, and serial number. Always use genuine Husqvarna spare parts. An annual check-up at an authorized service workshop is a good way to ensure that the machine performs its best the following season.

| ENGINE | ||
| Manufacturer | Kawasaki | |
| Type | FX730V | |
| Power | 23.5 hp1) | |
| Spark Plug | BPR4ES Gap: .030"(0.76 mm) | |
| Lubrication | Pressure with oil filter | |
| Fuel | Min 87 octane unleaded (Max ethanol 10%, Max MTBE 15%) | |
| Fuel tank capacity | 12 gallons | 45.4 litres |
| Cooling | Air cooled | |
| Air filter | Heavy duty canister | |
| Alternator | 12V 15 amp @ 3600 +/- 100 rpm | |
| Starter | Electric | |
| TRANSMISSION | ||
| Transmission | Parker HTE 12 | |
| Steering control | Dual levers, foam gripped | |
| Speed forward | 0-11 mph | 0-17,7 km/h |
| Speed reverse | 0-5 mph | 0-8 km/h |
| Brakes | Integrated Park Brake | |
| Front caster tires | 13 x 6.5-6 | |
| Rear tires, turf pneumatic | 23 x 10.5-12 | |
| Tire pressure | 15 PSI / 103 kPa / 1 bar | |
| FRAME | ||
| Cutting Width | 54" | 137 cm |
| Cutting Height | 1.5" - 4.5" | 3.8 cm - 11.4 cm |
| Number of Blades | 3 | |
| Blade Length | 19" | 48.3 cm |
| Anti-scalp roller | 4 adjustable | |
| Nose roller | Yes | |
| Sprung Seat | Standard | |
| Hinged Arm Rests | Yes | |
| Service Meter | Digital | |
| Blade Engagement | Ogura Clutch | |
| Deck Construction | 10 gauge fabricated | |
| Productivity | 4.8 acres/h | 19,425 m2/h |
| DIMENSIONS | ||
| Weight | 961 lb | 436 kg |
| Base Machine Length | 76.5" | 194 cm |
| Base Machine Height | 49.75" | 127 cm |
| Base Machine Width | 49.5" | 126 cm |
| Overall Width, Chute Up | 55" | 140 cm |
| Overall Width, Chute Down | 68.25" | 173 cm |

Here you can download full pdf version of manual, it may contain additional safety instructions, warranty information, FCC rules, etc.
Advertisement






















Need help?
Do you have a question about the Z454XS and is the answer not in the manual?
Questions and answers