Advertisement

Product description
This product is a ride-on lawn mower. The control levers let the operator steer the product and adjust the speed of the product. An hour meter shows how many hours the product has been used.
Intended use
The product is made to cut grass on open and level ground only. Do not use the product for other tasks.


You can select between engine speed, session time, battery status and ambient temperature to show on the display during operation. Refer to Symbols on the control panel and display for descriptions of the symbols.
There are 4 types of messages that can show on the display. A message is shown as a symbol or a combination of symbols.
| Message type | Description |
| Information message | In the lower right corner of the display. Shows an engaged function or that servicing is necessary. |
| Caution message | In the center of the display. Shows a condition that is not correct. Refer to Caution messages on the display. |
| Warning message | In the center of the display. A warning triangle shows together with an additional symbol if there is a safety warning or if the product is damaged. Refer to Warning messages on the display. |
| Error message | In the center of the display. A warning triangle shows together with a number. The product cannot be operated until servicing is done. Speak to your Husqvarna servicing dealer. |
The direction of the product is controlled by the 2 control levers. Refer to Product overview. The right control lever has a PTO (Power Take-Off) button. The left control lever has a START/STOP button.

The control levers must be moved out to the park position (A) to start the product. The control levers can be moved forward and rearward from the neutral position (B). Refer to To operate the product.
The PTO button (A) is on the right control lever. The PTO button engages and disengages the PTO clutch and the cutting deck. The correct start conditions must be obeyed to engage the drive of the blades. Refer to Operation conditions for the correct start conditions.

The LED indicator (B) adjacent to the PTO button shows the PTO status.
| LED indicator | Description |
| Solid white | The drive to the blades is engaged, no errors. |
| Flashes yellow | When you push the PTO button: The drive to the blades cannot be engaged because the operator is not in the seat. |
| During operation: The drive to the blades will soon disengage because the operator is not in the seat. | |
| Flashes red | The drive to the blades is disengaged because the operator is not in the seat. |
| Solid red | The PTO function does not work. Servicing is necessary. |
The engine START/STOP button (A) is on the left control lever.
Note: There is also an engine START/STOP button on the control panel. Refer to Control panel overview. The 2 engine START/STOP buttons have the same function.
The engine START/STOP button starts and stops the engine. The correct start conditions must be obeyed to start the engine. Refer to Operation conditions for the correct start conditions.
The LED indicator (B) adjacent to the engine START/STOP button on the left control lever gives information about the engine operation.

| LED indicator | Description |
| Solid white | The engine is on, no errors. |
| Flashes yellow | The engine cannot start. The parking brake is not engaged, the control levers are in an incorrect position or the key switch is in locked position. |
| Flashes white | All operation conditions are obeyed. Start of the engine is possible. |
| Flashes red | The engine stopped because the parking brake is not engaged and the operator is not in the seat. |
| Solid red | The engine is damaged. Servicing is necessary. |
The OPC engages when the operator lifts from the seat. The engine and the drive to the blades stop if the blades are engaged or the parking brake is not applied. Refer to Operation conditions.
The throttle control adjusts the speed of the engine and the speed of the blades if the blades are engaged. The throttle control has 2 end positions, idle speed and full throttle.

Do not operate the engine at idle speed (A) for longer time than necessary. Too much operation time at idle speed can decrease the life of the spark plugs.
The location of the fuses is in the fuse box. The fuse box is below the seat. Remove the battery compartment cover to get access to the fuse box. Refer to the decal on the fuse box for identification of the different fuses.
The product has an hour meter that shows how many hours the engine has operated. The hour meter is selected on the control panel display.
To read the hour meter
This product can be dangerous and cause serious injury or death to the operator or others. Be careful and use the product correctly.

Read the operator's manual carefully and make sure that you understand the instructions before you use the product.

Stop the engine and remove the key before you do maintenance.

Keep a safe distance from the product.

Do not operate the product on slopes larger than 10°.

Do not park the product on slopes.

Do not keep passengers.

Look out for ejecting objects and ricochets.

Keep hands and feet away from the cutting deck.

Keep hands away from rotating parts.

Look out for persons and animals when you operate the product forward.

Look out for persons and animals when you operate the product rearward.

Do not sit on the accessory rack.

Do not put your foot here.

Control levers out.

Parking brake.

Cutting deck lift.

Engine speed – fast.

Engine speed – slow.

Neutral.

Reverse.

Fuel.

Do not operate the product without deflector or grass catcher.

Low cutting height.

High cutting height.

Battery acid is corrosive, explosive and flammable.

Keep body parts away from rotating parts.

The rating plate shows the serial number. yyyy is the production year and ww is the production week.
Note: Other symbols/decals on the product refer to certification requirements for some commercial areas.
For information about caution symbols, refer to Caution messages on the display.

Start/stop the engine.

The key switch is unlocked.

The key switch is locked.

Headlights on.

Parking brake engaged.

PTO (Power Take-Off) indicator. The drive of the blades is engaged.

Servicing.

Bluetooth®.

Fuel level.

Engine speed.

Elapsed time for the current session.

Battery.

Ambient temperature.
Information.

Hour meter.

Reset remaining hours to servicing.

Cancel reset of remaining hours to servicing.

Confirm reset of remaining hours to servicing.

Go back to previous menu.
We are not responsible for damages to our product if:
Warnings, cautions and notes are used to point out specially important parts of the manual.
Used if there is a risk of injury or death for the operator or bystanders if the instructions in the manual are not obeyed.
Used if there is a risk of damage to the product, other materials or the adjacent area if the instructions in the manual are not obeyed.
Note: Used to give more information that is necessary in a given situation.
Read the warning instructions that follow before you use the product
Failure to follow cautious operating practices can result in dangerous injury to the operator or other persons. The owner must understand these instructions, and must let only approved persons who understand these instructions to operate the mower. Each person operating the mower must be of sound mind and body and must not be under the influence of mind altering substances.
This product is capable of amputating hands and feet and throwing objects. Failure to observe the following safety instructions could result in serious injury or death.
Children can be seriously injured or killed by this product. Read the warning instructions that follow before you use the product. Keep children away.
Read the warning instructions that follow before you use the product.
Do not touch the engine or exhaust system during or directly after operation. The engine and the exhaust system become very hot during operation. Risk of burn injuries, fire and damage to property or adjacent areas. When you operate the product, keep away from bushes and other objects.
Read the warning instructions that follow before you use the product.
Slopes are a major factor related to accidents. Operation on slopes requires extra caution.
Read the warning instructions that follow before you use the product.
Read the warning instructions that follow before you use the product.
Key switch and key
The key switch is on the control panel. To start the engine, the key must be in the key switch and the key switch must be in unlocked position.
To do a check of the key switch and key
Accessory rack
The accessory rack is used for storage and transportation. The weight limit is 30 lb (13.6 kg).
For transportation of liquids, use containers that are correctly sealed and not damaged to prevent spills on the engine.
Do not use the accessory rack as a seat.

Engine START/STOP button
The product has 2 engine START/STOP buttons: 1 on the control panel and 1 on the left control lever.
To do a check of the engine START/STOP buttons
Operation conditions
These conditions are necessary to start the engine:
The engine must stop in these situations:
Try to start the engine without 1 of the conditions. Change the conditions and try again. Do this check daily.
Parking brake
If the parking brake does not work, the product can start to move and cause injury or damage. Make sure that the parking brake is regularly examined and adjusted.
Refer to To do a check of the parking brake.
Muffler
Do not use the product if the muffler is missing or damaged. A muffler that is damaged or missing increases the noise level and the risk of fire.
The muffler keeps the noise levels to a minimum and sends the exhaust fumes away from the operator.
Examine the muffler regularly to make sure that it is attached correctly and not damaged.
The muffler becomes very hot during and after use and when the engine operates at idle speed. Be careful near flammable materials and/or fumes to prevent fire.
To do a check of the muffler
Spark arrestor
This product has an internal-combustion engine. Do not use the product near vegetation without a spark arrestor that is approved by local or state laws. Federal laws apply on federal lands.
A spark arrestor for the muffler is available through your approved Husqvarna dealer.
Protective covers
Missing or damaged protective covers increase the risk of injury on moving parts and hot surfaces. Do a check of the protective covers before you operate the product. Make sure that the protective covers are correctly attached and do not have cracks or other damages. Replace damaged covers.
Read the warning instructions that follow before you use the product.
Be careful with fuel. It is very flammable, and can cause injury and damage to property.
Hauling
A damaged battery can cause an explosion and cause injury. If the battery has a deformation or is damaged, speak to an approved Husqvarna service agent.
Read the warning instructions that follow before you use the product.
Read the warning instructions that follow before you use the product.
The product is heavy and can cause injury or damage to property or the adjacent area. Do not do maintenance on the engine or the cutting deck without these conditions:
Fluid escaping under pressure may have sufficient force to penetrate skin and cause serious injury. If fluid is injected into the skin, seek immediate medical attention. Keep body and hands away from pin holes or nozzles that eject fluid under high pressure. If a leak occurs, have the product immediately serviced by a trained technician.
The exhaust fumes from the engine contain carbon monoxide, an odorless, poisonous and very dangerous gas. Do not run the product in closed spaces or spaces with no sufficient air flow.
Husqvarna Connect is a free app for your mobile device. The Husqvarna Connect app gives extended functions for your Husqvarna product.
Products with built-in Bluetooth® wireless technology can connect to mobile devices and enables additional functions from Husqvarna Connect.
The symbol for Bluetooth® wireless technology comes on when your mobile device is connected to the product.

Note: Husqvarna Connect app is not available for download in all markets. Speak to your servicing dealer for more information.
Before you operate the product for the first time, you must read and understand this chapter.
Before you operate the product, you must read and understand the safety chapter.
Before you operate the product, you must make sure that there are no stones or other objects in the work area that can be thrown by the rotating blades.
Gasoline is very flammable. Be careful and refuel outdoors, refer to Fuel safety.
The engine and the exhaust system become very hot during operation. Risk of burn injury. Let the engine and the exhaust system become cool before you fill fuel in the product.
Do not use the fuel tank as a support area.
Incorrect type of fuel can result in engine damage.
The engine runs on gasoline with a minimum octane rating of 91 RON (87 AKI), not mixed with oil. We recommend biodegradable alkylate gasoline.
The fuel level shows on the display.
| Symbol | Description |
| The left indicator flashes. Remaining fuel is 0– 10%. |
| The left indicator is on. Remaining fuel is 11– 25%. |
| Two indicators are on. Remaining fuel is 26– 50%. |
| Three indicators are on. Remaining fuel is 51– 75%. |
| All 4 indicators are on. Remaining fuel is 76– 100%. |
The position of the seat can be moved forward or rearward and the suspension of the seat can be adjusted. The suspension on the left side and right side of the seat are adjusted independently.
Do not make adjustments to the seat when the product is in operation.
The product must be stationary when you engage the parking brake.

Only disengage or engage the drive system when the product is parked on level ground.
If it is necessary to move the product by hand, with the engine off, the drive system must be disengaged. The drive system is disengaged and engaged by the bypass valves. The bypass valves are found on the front of each transmission.
Follow the procedure below to disengage the drive system.
The cutting deck must be in transport position during transportation.

| Cutting height setting | Cutting height, in./cm |
| 1 | 1.5/3.8 |
| 2 | 1.75/4.4 |
| 3 | 2.0/5.1 |
| 4 | 2.25/5.7 |
| 5 | 2.5/6.4 |
| 6 | 2.75/7.0 |
| 7 | 3.0/7.6 |
| 8 | 3.25/8.3 |
| 9 | 3.5/8.9 |
| 10 | 3.75/9.5 |
| 11 | 4.0/10.2 |
| 12 | 4.25/10.8 |
| Transport position | 4.5/11.4 |
It is necessary to do the procedure in the correct order and with the correct conditions to start the engine. If a start condition is not met, a corresponding symbol shows on the display. Refer to Caution messages on the display.
* = The instructions are not given in this operator's manual.
X = The instructions are given in this operator's manual.
O = Refer to the engine manual for instructions.
Maintenance schedule for the operator
| Maintenance | Daily maintenance | Do maintenance at a minimum of 1 time each year | Maintenance interval in hours | |||
| Before | After | 25 | 100 | 500 | ||
| Do a check of the parking brake. | X | X | X | X | X | |
| Do a check of the engine oil level. | O | |||||
| Do a check of the safety system. | X | |||||
| Make sure that there are no fuel or oil leaks from the product. | * | |||||
| Make sure that there are no damages on the product. | * | |||||
| Make sure that there are no loose parts. | * | |||||
| Do a check for damages on the cutting deck. | * | |||||
| Do a check of the cutting deck for adjustment. | X | X | ||||
| Do a check of the tire pressure. | X | X | X | |||
| Do a check of the battery connections. | X | X | X | X | ||
| Do a check of the throttle cable. | O | O | ||||
| Do a check of the front wheels. | X | X | X | |||
| Do a check of the clearance of the engine valve.[1] | * | * | ||||
| Clean the air intake of the engine.[2] | O | O | O | O | ||
| Clean the bottom side of the cutting deck. | X | |||||
| Clean around the engine. | * | |||||
| Clean around the belts and the belt pulleys. | * | * | * | |||
| Do a check of the belts and the belt pulleys. | X | X | X | |||
| Clean the foam pre-filter (if equipped).[3] | O | O | O | O | ||
| Replace the foam pre-filter (if equipped).[4] | O | |||||
| Clean the paper filter cartridge.[5] | O | O | O | O | ||
| Examine the muffler and spark arrester screen. | * | * | * | |||
| Start the engine and blades and listen for unusual sounds. | * | |||||
| Sharpen the blades.[6] | X | X | X | X | ||
| Replace the blades. | X | X | X | X | ||
| Replace the spark plugs. | O | O | O | |||
| Replace the engine oil.[7] | O | O | O | |||
| Replace the engine oil filter. | O | O | O | |||
| Replace the fuel filter. | O | O | O | |||
| Replace the paper air filter.[8] | O | O | O | |||
When the product is at a servicing interval, the servicing symbol (A) shows on the display. The servicing symbol stays on the display until the servicing timer is reset.

The display shows the next servicing interval (D) and the elapsed time since the last servicing (E).

Do not use a highpressure washer or a steam cleaner. Water can go into bearings and electrical connections and cause corrosion which causes damage to the product.
Keep the engine and muffler free from grass cuttings and dirt. Grass cuttings soaked in fuel or oil on the engine can increase the fire risk and the risk that the engine becomes too hot. Let the engine cool before it is cleaned. Clean with water and a brush.
Grass cuttings around the muffler dry quickly and are a fire risk. Use a brush or remove the grass cuttings with water when the muffler is cold.
Corrosion and dirt on the battery and the terminals can cause the power of the battery to decrease.
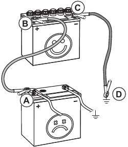
If the battery is too weak to start the engine, you can use jumper cables to do an emergency start. This product has a 12 V system with negative ground. The product that is used for the emergency start must also have a 12 V system with negative ground.
Risk of explosion because of explosive gas that comes from the battery. Do not connect the negative terminal of the fully charged battery to or near the negative terminal of the weak battery.
Do not use the battery of the product to start other vehicles.
Note: Remove the jumper cables in the opposite sequence to how you connect them.
If the product does not move straight forward, the tracking speed must be adjusted.
Always adjust the tracking speed in an open area without bystanders.
Make sure that the tire pressure is correct in all 4 tires. Refer to Technical data.
The anti-scalp rollers keep the cutting deck in the correct position on the ground and prevent lawn scalping in most terrain conditions. The anti-scalp rollers can be set in 3 positions for different lengths of grass:
This procedure will set the cutting deck in a standard position.
Damaged or incorrectly balanced blades can cause damage to the product. Replace damaged blades. Let an approved service agent help you sharpen and balance blunt blades.
Park the product on level ground and engage the parking brake before you do this task.
Park the product on level ground and engage the parking brake before you do this task.
If the engine is cold, start the engine for 1–2 minutes before you drain the engine oil. This makes the engine oil warm and faster to drain.
Do not operate the engine for more than 1–2 minutes before you drain the engine oil. The engine oil becomes very hot and can cause burn injuries. Let the engine become cool before you drain the engine oil.
If you spill engine oil on your body, clean with soap and water.
Do not use gasoline or other petroleum products to clean drive belts.
If you cannot find a solution to your problems in this operator's manual, speak to your Husqvarna service agent.
| Problem | Cause |
| The engine does not start. | The drive of the blades is engaged. Refer to PTO (Power Take- Off) button and LED indicator. |
| Steering controls are not locked in the neutral position. | |
| The battery is too weak. Refer to To charge the battery. | |
| There is dirt in the carburetor or fuel line. | |
| The fuel filter or fuel line is clogged. | |
| The ignition system is damaged. | |
| The starter motor does not turn the engine over. | The battery is too weak. Refer to To charge the battery. |
| The connection at the cable connectors on the battery terminals is bad. Refer to To clean the battery. | |
| A fuse is blown. Refer to Fuses. | |
| The OPC is damaged. Refer to Operator Presence Control (OPC). | |
| The engine does not run smoothly. | The carburetor is incorrectly set. |
| The fuel filter or fuel jet is clogged. | |
| The check valve on the fuel tank cap is clogged. | |
| The fuel tank is almost empty. | |
| The spark plug is damaged. | |
| Incorrect fuel mix or fuel type. | |
| There is water in the fuel. | |
| The air filter is clogged. | |
| The engine apparently has no power. | The air filter is clogged. |
| The spark plug is damaged. | |
| The carburetor is incorrectly set. | |
| There is air in the hydraulic system. | |
| There is vibration in the product. | The blades are loose. Refer to To examine the blades. |
| One or more of the blades are not balanced. Refer to To examine the blades. | |
| The engine is loose. | |
| The engine becomes too hot. | The air filter or the cooling fins are clogged. |
| There is overload in the engine. | |
| The airflow around the engine is not sufficient. | |
| The engine speed regulator is damaged. | |
| The oil level is too low. | |
| There is dirt in the fuel line. | |
| The spark plug is damaged. | |
| The battery does not charge. | The connection at the cable connectors on the battery terminals is bad. Refer to To clean the battery. |
| The charging cable is disconnected. | |
| The charging system is damaged. | |
| The product moves slowly, with irregular speed or not at all. | The bypass linkages are engaged. |
| The drive belt on the transmission is loose or damaged. | |
| There is air in the hydraulic system. | |
| The drive of the blades do not engage. | The drive belt on the mower deck is loose. |
| The electromagnetic coupling contact is loose. | |
| The drive of the blade is damaged or loose from the cable connectors. | |
| A fuse is blown. | |
| The transaxle leaks oil. | The seals, housing or gaskets are damaged. |
| There is air in the hydraulic system. | |
| The cutting result is unsatisfactory. | The tire pressure is different on the right and left sides. Refer to Tire pressure. |
| The blades are damaged. | |
| The suspension of the cutting deck is not level. | |
| The blades are blunt. Refer to To examine the blades. | |
| The product is operated at too high forward or rearward speed. Refer to To get a good cutting result. | |
| The grass is long. Refer to Symbols on the product. | |
| There is grass blockage in the cutting deck. Refer to To clean the product. |
| Symbol | Name | Cause |
![]() | Operator presence control (OPC) indicator | The product stops because the operator is not in the seat and the parking brake is not engaged. |
| Parking brake indicator | The parking brake is engaged. |
| Key switch indicator | The product cannot start if the key switch is in locked position. |
| The product stops if the key switch is moved from unlocked to locked position. | ||
| Control lever indicator | The control levers are in the park position. |
| Control lever indicator | One of the control levers is not in the neutral position. |
| ||
| Control lever indicator | The control levers are in the neutral position. |
A warning indicator flashes and the symbol for the type of warning shows. If the warning indicator shows together with an error number, speak to your Husqvarna servicing dealer.
| Symbol | Name | Cause | |||
| Warning indicator | Safety warning. The other symbol shows the warning type. | |||
| Headlights | The headlights are on. | |||
| Battery level indicator | The battery has low voltage. Refer to To charge the battery. | |||
| PTO (Power Take-Off) indicator | The drive of the blades is engaged. | |||
| Parking brake indicator | The parking brake is engaged. | |||
![]() | Engine indicator | There is an engine problem. |
Prepare the product for storage at the end of the season, and before more than 30 days of storage. If you keep fuel in the fuel tank for 30 days or more, tacky particles can cause blockage in the carburetor. This has a negative effect on the engine function.
To prevent tacky particles during storage, add a stabilizer. If alkylate gasoline is used, stabilizer is not necessary. If you use standard gasoline, do not change to alkylate gasoline. This can cause sensitive rubber parts to become hard. Add stabilizer to the fuel in the tank or in the container used for storage. Always use the mixing ratios given by the manufacturer. Add the stabilizer and run the engine for a minimum of 10 minutes, until the fuel flows into the carburetor.
Do not keep the product with fuel in the tank in an indoor location or in locations with bad airflow. Risk of fire if fuel fumes come near open flames, sparks, or pilot lights in for example boilers, hot water tanks and clothes dryers.
Remove grass, leaves and other flammable materials from the product to decrease the risk of fire. Let the product become cool before you put it in storage.
| Xcite ™ Z350 | |
| Engine | |
| Brand/model | Kohler/KT735 |
| Nominal engine output, hp/kW9 | 24/17.9 |
| Displacement, cm 3 | 725 |
| Max. engine speed, rpm | 3600 ± 75 |
| Fuel, min. octane grade lead-free, max 10% Ethanol, max 15% MTBE | 87 AKI/91 RON |
| Tank volume, gal/l | 4.31/16.3 |
| Oil | Class SF, SG, SH, SJ or SL SAE40, SAE30, SAE20W-50, SAE10W-40, SAE10W-30, SAE5W-20 |
| Oil volume, incl. filter, oz/l | 66.6/2 |
| Oil volume, excl. filter, oz/l | 64/1.9 |
| Lubrication system | Pressure with oil filter |
| Cooling system | Air cooled |
| Air filter | Heavy duty canister |
| Alternator, V. amp. @ 3600 rpm | 12 V 15 amp @ 3500 ± 100 rpm |
| Start motor | Electric start 12 V |
| Dimensions | |
| Length, in./cm | 78.75/200.3 |
| Width, in./cm | 49.5/126 |
| Width including chute up, in./cm | 53.9/137 |
| Width including chute down, in./cm | 68/172.7 |
| Height, in./cm | 46/116.8 |
| Weight, with no fuel, lb/kg | 794/360.2 |
| Max. gross vehicle weight rating (GVWR), lb/kg10 | 1300/589.6 |
| Max. gradient, degrees ° | 10 |
| Cutting width, in./cm | 54/137 |
| Cutting height, in./cm | 1.5-4.5/3.9-11.4 |
| Cutting deck | |
| Deck construction | 10 gauge fabricated |
| Number of blades | 3 |
| Blade length, in./cm | 21/53 |
| Blade engagement | Ogura Clutch |
| Productivity, acres/h / m 2 /h | 3.48/14083 |
| Tires | |
| Tire pressure, front, kPa/PSI/bar | 103/15/1 |
| Tire pressure, rear, kPa/PSI/bar | 103/15/1 |
| Front tires, in. | 13 x 6.5-6 |
| Rear tires, turf pneumatic, in. | 20 x 10-10 |
| Anti-scalp roller | 4 adjustable |
| Transmission | |
| Transmission | Tuff Torq TZ-350 |
| Transmission oil | Tuff Torq Tuff Tech |
| Steering control | Dual levers, foam gripped |
| Maximum speed forward, mph / km/h | 8/12.87 |
| Maximum speed reverse, mph / km/h | 3.5/5.63 |
| Brakes | Mechanical parking brake |
| Electrical system | |
| Battery | 12 V 230 CCA Class |
| Spark plug | XC12YC |
| Electrode gap, in./mm | 0.03/0.76 |
| Spark plug torque, ft-lb/Nm | 22/27 |
| STD battery | State of charge | Approximate charging time to full charge at 80°F / 26°C[11] | |||
| Maximum rate at: | |||||
| 50 Amps | 30 Amps | 20 Amps | 10 Amps | ||
| 12.6 V | 100% | Fully charged | |||
| 12.4 V | 75% | 20 min | 35 min | 48 min | 90 min |
| 12.2 V | 50% | 45 min | 75 min | 95 min | 180 min |
| 12.0 V | 25% | 65 min | 115 min | 145 min | 280 min |
| 11.8 V | 0% | 85 min | 150 min | 195 min | 370 min |
Do a yearly check at an authorized service center to make sure that the product functions safely and at its best during high season. The best time to do a servicing or overhaul of the product is low season. When you send an order for the spare parts, give information about the purchase year, model, type, and serial number.
Always use original spare parts.

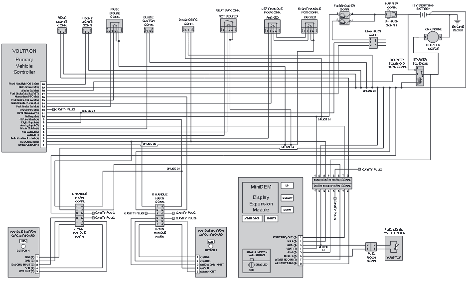
VOLTRON
Primary Vehicle Controller
HANDLE BUTTON CIRCUIT BOARD
MiniDEM
Display Expansion Module

Here you can download full pdf version of manual, it may contain additional safety instructions, warranty information, FCC rules, etc.
Advertisement
























Need help?
Do you have a question about the Xcite Z350 and is the answer not in the manual?
Questions and answers