Husqvarna Z560LS - Zero-Turn Lawn Mower Manual
![]()
Introduction
Pre-delivery inspection and product numbers
A pre-delivery inspection has been done of this product. Make sure that you receive a signed copy of the pre-delivery inspection document from your dealer.
Do not modify or install non-standard equipment to the unit without consent from the manufacturer. Modifications to the unit may cause unsafe operations or damage the unit.
The product numbers are found on the type plate. Refer to Product overview for the location of the type plate.
Product description
This product is a ride-on lawn mower. The control levers let the operator steer the product and adjust the speed of the product. An hour meter shows how many hours the product has been used.
Intended use
The product is made to cut grass on open and level ground only. Do not use the product for other tasks.
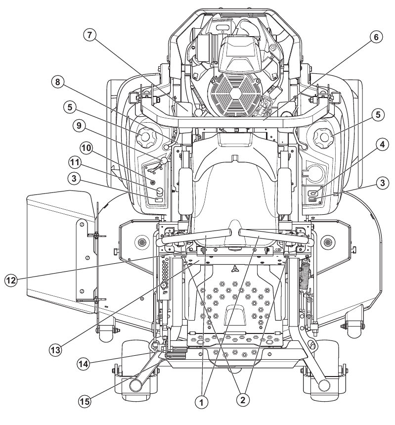
Product overview
![Husqvarna - Z560LS - Product overview Product overview]()
- Control levers / parking brake
- Tracking controls
- Fuel gauge
- Hour meter
- Fuel tank caps
- ROPS
- Fuses
- Fuel tank selector / Fuel shut-off valve
- Throttle control
- Ignition switch
- PTO button
- Seat adjustment lever
- Type plate
- Deck lifting pedal
- Deck release pedal
Roll Over Protection Structure (ROPS)
ROPS is a protective frame that decreases the risk of injury if the product overturns. Use the ROPS and the safety belt when you operate the product on slopes.
Steering controls
The direction of the product is controlled by the 2 control levers. Refer to Product overview. The control levers can be moved forward and rearward from a neutral position. Refer to To operate the product.
Operator Presence Control (OPC)
The OPC engages when the operator lifts from the seat. The engine and the drive to the blades stop if the blades are engaged or the parking brake is not applied. Refer to Operation conditions.
Ignition key
The ignition key has 4 positions:
![Husqvarna - Z560LS - Ignition key Ignition key]()
- Start position (A)
- Run position (B)
- Headlight position (C)
- Stop position (D)
Headlights
![Husqvarna - Z560LS - Headlights Headlights]()
- Turn the ignition key to the headlight position (C) to operate the product with the headlights on.
- Turn the ignition key to the run position (B) to operate the product with the headlights off.
Throttle control
The throttle control adjusts the speed of the engine and the speed of the blades if the blades are engaged. The throttle control has 2 end positions, idle speed and full throttle.
![Husqvarna - Z560LS - Throttle control Throttle control]()
- Idle speed (A) - decreases the engine speed.
- Full throttle (B) - increases the engine speed.
![]()
Do not operate the engine at idle speed (A) for longer time than necessary. Too much operation time at idle speed can decrease the life of the spark plugs.
The PTO button engages and disengages the PTO clutch and the cutting deck or other equipment connected to it. The correct start conditions must be obeyed to engage the drive of the blades. Refer to Operation conditions for the correct start conditions.
- Push the PTO button in to disengage the drive to the blades or other equipment.
![Husqvarna - Z560LS - PTO (Power Take-Off) button PTO (Power Take-Off) button]()
Fuel gauge
The fuel gauge shows the fuel level and will flash yellow when the fuel level is approximately 1.0 gallons/3.8 l. Refer to Product overview for the position of the fuel gauge.
![Husqvarna - Z560LS - Fuel gauge Fuel gauge]()
Fuel shut-off valve
Refer to Product overview for the position of the fuel shut-off valve.
The fuel shut-off valve has 3 positions: right tank, left tank, and OFF.
Fuses
The location of the fuses is in the fuse box. The fuse box is below the seat. Tilt the seat forward to get access the fuse box. Refer to the decal on the fuse box for identification of the different fuses.
Hour meter
The product has an hour meter that show how many hours of operation that the blades have been engaged. Refer to Product overview for the position of the hour meter.
![Husqvarna - Z560LS - Hour meter Hour meter]()
Each 50 hours an oil level symbol will show for 2 hours. Refer to Grease nipple.
Symbols on the product
![]()
This product can be dangerous and cause serious injury or death to the operator or others. Be careful and use the product correctly.
![]()
![]()
Product liability
As referred to in the product liability laws, we are not liable for damages that our product causes if:
- the product is incorrectly repaired.
- the product is repaired with parts that are not from the manufacturer or not approved by the manufacturer.
- the product has an accessory that is not from the manufacturer or not approved by the manufacturer.
- the product is not repaired at an approved service center or by an approved authority.
Safety
Safety definitions
![]()
Used if there is a risk of injury or death for the operator or bystanders if the instructions in the manual are not obeyed.
![]()
Used if there is a risk of damage to the product, other materials or the adjacent area if the instructions in the manual are not obeyed.
Note: Used to give more information that is necessary in a given situation.
General safety instructions
![]()
Read the warning instructions that follow before you use the product
![]()
This product is capable of amputating hands and feet and throwing objects. Failure to observe the following safety instructions could result in serious injury or death.
- Read, understand, and follow instructions and warnings in this document, the operator's manual and on the product, engine and attachments.
- Only allow operators, who are responsible, trained, familiar with the instructions, and physically capable to operate the product.
- Do not carry passengers and keep bystanders away.
- Do not operate the product while under the influence of alcohol or drugs.
- Follow the manufacturer's recommendation for wheel weights or counterweights.
- Learn how to use the product and its controls safely and learn how to stop the product quickly.
- Learn to recognize the safety decals.
- Keep the product clean to make sure that you can clearly read signs and stickers.
- Keep in mind that the operator will be held responsible for accidents that involve other persons or their property.
- Only use the product in daylight or in other well-lit conditions. Keep the product at a safe distance from holes or other irregularities in the ground. Look out for other possible risks.
- Do not let children or other persons not approved for operation of the product to use or do servicing on it. Local laws may regulate the age of the user.
- Make sure that nobody else is in the vicinity of the product when you start the engine, engage the drive or start to move the product.
- Keep an eye on the traffic when you mow near a road or move across a road.
- Do not use the product if you are fatigued, while under the influence of alcohol or drugs, medicine or anything that can have a negative effect on your vision, alertness, coordination or judgement.
- Always park the product on a level surface with the engine stopped.
Safety instructions regarding children
![]()
Read the warning instructions that follow before you use the product.
- Tragic accidents can occur if the operator is not alert to the presence of children. Children are often attracted to the product and the mowing activity. Never assume that children will remain where you last saw them.
- Keep children out of the operating area and under the watchful care of a responsible adult other than the operator.
- Do not carry children, even with the blade(s) shut off. Children could fall off and be seriously injured or interfere with safe product operation. Children who have been given rides in the past could suddenly appear in the mowing area for another ride and be run over or backed over by the product.
Safety instructions for operation
![]()
Read the warning instructions that follow before you use the product.
![]()
Do not touch the engine or exhaust system during or directly after operation. The engine and the exhaust system become very hot during operation. Risk of burn injuries, fire and damage to property or adjacent areas. When you operate the product, keep away from bushes and other objects.
- Only operate the engine in well ventilated areas. Exhaust gases contain carbon monoxide, a deadly poison.
- Only operate the product in daylight or good artificial light.
- Avoid holes, ruts, bumps, rocks, or other hidden hazards. Uneven terrain could overturn the product, or cause operator to lose their balance or footing.
- Do not put hands or feet near rotating parts or under the product. Keep clear of the discharge opening at all times.
- Do not direct discharge material toward anyone. Avoid discharging material against a wall or obstruction. Material may ricochet back toward the operator. Stop the blade(s) when crossing gravel surfaces.
- Do not leave a running product unattended. Always park on level ground, disengage the attachment, set parking brake, and stop engine/ motor.
- Do not mow in reverse unless absolutely necessary. Always look down and behind before and while backing.
- Decrease the speed before you turn around a corner.
Safety instructions for operation on slopes
![]()
Read the warning instructions that follow before you use the product.
Slopes are a major factor related to accidents. Operation on slopes requires extra caution.
- Travel in the manufacturer recommended direction on slopes. Use caution while operating near dropoffs.
- Avoid mowing wet grass. The tires can lose traction.
- Do not operate product under any condition where traction, steering, or stability is in question. Tires could slide even if the wheels are stopped.
- Always keep the product in gear when going down slopes. Do not coast downhill.
- Avoid starting and stopping on slopes. Avoid making sudden changes in speed or direction. Make turns slowly and gradually.
- Use extra care while operating product with a grass catcher or other attachment(s). They can affect the stability of the product.
- To cut grass on slopes increases the risk that you can not control the product and that it overturns. This can cause injury or death. It is necessary to cut the grass carefully on all slopes. If you cannot reverse up a slope or if you do not feel safe, do not cut it.
- Remove stones, branches and other obstacles.
- Cut the grass on the slope up and down, not from side to side.
- Do not operate the product on ground that slopes more than 10°.
- Move smoothly and slowly on slopes.
- Look out for and do not move across furrows, holes and bumps. There is a higher risk that the product overturns on ground that is not flat. Long grass can hide obstacles.
- Do not cut grass near edges, ditches or banks. The product can suddenly overturn if a wheel moves across the edge of a steep slope or a ditch, or if an edge gives way.
- The ROPS is an integral and effective safety device. Do not remove or alter the ROPS.
- Keep a folding ROPS in the raised and locked position and use the seat belt when operating the product.
- Lower a folding ROPS temporarily only when absolutely necessary. Do not wear the seat belt when folded down. There is no rollover protection when a folding ROPS is in the down position.
- Replace a damaged ROPS. Do not repair or alter.
Personal protective equipment
![]()
Read the warning instructions that follow before you use the product.
- Use approved personal protective equipment when you use the product. Personal protective equipment cannot fully prevent injury but it decreases the degree of injury if an accident does occur. Let your dealer help you select the right equipment.
- Always wear approved hearing protection. Long term exposure to noise can result in permanent hearing impairment.
- Always wear protective shoes or protective boots. Steel toes are recommended. Do not use the product barefoot.
![Husqvarna - Z560LS - Personal protective equipment Personal protective equipment]()
- Wear gloves when necessary, for example when you attach, examine or clean the cutting equipment.
- Do not wear loose-fitting clothing, jewelry or other items that can get caught in moving parts.
- Keep first aid equipment and fire extinguisher close at hand.
Safety devices on the product
![]()
Read the warning instructions that follow before you use the product.
- Do not use a product with safety devices that are damaged or do not operate correctly. Do a check of the safety devices regularly. If the safety devices are damaged, speak to your Husqvarna service agent.
- Do not make modifications on safety devices. Do not use the product if protective plates, protective covers, safety switches or other protective devices are not attached or are damaged.
Malfunction indicator light
The malfunction indicator light (MIL) shows the operator if there is a problem with the engine. Refer to the operator's manual for the engine.
To engage and disengage the Roll Over Protection Structure (ROPS)
- Remove the 2 pins that hold the ROPS and fold it rearwards to disengage. Engage the ROPS in the opposite sequence. disengaged.
- Always use the safety belt when the ROPS is engaged.
- Make sure that the ROPS is correctly attached and not damaged.
To do a check of the ignition key
- Start and stop the engine to do a check of the ignition key. Refer to To start the engine and To stop the engine.
- Make sure that the engine starts when you turn the ignition key to start position.
- Make sure that the engine stops immediately when you turn the ignition key to stop position.
Operation conditions
These conditions are necessary to start the engine:
- The control levers are in the neutral position.
- The parking brake is applied.
- The drive of the blades is disengaged.
- The OPC is pushed down.
The engine must stop in these situations:
- The parking brake is not applied and the operator lifts from the seat.
- The drive of the blades is engaged and the operator lifts from the seat.
Try to start the engine without 1 of the conditions. Change the conditions and try again. Do this check daily.
Parking brake
![]()
If the parking brake does not work, the product can start to move and cause injury or damage. Make sure that the parking brake is regularly examined and adjusted.
Refer to To examine and adjust the parking brake.
Muffler
![]()
Do not use the product if the muffler is missing or damaged. A muffler that is damaged or missing increases the noise level and the risk of fire.
The muffler keeps the noise levels to a minimum and sends the exhaust fumes away from the operator.
Examine the muffler regularly to make sure that it is attached correctly and not damaged.
![]()
The muffler becomes very hot during and after use and when the engine operates at idle speed. Be careful near flammable materials and/or fumes to prevent fire.
To do a check of the muffler
- Examine the muffler regularly to make sure that it is attached correctly and not damaged.
Spark arrestor
This product has an internal-combustion engine. Do not use the product near vegetation without a spark arrestor that is approved by local or state laws. Federal laws apply on federal lands.
A spark arrestor for the muffler is available through your approved Husqvarna dealer.
Protective covers
Missing or damaged protective covers increase the risk of injury on moving parts and hot surfaces. Do a check of the protective covers before you operate the product. Make sure that the protective covers are correctly attached and do not have cracks or other damages. Replace damaged covers. Fuel safety
![]()
Read the warning instructions that follow before you use the product.
![]()
Be careful with fuel. It is very flammable, and can cause injury and damage to property.
- Extinguish all cigarettes, cigars, pipes and other sources of ignition.
- Use only an approved fuel container.
- Do not remove fuel cap or add fuel with the engine running or while hot.
- Do not refuel indoors or in enclosed spaces.
- Do not store the product or fuel container, or refuel, where there is an open flame, spark, or pilot light such as on a water heater or other appliance.
- If fuel is spilled, do not attempt to start the engine and avoid creating any source of ignition until fuel vapors have dissipated.
- To help prevent fires: keep product free of grass, leaves, or other debris build up; clean up oil or fuel spillage and remove any fuel soaked debris; allow product to cool before storing.
- Use extra care in handling gasoline and other fuels. They are flammable and vapors are explosive.
- Gasoline and gasoline fumes are poisonous and very flammable. Be careful with gasoline to prevent injury or fire.
- Let the engine become cool before you refuel.
- Do not fill fuel near sparks or naked flames.
- If there are leaks in the fuel system, do not start the engine until the leaks are repaired.
- Do not fill above recommended fuel level. The heat from the engine and the sun makes the fuel expand and the fuel overflows if the tank is filled too much.
- Store the product and fuel in such a way that there is no risk that fuel leaks or fumes can cause damage.
Transport safety
- Use an approved transport vehicle for transportation of the product.
- A markets national or local regulations can set limit to the transportation of the product.
- The operator of the transport vehicle is responsible to attach the product safely during transport. Refer to Transportation.
Hauling
- Use full width ramps for loading and unloading a product for transport.
Tow safety
- Follow the manufacturer's recommendation for weight limits for towed equipment and towing on slopes.
- Only use tow equipment approved by Husqvarna.
- Use the tow bar to attach the equipment.
- Make sure that no other persons are near the product when you tow equipment.
- Do not let children or others in or on the towed equipment.
- Do not tow on slopes or rough ground. The weight of the towed equipment can cause loss of traction and loss of control. Battery safety
![]()
A damaged battery can cause an explosion and cause injury. If the battery has a deformation or is damaged, speak to an approved Husqvarna service agent.
![]()
Read the warning instructions that follow before you use the product.
- Use protective glasses when you are near batteries.
- Do not wear watches, jewelry or other metal objects near the battery.
- Keep the battery out of reach for children.
- Charge the battery in a space with good airflow.
- Keep flammable materials at a minimum clearance of 1 m when you charge the battery.
- Discard replaced batteries.
- Explosive gases can come from the battery. Do not smoke near the battery. Keep the battery away from open flames and sparks.
Safety instructions for maintenance
![]()
Read the warning instructions that follow before you use the product.
![]()
The product is heavy and can cause injury or damage to property or the adjacent area. Do not do maintenance on the engine or the cutting deck without these conditions:
- The engine is off.
- The product is parked on a level surface.
- The parking brake is applied.
- The ignition key in stop position and removed.
- The blades are disengaged.
- All moving parts have stopped.
- The ignition cables are removed from the spark plugs.
![]()
Fluid escaping under pressure may have sufficient force to penetrate skin and cause serious injury. If fluid is injected into the skin, seek immediate medical attention. Keep body and hands away from pin holes or nozzles that eject fluid under high pressure. If a leak occurs, have the product immediately serviced by a trained technician.
![]()
The exhaust fumes from the engine contain carbon monoxide, an odorless, poisonous and very dangerous gas. Do not run the product in closed spaces or spaces with no sufficient air flow.
- Keep the product in good working order. Replace worn or damaged parts.
Use caution when servicing blades. Wrap the blade(s) or wear gloves. Replace damaged blades. Do not repair or alter blade(s).
If equipped, disconnect spark plug wire(s) and the negative battery cable before making any repairs.
For best performance and safety, do maintenance on the product regularly as given in the maintenance schedule. Refer to Maintenance schedule.
- Electrical shocks can cause injuries. Do not touch the cables when the engine is on. Do not do a function test on the ignition system with your fingers.
- Let the product become cool before you do maintenance near the engine.
- The blades are sharp and can cause cuts. Wind protection around the blades or use protective gloves when you do work on the blades.
- Do not turn the engine over if the spark plug or ignition cable is removed.
- Make sure that all nuts and bolts are tightened correctly and that the equipment is in good condition.
- Do not change the adjustment of governors. If the engine speed is too high, the product components can become damaged. Refer to Technical data for highest permitted engine speed.
- The product is approved only with the equipment supplied or recommended by the manufacturer.
Operation
Introduction
![]()
Before you operate the product, you must read and understand the safety chapter.
To operate the product for the first time
![]()
Before you operate the product for the first time, you must read and understand this chapter.
- Use a decreased throttle speed and a decreased ground speed when you operate the product for the first time.
- Do not move the control levers to the fully forward position or the fully reverse position during the initial operation.
- Learn how to operate the movement of the product on a hard surface, for example concrete or asphalt, before you operate the product on a lawn for the first time.
To do before you operate the product
![]()
Before you operate the product, you must make sure that there are no stones or other objects in the work area that can be thrown by the rotating blades.
- Do the daily maintenance. Refer to Maintenance schedule.
- Make sure that there is sufficient fuel in the fuel tank.
- Set the cutting height. Refer to To set the cutting height.
To fill fuel
![]()
Gasoline is very flammable. Be careful and refuel outdoors, refer to Fuel safety.
![]()
The engine and the exhaust system become very hot during operation. Risk of burn injury. Let the engine and the exhaust system become cool before you fill fuel in the product.
![]()
Do not use the fuel tanks as support areas.
![]()
Incorrect type of fuel can result in engine damage.
The engine runs on gasoline with a minimum octane rating of 91 RON (87 AKI), not mixed with oil. We recommend biodegradable alkylate gasoline.
- Do a check of the fuel level before each use and refuel if it is necessary.
- Do not fill the fuel tanks fully. Fill to the bottom of the fuel tank neck.
To adjust the seat
The position of the seat can be moved forward or rearward. Also, the seat suspension can be adjusted.
Note: Do not make adjustments to the seat when the product is in operation.
- Do the steps that follow to move the seat forward or rearward.
- Pull up the lever (A) on the right side of the seat and hold it.
![Husqvarna - Z560LS - To adjust the seat To adjust the seat]()
- Move the seat to the correct position and release the lever.
- Turn the knob (B) on the front of the seat clockwise or counterclockwise to make the seat suspension hard or soft.
To fold the seat
The seat can be folded forward to get access to the battery and hydrostatic gears.
- Park the product on level ground.
- Push down the latch (A) behind the seat to release the seat.
![Husqvarna - Z560LS - To fold the seat To fold the seat]()
- Fold the seat forward until the rod (B) is engaged.
To engage and disengage the parking brake
This product has no dedicated parking brake lever. The parking brake is integrated in the 2 control levers.
- Push the 2 control levers away from the seat at the same time to engage the parking brake. Refer to Product overview for the location of the control levers.
Note: The product must be stationary when you engage the parking brake.
Note: The engine will stop if you do not push the 2 control levers away from the seat at the same time. - Pull the 2 control levers in the direction of the seat to disengage the parking brake.
To disengage and engage the drive system
![]()
Only disengage the drive system when the product is parked on level ground.
If it is necessary to move the product by hand, with the engine off, the drive system must be disengaged. The drive system is disengaged and engaged by the 2 bypass valves. The bypass valves are found on the inner sides of the transaxles.
Follow the procedure below to disengage the drive system.
- Park the product on level ground and stop theengine.
- Set the cutting deck to the lowest position.
- Turn the bypass valves 45° clockwise to the BYPASS position.
![Husqvarna - Z560LS - To disengage and engage the drive system To disengage and engage the drive system]()
- To engage the drive system, turn the bypassvalves to the RUN position.
To set the cutting deck in transport position or mow position
The cutting deck must be in transport position during transportation.
- Push the deck lift pedal and the deck release pedal forward to unlock the deck lift.
![]()
- Push the deck lift pedal forward until the cutting deck latches in the transport position.
- Push the deck release pedal forward to lower the cutting deck into mow position.
To set the cutting height
- Set the cutting deck in transport position. Refer to To set the cutting deck in transport position or mow position.
- Push in the button on the top of the pin and pull the pin out.
![Husqvarna - Z560LS - To set the cutting height To set the cutting height]()
- Put the pin in the hole for the correct cutting height.
Note: If you mow on 2 in./5.1 cm or lower, examine if it is necessary to adjust the deck lift springs. Refer to To adjust the deck lift springs. - Push the release pedal forward to release the transport latch and lower the cutting deck into mow position.
To adjust the deck lift springs
Examine if it is necessary to adjust the deck lift springs if you mow 2 in./5.1 cm or lower.
- Tilt the seat forward.
- Loosen the nut to adjust the spring tension.
![Husqvarna - Z560LS - To adjust the deck lift springs To adjust the deck lift springs]()
To start the engine
- Sit on the seat.
- Push the PTO button to disengage the drive onthe cutting deck.
- Set the cutting deck in transport position. Refer to To set the cutting deck in transport position or mow position.
- Engage the parking brake. Refer to To engage and disengage the parking brake.
- Move the throttle lever (A) to ½ throttle position.
![Husqvarna - Z560LS - To start the engine To start the engine]()
- Turn the fuel tank valve to select 1 of the 2 fueltanks.
- Set the cutting height. Refer to To set the cutting height.
- Press and turn the ignition key to the start position (B).
- When the engine starts, immediately release the ignition key to the run position.
Note: Do not keep the ignition key in the start position for more than 5 seconds at a time. If the engine does not start, wait 15 seconds before you try again. - Let the engine run at ½ throttle for 3-5 minutesbefore you apply full throttle.
- interlock bracket Push the throttle control to the full throttle position.
To operate the product
- Start the engine. Refer to To start the engine.
- Disengage the parking brake. Refer to To engage and disengage the parking brake.
- Carefully push the 2 control levers forward. The product will start to move forward. The forward speed increases the more the 2 control levers are pushed forward.
![Husqvarna - Z560LS - To operate the product - Step 1 To operate the product - Step 1]()
- Carefully pull the 2 control levers rearward. The product will start to move rearward. The rearward speed increases the more the 2 control levers are pulled rearward.
- Put the 2 control levers in neutral position to decrease the speed and stop the product.
- Do the steps that follow to turn left or right when you go in a forward direction.
- Pull the left control lever rearward in the direction of the neutral position to make the product turn left. The more you pull the left control lever rearward, the more the product will turn left.
![Husqvarna - Z560LS - To operate the product - Step 2 To operate the product - Step 2]()
- Pull the right control lever rearward in the direction of the neutral position to make the product turn right. The more you pull the right control lever rearward, the more the product will turn right.
![Husqvarna - Z560LS - To operate the product - Step 3 To operate the product - Step 3]()
- Do the steps that follow to make a zero turn.
- Pull the 2 control levers rearward in the direction of the neutral position to decrease the speed or stop the product.
- Move 1 control lever slightly forward and the other control lever slightly rearward to make a zero turn.
- Lower the cutting deck to mow position. Refer to To set the cutting deck in transport position or mow position.
- Pull up the PTO button to engage the drive of the blades.
- If it is necessary to adjust the cutting heightduring operation, refer to To set the cutting height.
To stop the engine
- Move the 2 control levers to the neutral position to stop the product.
- Engage the parking brake.
- Push down the PTO button to disengage the drive of the blades.
![Husqvarna - Z560LS - To stop the engine To stop the engine]()
- Put the cutting deck in the transport position.
- Move the throttle control to the minimum throttle position.
- Let the engine idle for a minimum of 1 minute until the engine is at usual operation temperature.
- Turn the ignition key to the stop position.
- Remove the ignition key from the ignition when you are away from the product.
To get a good cutting result
- For best performance, do maintenance on the product regularly as given in the maintenance schedule. Refer to Maintenance schedule.
- Do not cut a wet lawn. Wet grass can give a bad cutting result.
- Start with a high cutting height and decrease it gradually.
- Use full throttle when you cut the grass.
- Move the product forward at low speed if the grass is high and thick.
- Cut the grass in an irregular pattern.
- When the mulch kit is used, cut the grass more frequently.
- To get the best cutting result, cut the grass frequently.
To do a 3-point turn
A correct turn will prevent damage to the lawn. The goal is to turn when you move forward or rearward. Do not turn in a tight circle on a stopped wheel.
- Cut a row of grass.
- Make a small turn (A) in the direction of the uncutarea of grass.
![Husqvarna - Z560LS - To do a 3-point turn To do a 3-point turn]()
- Pull the 2 control levers to the reverse positionand move the product rearward (B).
- Push the control levers forward. To make a smallturn (C), pull harder on the control lever that is in the direction of the row you have cut before.
- Push the 2 control levers forward to cut the next row.
Maintenance
Introduction
![]()
Before you do any maintenance work you must read and understand the safety chapter.
Maintenance schedule
* = The instructions are not given in this operator's manual.
X = The instructions are given in this operator's manual.
O = Refer to the engine manual for instructions. Maintenance schedule for the operator
Maintenance schedule for the operator
| Maintenance | Daily maintenance | Maintenance interval in hours | Each season |
| Before use | After use | 25 | 50 | 100 | 250 | 300 | 400 | 500 |
| Lubricate all grease nipples. Refer to Grease nipple. | | | O | | | | | | | |
| Do a check of the parking brake. Refer to To examine and adjust the parking brake. | | | | | | X | | | | |
| Do a check of the safety system. Refer to Safety devices on the product. | X | | | | | | | | | |
| Make sure that there are no fuel or oil leaks from the product. | * | | | | | | | | | |
| Make sure that there are no damages on the product. | * | | | | | | | | | |
| Make sure that there are no loose parts. | * | | | | | | | | | |
| Do a check for damages on the cutting deck. | * | | | | | | | | | |
| Do a check of the tire pressure. Refer to Tire pressure. | X | | | | | | | | | |
| Start the engine and blades and listen for unusual sounds. | * | | | | | | | | | |
| Clean the inner surface of the cutting deck. Refer to To clean the product. | | X | | X | | | | | | |
| Clean around the engine. | | * | | * | | | | | | |
| Clean around the belts and the belt pulleys. | | * | | * | | | | | | |
| Do a check of the battery connectons. | | | | * | | | | | | * |
| Do a check of the muffler and the spark arrestor screen. | | | | * | | | | | | * |
| Sharpen or replace the blades. Refer to To replace the blades. | | | | X | | | | | | X |
| Replace the fuel filter. | | | | | | | | | | * |
| Do a check of the throttle cable. | | | | | | * | | | | |
| Do a check of the front wheels. | | | | | | * | | | | X |
| Do a check of the belts and the belt pulleys. | | | | | | * | | | | * |
| Disassemble and examine the starter. | | | | | | | | | * | |
| Do a check of the cutting deck for adjustment. Refer to To ad- just the parallelism of the cutting deck. | | | | | | | | | X | X |
| Do a check of the engine oil level. Refer to To replace the engine oil. | O | | | | | | | | | |
| Clean the air intake of the engine.[1] | | O | | | | | | | | |
| Do a check of the cleanout cover on the engine. | | | | O | | | | | | |
| Replace the engine oil and oil filter. | | | | O | | | | | | O |
| Remove debris from the cylinder and the cooling fins on the cylinder head.2, [2] | | | | | O | | | | | |
| Do a check of and clean the cooling fins on the oil cooler.[3] | | | | | O | | | | | |
| Do a check of and clean the spark plugs. | | | | | O | | | | | O |
| Replace the air cleaner primary element.[4] | | | | | | O | | | | |
| Do a check of the air cleaner secondary element.[5] | | | | | | O | | | | |
| Clean the combustion chamber.[6] | | | | | | | * | | | |
| Do a check of and adjust the valve clearance.[7] | | | | | | | * | | | |
| Clean the valve seating surface.[8] | | | | | | | * | | | |
| Replace the air cleaner secondary element.[9] | | | | | | | | | O | |
| Do a check of the hydraulic oil level. | X | | | | | | | | | |
| Replace the hydraulic oil and filter.11, 12 | | | | | | | | * | | |
- In conditions with dust, cleaning and replacement must be done more frequently.
- Must be done by approved service agent.
- In conditions with dust, cleaning and replacement must be done more frequently.
- In conditions with dust, cleaning and replacement must be done more frequently.
- In conditions with dust, cleaning and replacement must be done more frequently.
- In conditions with dust, cleaning and replacement must be done more frequently.
- Must be done by approved service agent.
- Must be done by approved service agent.
- Must be done by approved service agent.
- In conditions with dust, cleaning and replacement must be done more frequently.
- Must be done by approved service agent.
- In conditions with dust, cleaning and replacement must be done more frequently.
To clean the product
![]()
Do not use a high-pressure washer or a steam cleaner. Water can go into bearings and electrical connections and cause corrosion which causes damage to the product.
Clean the product immediately after use.
- Do not clean hot surfaces such as the engine, muffler and exhaust system. Wait until the surfaces are cool, then remove the grass or dirt.
- Before you clean with water, clean with a brush. Remove grass and dirt on and around the transmission, the transmission air intake, and the engine.
- Use running water from a hose to clean the product. Do not use high-pressure.
- Do not point the water at electrical components or bearings. Detergent usually increases the damage.
- Use compressed air to clean the top side of the mower deck.
- Use a water hose to clean below the cutting deck.
- When the product is clean, start the cutting deck for a short period to remove remaining water.
To clean the engine and the muffler
Keep the engine and muffler free from grass cuttings and dirt. Grass cuttings soaked in fuel or oil on the engine can increase the fire risk and the risk that the engine becomes too hot. Let the engine cool before it is cleaned. Clean with water and a brush.
Grass cuttings around the muffler dry quickly and are a fire risk. Use a brush or remove the grass cuttings with water when the muffler is cold.
To clean the battery
Corrosion and dirt on the battery and the terminals can cause the power of the battery to decrease.
- Remove the battery. Refer to To remove and install the battery.
- Flush the battery with water and let dry.
![]()
Do not use a high-pressure washer or a steam cleaner. Water can go into bearings and electrical connections and cause corrosion which causes damage to the product. - Clean the terminals and the cable ends of thebattery cables with a wire brush.
To examine and adjust the parking brake
Make sure that the adjustments are done equally on the 2 parking brakes of the product.
- Park the product on level ground.
- Stop the engine.
- Remove the bolts and parking brake panels.
![Husqvarna - Z560LS - To examine and adjust the parking brake - Step 1 To examine and adjust the parking brake - Step 1]()
- Examine the parts of the control levers fordamage.
- Examine the parking brake assemblies to makesure that no parts are missing.
- Replace all damaged or missing parts.
- Push the control levers fully away from the seat.
- Measure the clearance (A) between the interlock bracket and the adapter with a feeler gauge. The correct clearance is 0.030–0.060 in./0.75– 1.5 mm.
![Husqvarna - Z560LS - To examine and adjust the parking brake - Step 2 To examine and adjust the parking brake - Step 2]()
- Loosen the locknut (C) with a 1/2-in. wrench.
- Set the correct clearance between the interlock bracket and adapter.
- Loosen or tighten the adjustment nut (B).
- Measure the clearance.
- Hold the adjustment nut (B) in the correctposition and tighten the locknut (C).
- Engage and disengage the parking brakes aminimum of 6 times to make sure that they operate correctly. Refer to To engage and disengage the parking brake.
- Measure the clearance (A) between the interlock bracket and adapter again.
- Make sure that there is no tension in the parking brake cables when the control levers are pulled fully in the direction of the seat. Do not add tension to the parking brake cables.
- Install the parking brake panels and tighten thebolts.
To charge the battery
- Charge the battery if it is too weak to start the engine. Refer to Battery charging times for battery charging times.
- Use a standard battery charger.
![]()
Do not use a boost charger or start booster. A boost charger or a start booster will cause damage to the electrical system of the product. - Always disconnect the battery charger before you start the engine.
To do an emergency start of the engine
If the battery is too weak to start the engine, you can use jumper cables to do an emergency start. This product has a 12 V system with negative ground. The product that is used for the emergency start must also have a 12 V system with negative ground.
To connect the jumper cables
- Connect one end of the red cable to the POSITIVE battery terminal (+) on the weak battery (A).
![Husqvarna - Z560LS - To connect the jumper cables To connect the jumper cables]()
- Connect the other end of the red cable to the POSITIVE battery terminal (+) on the fully charged battery (B).
![]()
Do not short circuit the ends of the red cable against the chassis. - Connect one end of the black cable to the NEGATIVE battery terminal (-) on the fully charged battery (C).
- Connect the other end of the black cable to a batterybracket CHASSIS GROUND (D), away from the fuel tank and the battery.
To remove the jumper cables
Note: Remove the jumper cables in the opposite sequence to how you connect them.
- Remove the BLACK cable from the chassis.
- Remove the BLACK cable from the fully chargedbattery.
- Remove the RED cable from the 2 batteries.
To remove and install the battery
- Fold the seat forward. Refer to To fold the seat.
- Remove the bolt and the nut from the battery bracket and remove the battery bracket from the battery.
![Husqvarna - Z560LS - To remove and install the battery To remove and install the battery]()
- Use 2 wrenches to disconnect the black battery cable from the negative (–) terminal on the battery.
- Use 2 wrenches to disconnect the red battery cable from the positive (+) terminal on the battery.
- Carefully remove the battery from the product.
- Install in the opposite sequence.
To adjust the tracking speed
If the product does not move straight forward, the tracking speed must be adjusted.
![]()
Always adjust the tracking speed in an open area without bystanders.
- Do a check of the tire pressure. Refer to Tire pressure.
- Turn the tracking controls out until they are flushwith the nuts. Refer to Product overview for the location of the tracking controls.
- Start the product.
- Move the control levers forward fully and operate the product at full throttle.
- Turn the tracking control on the right side gradually until the product starts to move right.
- Turn the tracking control on the left side gradually until the product starts to move straight forward.
Tire pressure
Make sure to have the correct tire pressure on all 4 tires. Refer to Technical data.
To remove and install the front wheels
- Remove the nut and the bolt to remove the fron twheels from the forks.
![Husqvarna - Z560LS - To remove and install the front wheels To remove and install the front wheels]()
- Install in the opposite sequence. Torque the nut and bolt to 45 ft-lbs / 61 Nm.
To adjust the anti-scalp rollers
The anti-scalp rollers keep the cutting deck in the correct position on the ground and prevent lawn scalping in most terrain conditions. The anti-scalp rollers can be set in 3 positions for different lengths of grass:
- Top position: 1.5–2.5 in. / 38–64 mm grass.
- Middle position: 2.5–4 in. / 64–102 mm grass.
- Bottom position: 4–5 in. / 102–127 mm grass.
- Park the product on level ground and stop the engine.
- Remove the nut, the bolt, the axle and the antiscalp roller.
![Husqvarna - Z560LS - To adjust the anti-scalp rollers To adjust the anti-scalp rollers]()
- Install the anti-scalp roller in one of the 3 positions.
![]()
The cutting deck can become damaged if the antiscalp rollers are incorrectly adjusted. The anti-scalp rollers must be approximately 1/4 in. / 6.4 mm from the ground.
To adjust the parallelism of the cutting deck
This procedure will set the cutting deck in a standard position.
- Make sure that the tire pressure is correct. Refer to Tire pressure.
- Park the product on a level surface.
- Turn the outer blade tips to align with the cutting deck side to side.
![]()
The blades on the cutting deck are sharp and can cause injury. Use protective gloves.
![Husqvarna - Z560LS - To adjust the parallelism of the cutting deck - Step 1 To adjust the parallelism of the cutting deck - Step 1]()
- Measure the distance between the ground and the bottom of the blade tip on the discharge side of the cutting deck. Make a note of the distance.
- Measure the distance between the ground and the bottom of the blade tip on the side opposite to the discharge side. The distance must be the same as the distance for the discharge side. If adjustment is necessary, adjust the 2 front bolts until the 2 side to side distance are equal.
![Husqvarna - Z560LS - To adjust the parallelism of the cutting deck - Step 2 To adjust the parallelism of the cutting deck - Step 2]()
- Turn the 2 outer blades to align with the cuttingdeck front to rear.
![Husqvarna - Z560LS - To adjust the parallelism of the cutting deck - Step 3 To adjust the parallelism of the cutting deck - Step 3]()
- tipsare Adjust the 2 rear nuts until the rear blade tips are set 1/8–3/8 in. / 3.2-9.5 mm higher in the rear than in the front blade tips.
- Measure the distances again to make sure thatthe cutting deck has been adjusted correctly.
To adjust the neutral position
The neutral position must be adjusted if 1 of the 2 rear wheels is turning while the parking brake is engaged.
- Use a lifting device to lift up the rear part of the product until the rear wheels are off the ground.
- Put a stable object below the product and make sure that the product cannot move forward or rearward.
- Engage the parking brake.
- Start the product.
- Fold the seat forward.
- Remove the pin from the front coupler and hold it.
![Husqvarna - Z560LS - To adjust the neutral position To adjust the neutral position]()
- Turn the hex nut by hand clockwise or counterclockwise until the rear wheel is stationary.
- Turn the hex nut in the same direction again and stop when the rear wheel turns in the opposite direction. Count the number of turns you do on the hex nut.
- Turn the hex nut in the opposite direction, ½ of the of turns you counted in the step before.
- Do adjustment for the other side if it is necessary.
To examine the blades
![]()
Damaged or incorrectly balanced blades can cause damage to the product. Replace damaged blades. Let an approved service agent help you sharpen and balance blunt blades.
- Look at the blades to see if they are damaged and if it is necessary to sharpen them.
To replace the blades
- Remove the blade bolt.
- Assemble the new blade with the side without stamps in the direction of the cutting deck.
- Remove dirt and unwanted materials from around the cutter housings and the cutting deck surface.
- Push in the idler arm to decrease the tension onthe deck belt and carefully remove the deck belt from the pulleys.
![Husqvarna - Z560LS - To replace the blades To replace the blades]()
- Remove the deck belt from the electric clutch onthe engine shaft.
To install the deck belt
- Put the deck belt around the electric clutch pulley on the engine shaft.
- Put the deck belt around the pulleys on thecutting deck. Note: Refer to the routing decal on the cutting deck when you install the deck belt.
- Push in the idler arm until you can put the deck belt around the stationary idler pulley and hold it there.
- Carefully put the deck belt around the stationary idler pulley and slowly release the idler arm back into position.
- Make sure that the belt routing align with the belt routing shown on the belt routing decal.
- Make sure that the deck belt is not twisted.
- Measure the length of the tension spring.
- Adjust the tension spring if the tension spring is not between 3.55–3.77 in. / 90.2–95.7 mm.
- Loosen the locknut (A).
- Turn the adjustment nut (B) until the tension spring have the correct length.
- Tighten the locknut (A).
- Install the 2 belt covers.
To remove the pump belt
- Remove the deck belt. Refer to To remove the deck belt.
- Remove the clutch stop to get access to the pump belt.
![Husqvarna - Z560LS - To remove the pump belt To remove the pump belt]()
- Disconnect the clutch wire.
- Put a 1/2 in. breaker bar in the square opening on the idler arm.
- Move the idler arm with the breaker bar to decrease the tension on the pump belt.
- Remove the belt from the engine and the pump pulleys.
To install the pump belt
- Put the pump belt around the pulley on the engine and then around the left pump pulley.
- Put the pump belt around the inner side of the idler pulley.
- Put a 1/2 in. breaker bar in the square opening on the idler arm.
- Move the idler pulley back and hold it.
- Put the pump belt around the right pump pulley and release the idler arm back into position.
- Install the clutch stop.
- Install the deck belt. Refer to To install the deck belt.
- Do a check of the tension of the pump belt. The recommended tension of the pump belt is 27 lb / 12.25 kg.
- Turn the nut on the eye bolt on the idler pulley to adjust the tension of the pump belt.
To do a check of the engine oil level
- Park the product on level ground and stop the engine.
- Pull open the operator cushion to get access to the engine.
- Loosen the dipstick and pull it out.
- Clean the oil from the dipstick.
- Put the dipstick in the hole for the dipstick and tighten it.
- Loosen and pull the dipstick out and read the oil level.
- The oil level must be between the marks on the dipstick. If the level is near the ADD mark, fill oil to the FULL mark.
![Husqvarna - Z560LS - To do a check of the engine oil level To do a check of the engine oil level]()
- Fill the oil through the hole for the dipstick. Fill the oil slowly.
Note: Refer to Technical data for the types of engine oil that Husqvarna recommends. Do not mix different types of oil. - Tighten the dipstick fully before you start the engine.
To replace the engine oil
If the engine is cold, start the engine for 1–2 minutes before you drain the engine oil. This makes the engine oil warm and faster to drain.
![]()
Do not operate the engine for more than 1–2 minutes before you drain the engine oil. The engine oil becomes very hot and can cause burn injuries. Let the engine become cool before you drain the engine oil.
![]()
If you spill engine oil on your body, clean with soap and water.
- Park the product on level ground and stop the engine.
- Engage the parking brake. Refer to To engage and disengage the parking brake.
- Remove all dirt around the oil tank cap.
- Remove the oil tank cap and the dipstick.
- Find the drain hose at the right rear part of the engine.
![Husqvarna - Z560LS - To replace the engine oil To replace the engine oil]()
- Put a container below the oil drain hose.
- Remove the oil drain plug.
- Let the oil run out into the container.
- Replace and install the oil drain plug.
- Fill with new oil and do a check of the engine oil level. Refer to To do a check of the engine oil level.
- Install the oil tank cap and the dipstick.
Note: For safe disposal of used engine oil, refer to Disposal.
To remove air from the hydrostatic system
You must remove air from the hydrostatic system regularly to prevent high noise operation, high operation temperature, component damage, excessive expansion of hydraulic oil, and decrease of the drive. The first time that air is removed from the hydrostatic system, the drive wheels must be set above the ground. You must also remove air from the hydrostatic system each time the hydrostatic system has been opened for maintenance and when hydraulic oil has been added.
- Make sure that the hydraulic oil level is correct.
- Disengage the parking brake.
- Disengage the drive system. Refer to To disengage and engage the drive system.
- Start the engine and apply fast idle speed. Refer to Throttle control.
- Slowly move the control levers forward and rearward approximately 5 or 6 times. When air is removed from the hydrostatic system, the hydraulic oil level will decrease.
- Set the throttle control to idle speed. Refer toThrottle control.
- Engage the drive system. Refer to To disengage and engage the drive system.
- Slowly move the control levers forward andrearward for 5 or 6 times.
- Stop the engine.
- Do a check of the hydraulic oil level and fill hydraulic oil if it is necessary.
- If it is necessary, do the above steps again untilall air has been removed from the hydrostatic system. When the product operates correctly, all air has been removed from the hydrostatic system.
- Remove the ignition key to prevent accidental movements during lubrication.
- Clean the area before you lubricate a part on the product.
- Use oil when you lubricate with an oil can.
- When you lubricate with grease, use a chassis or ball bearing grease that prevents corrosion. Remove unwanted grease after lubrication.
- Lubricate 2 times a week if you operate the product daily.
- Do not spill lubricant on the drive belts or the grooves of the belt pulleys. If you do spill, clean with alcohol. If the friction between the drive belt and the pulley is not sufficient after you clean with alcohol, replace the drive belt.
![]()
Do not use gasoline or other petroleum products to clean drive belts.
Grease nipple
![Husqvarna - Z560LS - Grease nipple Grease nipple]()
| Refer to | Lubrication |
| A | Lubricate the grease nipple on the pivot axle with a grease gun. |
| B | Lubricate the grease nipple on the wheel axle with a grease gun. |
| C | Lubricate the grease nipples on each spindle with a grease gun. |
| D | Lubricate the grease nipple on the cutting deck idler arm. |
Always use good quality grease. Always use recommended oil, refer to Technical data.
To lubricate the front wheels
- Remove the dust cap (A). Grease the nipple (B) with a grease gun until grease comes out from the top washer.
![Husqvarna - Z560LS - To lubricate the front wheels To lubricate the front wheels]()
- Lubricate the joint bearing of the front wheels (C) with a grease gun until grease comes out.
To lubricate the cutting deck spindles
- Remove the footrest plate (A).
![Husqvarna - Z560LS - To lubricate the cutting deck spindles To lubricate the cutting deck spindles]()
- Lubricate the 3 cutting deck spindles (B) 2-3strokes.
Note: Use a grease gun with a rubber hose when you lubricate the cutting deck spindles. - Lubricate the idler arm (C) 2-3 strokes.
Tightening torques
| Engine crankshaft bolt | 50 ft-lb / 68 Nm |
| Mandrel pulley nuts | 17 ft-lb / 23 Nm |
| Idler pulley nuts | 30 ft-lb / 40.6 Nm |
| Idler arm bushing nut | 70 ft-lb / 95 Nm |
| Lug nuts | 75 ft-lb / 102 Nm |
| Blade bolts | 90 ft-lb / 122 Nm |
| Spark plug | 16.6 ft-lb / 22.5 Nm |
Troubleshooting
Troubleshooting schedule
If you cannot find a solution to your problems in this operator's manual, speak to your Husqvarna service agent.
| Problem | Cause |
| Engine does not start. | The drive of the blades is engaged. Refer to PTO (Power Take-Off) button. |
| Steering controls are not locked in the parking brake position. |
| The battery is too weak. Refer to To charge the battery. |
| There is dirt in the fuel line. |
| The shut-off valve of fuel supply is closed or in the in correct position. |
| The fuel filter or fuel line is clogged. |
| The ignition system is damaged. |
| The starter motor does not turn the engine over. | The battery is too weak. Refer to To charge the battery. |
| The connection at the cable connectors on the battery terminals is bad. Refer to To clean the battery. |
| A fuse is blown. Refer to Fuses. |
| The OPC does not operate correctly. Refer to Operation conditions. |
| The engine does not run smoothly. | The fuel filter or fuel jet is clogged. |
| The check valve on the fuel tank cap is clogged. |
| The fuel tank is almost empty. |
| The spark plug is damaged. |
| Incorrect fuel mix or fuel type. |
| There is water in the fuel. |
| The air filter is clogged. |
| The engine apparently has no power. | The air filter is clogged. |
| The spark plug is damaged. |
| There is air in the hydraulic system. |
| There is vibration in the product. | The blades are loose. Refer to To examine the blades. |
| One or more of the blades are not balanced. Refer to Throttle control. |
| The engine is loose. |
| The engine becomes too hot. | The air filter or the cooling fins are clogged. |
| There is overload in the engine. |
| The airflow around the engine is not sufficient. |
| The engine speed regulator is damaged. |
| The oil level is too low. |
| There is dirt in the fuel line. |
| The spark plug is damaged. |
| The battery does not charge. | The connection at the cable connectors on the battery terminals is bad. Refer to To clean the battery. |
| The charging lead is disconnected. |
| The charging system does not operate correctly. |
| The product moves slowly, with irregular speed or not at all. | The parking brake is engaged. |
| The hydraulic release lever is engaged. |
| The drive belt on the transmission is loose or damaged. |
| There is air in the hydraulic system. |
| The drive of the blades do not engage. | The drive belt on the mower deck is loose. |
| The electromagnetic coupling contact is loose. |
| A fuse is blown. Refer to Fuses. |
| The transaxle leaks oil. | The seals, housing or gaskets are damaged. |
| There is air in the hydraulic system. |
| The cutting result is unsatisfactory. | The tire pressure is different on the right and left sides. Refer to Tire pressure. |
| The blades are damaged. |
| The suspension of the cutting deck is not level. |
| The blades are blunt. Refer to To examine the blades. |
| The product is operated at too high forward or rearward speed. Refer to To get a good cutting result. |
| The grass is long or wet. Refer to To get a good cutting result. |
| There is grass blockage in the cutting deck. Refer to To clean the product. |
Transportation, storage and disposal
Transportation
- The product is heavy and can cause crush injuries. Be careful when you load it onto or off a vehicle or trailer.
- Load the product in reverse on approved ramps of a maximum operation angle of 10°. Do not lift the product.
- Use an approved trailer for transportation of the product.
- Make sure that you have knowledge of local road traffic regulations before transportation of the product in a trailer or on roads.
- Stop the fuel supply of the product.
- Lock the product with approved devices, such as straps. Use tie-down points on the product. The parking brake is not sufficient to lock the product during transportation. To tow the product
![]()
Before you tow the product, you must read and understand the safety chapter. Refer to Safety. - Be careful when you tow the product.
- Operate the product slowly when you tow the product.
- The breaking distance increases when you tow the product. Make sure to decreases the speed in time.
- For safe operation, do wide turns.
- Do not tow near ditches, open water, and other dangerous areas.
Storage
Prepare the product for storage at the end of the season, and before more than 30 days of storage. If you keep fuel in the fuel tank for 30 days or more, tacky particles can cause blockage. This has a negative effect on the engine function.
To prevent tacky particles during storage, add a stabilizer. If alkylate gasoline is used, stabilizer is not necessary. If you use standard gasoline, do not change to alkylate gasoline. This can cause sensitive rubber parts to become hard. Add stabilizer to the fuel in the tank or in the container used for storage. Always use the mixing ratios given by the manufacturer. Add the stabilizer and run the engine for a minimum of 10 minutes.
![]()
Do not keep the product with fuel in the tank in an indoor location or in locations with bad airflow. Risk of fire if fuel fumes come near open flames, sparks, or pilot lights in for example boilers, hot water tanks and clothes dryers.
![]()
Remove grass, leaves and other flammable materials from the product to decrease the risk of fire. Let the product become cool before you put it in storage.
- Clean the product. Refer to To clean the product.
- Remove unwanted materials from the cooling fan.
- Repair paint damages to prevent corrosion.
- Examine the product for worn or damaged parts and tighten loose screws and nuts.
- Remove the battery. Clean it, charge it, and keep it cool during storage.
- Replace the engine oil, and discard the waste oil.
- Empty the fuel tank. Start the engine and run it until there is no remaining fuel.
Note: Do not empty the fuel tank if a stabilizer has been added.
- Remove the plugs and put about a tablespoon of engine oil into each cylinder. Manually turn the engine shaft to apply the oil and put the plugs back on.
- Lubricate all grease nipples, joints and axles.
- Keep the product in a clean and dry area and put a cover on it for more protection.
Disposal
- Chemicals can be dangerous and must not be discarded on the ground. Always discard used chemicals at a service center or an applicable disposal location.
- When the product is worn out, send it to the dealer or to an applicable recycling location.
- Oil, oil filters, fuel and the battery can have negative effects on the environment. Obey the local recycling requirements and applicable regulations.
- Do not discard the battery as domestic waste.
- Send the battery to a Husqvarna service agent or discard it at a disposal location for used batteries.
Technical data
| | Z560LS |
| Engine | |
| Brand/Model | Kawasaki/FX1000V EFI |
| Nominal engine output, hp/kW[10] | 38.5/28.7 |
| Displacement, cm3 | 999 |
| Max. engine speed, rpm | 3600 ± 100 |
| Fuel, min. octane grade lead-free, max 10% Ethanol, max 15% MTBE | 87 |
| Tank volume, gallons/l | 12/45.4 |
| Oil | Class SF, SG, SH, SJ or SL SAE40, SAE30, SAE20W-50, SAE10W-40, SAE10W-30, SAE5W-20 |
| Oil volume, ounces/liters | 70.4/2.1 |
| Lubrication system | Pressure with oil filter |
| Cooling system | Air cooled |
| Air filter | Heavy duty canister |
| Alternator, V. amp. @ 3600 rpm | 12 V 30 amp @ 3600 rpm |
| Start motor | Electric |
| Dimensions | |
| Length, in./cm | 81/206 |
| Width, in./cm | 53.5/136 |
| Width including Chute Up, in./cm | 63.8/162 |
| Width including Chute Down, in./cm | 74/188 |
| Height, in./cm | 46/117 |
| Height, ROPS up, in./cm | 73/185 |
| Weight, with empty tanks, lb/kg | |
| Max. gross vehicle weight rating (GVWR), lb/kg[11] | 2200/998 |
| Max. gradient, degrees ° | 10 |
| Cutting Width, in./cm | 60/152.4 |
| Cutting Height, in./cm | 1 - 5/30 - 130 |
| Cutting deck | |
| Deck Construction | 10 gauge fabricated |
| | Z560LS |
| Number of blades | 3 |
| Blade length, in./cm | 21/53.23 |
| Blade Engagement | Electromagnetic clutch |
| Productivity, acres/h / m2/h | 5.8/23,471 |
| Tires | |
| Tire pressure, rear – front, kPa/PSI/bar | 103/15/1 |
| Front caster tires, in. | 13 x 6.5-6 |
| Rear tires, turf pneumatic, in. | 24 x 12-12 |
| Anti-scalp roller | 3 adjustable |
| Transmission | |
| Transmission | Hydro-Gear® ZT5400 |
| Transmission oil | Class SL SAE20W-50 |
| Steering control | Dual levers, foam gripped |
| Maximum speed forward, mph/kmh | 12/19.3 |
| Maximum speed reverse, mph/kmh | 6/9.7 |
| Brakes | Mechanical parking brake |
| Electrical system | |
| Battery | 12 V 230 CCA Class |
| Spark plug | NGK BPR4ES |
| Electrode gap, in./mm | .030/0.76 |
| Spark plug torque, ft-lb/Nm | 16.6/22.5 |
Battery charging times
| STD battery | State of charge | Approximate charging time to full charge at 80°F / 26°C[12] |
| Maximum rate at: |
| 50 Amps | 30 Amps | 20 Amps | 10 Amps |
| 12.6 V | 100% | Fully charged |
| 12.4 V | 75% | 20 min | 35 min | 48 min | 90 min |
| 12.2 V | 50% | 45 min | 75 min | 95 min | 180 min |
| 12.0 V | 25% | 65 min | 115 min | 145 min | 280 min |
| 11.8 V | 0% | 85 min | 150 min | 195 min | 370 min |
![]()
Documents / Resources
Need help?
Do you have a question about the Z560LS and is the answer not in the manual?
Questions and answers