Advertisement

Table of Contents
Contents
Sharp R-21LCF Manual

WARNING TO SERVICE PERSONNEL

Microwave ovens contain circuitry capable of producing very high voltage and current, contact with following parts may result in a severe, possibly fatal, electrical shock.

(Example)
High Voltage Capacitor, High Voltage Power Transformer, Magnetron, High Voltage Rectifier Assembly, High Voltage Harness etc..

Read the Service Manual carefully and follow all instructions.


Don't Touch! High Voltage

Before Servicing

  1. Disconnect the power supply cord , and then remove outer case.
  2. Open the door and block it open.
  3. Discharge high voltage capacitor.


RISK OF ELECTRIC SHOCK. DISCHARGE THE HIGH-VOLTAGE CAPACITOR BEFORE SERVICING.

The high-voltage capacitor remains charged about 60 seconds after the oven has been switched off. Wait for 60 seconds and then short circuit the connection of the high-voltage capacitor (that is the connecting lead of the high-voltage rectifier) against the chassis with the use of an insulated screwdriver.

Whenever troubleshooting is performed the power supply must be disconnected. It may, in some cases, be necessary to connect the power supply after the outer case has been removed, in this event,

  1. Disconnect the power supply cord, and then remove outer case.
  2. Open the door and block it open.
  3. Discharge high voltage capacitor.
  4. Disconnect the leads to the primary of the power transformer.
  5. Ensure that the leads remain isolated from other components and oven chassis by using insulation tape.
  6. After that procedure, reconnect the power supply cord.

When the testing is completed

  1. Disconnect the power supply cord, and then remove outer case.
  2. Open the door and block it open.
  3. Discharge high voltage capacitor.
  4. Reconnect the leads to the primary of the power transformer.
  5. Reinstall the outer case (cabinet).
  6. Reconnect the power supply cord after the outer case is installed.
  7. Run the oven and check all functions.

After repairing

  1. Reconnect all leads removed from components during testing.
  2. Reinstall the outer case (cabinet).
  3. Reconnect the power supply cord after the outer case is installed.
  4. Run the oven and check all functions.

Microwave ovens should not be run empty. To test for the presence of microwave energy within a cavity, place a cup of cold water on the oven turntable, close the door and set the power to HIGH and set the microwave timer for two (2) minutes. When the two minutes has elapsed (timer at zero) carefully check that the water is now hot. If the water remains cold carry out Before Servicing procedure and reexamine the connections to the component being tested.

When all service work is completed and the oven is fully assembled, the microwave power output should be checked and microwave leakage test should be carried out.

MICROWAVE MEASUREMENT PROCEDURE

Requirements

  1. Microwave leakage limit (Power density limit): The power density of microwave radiation emitted by a microwave oven should not exceed 1mW/cm2 at any point 5cm or more from the external surface of the oven, measured prior to acquisition by a purchaser, and thereafter (through the useful life of the oven), 5 mW/cm2 at any point 5cm or more from the external surface of the oven.
  2. Safety interlock switches: Primary interlock relay and door sensing switch shall prevent microwave radiation emission in excess of the requirement as above mentioned, secondary interlock switch shall prevent microwave radiation emission in excess of 5 mW/cm2 at any point 5cm or more from the external surface of the oven.

Preparation for testing

Before beginning the actual measurement of leakage, proceed as follows:

  1. Make sure that the actual instrument is operating normally as specified in its instruction booklet.

    Survey instruments that comply with the requirement for instrumentation as prescribed by the performance standard for microwave ovens, 21 CFR 1030.10(c)(3)(i), must be used for testing.
  2. Place the oven tray in the oven cavity.
  3. Place the load of 275±5 ml (9.8 oz) of tap water initially at 20±5°C (68°F) in the center of the oven cavity.
    The water container shall be a low form of 600 ml (20 oz) beaker with an inside diameter of approx. 8.5 cm (3-1/2 in.) and made of an electrically non-conductive material such as glass or plastic.
    The placing of this standard load in the oven is important not only to protect the oven, but also to insure that any leakage is measured accurately.
  4. Set the cooking control on Full Power Cooking Mode
  5. Close the door and select a cook cycle of several minutes. If the water begins to boil before the survey is completed, replace it with 275 ml of cool water.

Leakage test

Closed-door leakage test (microwave measurement)

  1. Grasp the probe of the survey instrument and hold it perpendicular to the gap between the door and the body of the oven.
  2. Move the probe slowly, not faster than 1 in./sec. (2.5 cm/sec.) along the gap, watching for the maximum indication on the meter.
  3. Check for leakage at the door screen, sheet metal seams and other accessible positions where the continuity of the metal has been breached (eg.,around the switches, indicator, and vents).
    While testing for leakage around the door pull the door away from the front of the oven as far as is permitted by the closed latch assembly.
  4. Measure carefully at the point of highest leakage and make sure that the highest leakage is no greater than 4mW/cm2, and that the secondary interlock switch and the primary interlock relay do turn the oven OFF before any door movement.

warning NOTE: After servicing, record data on service invoice and microwave leakage report.

FOREWORD AND WARNING

FOREWORD

This Manual has been prepared to provide Sharp Electronics Corp. Service Personnel with Operation and Service Information for the SHARP MICROWAVE OVEN, R-21LCF.
It is recommended that service personnel carefully study the entire text of this manual so that they will be qualified to render satisfactory customer service.
Check the interlock switches and the door seal carefully. Special attention should be given to avoid electrical shock and microwave radiation hazard.

WARNING

Never operate the oven until the following points are ensured.

  1. The door is tightly closed.
  2. The door brackets and hinges are not defective.
  3. The door packing is not damaged.
  4. The door is not deformed or warped.
  5. There is not any other visible damage with the oven. Servicing and repair work must be carried out only by trained service personnel.

DANGER

Certain initial parts are intentionally not grounded and present a risk of electrical shock only during servicing. Service personnel - Do not contact the following parts while the appliance is energized;
High Voltage Capacitor, Power Transformer, Magnetron, High Voltage Rectifier Assembly, High Voltage Harness;
If provided, Vent Hood, Fan assembly, Cooling Fan Motor.

All the parts marked "" on parts list are used at voltages more than 250V.

Removal of the outer wrap gives access to voltage above 250V.

All the parts marked "*" on parts list may cause undue microwave exposure, by themselves, or when they are damaged, loosened or removed.

PRODUCT DESCRIPTION

SPECIFICATIONS

ITEM DESCRIPTION
Power Requirements 120 Volts
14 Amperes
60 Hertz
Single phase, 3 wire grounded
Power Output 1000 watts (IEC Test procedure)
Operating frequency 2450 MHz
Outer case Dimensions Width 20-1/2" (520mm)
Height 12-1/8" (309mm)
Depth 16" (406mm)
Cooking Cavity Dimensions

Width 13-7/8" (353mm)
Height 8-1/ 8"
Depth 14-5/8" (370mm)

warning NOTE: Internal capacity is calculated by measuring maximum width, depth and height.
Actual capacity for holding food is less.

Control Complement Light Up Dial (6 minutes)
No cooking control
Oven Cavity Light Yes
Safety Standard UL Listed.
FCC Authorized
DHHS Rules, CFR, Title 21, Chapter 1, Subchapter J, NSF certified

GENERAL INFORMATION

GROUNDING INSTRUCTIONS

This oven is equipped with a three prong grounding plug. It must be plugged into a wall receptacle that is properly installed and grounded in accordance with the National Electrical Code and local codes and ordinances.

In the event of an electrical short circuit, grounding reduces the risk of electric shock by providing an escape wire for the electric current.


Improper use of the grounding plug can result in a risk of electric shock.

Electrical Requirements

The electrical requirements are a 120 volt 60 Hz, AC only, 15 amp. or more protected electrical supply. It is recommended that a separate circuit serving only this appliance be provided. When installing this appliance, observe all applicable codes and ordinances. A short power-supply cord is provided to reduce risks of becoming entangled in or tripping over a longer cord. Where a two-pronged wall-receptacle is encountered, it is the personal responsibility and obligation of the customer to contact a qualified electrician and have it replaced with a properly grounded three-pronged wall receptacle or have a grounding adapter properly grounded and polarized. If the extension cord must be used, it should be a 3-wire, 15 amp. or higher rated cord. Do not drape over a countertop or table where it can be pulled on by children or tripped over accidentally.


DO NOT UNDER ANY CIRCUMSTANCES CUT OR REMOVE THE ROUND GROUNDING PRONG FROM THIS PLUG.


OVEN DIAGRAM

OVEN

OVEN DIAGRAM - OVEN

  1. Back splash cover
  2. Side splash cover
  3. Oven light
  4. Ceramic shelf
  5. Control panel
  6. Cavity face plate
  7. Door latch openings
  8. Door latches
  9. Door hinges
  10. Door seals and sealing surfaces
  11. Door handle
  12. Oven door with see-through window
  13. Air ventilation cover and openings
  14. Power supply cord
  15. Air intake openings
  16. Outer case cabinet

TOUCH CONTROL PANEL

OVEN DIAGRAM - TOUCH CONTROL PANEL

OPERATION

DESCRIPTION OF OPERATING SEQUENCE

The following is a description of component functions during oven operation.

OFF CONDITION

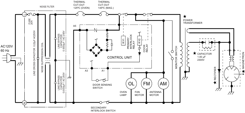
Closing the door activates door sensing switch and secondary interlock switch. (In this condition, the monitor switch contacts are opened.)

When oven is plugged in, 120 volts A.C. is supplied to the noise filter and the control unit (Figure O-1).

COOKING CONDITION

When the Light Up Dial is turned, the following operations occur:

  1. The contacts of the relays are closed and components connected to the relays are turned on as follows.
    (For details, refer to Figure O-2)
RELAY CONNECTED COMPONENTS
RY-1 oven lamp/antenna motor/fan motor
RY-2 power transformer
  1. 120 volts A.C. is supplied to the primary winding of the power transformer and is converted to about 3.2 volts A.C. output on the filament winding, and approximately 2150 volts A.C. on the high voltage winding.
  2. The filament winding voltage heats the magnetron filament and the H.V. winding voltage is sent to a voltage doubler circuit.
  3. The microwave energy produced by the magnetron is channelled through the waveguide into the cavity feed-box, and then into the
  4. Upon completion of the cooking time, the power transformer, oven lamp, etc. are turned off, and the generation of microwave energy is stopped. The oven will revert to the OFF condition.
  5. When the door is opened during a cook cycle, monitor switch, door sensing switch, secondary interlock switch, relay (RY2) and primary interlock relay (RY1) are activated with the following results. The circuits to the antenna motor, the cooling fan motor, and the high voltage components are de-energized, the oven lamp remains on, and the digital read-out displays the time still remaining in the cook cycle when the door was opened.
  6. The monitor switch electrically monitors the operation of the secondary interlock switch and control relay (RY1) and is mechanically associated with the door so that it will function in the following sequence.
    1. When the door opens from the closed position, the primary interlock relay (RY1) and secondary interlock switch open their contacts. Then the monitor switch contacts close.
    2. When the door is closed from the open position, the monitor switch contacts open first. Then the contacts of the secondary interlock switch and door sensing switch close.

If the secondary interlock switch and primary interlock relay (RY1) fail with the contacts closed when the door is opened, the closing of the monitor switch contacts will form a short circuit through the monitor causing the monitor fuse to blow.

OVEN SCHEMATIC

Off Condition

SCHEMATIC
warning NOTE: CONDITION OF OVEN

  1. LIGHT UP DIAL OFF.
  2. DOOR CLOSED.

OPERATION - OVEN SCHENATIC - Off Condition
Figure O-1. Oven Schematic-Off Condition

Cooking Condition

SCHEMATIC
warning NOTE: CONDITION OF OVEN

  1. DOOR CLOSED.
  2. LIGHT UP DIAL ON.

OPERATION - SCHENATIC - Cooking Condition
Figure O-2. Oven Schematic-Cooking Condition

DESCRIPTION AND FUNCTION OF COMPONENTS

DOOR OPEN MECHANISM

The door is opened by grasping the door handle, refer to Figure D-1.
DOOR OPEN MECHANISM
Figure D-1. Door Open Mechanism

When the door handle is grasped, the handle lever is pulled. And then the upper and lower latch heads are moved upward by the handle lever, and they are released from the latch hook. Now the door will open.

DOOR SENSING AND SECONDARY INTERLOCK SWITCHES

The secondary interlock switch is mounted in the upper position of the latch hook and the door sensing switch in the primary interlock system is mounted in the lower position of the latch hook. The secondary interlock switch is activated by the latch switch lever A. The latch switch lever A is activated by the upper latch head. The door sensing switch is activated by the latch switch lever C. The latch switch lever C is activated by the lower latch head. When the door is opened, the switches interrupt the power to all high voltage components. A cook cycle cannot take place until the door is firmly closed thereby activating both interlock switches. The primary interlock system consists of the door sensing switch and primary interlock relay located on the control circuit board.

MONITOR SWITCH

The monitor switch is activated (the contacts opened) by the latch switch lever B on the latch hook while the door is closed. The latch switch lever B is activated by the lower latch head. The switch is intended to render the oven inoperative, by means of blowing the monitor fuse, when the contacts of the primary interlock relay (RY1) and secondary interlock switch fail to open when the door is opened.

Functions:

  1. When the door is opened, the monitor switch contacts close (to the ON condition) due to their being normally closed. At this time the primary interlock relay (RY1) and secondary interlock switch are in the OFF condition (contacts open) due to their being normally open contact switches.
  2. As the door goes to a closed position, the monitor switch contacts are first opened and then the door sensing switch and the secondary interlock switch contacts close. (On opening the door, each of these switches operate inversely.)
  3. If the door is opened, and the primary interlock relay (RY1) and secondary interlock switch contacts fail to open, the monitor fuse blows simultaneously with closing of the monitor switch contacts.


BEFORE REPLACING A BLOWN MONITOR FUSE TEST THE DOOR SENSING SWITCH, PRIMARY INTERLOCK RELAY (RY1), SECONDARY INTERLOCK SWITCH AND MONITOR SWITCH FOR PROPER OPERATION. (REFER TO CHAPTER "TEST PROC

warning NOTE: MONITOR FUSE AND MONITOR SWITCH ARE REPLACED AS AN ASSEMBLY.

ANTENNA MOTOR

The antenna motor rotates the stirrer antenna located on the bottom of the oven cavity, so that the food on the ceramic shelf is cooked evenly during cooking. The antenna motor may turn in either direction.

COOLING FAN MOTOR

The cooling fan motor drives a blade which draws external cool air. This cool air is directed through the air vanes surrounding the magnetron and cools the magnetron. This air is channelled through the oven cavity to remove steam and vapors given off from the heating food. It is then exhausted through the exhausting air vents at the oven cavity.

MONITOR FUSE

  1. The monitor fuse blows when the contacts (COM-NO) of the primary interlock relay (RY1) and secondary interlock switch remain closed with the oven door open and when the monitor switch closes.
  2. If the wire harness or electrical components are shortcircuited, this monitor fuse blows to prevent an electric shock or fire hazard.

THERMAL CUT-OUT 145°C (MAGNETRON)

This thermal cut-out protects the magnetron against overheating. If the temperature goes up higher than 293°F (145°C) because the fan motor is interrupted or the ventilation openings are blocked, the thermal cut-out will open and line voltages to the high voltage transformer will be cut off and the operation of the magnetron will be stopped. The thermal cutout will not resume.

THERMAL CUT-OUT 125°C (OVEN)

The thermal cut-out located on the top of the oven cavity is designed to prevent damage to the oven if the food in the oven catches fire due to over heating produced by improper setting of the cooking time or failure of control unit. Under normal operation, the oven thermal cutout remains closed. However, when abnormally high temperatures are reached within the oven cavity, the oven thermal cut-out will open at 257°F(125°C) causing the oven to shut down. The thermal cut-out will not resume.

NOISE FILER

The noise filter prevents the radio frequency interference that might flow back in the power circuit.

TROUBLESHOOTING GUIDE

Never touch any part in the circuit with your hand or an uninsulated tool while the power supply is connected.

When troubleshooting the microwave oven, it is helpful to follow the Sequence of Operation in performing the checks. Many of the possible causes of trouble will require that a specific test be performed. These tests are given a procedure letter which will be found in the "Test Procedure "section.


If the oven becomes inoperative because of a blown monitor fuse, check the monitor switch, primary interlock relay (RY1), door sensing switch and secondary interlock switch before replacing the monitor fuse. If monitor fuse is replaced, the monitor switch must also be replaced. Use part FFS-BA033WRKZ as an assembly.


Whenever troubleshooting is performed with the power supply cord disconnected. It may in, some cases, be necessary to connect the power supply cord after the outer case has been removed, in this event,

  1. Disconnect the power supply cord, and then remove outer case.
  2. Open the door and block it open.
  3. Discharge high voltage capacitor.
  4. Disconnect the leads to the primary of the power transformer.
  5. Ensure that the leads remain isolated from other components and oven chassis by using insulation tape.
  6. After that procedure, reconnect the power supply cord.

When the testing is completed,

  1. Disconnect the power supply cord, and then remove outer case.
  2. Open the door and block it open.
  3. Discharge high voltage capacitor.
  4. Reconnect the leads to the primary of the power transformer.
  5. Reinstall the outer case (cabinet).
  6. Reconnect the power supply cord after the outer case is installed.
  7. Run the oven and check all functions.

TROUBLESHOOTING CHART
TROUBLESHOOTING CHART

TEST PROCEDURES

Procedure A: MAGNETRON ASSEMBLY TEST

  1. Disconnect the power supply cord, and then remove outer case.
  2. Open the door and block it open.
  3. Discharge high voltage capacitor.
  4. To test for an open filament, isolate the magnetron from the high voltage circuit. A continuity check across the magnetron filament leads should indicate less than 1 ohm.
  5. To test for a shorted magnetron, connect the ohmmeter leads between the magnetron filament leads and chassis ground. This test should indicate an infinite resistance. If there is little or no resistance the magnetron is grounded and must be replaced.
  6. Reconnect all leads removed from components during testing.
  7. Reinstall the outer case (cabinet).
  8. Reconnect the power supply cord after the outer case is installed.
  9. Run the oven and check all functions.

MICROWAVE OUTPUT POWER

The following test procedure should be carried out with the microwave oven in a fully assembled condition (outer case fitted).

HIGH VOLTAGES ARE PRESENT DURING THE COOK CYCLE, SO EXTREME CAUTION SHOULD BE OBSERVED.

Power output of the magnetron can be measured by performing a water temperature rise test. This test should only be used if above tests do not indicate a faulty magnetron and there is no defect in the following components or wiring: silicon rectifier, high voltage capacitor and power transformer. This test will require a 16 ounce (453cc) measuring cup and an accurate mercury thermometer or thermocouple type temperature tester. For accurate results, the following procedure must be followed carefully:

  1. Fill the measuring cup with 16 oz. (453cc) of tap water and measure the temperature of the water with a thermometer or thermocouple temperature tester. Stir the thermometer or thermocouple through the water until the temperature stabilizes. Record the temperature of the water.
  2. Place the cup of water in the oven. Operate oven at full power selecting more than 60 seconds cook time. Allow the water to heat for 60 seconds, measuring with a stop watch, second hand of a watch or the digital read-out countdown.
  3. Remove the cup from the oven and again measure the temperature, making sure to stir the thermometer or thermocouple through the water untilthe maximum temperature is recorded.
  4. Subtract the cold water temperature from the hot water temperature. The normal result should be 34.7 to 64.6°F(19.3 to 35.9°C) rise in temperature. If the water temperatures are accurately measured and tested for the required time period the test results will indicate if the magnetron tube has low power output (low rise in water temperature) which would extend cooking time or high power output (high rise in water temperature) which would reduce cooking time. Because cooking time can be adjusted to compensate for power output, the magnetron tube assembly should be replaced only if the water temperature rise test indicates a power output well beyond the normal limits. The test is only accurate if the power supply line voltage is 120 volts and the oven cavity is clean.

Procedure B: POWER TRANSFORMER TEST

  1. Disconnect the power supply cord, and then remove outer case.
  2. Open the door and block it open.
  3. Discharge high voltage capacitor.
  4. Disconnect the primary input terminals and measure the resistance of the transformer with an ohmmeter. Check for continuity of the coils with anohmmeter. On the R x 1 scale, the resistance of the primary coil should be less than 1 ohm and the resistance of the high voltage coil should be approximately 83.7 ohms; the resistance of the filament coil should be less than 1 ohm.
  5. Reconnect all leads removed from components during testing.
  6. Reinstall the outer case (cabinet).
  7. Reconnect the power supply cord after the outer case is installed.
  8. Run the oven and check all functions.
    (HIGH VOLTAGES ARE PRESENT AT THE HIGH VOLTAGE TERMINAL, SO DO NOT ATTEMPT TO MEASURE THE FILAMENT AND HIGH VOLTAGE.)

Procedure C: HIGH VOLTAGE RECTIFIER TEST

  1. Disconnect the power supply cord, and then remove outer case.
  2. Open the door and block it open.
  3. Discharge high voltage capacitor.
  4. Isolate the rectifier from the circuit. Using the highest ohm scale of the meter, read the resistance across the terminals and observe, reverse the leads to the rectifier terminals and observe meter reading. If a short is indicated in both directions, or if an infinite resistance is read in both directions, the rectifier is probably defective and should be replaced.
  5. Reconnect all leads removed from components during testing.
  6. Reinstall the outer case (cabinet).
  7. Reconnect the power supply cord after the outer case is installed.
  8. Run the oven and check all functions.

warning NOTE: Be sure to use an ohmmeter that will supply a forward bias voltage of more than 6.3 volts.

Procedure D: HIGH VOLTAGE CAPACITOR TEST

  1. Disconnect the power supply cord, and then remove outer case.
  2. Open the door and block it open.
  3. Discharge high voltage capacitor.
  4. If the capacitor is open, no high voltage will be available to the magnetron. Disconnect input leads and check for short or open between the terminals using an ohmmeter. Checking with a high ohm scale, if the high voltage capacitor is normal, the meter will indicate continuity for a short time and should indicate an open circuit once the capacitor is charged. If the above is not the case, check the capacitor with an ohmmeter to see if it is shorted between either of the terminals and case. If it is shorted, replace the capacitor.
  5. Reconnect all leads removed from components during testing.
  6. Reinstall the outer case (cabinet).
  7. Reconnect the power supply cord after the outer case is installed.
  8. Run the oven and check all functions.

Procedure E: THERMAL CUT OUT TEST

THERMAL CUT OUT 125°C (OVEN)

  1. Disconnect the power supply cord, and then remove outer case.
  2. Open the door and block it open.
  3. Discharge high voltage capacitor.
  4. A continuity check across the thermal cut-out terminals should indicate a closed circuit unless the temperature of the thermal cut-out reache sapproximately 257°F(125°C). An open thermal cut-out indicates overheating of the oven, exchange the thermal cut-out and check inside of oven cavity and for improper setting of cooking time or operation of control unit. Check for restricted air flow through the vent holes of the oven cavity, especially the cooling fan and air guide.
  5. Reconnect all leads removed from components during testing.
  6. Reinstall the outer case (cabinet).
  7. Reconnect the power supply cord after the outer case is installed.
  8. Run the oven and check all functions.

THERMAL CUT OUT 145°C (MAGNETRON)

  1. Disconnect the power supply cord, and then remove outer case.
  2. Open the door and block it open.
  3. Discharge high voltage capacitor.
  4. A continuity check across the thermal cut-out terminals should indicate a closed circuit. If the temperature of the magnetron reaches approximately293°F(145°C), the thermal cut-out opens. An open thermal cutout indicates overheating of the magnetron. Check for restricted air flow to the magnetron, especially the cooling fan air guide.
  5. Reconnect all leads removed from components during testing.
  6. Reinstall the outer case (cabinet).
  7. Reconnect the power supply cord after the outer case is installed.
  8. Run the oven and check all functions.


IF THE THERMAL CUT-OUT INDICATES AN OPEN CIRCUIT AT ROOM TEMPERATURE, REPLACE THERMAL CUT-OUT.

Procedure F: SECONDARY INTERLOCK SWITCH TEST

  1. Disconnect the power supply cord, and then remove outer case.
  2. Open the door and block it open.
  3. Discharge high voltage capacitor.
  4. Isolate the switch and connect the ohmmeter to the common (COM.) and normally open (NO) terminal of the switch. The meter should indicate an open circuit with the door open and a closed circuit with the door closed. If improper operation is indicated, replace the secondary interlock switch.
  5. Reconnect all leads removed from components during testing.
  6. Reinstall the outer case (cabinet).
  7. Reconnect the power supply cord after the outer case is installed.
  8. Run the oven and check all functions.

Procedure F: PRIMARY INTERLOCK SYSTEM TEST

DOOR SENSING SWITCH

  • Disconnect the power supply cord, and then remove outer case.
  • Open the door and block it open.
  • Discharge high voltage capacitor.
  • Isolate the switch and connect the ohmmeter to the common (COM.) and normally open (NO) terminal of the switch. The meter should indicate an open circuit with the door open and a closed circuit with the door closed. If improper operation is indicated, replace the door sensing switch.
  • Reconnect all leads removed from components during testing.
  • Reinstall the outer case (cabinet).
  • Reconnect the power supply cord after the outer case is installed.
  • Run the oven and check all functions.

warning NOTE: If the door sensing switch contacts fail in the open position and the door is closed, the cooling fan, antenna and oven light will be activated by RY1.

PRIMARY INTERLOCK RELAY (RY1)

  1. Disconnect the power supply cord, and then remove outer case.
  2. Open the door and block it open.
  3. Discharge high voltage capacitor.
  4. Disconnect two (2) wire leads from the male tab terminals of the Primary Interlock Relay. Check the state of the relay contacts using a ohmmeter. The relay contacts should be open. If the relay contacts are closed, replace the circuit board entirely or the relay itself.
  5. Reconnect all leads removed from components during testing.
  6. Reinstall the outer case (cabinet).
  7. Reconnect the power supply cord after the outer case is installed.
  8. Run the oven and check all functions.

Procedure G: MONITOR SWITCH TEST

  1. Disconnect the power supply cord, and then remove outer case.
  2. Open the door and block it open.
  3. Discharge high voltage capacitor.
  4. Before performing this test, make sure that the secondary interlock switch and the primary interlock relay are operating properly, according to the above Switch Test Procedure. Disconnect the wire lead from the monitor switch (COM) terminal. Check the monitor switch operation by using the ohmmeter as follows. When the door is open, the meter should indicate a closed circuit. When the monitor switch actuator is pushed by a screw driver through the lower latch hole on the front plate of the oven cavity with the door opened (in this condition the plunger of the monitor switch is pushed in), the meter should indicate an open circuit. If improper operation is indicated, the switch may be defective. After testing the monitor switch, reconnect the wire lead to the monitor switch (COM) terminal and check the continuity of the monitor circuit.
  5. Reconnect all leads removed from components during testing.
  6. Reinstall the outer case (cabinet).
  7. Reconnect the power supply cord after the outer case is installed.
  8. Run the oven and check all functions.
    Procedure G: MONITOR SWITCH TEST

Procedure H: BLOWN MINITOR FUSE TEST

  1. Disconnect the power supply cord, and then remove outer case.
  2. Open the door and block it open.
  3. Discharge high voltage capacitor.
  4. If the monitor fuse is blown when the door is opened, check the primary interlock relay, secondary interlock switch and monitor switch according to the "TEST PROCEDURE" for those switches before replacing the blown monitor fuse.

    BEFORE REPLACING A BLOWN MONITOR FUSE, TEST THE PRIMARY INTERLOCK RELAY, SECONDARY INTERLOCK SWITCH, DOOR SENSING SWITCH AND MONITOR SWITCH FOR PROPER OPERATION.
    If the monitor fuse is blown by improper switch operation, the monitor fuse and monitor switch must be replaced with "monitor fuse and monitor switch assembly" part number FFS-BA033WRKZ, even if the monitor switch operates normally. The monitor fuse and monitor switch assembly is comprised of a 20 ampere fuse and switch.
  1. Reconnect all leads removed from components during testing.
  2. Reinstall the outer case (cabinet).
  3. Reconnect the power supply cord after the outer case is installed.
  4. Run the oven and check all functions.

Procedure I: NOISE FILTER TEST

Procedure I: NOISE FILTER TEST

  1. Disconnect the power supply cord, and then remove outer case.
  2. Open the door and block it open.
  3. Discharge high voltage capacitor.
  4. Disconnect the lead wires from the terminal the noise filter. Using an ohmmeter, check between the terminals as described in the following table. If incorrect reading are obtained, replace the noise filter.
  5. Reconnect all leads removed from components during testing.
  6. Reinstall the outer case (cabinet).
  7. Reconnect the power supply cord after the outer case is installed.
  8. Run the oven and check all functions.
MEASURING POINT INDICATION OF OHMMETER
Between N and L Open circuit.
Between terminal N and WHITE Short circuit.
Between terminal L and RED Short circuit.

Procedure J: CONTROL PANEL ASSEMBLY TEST


To prevent an electric shock do not touch the electrical parts and the printed wiring board. Because the control unit is "TRANSLESS CIRCUIT" and many electrical parts are used at A.C. line voltage.

The control panel consists of circuits including semiconductors such as LSI, ICs, etc. Therefore, unlike conventional microwave ovens, proper maintenance cannot be performed with only a voltmeter and ohmmeter. In this service manual troubleshooting by unit replacement is described according to the symptoms indicated.

  1. Disconnect the power supply cord and then remove outer case.
  2. Open the door and block it open.
  3. Discharge high voltage capacitor.
  4. Disconnect the leads to the primary of the power transformer.
  5. Ensure that these leads remain isolated from other components and oven chassis by using insulation tape.
  6. After that procedure, re-connect the power supply cord.

Control Unit

The following symptoms indicate a defective control unit.

  1. In connection with LEDs
    1. At a certain LED, all or some LEDs do not light up.
    2. At a certain LED, brightness is low.
    3. Only one LED does not light up.
    4. All or some LEDs continue to light up.
    5. A certain group of LEDs do not light up.
    6. The LEDs flicker.
  2. Other possible problems caused by defective control unit.
    1. Buzzer does not sound or continues to sound.
    2. Cooking is not possible.
    3. Cooking time can not be set.

When testing is completed,

  1. Disconnect the power supply cord and then remove outer case.
  2. Open the door and block it open.
  3. Discharge high voltage capacitor.
  4. Reconnect all leads removed from components during testing.
  5. Re-install the outer case (cabinet).
  6. Reconnect the power supply cord after the outer case is installed.
  7. Run the oven and check all functions.

Procedure L: RELAY TEST

  1. Disconnect the power supply cord, and then remove outer case.
  2. Open the door and block it open.
  3. Discharge high voltage capacitor.
  4. Disconnect the leads to the primary of the power transformer.
  5. Ensure that these leads remain isolated from other components and oven chassis by using insulation tape.
  6. After that procedure, re-connect the power supply cord.
  7. Remove the outer case and check voltage between Pin No. 5 of the 3 pin connector (A) and the common terminal of the relay RY1 on the control unit with an A.C. voltmeter.
    The meter should indicate 120 volts, if not check oven circuit.

RY1 and RY2 Relay Test

These relays are operated by D.C. voltage

Check voltage at the relay coil with a D.C. voltmeter during the microwave cooking operation.

DC. voltage indicated: Defective relay.

DC. voltage not indicated: Check diode which is connected to the relay coil. If diode is good, control unit is defective.

RELAY SYMBOL OPERATIONAL VOLTAGE CONNECTED COMPONENTS
RY1 Approx. 19.2V D.C. Oven lamp / Antenna motor / Cooling fan motor
RY2 Approx. 19.9V D.C. Power transformer

warning NOTE: The voltage under the condition when all LEDs light up.

  1. Disconnect the power supply cord and then remove outer case.
  2. Open the door and block it open.
  3. Discharge high voltage capacitor.
  4. Reconnect all leads removed from components during testing.
  5. Re-install the outer case (cabinet).
  6. Reconnect the power supply cord after the outer case is installed.
  7. Run the oven and check all functions.

Procedure M: FOIL PATTERN ON THE PRINTED WIRING BOARD TEST

To protect the electronic circuits, this model is provided with a fine foil pattern added to the primary on the PWB, this foil pattern acts as a fuse.

  1. Foil pattern check and repairs.
    1. Disconnect the power supply cord and then remove outer case.
    2. Open the door and block it open.
    3. Discharge high voltage capacitor.
    4. Follow the troubleshooting guide given below for repair.
STEPS OCCURRENCE CAUSE OR CORRECTION
1 Only pattern at "a" is broken. *Insert jumper wire J1 and solder.
2 Pattern at "a" and "b" are broken. *Replace control unit.
  1. Make a visual inspection of the varistor. Check for burned damage.
  2. Reconnect all leads removed from components during testing.
  3. Re-install the outer case (cabinet).
  4. Reconnect the power supply cord after the outer case is installed.
  5. Run the oven and check all functions.
  1. Follow the troubleshooting guide given below, if indicator does not light up after above check and repairs are finished.
    1. Disconnect the power supply cord and then remove outer case.
    2. Open the door and block it open.
    3. Discharge high voltage capacitor.
    4. Disconnect the leads to the primary of the power transformer.
    5. Ensure that these leads remain isolated from other components and oven chassis by using insulation tape.
    6. After that procedure, re-connect the power supply cord.
    7. Follow the troubleshooting guide given below for repair.
STEPS OCCURRENCE CAUSE OR CORRECTION
1 The rated AC voltage is not present between Pin No. 5 of the 3-pin connector (A) and the common terminal of the relay RY1. Check supply voltage and oven power cord.
  1. Disconnect the power supply cord and then remove outer case.
  2. Open the door and block it open.
  3. Discharge high voltage capacitor.
  4. Reconnect all leads removed from components during testing.
  5. Re-install the outer case (cabinet).
  6. Reconnect the power supply cord after the outer case is installed.
  7. Run the oven and check all functions.

TOUCH CONTROL PANEL ASSEMBLY

OUTLINE OF TOUCH CONTROL PANEL

Control Unit

Control unit consists of LSI, power source circuit, synchronizing signal circuit, reset circuit, buzzer circuit, encoder circuit and indicator circuit.

  1. LSI
    This LSI controls the encoder signal, relay driving signal for oven function, buzzer signal and LED signal.
  2. Power Source Circuit
    This circuit generates voltage necessary in the control unit.
    Symbol Voltage Application
    VC +5V (*) LSI(I-1)|VR +20V (*) RELAY(RY1, RY2)
    (*) The voltage under the condition when all LEDs light up. The voltage VR will vary according to the quantity of the LEDs which light up
  3. Synchronizing Signal Circuit
    The power source synchronizing signal is available in order to compose a basic standard time in the clock circuit. It accompanies a very small error because it works on commercial frequency.

SERVICING FOR TOUCH CONTROL PANEL

Precautions for Handling Electronic Components

This unit uses CMOS LSI in the integral part of the circuits. When handling these parts, the following precautions should be strictly followed. CMOS LSI have extremely high impedance at its input and output terminals. For this reason, it is easily influenced by the surrounding high voltage power source, static electricity charge in clothes, etc., and sometimes it is not fully protected by the built-in protection circuit.

In order to protect CMOS LSI.

  1. When storing and transporting, thoroughly wrap them in aluminium foil. Also wrap PW boards containing them in aluminium foil.
  2. When soldering, ground the technician as shown in the figure and use grounded soldering iron and work table.

Servicing of Touch Control Panel

We describe the procedures to permit servicing of the touch control panel of the microwave oven and the precautions you must take when doing so. To perform the servicing, power to the touch control panel is available either from the power line of the oven itself or from an external power source.

  1. Servicing the touch control panel with power supply of the oven:

    THE HIGH VOLTAGE TRANSFORMER OF THE MICROWAVE OVEN IS STILL LIVE DURING SERVICING AND PRESENTS A HAZARD. Therefore, before checking the performance of the touch control panel,
    1. Disconnect the power supply cord and then remove outer case.
    2. Open the door and block it open.
    3. Discharge high voltage capacitor.
    4. Disconnect the leads to the primary of the power transformer.
    5. Ensure that these leads remain isolated from other components and oven chassis by using insulation tape.
    6. After that procedure, re-connect the power supply cord.
      After checking the performance of the touch control panel,
      1. Disconnect the power supply cord.
      2. Open the door and block it open.
      3. Re-connect the leads to the primary of the power transformer.
      4. Re-install the outer case (cabinet).
      5. Re-connect the power supply cord after the outer case is installed.
      6. Run the oven and check all functions.
        1. On some models, the power supply cord between the touch control panel and the oven itself is so short that the two can't be separated. For those models, check and repair all the controls (sensor-related ones included) of the touch control panel while keeping it connected to the oven.
        2. On some models, the power supply cord between the touch control panel and the oven proper is so long enough that they may be separated from each other. For those models, therefore, it is possible to check and repair the controls of the touch control panel while keeping it apart from the oven proper; in this case you must short both ends of the door sensing switch (on PWB) of the touch control panel with a jumper, which brings about an operational state that is equivalent to the oven door being closed. As for the sensor-related controls of the touch control panel, checking them is possible if the dummy resistor(s) with resistance equal to that of the controls are used.
  1. Servicing the touch control panel with power supply from an external power source: Disconnect the touch control panel completely from the oven proper, and short both ends of the door sensing switch (on PWB) of the touch control panel, which brings about an operational state that is equivalent to the oven door being closed.
    Connect an external power source to the power input terminal of the touch control panel, then it is possible to check and repair the controls of the touch control panel; it is also possible to check the sensor-related controls of the touch control panel by using the dummy resistor(s).

Servicing Tools

Tools required to service the touch control panel assembly.

  1. Soldering iron: 60W (It is recommended to use a soldering iron with a grounding terminal.)
  2. Oscilloscope: Single beam, frequency range: DC - 10MHz type or more advanced model.
  3. Others: Hand tools

Other Precautions

  1. Before turning on the power source of the control unit, remove the aluminium foil applied for preventing static electricity.
  2. Connect the connector of the key unit to the control unit being sure that the lead wires are not twisted.
  3. After aluminium foil is removed, be careful that abnormal voltage due to static electricity etc. is not applied to the input or output terminals.
  4. Attach connectors, electrolytic capacitors, etc. to PWB, making sure that all connections are tight.
  5. Be sure to use specified components where high precision is required.

PRECAUTIONS FOR USING LEAD-FREE SOLDER

Employing lead-free solder

The "Main PWB" of this model employs lead-free solder. This is indicated by the "LF" symbol printed on the PWB and in the service manual. The suffix letter indicates the alloy type of the solder.

Example:

Indicates lead-free solder of tin, silver and copper

Using lead-free wire solder

When repairing a PWB with the "LF" symbol, only lead-free solder should be used. (Using normal tin/lead alloy solder may result in cold soldered joints and damage to printed patterns.)
As the melting point of lead-free solder is approximately 40°C higher than tin/lead alloy solder, it is recommend that a dedicated bit is used, and that the iron temperature is adjusted accordingly.

Soldering

As the melting point of lead-free solder (Sn-Ag-Cu) is higher and has poorer wet tability, (flow), to prevent damage to the land of the PWB, extreme care should be taken not to leave the bit in contact with the PWB for an extended period of time. Remove the bit as soon as a good flow is achieved. The high content of tin in lead free solder will cause premature corrosion of the bit. To reduce wear on the bit, reduce the temperature or turn off the iron when it is not required.

Leaving different types of solder on the bit will cause contamination of the different alloys, which will alter their characteristics, making good soldering more difficult. It will be necessary to clean and replace bits more often when using lead-free solder. To reduce bit wear, care should be taken to clean the bit thoroughly after each use.

COMPONENT REPLACEMENT AND ADJUSTMENT PROCEDURE

WARNING


WARNING AGAINST HIGH VOLTAGE:
Microwave ovens contain circuitry capable of producing very high voltage and current, contact with following parts may result in severe, possibly fatal, electric shock.

(Example)
High Voltage Capacitor, Power Transformer, Magnetron, High Voltage Rectifier Assembly, High Voltage Harness etc..


Avoid possible exposure to microwave energy. Please follow the instructions below before operating the oven.

  1. Disconnect the power supply cord.
  2. Visually check the door and cavity face plate for damage(dents, cracks, signs of arcing etc.).

Carry out any remedial work that is necessary before operating the oven.
Do not operate the oven if any of the following conditions exist;

  1. Door does not close firmly.
  2. Door hinge, support or latch hook is damaged.
  3. The door gasket or seal is damaged.
  4. The door is bent or warped.
  5. There are defective parts in the door interlock system.
  6. There are defective parts in the microwave generating and transmission assembly.
  7. There is visible damage to the oven.

Do not operate the oven:

  1. Without the RF gasket (Magnetron).
  2. If the wave guide or oven cavity are not intact.
  3. If the door is not closed.
  4. If the outer case (cabinet) is not fitted.


WARNING FOR WIRING
To prevent an electric shock, take the following precautions.

  1. Before wiring,
    1. Disconnect the power supply cord.
    2. Open the door block it open.
    3. Discharge the high voltage capacitor and wait for 60 seconds.
  2. Don't let the wire leads touch to the following parts;
    1. High voltage parts: Magnetron, High voltage transformer, High voltage capacitor and High voltage rectifier assembly.
    2. Hot parts:
      Oven lamp, Magnetron, Power transformer and Oven cavity.
    3. Sharp edge: Bottom plate, Oven cavity, Waveguide flange Chassis support and other metallic plate.
    4. Movable parts (to prevent a fault) Fan blade, Fan motor, Switch, Switch lever, and Antenna motor
  1. Do not catch the wire leads in the outer case cabinet.
  2. Insert the positive lock connector until its pin is locked and make sure that the wire leads do not come off even if the wire leads are pulled.
  3. To prevent an error function, connect the wire leads correctly, referring to the Pictorial Diagram.

Please refer to "OVEN PARTS, CABINET PARTS, CONTROL PANEL PARTS, DOOR PARTS", when carrying out any of the following removal procedures:

OUTER CASE REMOVAL

To remove the outer case, procedure as follows.

  1. Disconnect the power supply cord.
  2. Open the oven door and block it open.
  3. Remove the five (5) screws from rear and along the side edge of case.
  4. Slide the entire case back about 3cm to free it from retaining clips on the cavity face plate.
  1. Lift entire outer case from the unit.
  2. Discharge the H.V. capacitor before carrying out any further work.
  3. Do not operate the oven with the outer case removed.

    DISCONNECT OVEN FROM POWER SUPPLY BEFORE REMOVING OUTER CASE.
    DISCHARGE THE HIGH VOLTAGE CAPACITOR BEFORE TOUCHING ANY OVEN COMPONENTS OR WIRING.

POWER TRANSFORMER REMOVAL

  1. Disconnect the power supply cord and remove outer case.
  2. Open the oven door and block it open.
  3. Discharge high voltage capacitor.
  4. Disconnect the filament leads of power transformer from high voltage capacitor and the magnetron.
  5. Disconnect the H.V. wire from the power transformer.
  6. Disconnect the main wire harness from the power transformer.
  7. Remove the two (2) screws and two (2) VCP caps holding the transformer to base plate
  8. Remove the transformer.
  9. Now the power transformer is free.

HIGH VOLTAGE RECTIFIER ASSEMBLY AND HIGH VOLTAGE CAPACITOR REMOVAL

To remove the components, proceed as follows.

  1. Disconnect the power supply cord and remove outer case.
  2. Open the oven door and block it open.
  3. Discharge high voltage capacitor.
  4. Disconnect H.V. wire of the high voltage rectifier assembly from the magnetron and the power transformer.
  5. Disconnect the filament lead of the power transformer from the high voltage capacitor.
  6. Remove one (1) screw holding earth side terminal of the high voltage rectifier assembly.
  7. Disconnect all the leads and terminals of high voltage rectifie rassembly from the high voltage capacitor.
  8. Now, the high voltage rectifier assembly should be free.
  9. Remove one (1) screw holding the capacitor holder to the oven cavity rear plate.
  10. Remove one (1) screw holding the fan duct to the oven cavity rear plate.
  11. Release the capacitor holder from the fan duct.
  12. Remove the capacitor from the capacitor holder.
  13. Now, the capacitor should be free.

    WHEN REPLACING HIGH VOLTAGE RECTIFIER AND HIGH VOLTAGE CAPACITOR, GROUND SIDE TERMINAL OF THE HIGH VOLTAGE RECTIFIER MUST BE SECURED FIRMLY WITH A GROUNDING SCREW.

MAGNETRON REMOVAL

  1. Disconnect the power supply cord and remove outer case.
  2. Open the oven door and block it open.
  3. Discharge high voltage capacitor.
  4. Disconnect the high voltage wire of the high voltage rectifier assembly and filament lead of the transformer from the magnetron.
  5. Remove the one (1) screw holding the air guide to the magnetron and remove the air guide.
  6. Remove the one (1) screw holding the insertion plate A to the magnetron and remove the insertion plate A.
  7. Remove the one (1) screw holding the chassis support to the magnetron.
  8. Release the tabs of air intake duct from the chassis support and the oven cavity.
  9. Move the air intake duct to the left.
  10. Carefully remove four (4) screws holding magnetron to waveguide, when removing the screws hold the magnetron to prevent it from falling.
  11. Remove the magnetron from the waveguide with care so the magnetron antenna is not hit by any metal object around the antenna.

    WHEN REPLACING THE MAGNETRON, BE SURE THE R.F. GASKET IS IN PLACE AND THE MAGNETRON MOUNTING SCREWS ARE TIGHTENED SECURELY.

CONTROL PANEL ASSEMBLY REMOVAL

CONTROL PANEL ASSEMBLY

  1. Disconnect the power supply cord and remove outer case.
  2. Open the door and block it open.
  3. Discharge high voltage capacitor.
  4. Disconnect the main wire harness from the control unit.
  5. Remove the one (1) screw holding the control panel assembly to the oven cavity front plate.
  6. Lift up the control panel assembly.
  7. Now, the control panel assembly is free.

CONTROL UNIT

  1. Remove the five (5) screws holding the control unit to the control panel frame.
  2. Remove the control unit from the control panel frame.
  3. Now, the control unit is free.

TIMER KNOB

  1. After removing the control unit, remove the ring holding the timer knob to the control panel.
  2. Release the tab of the timer knob from the hole of the control panel.
  3. Now, the timer knob is free.

warning NOTE:

  1. Before attaching a new timer sheet, wipe off remaining adhesive on the control panel frame surfaces completely with a soft cloth soaked in alcohol.
  2. When attaching the timer sheet to the control panel frame, adjust the upper edge and right edge of the timer sheet to the correct position of control panel frame.
  3. Stick the timer sheet firmly to the control panel frame by rubbing with a soft cloth so not to cause scratches.

OVEN LAMP AND LAMP SOCKET REMOVAL

  1. Disconnect the power supply cord, and remove outer case.
  2. Open the door and block it open.
  3. Discharge high voltage capacitor.
  4. Lift up the oven lamp socket from air intake duct.
  5. Pull the wire leads from the oven lamp socket by pushing the terminal hole of the oven lamp socket with the small flat type screw driver.
  6. Now, the oven lamp socket is free.

    Figure C-1. Oven lamp socket

POSITIVE LOCK CONNECTOR (NO-CASE TYPE) REMOVAL

  1. Disconnect the power supply cord, and remove outer case.
  2. Open the door and block it open.
  3. Discharge high voltage capacitor.
  4. Push the lever of positive lock® connector.
  5. Pull down on the positive lock® connector.

    WHEN CONNECTING THE POSITIVE LOCK® CONNECTORS TO THE TERMINALS, NSTALL THE POSITIVE LOCK® SO THAT THE LEVER FACES YOU.

    Figure C-1. Positive Lock® Connector

ANTENNA MOTOR REMOVAL

  1. Disconnect the power supply cord.
  2. Remove the one (1) screw holding the base plate cover to the baseplate and remove the base plate cover.
  3. Disconnect the wire leads from the antenna motor and remove the one (1) screw holding the antenna motor.
  4. Remove the antenna motor shaft from the antenna motor.
  5. Now, the antenna motor is free.

COOLING FAN MOTOR REMOVAL

REMOVAL

  1. Disconnect the power supply cord and remove outer case.
  2. Open the door and block it open.
  3. Discharge high voltage capacitor.
  4. Disconnect the wire leads from the fan motor.
  5. Remove the one (1) screw holding the capacitor holder to the oven cavity rear plate.
  6. Remove the one (1) screw holding the fan duct to the oven cavity rear plate.
  7. Release the tabs of the capacitor holder from fan duct.
  8. Remove the fan duct from the oven.
  9. Remove the fan blade from the fan motor shaft according to the following procedure.
  10. Hold the edge of the rotor of the fan motor by using a pair of groove joint pliers.

    MAKE SURE THAT ANY PIECES DO NOT ENTER THE GAP BETWEEN THE ROTOR AND THE STATOR OF THE FAN MOTOR. BECAUSE THE ROTOR IS EASY TO BE SHAVEN BY PLIERS AND METAL PIECES MAY BE PRODUCED.
    DO NOT TOUCH THE PLIERS TO THE COIL OF THE FAN MOTOR BECAUSE THE COIL MAY BE CUT OR INJURED.
    DO NOT DISFIGURE THE BRACKET BY TOUCHING WITH THE PLIERS.
  11. Remove the fan blade assembly from the shaft of the fan motor by pulling and rotating the fan blade with your hand.
  12. Now, the fan blade will be free.

    DO NOT RE-USE THE REMOVED FAN BLADE BECAUSE THE HOLE (FOR SHAFT) MAY BE LARGER THAN NORMAL.
  13. Remove the two (2) screws holding the fan motor to the fan duct.
  14. Now, the fan motor is free.

INSTALLATION

  1. Install the fan motor to the fan duct with the two (2) screws.
  2. Install the fan blade to the fan motor shaft according to the following procedure.
  3. Hold the center of the bracket which supports the shaft of the fan motor on the flat table.
  4. Install the fan blade to the shaft of fan motor by pushing the fan blade with a small, light weight, ball peen hammer or rubber mallet.

    DO not hit the fan blade hard when installing because the bracket may be disfigured.
    MAKE SURE THAT THE FAN BLADE ROTATES SMOOTH AFTER INSTALLED.
    MAKE SURE THAT THE AXIS OF THE SHAFT IS NOT SLANTED.
  5. Install the fan duct to the oven cavity rear plate with the one (1) screw.
  6. Insert the tabs of the capacitor holder to the fan duct.
  7. Install the capacitor holder to the oven cavity rear plate with the one (1) screw.
  8. Re-connect the wire leads to the fan motor.

POWER SUPPLY CORD REPLACEMENT

POWER SUPPLY CORD REPLACEMENT

REMOVAL


Figure C-3a. Power Supply Cord Replacement

  1. Disconnect the power supply cord and then remove outer case.
  2. Open the door and block it open.
  3. Discharge high voltage capacitor.
  4. Remove the one (1) screw holding the green wire to the cavity rear plate.
  5. Disconnect the wire leads of the power supply cord from the noise filter.
  6. Release the power supply cord from the oven cavity rear plate.
  7. Now, the power supply cord is free.

REINSTALL

  1. Insert the moulding cord stopper of power supply cord into the square hole of the oven cavity rear plate, referring to the Figure C3b.

    Figure C-3b. Power Supply Cord Replacement
  2. Install the earth wire lead of power supply cord to the cavity rear plate with one (1) screw and tighten the screw.
  3. Connect the wire leads of power supply cord to the noise filter, referring to the Pictorial Diagram.

DOOR SENSING SWITCH/SECONDARY INTERLOCK SWITCH AND MONITOR SWITCH REMOVAL

REMOVAL


Figure C-4. Switches

  1. Disconnect the power supply cord and remove outer case.
  2. Open the door and block it open.
  3. Discharge high voltage capacitor.
  4. Remove the control panel assembly, referring to section of CONTROL PANEL ASSEMBLY REMOVAL.
  5. Disconnect the leads from all switches.
  6. Remove the two (2) screws holding the latch hook to the oven cavity.
  7. Remove the latch hook.
  8. Push the retaining tab outward slightly and remove the switch.

REINSTALL

  1. Re-install each switch in its place. The door sensing switch and monitor switch are in the lower position and the secondary interlock switch is in the upper position.
  2. Re-connect wire leads to each switch. Refer to pictorial diagram.
  3. Secure latch hook (with two (2) mounting screws) to oven flange.
  4. Make sure that the monitor switch is operating properly and check continuity of the monitor circuit. Refer to chapter "Test Procedure" and Adjustment procedure.

DOOR SENSING SWITCH/SECONDARY INTERLOCK SWITCH AND MONITOR SWITCH ADJUSTMENT

Adjustment

  1. Disconnect the power supply cord, and then remove outer case.
  2. Open the door and block it open.
  3. Discharge high voltage capacitor.
    If the door sensing switch, secondary interlock switch and monitor switch do not operate properly due to a misadjustment, the following adjustment should be made.
  4. Loosen the two (2) screws holding latch hook to the oven cavity front flange.
  5. With door closed, adjust latch hook by moving it back and forth, and up and down. In and out play of the door allowed by the upper and lower position of the latch hook should be less than 0.5mm. The vertical position of the latch hook should be adjusted so that the door sensing switch and secondary interlock switch are activated with the door closed. The horizontal position of the latch hook should be adjusted so that the plunger of the monitor switch is pressed with the door closed.
  6. Secure the screws with washers firmly.
  7. Check the operation of all switches. If each switch has not activated with the door closed, loosen screw and adjust the latch hook position.

After adjustment, check the following


Figure C-5. Latch Switch Adjustments

  1. In and out play of door remains less than 0.5mm when in the latched position. First check upper position of latch hook, pushing and pulling upper portion of door toward the oven face.
    Then check lower portion of the latch hook, pushing and pulling lower portion of the door toward the oven face. Both results (play in the door) should be less than 0.5mm.
  1. The door sensing switch and secondary interlock switch interrupt the circuit before the door can be opened.
  2. Monitor switch contacts close when door is opened.
  3. Re-install outer case and check for microwave leakage around door with an approved microwave survey meter. (Refer to Microwave Measurement Procedure.)

DOOR PARTS REMOVAL

REMOVAL

CHOKE COVER

  1. Disconnect the power supply cord.
  2. Open the door slightly.
  3. Insert a putty knife (thickness of about 0.5mm) into the gap between the choke cover and door frame as shown in Figure C-6 to free engaging parts.
  4. Pry the choke cover by inserting a putty knife as shown in Figure C-6
    DOOR PARTS REMOVAL - REMOVAL CHOKE COVER
    Figure C-6. Door Disassembly
  5. Release choke cover from door panel.
  6. Now choke cover is free.
    warning NOTE: When carrying out any repair to the door, do not bend or warp the slit choke (tabs on the door panel assembly) to prevent microwave leakage.
  7. Release two (2) pins of door panel from two (2) holes of upper and lower oven hinges by lifting up.
  8. Remove the one (1) cushion (ferrite) from the lower opening between the door panel and the door frame.
  9. Now, door sub assembly is free from oven cavity.

DOOR PANEL REMOVAL

  1. Remove the four (4) screws holding the door panel to the door frame.
  2. Release door panel from seven (7) tabs of door frame by sliding door panel downward.
  3. Now, the door panel is free.

DOOR HANDLE REMOVAL

  1. Release the latch spring from the tab of the latch angle assembly.
  2. Remove the two (2) screws holding the door handle and the latch angle assembly through the door frame.
  3. Now, door handle is free.

LATCH HEADS REMOVAL

  1. Remove the one (1) screw holding the latch angle assembly to the door frame.
  2. Remove the latch angle assembly together with the latch lever, latch spring and the upper and lower latch heads from the door frame.
  3. Release the latch lever together with the latch spring and the latch heads from the latch angle assembly.
  4. Release the two (2) latch heads from the latch lever.
  5. Now, the upper and lower latch heads are free.

FRONT DOOR GLASS OR SEALER PLATE REMOVAL

(After DOOR PANEL REMOVAL)

  1. Remove the four (4) screws holding the glass stopper U to the door frame and remove the glass stopper U.
  2. Remove the two (2) screws holding the glass stopper R to the door frame and remove the glass stopper R.
  3. Slide the front door glass and the sealer plate left at first and then slide upwards to release them from the tabs holding it.
  4. Now, the front door glass or the sealer plate free.

DOOR CASE REMOVAL

(After DOOR PANEL REMOVAL)

  1. Straighten all tabs of the door case holding the door case to the door frame.
  2. Release door case from the door frame.
  3. Now, the door case is free

warning NOTE: At this moment, the door badge is attached on the door case.

REINSTALL OF THE DOOR

REINSTALL OF THE DOOR - Door Replacement
Figure C-7. Door Replacement

  1. Reinstall all door parts except the choke cover
  2. Catch two (2) pins of door panel on two (2) holes of upper and lower oven hinges.
  3. Insert the one (1) cushion (ferrite) into the lower opening between the door panel and the door frame.
  4. Reinstall choke cover to door panel by pushing.

warning NOTE: After any service to the door;

  1. Make sure that door sensing switch, secondary interlock switch and monitor switch are operating properly. (Refer to chapter "Test Procedures".).
  2. An approved microwave survey meter should be used to assure compliance with proper microwave radiation emission limitation standards. (Refer to chapter "Test Procedures".)

After any service, make sure of the following

  1. Door latch heads smoothly catch latch hook through latch hole sand that latch head goes through center of latch hole.
  2. Deviation of door alignment from horizontal line of cavity face plate is to be less than 1.0mm.
  3. Door is positioned with its face pressed toward cavity face plate.
  4. Check for microwave leakage around door with an approved microwave survey meter. (Refer to Microwave Measurement Procedure.)

warning NOTE: The door on a microwave oven is designed to act as an electronic seal preventing the leakage of microwave energy from oven cavity during cook cycle. This function does not require that door be air-tight, moisture (condensation)-tight or light-tight. Therefore, occasional appearance of moisture, light or sensing of gentle warm air movement around oven door is not abnormal and do not of themselves, indicate a leakage of microwave energy from oven cavity.

ANTENNA MOTOR SHAFT REPLACEMENT

REMOVAL

  1. Disconnect the power supply cord.
  2. Open the door and block it open.
  3. To discharge the high voltage capacitor, wait for 60 seconds.
  4. Remove the antenna motor from the oven cavity bottom plate, referring to "ANTENNA MOTOR REMOVAL".
  5. Remove the ceramic shelf from the oven cavity bottom plate.
  6. Remove the one (1) screw and the one (1) washer holding the antenna holder of the stirrer antenna assembly to the oven cavity bottom plate through the square hole of the stirrer antenna.
    Refer to Figure C-8.
    ANTENNA MOTOR SHAFT REPLACEMENT - REMOVAL
    Figure C-8. Antenna Motor Shaft Removal
  1. Release the antenna holder from the one (1) tab of the oven cavity bottom plate.
  2. Remove the stirrer antenna assembly from the oven cavity bottom plate.
  3. Remove the antenna motor shaft from the hole of the oven cavity bottom plate.
  4. Now, the antenna motor shaft is free.

INSTALLATION

  1. Install the antenna motor shaft into the hole of the oven cavity bottom plate, and turn the flat faces of antenna motor shaft to the left and right side walls of oven cavity (to fit the stirrer antenna holder). Refer to Figure C-9.
    MOTOR SHAFT REPLACEMENT - INSTALLATION - Step 1
    Figure C-9. Direction of Antenna Motor Shaft and Stirrer Antenna Assembly
  2. Set the direction of the stirrer antenna and antenna holder so that the hole of the antenna holder fit to the centre of the stirrer antenna's big blade. Refer to Figure C-9.
  3. Hook the hole of the antenna holder on the tab of the oven cavity bottom plate. Refer to Figure C-10.
    MOTOR SHAFT REPLACEMENT - INSTALLATION - Step 2
    Figure C-10. Stirrer Antenna Assembly Installation
  4. Insert the antenna holder into the hole of the oven cavity bottom plate and fit the hole of the antenna holder with an antenna motor shaft. Refer to Figure C-10.
  5. Install the antenna holder to the oven cavity bottom plate with the one (1) screw and the one (1) washer. Refer to Figure C-8.
  6. Install the antenna motor to the oven cavity bottom plate with one (1) screw. Refer to Figure C-8.
  7. Connect the wire leads to the antenna motor, referring to the pictorial diagram.
  8. Install the base plate cover to the base plate with one (1) screw.
  9. Install the ceramic shelf to the oven cavity bottom plate. Refer to"INSTALLATION OF CERAMIC SHELF".

INSTALLATION OF CERAMIC SHELF

  1. Disconnect the power supply cord.
  2. Open the door and block it open.
  3. Make sure that the smooth surface of the ceramic shelf face up.
  4. Make sure that the rubber packing without a fin of the ceramic shelf faces the front of the oven.
    warning NOTE: The three (3) rubber packings with the fins and the one (1) rubber packing without a fin are attached to the four (4) edges of the ceramic shelf. The one (1) rubber packing without a fin is the front edge of the ceramic shelf.
  5. Put the front edge of the ceramic shelf into the front edge of the oven cavity bottom plate.
  6. Push down the rear edge of the ceramic shelf into the oven cavity bottom plate.
  7. Now, the ceramic shelf is installed.

    Make sure that the rubber packing is not caught between the oven door and the oven cavity front plate, to avoid possible exposure to excessive microwave energy.

CIRCUIT DIAGRAMS

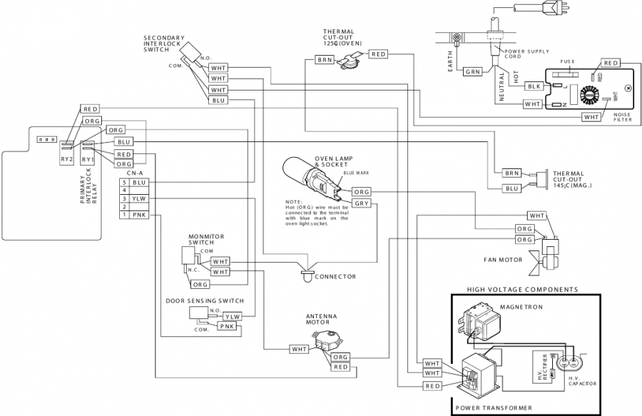
Pictorial Diagram

(Figure S-1)

CIRCUIT DIAGRAMS - Pictorial Diagram
Figure S-1. Pictorial Diagram

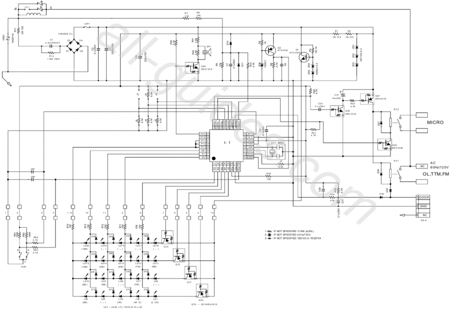
Control Panel Circuit

(Figure S-2)

CIRCUIT DIAGRAMS - Control Panel CircuitFigure S-2. Control Panel Circuit

Printed Wiring Board

(Figure S-3)

CIRCUIT DIAGRAMS - Printed Wiring Board
Figure S-3. Printed Wiring Board

PARTS LIST

HOW TO ORDER REPLACEMENT PARTS

To have your order filled promptly and correctly, please furnish the following information.

  1. MODEL NUMBER
  2. REF. NO.
  3. PART NO.
  4. DESCRIPTION

LIGHT DUTY COMMERCIAL MICROWAVE OVEN
MODEL R-21LCF

Parts marked "*" may cause undue microwave exposure.
Parts marked " " are used in voltage more than 250V.

PARTS LIST

OVEN PARTS

OVEN PARTS - Part 1

OVEN PARTS - Part 2
OVEN PARTS - Part 3

DOOR AND CONTROL PANEL PARTS

DOOR AND CONTROL PANEL PARTS - Part 1
DOOR AND CONTROL PANEL PARTS - Part 2

INDEX

INDEX

SAFETY PRECAUTIONS

In the interest of user-safety the oven should be restored to its original condition and only parts identical to those specified should be used.


TO SERVICE PERSONNEL: Microwave ovens contain circuitry capable of producing very high voltage and current, contact with following parts may result in a severe, possibly fatal, electrical shock. (High Voltage Capacitor, High Voltage Power Transformer, Magnetron, High Voltage Rectifier Assembly, High Voltage Harness etc..)

PRECAUTIONS TO BE OBSERVED BEFORE AND DURING SERVICING TO AVOID POSSIBLE EXPOSURE TO EXCESSIVE MICROWAVE ENERGY

  1. Do not operate or allow the oven to be operated with the door open.
  2. Make the following safety checks on all ovens to be serviced before activating the magnetron or other microwave source, and make repairs as necessary:
    1. interlock operation,
    2. proper door closing,
    3. seal and sealing surfaces (arcing, wear, and other damage),
    4. damage to or loosening of hinges and latches,
    5. evidence of dropping or abuse.
  3. Before turning on microwave power for any service test or inspection within the microwave generating compartments, check the magnetron, wave guide or transmission line, and cavity for proper alignment, integrity, and connections.
  4. Any defective or misadjusted components in the interlock, monitor, door seal, and microwave generation and transmission systems shall be repaired, replaced, or adjusted by procedures described in this manual before the oven is released to the own. er
  5. A microwave leakage check to verify compliance with the Federal Performance Standard should be performed on each oven prior to release to the owner.

BEFORE SERVICING

Before servicing an operative unit, perform a microwave emission check as per the Microwave Measurement Procedure outlined in this service manual.

If microwave emissions level is in excess of the specified limit, contact SHARP ELECTRONICS CORPORATION immediately @1-800-237-4277.

If the unit operates with the door open, service person should

  1. tell the user not to operate the oven and
  2. contact SHARP ELECTRONICS CORPORATION and Food and Drug Administration's Center for Devices and Radiological Health immediately.

Service personnel should inform SHARP ELECTRONICS CORPORATION of any certified unit found with emissions in excess of 4mW/cm2 . The owner of the unit should be instructed not to use the unit until the oven has been brought into compliance.

Documents / Resources

Download manual

Here you can download full pdf version of manual, it may contain additional safety instructions, warranty information, FCC rules, etc.

Download Sharp R-21LCF Manual

Advertisement

Need help?

Need help?

Do you have a question about the R-21LCF and is the answer not in the manual?

Questions and answers

Table of Contents