Advertisement

This manual is your resource for the use and care of your product. Please read it before using your appliance. Keep it handy for quick reference. If something doesn't seem right, the troubleshooting section will help you with common issues.
FAQs, helpful tips and videos, cleaning products, and kitchen and home accessories are available at www.frigidaire.com.
We are here for you! Visit our website, chat with an agent, or call us if you need help. We may be able to help you avoid a service visit. If you do need service, we can get that started for you.
Let's make it official! Be sure to register your product.
Keep your product info close so it's easy to find.
| | This symbol shows that this appliance used a flammable refrigerant. If the refrigerant is leaked and exposed to an external ignition source, there is a risk of fire. |
| | This symbol shows that the operation manual should be read carefully. |
| | This symbol shows that a service personnel should be handling this equipment with reference to the installation manual. |
| | This symbol shows that information is available such as the operating manual or installation manual. |


In the Cool Mode the appliance must be placed close to a window or opening so that the warm exhaust air can be ducted outside.
First position the unit on a flat surface, and make sure it is within the vicinity of a single circuit outlet power source. Make sure there's a minimum of 31.5" clearance in the front/back of the unit, and a minimum of 19.7" clearance in the left/right sides of the unit.


*Note: Refer to the Quick Start Guide that came with your Smart Air Conditioner for detailed instructions on setting up your air conditioner for connected operation from your smart phone or tablet.
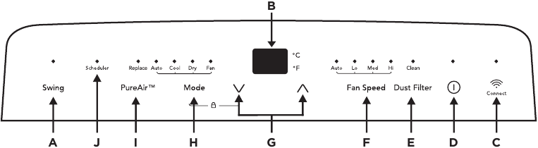
Press the "
" button to turn the unit ON.
The unit will run in "Cool" mode with a set temperature of 72°F.
Press the "
" or "
" button to choose the temperature in a range of 60°F - 90°F (16°C - 32°C).

Press the "Mode" button until the Cool mode indicator lights up.
Press the "fan speed" button to choose the fan speed according to the illumination of the fan speed indicator.
You can choose the "Auto", "Lo", "Med", or "Hi" fan speed setting.
Press the "
" or "
" button to choose the temperature you want.

Press the "Mode" button until the Dry mode indicator lights up. In this mode, the "
" or "
" button is disabled and the screen displays the room temperature. The unit will continuously drain moisture from the room.
Note: In this mode, the fan speed will be automatically set to "Lo", which cannot be changed.
In this mode, condensate drainage is required, refer to the "Drainage Instructions" for more instructions to drain the excess condensate.

Press the "Mode" button until the Fan mode indicator lights up.
In this mode, you can select fan speed "Lo", "Med", or "Hi".
In this mode, the "
" or "
" button is disabled and the screen displays the room temperature.
Note: In this mode, the air exhaust hose does not need to be connected.

Press the "Mode" button until the Auto mode indicator lights up.
Press the "
" or "
" button to choose the temperature you want. The screen will display the temperature setting.
In this mode, the unit will automatically select cooling, or fan only operation depending on what temperature you have selected and the room temperature. The air conditioner will control room temperature automatically around the temperature point set by you.
Note: In this mode, the unit will run in Auto fan speed and cannot be changed.

Press the "Swing" button to enable louver swing function, the swing indicator will illuminate and the louver on the top panel will swing up and down. Press this button again to disable the louver swing function.

When the unit is in Cool or Auto mode, you can press the "Sleep" button on remote control to make the unit run in Sleep mode.
In this mode, the fan speed will automatically set to "Auto", which cannot be changed.
In Cool mode the selected temperature will increase by 2°F 30 minutes after the mode is selected. The temperature will then increase by another 2°F for an additional 30 minutes. This new temperature will be maintained for 7 hours before it returns to the originally selected temperature. This ends the "Sleep" mode and the unit will continue to operate as originally programmed.
The Sleep mode program can be cancelled at any time during operation by pressing the "Sleep", "Mode", "Fan speed" or "
" button.
Note: In Fan or Dry mode, Sleep mode cannot be set.
During Sleep mode the brightness of the indicators will reduce by half.

This feature is a reminder to clean the Air Filter (See Care and Cleaning) for more efficient operation.
The "Clean" indicator will illuminate after 250 hours of fan operation. Press and hold the "Dust Filter" button for 3 seconds to reset, after cleaning the filter.

This feature is a reminder to replace the Advance Filter (not included, sold separately) for more efficient operation.
The "Replace" indicator will illuminate after 4000 hours of fan operation. Press and hold the "PureAir™" button for 3 seconds to reset, after replacing the advanced filter.

Press and hold the Mode and "
" button for 3 seconds to activate the Child Lock mode. In this mode, the unit's setting cannot be changed by pressing the buttons on control panel.
The display will show "LC" for 5 seconds then return to the normal display. Press and hold the Swing and Sleep button for another 3 seconds to quit this mode.
Note: After the child lock feature activated the setting can still be changed by remote control or app.

Press the "
" and "
" button at the same time for more than 3 seconds to switch between degrees Fahrenheit and degrees Celsius.
Note: Under Dry/Fan mode, you cannot select °F/°C.
The unit is equipped with an internal air cleaning device called an ionizer. This feature can be activated and deactivated by pressing and holding the "Swing" button for 2 seconds or via the Frigidaire app, which can be downloaded onto your smart phone device. By activating this function, the ionizer will generate ions into the air, attracting and removing impurities from the air. This provides cleaner, healthier air to breathe.

Remove the cover at the back of the remote control.
Insert the provided batteries correctly (see the instructions inside the battery compartment).
Close up the cover.

To replace the old batteries(which have been used up) with two new R03 "AAA" 1.5V batteries, repeat the steps above.
If the remote control unit is replaced or discarded, the batteries must be removed and disposed of in accordance with local legislation as they do harm to the environment.
Do not mix old and new batteries.
Do not mix alkaline, standard (carbon-zinc) or rechargeable (nickel-cadmium) batteries.
Do not dispose of batteries in fire. Batteries may explode or leak. If the remote control is not used for a long time, remove the batteries from the remote control.
The remote control must be handled with extreme care. Do not drop it or expose it to direct sunlight or sources of heat.
Point the remote control at the location of the signal receiver. The remote control must be no more than 16 ft (5 meters) away from the unit (without obstacles between the remote control and the unit).

Plug in the unit, then press the "on·off" button.
When turned on, the unit will operate according to the last settings before shutdown.
To switch the unit off, press "on·off" button again, then remove the plug.
Do NOT switch the unit off by removing the plug. Always switch the unit off by pressing the "on·off" button and wait for few minutes before removing the plug.
Press the "mode" button until the left side of LCD screen displays "cool".
Press the "speed" button to choose the fan speed "auto", "high", "mid", and "low".
Press the "
" and "
" button to choose the temperature you want.

Press the "mode" button until the left side of LCD screen displays "dry".
In this mode, the "
" or "
" button is disabled and the screen will remain blank.
The unit will continuously drain moisture from the room.
Note:
In this mode, the fan speed will be set as "low" automatically, which cannot be changed.
In this mode, condensate drainage is required, refer to the "Drainage Instructions" for more instructions to drain the excess condensate.

Press the "mode" button until the left side of LCD screen displays "fan".
In this mode, you can select fan speed "high", "mid", "low" by pressing the Fan speed button and referring to the diagram.
Note: In this mode, the air exhaust hose does not need to be connected.

Press the "mode" button until the left side of LCD screen displays "auto".
Press the "
" and "
" button to choose the temperature you want.
In this mode, the unit will automatically select cooling, heating (not applicable for cooling only models), or fan only operation depending on what temperature you have selected and the room temperature. The air conditioner will control room temperature automatically round the temperature point set by you.
Note: In this mode, fan speed cannot be selected.

Press the "swing" button to enable louver swing function, and the upper side of screen will display "
". The louver on the top panel will swing up and down. Press this button again to disable the louver swing function.

When the unit is in Cool, Heat or Auto mode, you can press the "sleep" button to make the unit run in Sleep mode. In this mode, the fan speed will be set as "Auto" automatically, which cannot be changed.
In Cool/Heat mode the selected temperature will increase/decrease by 2°F 30 minutes after the mode is selected. The temperature will then increase/decrease by another 2°F after an additional 30 minutes. This new temperature will be maintained for 7 hours before it returns to the originally selected temperature. This ends the "Sleep" mode and the unit will continue to operate as originally programmed.
The "Sleep" mode program can be cancelled at any time during operation by pressing the "Sleep", "mode", "fan speed" or "on·off" button.
Note: In Fan or Dry mode, Sleep mode cannot be set.

Press the "
" and "
" button at the same time for more than 3 seconds to switch between degrees Fahrenheit and degrees Celsius.
Note: Under Dry/Fan mode, you cannot select °F/°C.

Plug in the unit, so the unit turns to standby.
Press the "timer" button, when the unit is off. The screen will display "timer" and "h", and "on" will flash. Tap or hold the UP arrow "
" or the DOWN arrow "
" to change delay start timer at 0.5 hour increments up to 10 hours, then at 1 hour increments up to 24 hours. After 3 seconds, the timer function is enabled, then "on" will stop flashing, the display will show the temperature and the control will count down the time remaining until startup. The unit will start up in the mode as previously set.
To cancel the setting, press the "timer" button again. You can also cancel the setting by pressing the "on·off" button.

You can delay shutdown when the unit is on.
Press the "timer" button, when the unit is on.
The screen will display "timer"and "h", and "off" will flash. Tap or hold the UP arrow "
" or the DOWN arrow "
" to change delay shutdown timer at 0.5 hour increments up to 10 hours, then at 1 hour increments up to 24 hours. After 3 seconds, the timer function is enabled, then "off " will stop flashing, the display will show the temperature and the control will count down the time remaining until shutdown.
To cancel the setting, press the "timer" button again. You can also cancel the setting by pressing the "on·off" button.


If the screen on the unit displays "AS", the room temperature sensor has failed. Contact your Authorized Frigidaire Service Center.

If the display reads "E4", the communication between display PCB and main control PCB is faulty. Contact your Authorized Frigidaire Service Center.

If the screen on the unit displays "ES", the pipe temperature sensor has failed. Contact your Authorized Frigidaire Service Center.

Emptying the condensate residue inside the unit for the P1 message or during winter storage. Refer to the "Drainage Instructions" for more instructions to drain the successive condensate. If error repeats, contact your Authorized Frigidaire Service Center.
During the Dry mode, you will need a garden hose (sold separately) to drain the condensate from the unit. Follow the steps below:
NOTE:
Put a drip tray (not supplied) under the continuous drain outlet, then unscrew the drain cap to allow the condensate to flow into the drip tray. Replace the drain cap to the continuous drain outlet when no condensate flows out.
Put the drip tray under the bottom drain outlet, then remove the rubber stopper from the drain outlet, to allow the condensate to flow into the drip tray. If your drip tray can't hold all the condensate, a number of fills will be needed.
Replace the drain cap to the bottom drain outlet when no condensate flows out.

Note: To ensure all condensate residue has been removed, tilt the unit by lifting it slightly upwards from the front until no more condensate comes out from the drain outlet.
Clean your air conditioner occasionally to keep it looking new. Be sure to unplug the unit before cleaning to prevent shock or fire hazards.
The cabinet and front may be dusted with an oil-free cloth or washed with a cloth dampened in a solution of warm water and mild liquid dishwashing detergent.
Never use harsh cleaners, wax or polish on the cabinet front.
Be sure to wring excess water from the cloth before wiping around the controls. Excess water in or around the controls may cause damage to the air conditioner.
To keep your air conditioner working efficiently, you should clean the filters every week of operation.
This unit has two filters, they are filter A and B. Grasp the upper panel tab and take off the filter A which behind the grill of the back panel (Fig.25). Remove the lower filter B by loosening the screw. Take down the air inlet grille, then remove the air filter as shown in Fig.25.

Wash the filter using liquid dishwashing detergent and warm water.
Rinse filter thoroughly. Gently shake excess water from the filter. Be sure filter is thoroughly dry before replacing. Or, instead of washing you may vacuum the filter clean.
Replace the filter after the filter is dry.
If the air conditioner will not be used for an extended period of time:
Before using the air conditioner again:
Before calling for service, review this list. It may save you time and expense. This list includes common occurrences that are not the result of defective workmanship or materials in this appliance.
| OCCURRENCE | SOLUTION |
| Air conditioner will not operate. |
|
| Air from unit does not feel cold enough. |
|
| Air conditioner cooling, but room is too warm - ice forming on cooling coil behind decorative front |
|
| Air conditioner cooling, but room is too warm - NO ice forming on cooling coil behind decorative front. |
|
| Air conditioner turns on and off rapidly. |
|
| Noise when unit is cooling. |
|
| Room too cold. |
|
| Room too hot. |
|
If These Solutions Fail, Call 1-800-944-9044(US)/1-800-265-8352(Canada) For Frigidaire Service.
| |
| For Your Safety Do not store or use gasoline or other flammable vapors and liquids in the vicinity of this or any other appliance. Read product labels for flammability and other warnings. |
| |
| Prevent Accidents To reduce the risk of fire, electrical shock, or injury to persons when using your air conditioner, follow basic precautions, including the following:
|
| |
| Electrical Information The complete electrical rating of your new portable air conditioner is stated on the serial plate. Refer to the rating when checking the electrical requirements.
|
| |
| Avoid fire hazard or electric shock. Do not use an extension cord or an adaptor plug. Do not remove any prong from the power cord. Grounding type wall receptacle NOTE: The power supply cord with this air conditioner contains a current detection device designed to reduce the risk of fire. Please refer to the section 'Operation of Current Device' for details. In the event that the power supply cord is damaged, it cannot be repaired. It must be replaced with a cord from the product manufacturer. |
| |
| Avoid Serious Injury or Death
|
| |
| Avoid Injury or damage to the unit or other property
|
| |
| FOR FLAMMABLE REFRIGERANT
NOTE Examples of leak detection fluids are
If a leak is suspected, all naked flames shall be removed/extinguished. If a leakage of refrigerant is found contact local manufacturer to replace unit. |
READ THIS SECTION BEFORE ATTEMPTING TO OPERATE AIR CONDITIONER.
Unit must be upright for one hour prior to operating.
The unit should be operated in a temperature range of 60°F - 95°F (16°C - 35°C). Performance may be reduced outside of these operating temperatures.
The power supply cord contains a current device that senses damage to the power cord. To test your power supply cord do the following:
Plug in & press RESET



Here you can download full pdf version of manual, it may contain additional safety instructions, warranty information, FCC rules, etc.
Advertisement

















Need help?
Do you have a question about the FHPW142AC1 and is the answer not in the manual?
Questions and answers