Kenwood DMX5020S Manual
Also See for DMX5020S:

Advertisement

Kenwood DMX5020S Manual

Basic Operations

Functions of the Buttons on the Front Panel
Functions of the Buttons on the Front Panel

NOTE

  • The panels shown in this guide are examples used to provide clear explanations of the operations. For this reason, they may be different from the actual panels.
Name
  • Motion
1 Remote Sensor
  • Receives the remote control signal.
2 (VOL)
  • Adjusts volume. The volume will go up until 15 when you keep pressing .
3 HOME
  • Displays the HOME screen.
  • Pressing for 1 second turns the power off.
  • When the power off, turns the power on.
4 MENU
  • Displays the MENU screen.
  • Pressing for 1 second turns the screen off.
5 VOICE
  • Displays the Voice Recognition screen.
6 Reset
  • If the unit or the connected unit fails to operate properly, the unit returns to initial settings when this button is pressed.

Turning on the Unit
The method of turning on is different depending on the model.

  1. Press the [HOME] button.
    Turning on the Unit
    • The unit is turned on.

To turn off the unit:

  1. Press the [HOME] button for 1 second.
    NOTE
    If it is your first time turning the unit on after installation, it will be necessary to perform Initial setup.

Getting Started

Initial setup
Perform this setup when you use this unit first time.

  1. Set each item as follows.
    Initial setup - Step 1
    • [Language]
      Select the language used for the control screen and setting items. Default is "[British English(en)]".
      1. Touch [Language].
      2. Touch [Language Select].
      3. Select the desired language.
      4. Touch [].
    • [Clock]
      Adjusts clock. For detailed operation, see Calendar/clock settings.
    • [Display]
      Set the image on the screen.
      1. Touch [Display].
      2. Touch [Background].
      3. Select the image.
      4. Touch [].
        For detailed operation, see Instruction Manual.
    • [Camera]
      Set the parameters for the camera.
      1. Touch [Camera].
      2. Set each item and touch [ ].
        For detailed operation, see Instruction Manual.
    • [DEMO]
      Set the demonstration mode. Default is "ON".
      1. Touch [DEMO] and set [ON] or [OFF].
  1. Touch [Finish].
    Initial setup - Step 2

NOTE

  • These settings can be set from the SETUP menu.

Calendar/clock settings

  1. Press the [MENU] button.
    • MENU screen appears.
  2. Touch [].
    Calendar/clock settings - Step 1
    • SETUP Menu screen appears.
  3. Touch [User Interface].
    Calendar/clock settings - Step 2
    • User Interface screen appears.
  1. Touch [Clock Adjust].
    Calendar/clock settings - Step 3
  2. Adjust the date, then adjust the time.
    Calendar/clock settings - Step 4
  3. Touch [Set].

NOTE

  • Deactivate [RDS CT] before adjusting the clock. See Instruction Manual.

Adjusting the volume
To adjust the volume (0 to 40),
Press to increase, and press to decrease.
Holding increases the volume continuously to level 15.

Touch screen operations
To perform operations on the screen, you need to touch, touch and hold, flick or swipe to select an item, display setting menu screen or to change the page, etc.

  • Touch
    Touch the screen gently to select an item on the screen.
  • Touch and hold
    Touch the screen and keep your finger in place until the display changes or a message is displayed.
  • Flick
    Slide your finger quickly to the left or right on the screen to change the page.
    You can scroll the list screen by flicking the screen up/ down.
  • Swipe
    Slide your finger up or down on the screen to scroll the screen.

HOME screen descriptions
Most functions can be performed from the HOME screen.
HOME screen descriptions

  1. Displays the control screen of current source
  2. Current source information
  3. Displays the source selection screen
  4. Short-cut playback source icons

Display the HOME screen

  1. Press the [HOME] button.
    Display the HOME screen
    • HOME screen appears.

Source selection screen descriptions
You can display all playback sources and options on the source selection screen.
Source selection screen descriptions

  1. Changes the playback source. For playback sources, see Select the playback source.
  2. Returns to previous screen.
  3. Displays the SETUP Menu screen.
  4. Displays the Hands Free screen.
    When connecting as Apple CarPlay or Android Auto, it works as a phone provided in Apple CarPlay or Android Auto.

Select the playback source

  1. Touch on the HOME screen. From the screen, you can select the following sources and functions.
  • Switches to the Radio broadcast.
  • Switches to the Apple CarPlay screen from the connected iPhone.
  • Switches to the Android Auto screen from the connected Android smartphone. It is necessary to connect Android smartphone compatible with Android Auto and to set [Mode] to [Android Auto].
  • Switches to the USB Mirroring screen from the connected Android smartphone. It is necessary to connect Android smartphone with "Mirroring OA for KENWOOD" application installed and to set [Mode] to [Mirroring for Android™].
  • Displays the Hands Free screen. When neither Apple CarPlay, Android Auto, nor a Bluetooth Hands-Free phone is connected, displays "[Disconnected]" message in the TEL screen. When connecting as Apple CarPlay or Android Auto, it works as a phone provided in Apple CarPlay or Android Auto.
  • Plays a Bluetooth audio player.
  • Plays files on a USB device.
  • Switches to an external component connected to the AV-IN input terminal.
  • Puts the unit in standby.

Put the unit in standby
Put the unit in standby

  1. Touch on the HOME screen.
  2. Touch [STANDBY].

Source control screen descriptions
There are some functions which can be operated from most screens.
Indicators
Source control screen descriptions


  1. Connected Bluetooth device information.
  2. All sources icon
    Displays all sources.
  3. Secondary screen
  • : The Secondary screen changes every time you touch it. You can also change the Secondary screen by flicking left or right on the screen.
  • Indicators: Displays the current source condition and so on.
    • [MUTE]: The mute function is active.
    • [LOUD]: The loudness control function is on.
  • Sub menu
    • [ ]: Operation when the icon is touched: The first touch darkens the screen, the second touch darkens the screen further, and the third touch restores the screen to its original brightness.
    • []: Displays the Graphic Equalizer screen.
    • []: Displays the APP (Apple CarPlay/ Android Auto) screen.

  1. Touch to display the Hands Free screen.
    When connecting as Apple CarPlay or Android Auto, it works as a phone provided in Apple CarPlay or Android Auto.

MENU screen

  1. Press the [MENU] button.
    MENU screen appears.
  2. Touch to display the MENU screen.
    The contents of the menu are as follows.
    • Displays the SETUP Menu screen.
    • Displays the APP (Apple CarPlay/ Android Auto) screen.
    • Displays the Screen Adjustment screen.
    • Displays the view camera.
    • Displays the source selection screen.
    • Turns the display off.
    • Displays the Audio Control Menu screen.
    • Close the MENU screen.

Turn off the screen

  1. Select on the MENU screen.
    Turn off the screen

To turn on the screen

  1. Touch the display.

List screen
There are some common function keys in the list screens of most sources.
List screen

  1. Displays list type selection window.
  2. Displays music/movie file list.
  3. Text scroll
    Scrolls the displayed text.
  4. etc.
    Keys with various functions are displayed here.
    • : Plays all tracks in the folder containing the current track.
    • : Moves to the upper hierarchy.
  5. Page scroll
    You can change the page to display more items by pressing .
    • : Displays the top or bottom page.
  6. Return
    Returns to previous screen.

NOTE

  • Buttons which cannot be activated from the list screen are not displayed.

USB

Connecting a USB device

  1. Connect the USB device with the USB cable.
  2. Press the [HOME] button.
  3. Touch .
  4. Touch [USB].

Disconnect the USB device

  1. Press the [HOME] button.
  2. Touch .
  3. Touch a source other than [USB].
  4. Detach the USB device.

Usable USB device
You can use a mass-storage-class USB device on this unit.
The word "USB device" appearing in this manual indicates a flash memory device.

USB Basic Operation
Most functions can be controlled from the source control screen and playback screen.
USB Basic Operation

    • : Repeats the current track/folder. Each time you touch the key, repeat mode switches in the following sequence; File repeat (), Folder repeat (), Repeat all ()
    • : Randomly plays all tracks in current folder. Each time you touch the key, random mode switches in the following sequence; File random (), Random off ()
  1. Track information
    Displays the information of the current file.
  2. Operation keys
    • : Searches track/file. For details on search operation, see Instruction Manual.
    • : Searches the previous/next track/ file. Touch and hold to fast forward or fast backward.
    • : Plays or pauses.
    • : Touch to mute or not to mute.

Radio

Radio Basic Operation
Most functions can be controlled from the source control screen.
To enter Radio source, touch [Radio] icon in the source selection screen.

Control screen
Control screen

Open the drawer
Open the drawer

  1. Information display
    Displays the information of the current station:
    Frequency
    Touching [] allows you to switch between Content A and Content B.
    • Content A: PS name, Radio Text, PTY Genre
    • Content B: Radio Text plus, Title Artist
      [Preset#]: Preset number
  2. Seek mode
    Switches the seek mode in the following sequence; [AUTO1], [AUTO2], [MANUAL].
    • [AUTO1]: Tunes in a station with good reception automatically.
    • [AUTO2]: Tunes in stations in memory one after another.
    • [MANUAL]: Switches to the next frequency manually.
  3. Operation keys
    • : Tunes in a station. The method of frequency switching can be changed (see 2 in table).
    • : Touch to mute or not to mute.
  4. Preset list
    • Touch on the right side of the screen to display the Preset list. Touch again to close the list.
    • Recalls the memorized station.
    • When touched for 2 seconds, stores the current receiving station in memory.
  5. Function panel
    Touch on the left side of the screen to display the function panel. Touch again to close the panel.
    • [TI] (FM only): Sets the traffic information mode on. For details, see Instruction Manual.
    • [SETUP] (FM only): Displays the Radio SETUP screen. For details, see Instruction Manual.
    • [AME]: Presets stations automatically. For details, see Instruction Manual.
    • [PTY] (FM only): Searches a program by setting program type. For details, see Instruction Manual.
    • [MONO] (FM only): Select the Monaural reception.
    • [LO.S] (FM only): Turns the Local Seek function on or off.
  6. [FM] [AM]
    Switches the band.
  7. Indicator Items
    • [ST]: A stereo broadcast is being received.
    • [MONO]: The forced monaural function is on.
    • [AF]: The AF search function is on.
    • [LOS]: The Local Seek function is on.
    • [RDS]: Indicates the state of the Radio Data System station when the AF function is on.
      White: Radio Data System is being received. Orange: Radio Data System is not being received.
    • [TI]: Indicates the reception state of traffic information.
      White: TP is being received.
      Orange: TP is not being received.

Memory Operation
Auto memory
You can store stations with good reception in memory automatically.

  1. Touch desired band key.
    Memory Operation - Step 1
  2. Touch on the left side of the screen. Touch [AME].
    A confirmation screen appears.
    Memory Operation - Step 2
  3. Touch [Yes].
    Auto memory starts.

Manual memory
You can store the current receiving station in memory.

  1. Select a station you wish to store in memory.
  2. Touch [FM#] (#: 1-24) or [AM#] (#: 1-12) in which you want to store the station for 2 seconds.

Bluetooth Control

About the cell-phone and
Bluetooth audio player
This unit conforms to the following Bluetooth specifications:
Version
Bluetooth Ver. 4.1
Profile Cell-phone:
HFP (Hands Free Profile)
SPP (Serial Port Profile) PBAP (Phonebook Access Profile) Audio player:
A2DP (Advanced Audio Distribution Profile)
AVRCP (Audio/Video Remote Control Profile)
Sound codec
SBC, AAC

NOTE

  • The units supporting the Bluetooth function have been certified for conformity with the Bluetooth Standard following the procedure prescribed by Bluetooth SIG.
  • However, it may be impossible for such units to communicate with your cell-phone depending on its type.

Register from the Bluetooth device
It is necessary to register the Bluetooth audio player or cell-phone to this unit before using the Bluetooth function.

  1. Turn on the Bluetooth function on your smartphone/cell-phone.
  2. Search the unit ("DMX*****") from your smartphone/cell-phone.
  3. Operate your smartphone/cell-phone according to the displayed messages.
    • Confirm the request on the smartphone/cell-phone.
    • If a PIN code is required, enter the PIN code ("0000").
  4. Press the [MENU] button.
    MENU screen appears.
  5. Touch .
    SETUP Menu screen appears.
    Register from the Bluetooth device - Step 1
  6. Touch [Bluetooth].
    Register from the Bluetooth device - Step 2
    • Bluetooth SETUP screen appears.
  7. Touch [Select Device] in the Bluetooth SETUP screen.
    Register from the Bluetooth device - Step 3
  8. Touch you want to connect.
    Register from the Bluetooth device - Step 4

NOTE

  • If the icon is lighted, it means that the unit will use that device.

To delete the registered Bluetooth device

  1. Touch .
    Confirmation message appears.
    To delete the registered Bluetooth device
  2. Touch [Yes].

Using Hands-Free Unit
You can use telephone function by connecting the Bluetooth telephone to this unit.

NOTE

  • While Apple CarPlay or Android Auto is being connected, Bluetooth Hands-Free function cannot be used. Only Apple CarPlay or Android Auto Hands-Free function can be used.

Make a call

  1. Touch [TEL] / .
    Hands Free screen appears.
    Make a call - Step 1
  2. Select a dialing method.
    Make a call - Step 2
    • Call using call records
    • : Call using the phonebook
    • : Call using the preset number
    • : Call by entering a phone number
    • : Voice Recognition
    • : Bluetooth SETUP

Bluetooth SETUP

  1. Touch [].
    Bluetooth SETUP screen appears.

NOTE

  • The status icons such as battery and antenna displayed may differ from those displayed on the cell-phone.
  • Setting the cell-phone in the private mode can disable the hands-free function.

Call using call records

  1. Touch [].
  2. Select the phone number from the list.
    Call using call records

Call by entering a phone number

  1. Touch [].
  2. Enter a phone number with number keys.
    Call by entering a phone number
  3. Touch .

Call using the preset number

  1. Touch [].
  2. Touch the Name or phone number.
    Call using the preset number

Call using the phonebook

  1. Touch [].
  2. Select the person you want to call from the list.
    Call using the phonebook - Step 1
  3. Select the phone number from the list.
    Call using the phonebook - Step 2

NOTE

  • If no Phonebook has been downloaded, touching [Download Phonebook Now] will start downloading the Phonebook.

Receive a call

  1. Touch to answer a phone call or to reject an incoming call.

NOTE

  • While monitoring the view camera, this screen does not appear even if a call comes in. To display this screen, return the shift knob of car to the driver position.

To end call

  1. While talking, touch .

Operations during a call
Operations during a call

  • Adjust the receiver volume
    Press the or button.
  • Output the dial tone
    Touch [DTMF] to display the tone input screen.
    You can send tones by touching desired keys on the screen.
  • Switching the speaking voice output
    Touching each time switches the speaking voice output between cell-phone and speaker.
  • Call-waiting
    When you receive a call while talking on another call, you can answer the newly received call by touching . The current call is on hold.
    Each time you touch , the caller will change.
    When you touch , the current call will end and switch to the call in hold.

Controlling Audio

You can adjust the various settings such as audio balance or subwoofer level.

  1. Press the [MENU] button.
    MENU screen appears.
  2. Touch .
    Controlling Audio

Controlling General Audio

  1. Press the [MENU] button.
    MENU screen appears.
  2. Touch [].
    Audio screen appears.
  3. Touch [Fader / Balance].
    Controlling General Audio - Step 1
  4. Set each item as follows.
    Controlling General Audio - Step 2
  • [Fader] / [Balance]
    Adjust the volume balance around the touched area.
    [C] and [D] adjust the right and left volume balance.
    [R] and [S] adjust the front and rear volume balance.
  • [Center]
    Clear the adjustment.

Equalizer Control
You can adjust equalizer by selecting the optimized setting for each category.

  1. Press the [MENU] button.
    MENU screen appears.
  2. Touch [].
    Audio screen appears.
  3. Touch [Equalizer].
    Equalizer Control - Step 1
  4. Touch the screen and set the Graphic Equalizer as desired.
    Equalizer Control - Step 2
  • [SW Level]
    Adjusts the subwoofer volume.
  • [ALL SRC]
    Apply the adjusted equalizer to all sources. Touch [ALL SRC] and then touch [OK] on the confirmation screen.
  • Gain level (dotted frame area) Adjust the gain level by touching the each frequency bar.
    You can select frequency bar and adjust its level by [R], [S].
  • [Preset Select]
    Displays the screen to recall the preset equalizer curve.
  • [Initialize]
    The current EQ curve returns to flat.
  • [Memory]
    Saves the adjusted equalizer curve from "[User1]" to "[User3]".
  • [Bass EXT] (Bass Extend Settings)
    When turned on, the frequency lower than 62.5 Hz is set to the same gain level as 62.5 Hz.

Connection/Installation

Before Installation
Before installation of this unit, please note the following precautions.

  • If you connect the ignition wire (red) and the battery wire (yellow) to the car chassis (ground), you may cause a short circuit, that in turn may start a fire. Always connect those wires to the power source running through the fuse box.
  • Do not cut out the fuse from the ignition wire (red) and the battery wire (yellow). The power supply must be connected to the wires via the fuse.

  • Install this unit in the console of your vehicle. Do not touch the metal part of this unit during and shortly after the use of the unit. Metal part such as the heat sink and enclosure become hot.

NOTE

  • Mounting and wiring this product requires skills and experience. For best safety, leave the mounting and wiring work to professionals.
  • Make sure to ground the unit to a negative 12V DC power supply.
  • Do not install the unit in a spot exposed to direct sunlight or excessive heat or humidity. Also avoid places with too much dust or the possibility of water splashing.
  • Do not use your own screws. Use only the screws provided. If you use the wrong screws, you could damage the unit.
  • If the power is not turned ON ("There is an error in the speaker wiring. Please check the connections." is displayed), the speaker wire may have a short-circuit or touched the chassis of the vehicle and the protection function may have been activated. Therefore, the speaker wire should be checked.
  • If your car's ignition does not have an ACC position, connect the ignition wires to a power source that can be turned on and off with the ignition key. If you connect the ignition wire to a power source with a constant voltage supply, such as with battery wires, the battery may be drained.
  • If the console has a lid, make sure to install the unit so that the front panel will not hit the lid when closing and opening.
  • If the fuse blows, first make sure the wires aren't touching to cause a short circuit, then replace the old fuse with one with the same rating.
  • Insulate unconnected wires with vinyl tape or other similar material. To prevent a short circuit, do not remove the caps on the ends of the unconnected wires or the terminals.
  • Connect the speaker wires correctly to the terminals to which they correspond. The unit may be damaged or fail to work if you share the wires or ground them to any metal part in the car.
  • When only two speakers are being connected to the system, connect the connectors either to both the front output terminals or to both the rear output terminals (do not mix front and rear). For example, if you connect the ¢connector of the left speaker to a front output terminal, do not connect the connector to a rear output terminal.
  • After the unit is installed, check whether the brake lamps, blinkers, wipers, etc. on the car are working properly.
  • Do not press hard on the panel surface when installing the unit to the vehicle. Otherwise scars, damage, or failure may result.
  • Reception may drop if there are metal objects near the Bluetooth antenna.

Supplied accessories for installation
Supplied accessories for installation

Installation procedure

  1. To prevent a short circuit, remove the key from the ignition and disconnect the terminal of the battery.
  2. Make the proper input and output wire connections for each unit.
  3. Connect the wire on the wiring harness.
  4. Take Connector B (accessory) on the wiring harness and connect it to the speaker connector in your vehicle.
  5. Take Connector A (accessory ) on the wiring harness and connect it to the external power connector on your vehicle.
  6. Connect the wiring harness connector to the unit.
  7. Install the unit in your car.
  8. Reconnect the terminal of the battery.
  9. Press the reset button.

Installing the unit
NOTE

  • Make sure that the unit is installed securely in place. If the unit is unstable, it may malfunction (eg, the sound may skip).

Japanese cars
Japanese cars

Trim plate

  1. Attach accessory to the unit.

Microphone unit

  1. Check the installation position of the microphone (accessory).
  2. Clean the installation surface.
  3. Remove the separator of the microphone (accessory), and stick the microphone to the place shown below.
  4. Wire the microphone cable up to the unit with it secured at several positions using tape or other desired method.
  5. Adjust the direction of the microphone (accessory) to the driver.
    Fix a cable with a commercial item of tape.

NOTE

  • Swap the clips if necessary.

Removing the trim plate

  1. Use the extraction key (accessory) to lever out the four tabs (two on the left part, two on the right part).
    Removing the trim plate
  2. Pull the trim plate forward.

Connecting wires to terminals
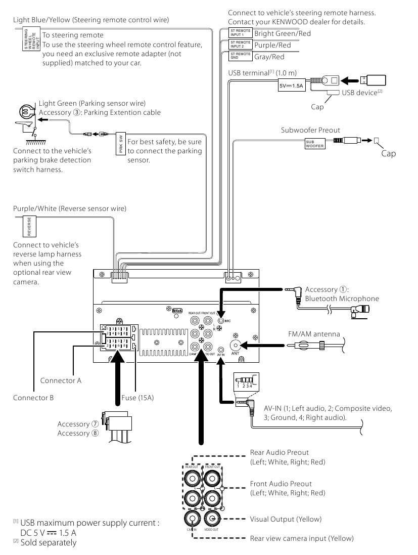
Connecting wires to terminals - Part 1
Connecting wires to terminals - Part 2

Connecting an iPhone/Android
Connecting an iPhone/Android

Specifications

  • Bluetooth section
    Frequency: 2.402 – 2.480 GHz
    RF Output Power (E.I.R.P.)
    : +8 dBm (Avg.), Power Class 1
  • General
    Operating Voltage: 12V DC Car Battery
    Speaker Impedance: 4 – 8 Ω

Specifications subject to change without notice.

Before Use

About the Quick start guide
This Quick Start Guide describes basic functions of this unit.
The Instruction manual is subject to change for modification of specifications and so forth. Be sure to download the latest edition of the Instruction manual for reference.

How to read this manual

  • The screens and panels shown in this manual are examples used to provide clear explanations of the operations.
    For this reason, they may be different from the actual screens or panels used, or some display patterns may be different.
  • Indication language: English indications are used for the purpose of explanation. You can select the indication language from the [SETUP] menu. See Instruction Manual.

Precautions

To prevent injury or fire, take the following precautions:

  • To prevent a short circuit, never put or leave any metallic objects (such as coins or metal tools) inside the unit.
  • Do not watch or fix your eyes on the unit's display when you are driving for any extended period.
  • If you experience problems during installation, consult your KENWOOD dealer.

Precautions on using this unit

  • When you purchase optional accessories, check with your KENWOOD dealer to make sure that they work with your model and in your area.
  • You can select language to display menus, audio file tags, etc. See Instruction Manual.
  • The Radio Data System or Radio Broadcast Data System feature won't work where the service is not supported by any broadcasting station.

Protecting the monitor

  • To protect the monitor from damage, do not operate the monitor using a ball point pen or similar tool with the sharp tip.

Cleaning the unit

  • If the faceplate of this unit is stained, wipe it with a dry soft cloth such as a silicon cloth. If the faceplate is stained badly, wipe the stain off with a cloth moistened with neutral cleaner, then wipe it again with a clean soft dry cloth.

NOTE

  • Applying spray cleaner directly to the unit may affect its mechanical parts. Wiping the faceplate with a hard cloth or using a volatile liquid such as thinner or alcohol may scratch the surface or erase screened print.

How To Reset Your Unit

  • If the unit or the connected unit fails to operate properly, reset the unit. Press the <Reset> button. The unit returns to factory settings.
    How To Reset Your Unit

Model name indication position
See Removing the trim plate

Model name indication position

Documents / Resources

Download manual

Here you can download full pdf version of manual, it may contain additional safety instructions, warranty information, FCC rules, etc.

Download Kenwood DMX5020S Manual

Advertisement

Need help?

Need help?

Do you have a question about the DMX5020S and is the answer not in the manual?

Questions and answers

Table of Contents