Panasonic LX-100 Series Manual
![]()
SPECIFICATIONS
| Type | Cable type | Connector type |
| Model | NPN output | LX-101 | LX-101-Z |
| PNP output | LX-101-P | LX-101-P-Z |
| Sensing distance | 10 ± 3mm |
| Supply voltage | 12 to 24V DC±10% Ripple P-P10% or less |
| Current consumption | Normal mode: 750mW or less (Current consumption 30mA or less at 24V supply voltage) EOC mode: 600mW or less (Current consumption 25mA or less at 24V supply voltage) |
| Teaching input | <NPN output type> Low (ON): 0 to 2V DC Source current 0.5mA or less Input impedance 10kΩ approx. High (OFF): 5V to +V DC, or open | <PNP output type> High (ON): 5V to +V DC Sink current 3mA or less Input impedance 10kΩ approx. Low (OFF): 0 to 0.6V DC, or open |
Output 1 (OUT) | <NPN output type> NPN open-collector transistor - Max. sink current: 50mA (Note 1)
- Applied voltage: 30V DC or less
(between output 1 and 0V) - Residual voltage: 1.5V or less
[at 50mA (Note 1) sink current] | <PNP output type> PNP open-collector transistor - Max. source current: 50mA (Note 1)
- Applied voltage: 30V DC or less
(between output 1 and +V) - Residual voltage: 1.5V or less
[at 50mA (Note 1) source current] |
| Output operation | Mark mode: Light-ON / Dark-ON Auto-setting method on teaching, Color mode: Coincidence-ON / Non-coincidence-ON |
| Short-circuit protection | Incorporated |
Output 2 (Inversion output) (OUT) | <NPN output type> NPN open-collector transistor - Max. sink current: 50mA
- Applied voltage: 30V DC or less
(between output 2 and 0V) - Residual voltage: 1.5V or less
(at 50mA sink current) <PNP output type> PNP open-collector transistor - Max. source current: 50mA
- Applied voltage: 30V DC or less
(between output 2 and +V) - Residual voltage: 1.5V or less
(at 50mA source current) | — |
| Output operation | Inverted operation of the output 1 | — |
| Short-circuit protection | Incorporated | — |
| Response time | Mark mode: 45 μ s or less, Color mode: 150 μ s or less |
| Operation indicator | Orange LED (lights up when output 1 is ON) |
| MODE indicator | 'RUN': Green LED, 'TEACH', 'ADJ', 'COLOR1, 'TIMER', 'PRO': Yellow LED |
| Digital display | 4 digits red LED display |
| Sensitivity setting | Mark mode: 2-level teaching / Full-auto teaching, Color mode: 1-level teaching |
| Fine sensitivity adjustment function | Incorporated |
| Timer function | Incorporated OFF-delay timer / ON-delay timer, switchable either effective or ineffective |
| Protection | IP67 (IEC) |
| Ambient temperature | -10 to +55°C (No dew condensation or icing allowed), Storage: -20 to +70°C |
| Ambient humidity | 35 to 85% RH, Storage: 35 to 85% RH |
| Emitting element | Red / green / blue LED |
| Material | Enclosure: PBT, Display: Polycarbonate, Operation buttons: Silicone rubber, Lens: Glass |
| Cable | 0.2mm2 5-core cabtyre cable, 2m long | — |
| Weight | 120g approx. | 55g approx. |
Notes:
- The connector type LX-101-
-Z is 100mA. - The connecting cable is not supplied as an accessory for the connector type LX-101
-Z. Make sure to use the optional cables with connector below:
CN-24B-C2 (Straight type, 4-core, Cable length: 2m) CN-24BL-C2 (Elbow type, 4-core, Cable length: 2m)
CN-24B-C5 (Straight type, 4-core, Cable length: 5m) CN-24BL-C5 (Elbow type, 4-core, Cable length: 5m)
![Panasonic - LX-100 Series - Connector dimensions Connector dimensions]()
MOUNTING
- Care must be taken regarding the sensor mounting directrion with respect to the object's direction of movement.
Do not make the sensor detect an object in this direction because it may cause unstable operation.
![]()
- The tightening torque should be 0.8N•m or less.
![]()
PART DESCRIPTION
![Panasonic - LX-100 Series - PART DESCRIPTION PART DESCRIPTION]()
I/O CIRCUIT DIAGRAMS
- NPN output type
![Panasonic - LX-100 Series - I/O CIRCUIT DIAGRAMS - NPN output type I/O CIRCUIT DIAGRAMS - NPN output type]()
Notes:
- The output 2 is not incorporated to connector type LX-101
-Z. - The current of the connector type LX-101
-Z is 100mA.
- PNP output type
![Panasonic - LX-100 Series - I/O CIRCUIT DIAGRAMS - PNP output type I/O CIRCUIT DIAGRAMS - PNP output type]()
Notes:
- The inverting output is not incorporated to connector type LX-101
-Z. - The current of the connector type LX-101
-Z is 100mA.
Symbols
Di, D2, D3, D4: Reverse supply polarity protection diode
Zdi, Zd2, Zd 3, Zd 4: Surge absorption zener diode
Tn, Tr 2: NPN output transistor
Tr3, Tr4: PNP output transistor
- Layout of connector pin of connector type LX-101
-Z
OPERATION PROCEDURE
Before performing teaching or each detail setting, perform the setting of either mark mode or color mode with mark / color mode setting of NAVI mode.
- NAVI mode
![Panasonic - LX-100 Series - OPERATION PROCEDURE OPERATION PROCEDURE]()
MARK/COLOR MODE SETTING
- This product enables to select the applicable mark / color mode depending on the using purpose. Before carrying out teaching or each setting, set the mark / color mode in COLOR of NAVI mode.
Since the available functions differ depending on the selected mode, take care when setting mode. (The factory setting of this product is mark mode.)
- Mark mode: Detects incident light intensity at receiving part.
- Color mode: Detects color ratio of the sensing object. This mode can be used when desired to detect a specific color only.
- The mode is selected using either 'ON / SELECT key' or 'OFF / ENTER key'.
![]()
Note: Press 'MODE / CANCEL key' to confirm.
DIRECT CODE DISPLAY
- When MODE indicator / RUN (green) lights up, the direct code is displayed on the digital display by pressing 'MODE / CANCEL key' for more than 2 seconds. (The direct code is turned off when stop pressing the 'MODE / CANCEL key'.) The current setting status can be confirmed at a glance with the direct code.
- Direct code
Note: For details, refer to 'PRO MODE'.
KEY LOCK FUNCTION
- The key operation is locked by pressing both 'MODE / CANCEL key' and 'OFF / ENTER key' for more than 2 seconds simultaneously when MODE indicator / RUN (green) lights up.
- In order to release the key lock, press both 'MODE / CANCEL key' and 'OFF / ENTER key' for more than 2 seconds again.
TEACHING MODE
- The teaching setting can be done when MODE indicator / TEACH (yellow) lights up.
- The applicable teaching for mark mode and color mode is differed in the teaching mode as shown below:
- Mark mode: Sets either 2-level teaching or full-auto teaching.
- Color mode: Sets 1-level teaching
Note: If stable sensing becomes impossible by environmental effect etc., carry out the teaching again.
In case of mark mode
<ln case of 2-level teaching>
- Press 'MODE / CANCEL key' to light up 'MODE indicator / TEACH (yellow)'.
When setting the output to ON with mark, press 'ON / SELECT key' while aligning the beam spot, and when setting the output to OFF, press 'OFF / ENTER key.'
' blinks.
![]()
- Align the beam spot to the base (non-mark area) of the mark to be detected. When 'ON / SELECT key' is pressed at the step 1, press 'OFF / ENTER key, and when 'OFF / ENTER key' is pressed at the step 1, press 'ON / SELECT key'. '
' blinks.
- The threshold value is set at the mid-value between the step 1 and 2.
In case stable sensing is possible: '
' is displayed on the digital display.
In case stable sensing is impossible: '
' is displayed on the digital display.
<ln case of full-auto teaching>
- Press 'MODE / CANCEL key' to light up MODE indicator / TEACH (yellow). In the state where the sensing objects are moving on the assembly line, align the beam spot to the position where the mark on the object passes through.
- When setting the output to on for the side with less incident light intensity, press 'ON / SELECT key', and when setting the output to on for the side with more incident light intensity, press 'OFF / ENTER key' for more than 2 seconds. '
' is displayed, and sampling begins.
- In case stable sensing is possible: '
' is displayed on the digital display.
In case stable sensing is impossible: '
' is displayed on the digital display. Slow down the speed of the assembly line, and carry out the teaching again.
Note: If the output is gained on the opposite side against the side desired to the step 2, carry out the teaching again. In this case, note that, when carrying out the teaching for this measurement, press the different key from the one previously pressed. Besides, since the output 2 (invertion output) is incorporated in the cable type LX-101 □, the output can be inverted. Refer to 'OUTPUT 2' section for the details.
In case of color mode
<ln case of 1-level teaching>
- Press 'MODE / CANCEL key' to light up MODE indicator / TEACH (yellow).
Align the beam spot to the mark to be detected.
- When setting the output to ON with mark, press 'ON / SELECT key', and when setting the output to OFF, press 'OFF / ENTER key'. '
' blinks. - In case stable sensing is possible: '
' is displayed on the digital display.
In case stable sensing is impossible: '
' is displayed on the digital display, and the set¬ ting value is reset to the pre-teaching value.
ADJUST MODE
- The following settings can be done when MODE indicator / ADJ (yellow) lights up.
In case of mark mode: Fine adjustment of threshold value
- The threshold value is fine adjustable using 'ON / SELECT key' or 'OFF / ENTER key'.
In case of color mode: Set judging tolerance
- The judging tolerance setting is the function that can change the judging tolerance with respect to the taught reference color.
- Even if the tolerance is changed, the information of the reference color taught earlier does not change.
- The judging tolerance value increases with 'ON / SELECT key', and decreases with 'OFF / ENTER key'.
Notes:
- Press 'MODE / CANCEL key' to confirm.
- The numerical value indicated in the digital display should be used as a reference.
TIMER OPERATION SETTING MODE
- The setting for whether the timer is used or not can be done when MODE indicator / TIMER (yellow) lights up.
- The initial value of each timer function is 20ms.
- Refer to 'PRO MODE' for the setting delay timer, OFF-delay timer and ON-delay timer
Note: Press 'MODE / CANCEL key' to confirm.
<Time chart>
| | Operation | Sensing condition |
| Timer operation | | ![]() |
| Without timer | Light-ON / coincident ON | ![]() |
| Dark-ON / incoincident ON | ![]() |
| OFF-delay timer | Light-ON / coincident ON | ![]() |
| Dark-ON / incoincident ON | ![]() |
| ON-delay timer | Light-ON / coincident ON | ![]() |
| Dark-ON / incoincident ON | ![]() |
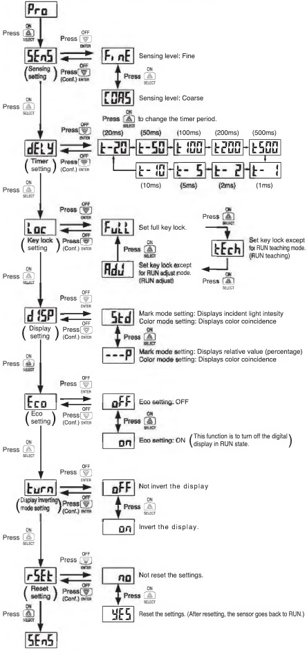
PRO MODE
- The setting for whether PRO is used or not can be done when MODE indicator / PRO (yellow) lights up. For confirming each selected setting item, press 'OFF / ENTER key'. After confirming setting, the digital display flashes.
For canceling setting, press 'MODE / CANCEL key'.
![Panasonic - LX-100 Series - PRO MODE OPERATION PRO MODE OPERATION]()
| Function | Factory setting | Description |
| Sensing setting | ![]() | Sets the sensing level (hysteresis.) |
| Timer setting | ![]() | Sets timer setting period by 9-steps. |
| Key lock setting | ![]() | Selects key lock function. |
| Display setting | ![]() | Selects display method of digital display. |
| Eco setting | ![]() | Sets ON / OFF of eco mode. |
| Display inverting mode setting | ![]() | Changes display direction of digital display. |
| Reset setting | ![]() | Resets to factory setting. |
EXTERNAL TEACHING FUNCTION
- This product incorporates the external teaching function. Take care that the teaching methods for mark mode and color mode differ in the external teaching function.
In case of mark mode
<2-level teaching>
- Align the beam spot to the mark to be detected in 'RUN mode'.
- Input the external signal for 20ms or more in step 1 state. (Do not input the external signal more than 2 sec. continuously.)
- Align the beam spot to the base (non-mark area), and input the external signal for 20ms or more.
![Panasonic - LX-100 Series - 2-level teaching timing chart 2-level teaching timing chart]()
(Timing chart)
<Full-auto teaching>
- Put the object on the assembly line at 'RUN mode' state.
![]()
- When the external signal is input for 2 sec. or more, sampling begins. When sampling finishes, the digital display flashes. If '
' is displayed, slow down the line speed, and carry out the teaching again.
![]()
(Timing chart)
Note: When the full-auto teaching is used, the output operation is set to 'DARK-ON'.
In case of color mode
<1-level teaching>
- Align the beam spot to the mark to be detected in 'RUN mode'.
![]()
- lnput the external signal for 20ms or more in step 1 state.
![]()
![]()
(Timing chart)
OUTPUT 2
(INVERSION OUTPUT) (OUT) (For LX-101 □ type only)
- The LX-101 □ cable type incorporates the output 2 (inversion output) (OUT). For teaching, this function is convenient for inverting logic of LIGHT-ON / DARK-ON (mark-mode), and coincidence-ON / incoincidence-ON (color mode). When the output 2 is used, connect the output wire (output 2) to +V side (0V side for PNP output type). When the output 2 is not used, be sure to insulate it.
ERROR DISPLAY
- Take measurement for the error as shown below:
| Display | Error content | Remedy |
![]() | Shorten the load and flows overcurrent. | Turn off the power supply and check the load. |
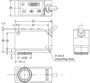
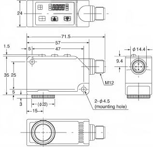
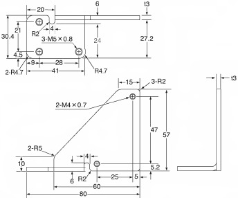
DIMENSIONS
(Unit: mm)
- Cable type / LX-101 □
- Connector type / LX-101 □ -Z
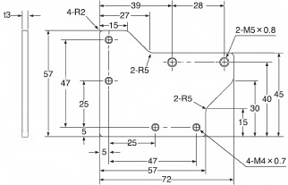
- Sensor mounting bracket / MS-LX-1 (Optional)
![Panasonic - LX-100 Series - DIMENSIONS - MS-LX-1 Sensor mounting bracket DIMENSIONS - MS-LX-1 Sensor mounting bracket]()
- Sensor mounting bracket / MS-LX-2 (Optional)
![Panasonic - LX-100 Series - DIMENSIONS - MS-LX-2 Sensor mounting bracket DIMENSIONS - MS-LX-2 Sensor mounting bracket]()
CAUTIONS
![]()
- Never use this product as a sensing device for personnel protection.
- In case of using sensing devices for personnel protection, use products which meet standards, such as OSHA, ANSI or IEC etc., for personnel protection applicable in each region or country.
- This product has been developed / produced for industrial use only.
- Make sure to carry out wiring in the power supply off condition.
- Take care that wrong wiring will damage the sensor.
- Verify that the supply voltage variation is within the rating.
- Take care that if a voltage exceeding the rated range is applied, or if an AC power supply is directly connected, the sensor may get burnt or damaged.
- In case noise generating equipment (switching regulator, inverter motor, etc.) is used in the vicinity of this product, connect the frame ground (F.G.) terminal of the equipment to an actual ground.
- If power is supplied from a commercial switching regulator, ensure that the frame ground (F.G.) terminal of the power supply is connected to an actual ground.
- Do not use during the initial transient time (0.5 sec.) after the power supply is switched on.
- Take care that short-circuit of the load or wrong wiring may burn or damage the sensor.
- Do not run the wires together with high-voltage lines or power lines or put them in the same raceway. This can cause malfunction due to induction.
- Take care that the sensor is not directly exposed to fluorescent light from a rapid-starter lamp or a high frequency light device or sunlight etc., as it may affect the sensing performance.
- If the surface of the sensing object has a shine, mount the sensor inclining approx. 10 to 15 degrees against the sensing object.
- Do not touch the lens of the sensor by hand directly. If the lens becomes dirty, wipe it off with a soft cloth gently.
- When the inside lens is steamed up, unscrew the lens to get rid of the condensation.
- For LX-101-
-Z, be sure to use the optional cable with connector. - Extension up to total 100m is possible with 0.3mm2, or more, cable. However, in order to reduce noise, make the wiring as short as possible.
- This sensor is suitable for indoor use only.
- Do not use this sensor in places having excessive vapor, dust, etc., or where it may come in direct contact with water, or corrosive gas.
- Take care that the product does not come in contact with water, oil, grease, or organic solvents, such as, thinner, etc.
- Make sure that stress by forcible bend or pulling with 76N, or more, force is not applied to the sensor cable joint.
- This sensor cannot be used in an environment containing inflammable or explosive gases.
- Never disassemble or modify the sensor.
Panasonic Electric Works SUNX Co., Ltd
http://panasonic-electric-works.net/sunx
Overseas Sales Division (Head Office)
2431-1 Ushiyama-cho, Kasugai-shi, Aichi, 486-0901, Japan
Phone: +81-568-33-7861 FAX: +81-568-33-8591
Europe Headquarter: Panasonic Electric Works Europe AG
Rudolf-Diesel-Ring 2, D-83607 Holzkirchen, Germany
Phone: +49-8024-648-0
US Headquarter: Panasonic Electric Works Corporation of America
629 Central Avenue New Providence, New Jersey 07974 USA
Phone: +1-908-464-3550
Documents / Resources
References
Download manual
Here you can download full pdf version of manual, it may contain additional safety instructions, warranty information, FCC rules, etc.
Download Panasonic LX-100 Series Manual
Need help?
Do you have a question about the LX-100 Series and is the answer not in the manual?
Questions and answers