Philips HTS2501/12 Service Manual page 27

Hide thumbs Also See for HTS2501/12:
Table of Contents
8 - 1
8 - 1
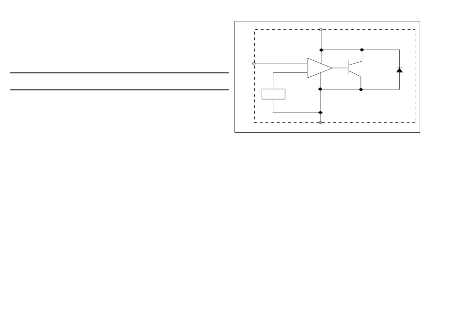
INTERNAL IC DIAGRAM - AZ431
CATHODE
REF
+
-
POWER BOARD
REF
V
ANODE
TABLE OF CONTENTS
Internal IC Diagram ........................................................................... 8-1
Circuit Diagram .................................................................................. 8-2
PCB Layout Top View ....................................................................... 8-3
PCB Layout Bottom View .................................................................. 8-4
Table of Contents
loading
Need help?

Need help?

Do you have a question about the HTS2501/12 and is the answer not in the manual?

This manual is also suitable for:

Hts2501/94Hts2501/98

Table of Contents