Sign In
Upload
Download
Table of Contents
Contents
Add to my manuals
Delete from my manuals
Share
URL of this page:
HTML Link:
Bookmark this page
Add
Manual will be automatically added to "My Manuals"
Print this page
×
Bookmark added
×
Added to my manuals
Manuals
Brands
Philips Manuals
Home Theater System
HTS2501/12
Service manual
Circuit Diagram - Philips Hts2501/12 Service Manual
Hide thumbs
Also See for HTS2501/12
:
Quick start manual
(8 pages)
,
Manual
(20 pages)
1
2
3
4
5
6
7
8
9
10
11
12
13
14
15
16
17
18
19
20
21
22
23
24
25
26
27
28
29
30
31
32
page
of
32
Go
/
32
Contents
Table of Contents
Bookmarks
Table of Contents
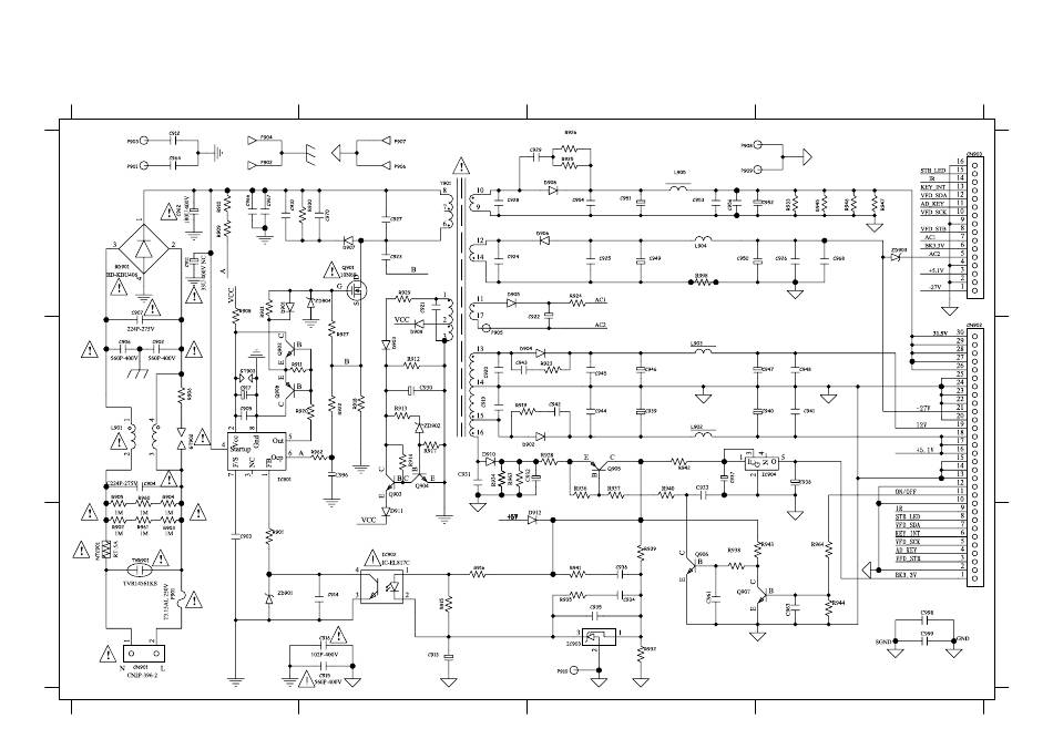
CIRCUIT DIAGRAM
BD901 A1
C907
A1
C916
C2
C930
B2
C938
B4
C902
B1
C910
A1
C917
B1
C932
A3
C939
A3
C903
C1
C912
A1
C922
A3
C933
A3
C940
B4
C904
B1
C913
C2
C925
A3
C934
C3
C941
B4
C905
B1
C914
C2
C926
A4
C935
C3
C942
A3
C906
B1
C915
C2
C929
A3
C936
C3
C943
B2
1
A
B
C
1
8 - 2
C944
A3
C950
A3
C961
C3
C968
A4
D903
B2
C945
A3
C951
A3
C962
A1
CN901 C1
D904
A3
C946
A3
C952
A4
C963
C4
CN902 B4
D905
A2
C947
B4
C953
A3
C964
A1
CN903 A4
D906
A3
C948
B4
C954
A3
C966
A1
D901
A1
D907
A2
C949
A3
C956
A3
C967
A1
D902
A3
D908
A3
2
2
D909
B2
IC901 B1
L902
A3
Q903
B2
R902
C1
D910
B2
IC902 C2
L903
A3
Q904
B2
R903
C1
D911
C2
IC903 C3
L904
A3
Q905
A3
R904
B1
D912
C3
IC903 C3
L905
A3
Q906
C3
R905
B1
F901
C1
IC904 B4
NTC901
C1
Q907
C3
R906
B1
GT902 B1
L901
B1
Q901
A2
R901
C1
R908
A1
3
3
8 - 2
R911
B1
R917
B2
R923
A3
R929
A2
R936
A3
R912
B2
R918
B2
R924
A3
R930
A2
R937
A3
R913
B2
R919
B2
R925
A3
R932
C3
R938
C3
R914
B2
R920
B2
R926
A3
R933
A4
R939
C3
R915
C2
R921
A1
R927
B2
R934
B2
R940
A3
R916
C2
R922
B2
R928
A3
R935
C3
R941
C3
R942
A3
R960
B1
T901
A2
ZD904 A2
R943
C4
R961
C1
C1
TVR901
R944
C4
R962
B2
ZD901 C1
R945
A4
R963
B2
ZD901 C1
R946
A4
R964
C4
ZD902 B2
R947
A4
T901
A2
ZD903 A4
4
A
B
C
4
Table of
Contents
Previous
Page
Next
Page
1
...
25
26
27
28
29
30
31
32
Chapters
English
3
Power Board
27
Table of Contents
Need help?
Do you have a question about the HTS2501/12 and is the answer not in the manual?
Ask a question
Go to Questions and Answers
Related Manuals for Philips HTS2501/12
Home Theater System Philips HTS2501/12 Manual
(20 pages)
Home Theater System Philips HTS2501 Quick Start Manual
(8 pages)
Home Cinema speakers Philips HTS2501/94 Manual
(18 pages)
Home Theater System Philips HTS2500/98 Quick Start Manual
Philips immersive sound home theater quick start guide (8 pages)
Home Theater System Philips HTS2501/98 Quick Manual
Dvd immersive sound home theater (2 pages)
Home Theater System Philips HTS2500/55 Quick Start Manual
Philips immersive sound home theater quick start guide (8 pages)
Home Theater System Philips HTS2500 series Service Manual
Dvd home theater system (32 pages)
Home Theater System Philips HTS2500 Quick Start Manual
(8 pages)
Home Theater System Philips HTS2500/94 Quick Start Manual
Philips home theater system quick start guide (8 pages)
Home Theater System Philips HTS2500/78 Manual Do Usuário
Philips home theater system user manual (27 pages)
Home Theater System Philips HTS2500 Quick Start Manual
(8 pages)
Home Theater System Philips HTS2500/05 Quick Start Manual
Philips immersive sound home theatre hts2500 dvd playback (8 pages)
Home Theater System Philips HTS2500/05 User Manual
Philips immersive sound home theatre hts2500 dvd playback (20 pages)
Home Theater System Philips HTS2500 Quick Start Manual
(31 pages)
Home Theater System Philips HTS2501 Quick Start Manual
(8 pages)
Home Theater System Philips hts2511 Quick Start Manual
Immersive 2000 series (10 pages)
Related Content for Philips HTS2501/12
MCD710 Circuit Diagram
Philips MCD710
HTS6600/37 Circuit Diagram And Pwb Layout
Philips HTS6600/37
HTS3277/12 Circuit Diagram(Part One)
Philips HTS3277/12
HTS3580/93 Circuit Diagram (One)
Philips HTS3580/93
MCD130/93 Circuit Diagram
Philips MCD130/93
HTS6600/05/12 Circuit Diagram And Pwb Layout
Philips HTS6600/05/12
HTS3274 Circuit Diagram
Philips HTS3274
MCD107 Circuit Diagram
Philips MCD107
MCD179/12/58 Circuit Diagram
Philips MCD179/12/58
HTS9140 Circuit Diagram (One)
Philips HTS9140
HTS3373 Circuit Diagram(Part One)
Philips HTS3373
HTS3377/12 Circuit Diagram(Part One)
Philips HTS3377/12
HTS7201 Circuit Diagram
Philips HTS7201
HTS3568 Circuit Diagram
Philips HTS3568
HTS3274/51 Circuit Diagram
Philips HTS3274/51
HTS4561/12 Circuit Diagram
Philips HTS4561/12
This manual is also suitable for:
Hts2501/94
Hts2501/98
Table of Contents
Print
Rename the bookmark
Delete bookmark?
Delete from my manuals?
Login
Sign In
OR
Sign in with Facebook
Sign in with Google
Upload manual
Upload from disk
Upload from URL
Need help?
Do you have a question about the HTS2501/12 and is the answer not in the manual?