Pioneer MVH-MS410BT - Marine Media Receiver Quick Start Guide

Pioneer MVH-MS410BT - Marine Media Receiver Quick Start Guide

Also See for MVH-MS410BT:

Advertisement

Pioneer MVH-MS410BT - Marine Media Receiver Quick Start Guide

If your boat's ignition has no ACC position, some settings are not saved to the memory. To save, detach the front panel or wait for the unit to shut off completely for 10 seconds after turning it off by pressing and holding SRC/OFF (when [ON] is selected in [PW SAVE]), then turn the ignition off.

This guide is intended to guide you through the basic functions of this unit. For details, please refer to the Operation manual stored on the website. https://www.pioneer-car.eu/eur/

To cancel the demonstration display (DEMO OFF), refer to "Canceling the demonstration display (DEMO OFF)".

Before You Start

To ensure proper use, please read through this guide before using this product. It is especially important that you read and observe WARNINGS and CAUTIONS in this guide. Please keep the guide in a safe and accessible place for future reference.


If you want to dispose this product, do not mix it with general household waste. There is a separate collection system for used electronic products in accordance with legislation that requires proper treatment, recovery and recycling.

Private households in the member states of the EU, in Switzerland and Norway may return their used electronic products free of charge to designated collection facilities or to a retailer (if you purchase a similar new one).
For countries not mentioned above, please contact your local authorities for the correct method of disposal. By doing so you will ensure that your disposed product undergoes the necessary treatment, recovery and recycling and thus prevent potential negative effects on the environment and human health.

  • Cool down the unit in advance if your boat has been docked in direct sunlight.
  • Do not leave the front panel or audio devices brought on board inside the boat. Doing so may cause malfunction due to high temperature in direct sunlight.
  • Do not attempt to install or service this product by yourself. Installation or servicing of this product by persons without training and experience in electronic equipment and automotive accessories may be dangerous and could expose you to the risk of electric shock, injury or other hazards.
  • Do not attempt to operate the unit while driving. Make sure to stop your boat in a safe location before attempting to use the controls on the device.

  • Using this unit after your hands have touched sea water may cause rust or malfunction. Please wash your hands thoroughly with clean water before use.
  • Do not allow this unit to come into contact with moisture and/or liquids. Electrical shock could result. Also, damage to this unit, smoke, and overheating could result from contact with liquids.
  • Always keep the volume low enough to hear outside sounds.
  • The Pioneer CarStereo-Pass is for use only in Germany.
  • This product is evaluated in moderate and tropical climate condition under the Audio, video and similar electronic apparatus - Safety requirements, IEC 60065.

If you experience problems
Should this unit fail to work properly, please contact your dealer or nearest authorized PIONEER Service Station.

Connections

  • Warning if your boat's ignition has no ACC position Be sure to set [PW SAVE] to [ON] (for details, refer to the Operation manual). The unit will automatically shut off completely in 10 seconds after turning it off by pressing and holding SRC/OFF to prevent battery drain.

  • When installing this unit in a boat without an ACC (accessory) position on the ignition switch, failure to connect the red cable to the terminal that detects operation of the ignition key may result in battery drain.
  • Use of this unit in conditions other than the following could result in fire or malfunction.
    • Boats with a 12-volt battery and negative grounding.
    • When speaker output is used by 4 channels, use speakers over 50 W (maximum input power) and between 4 Ω to 8 Ω (impedance value). Do not use 1 Ω to 3 Ω speakers for this unit.
    • When rear speaker output is used by 2 Ω of subwoofer, use speakers over 70 W (maximum input power).
      * Please refer to connections for a connection method.
  • To prevent a short-circuit, overheating or malfunction, be sure to follow the directions below.
    • Disconnect the negative terminal of the battery before installation.
    • Secure the wiring with cable clamps or adhesive tape. Wrap adhesive tape around wiring that comes into contact with metal parts to protect the wiring.
    • Place all cables away from moving parts, such as the shift lever and seat rails.
    • Place all cables away from hot places, such as near the heater outlet.
    • Do not connect the yellow cable to the battery by passing it through the hole to the engine compartment.
    • Cover any disconnected cable connectors with insulating tape.
    • Do not shorten any cables.
    • Never cut the insulation of the power cable of this unit in order to share the power with other devices. The current capacity of the cable is limited.
    • Use a fuse of the rating prescribed.
    • Never wire the negative speaker cable directly to ground.
    • Never band together negative cables of multiple speakers.
  • When this unit is on, control signals are sent through the blue/white cable. Connect this cable to the system remote control of an external power amp or the boat's auto-antenna relay control terminal (max. 300mA 12 V DC). If the boat is equipped with a glass antenna, connect it to the antenna booster power supply terminal.
  • Never connect the blue/white cable to the power terminal of an external power amp. Also, never connect it to the power terminal of the auto antenna. Doing so may result in battery drain or a malfunction.
  • The graphical symbol placed on the product means direct current.

This unit

Unit Connections

  1. Power cord input
  2. Microphone input
  3. Microphone 3 m (not waterproof)
  4. Rear output or subwoofer output
  5. Front output
  6. Antenna input
  7. Fuse (10 A)
  8. Wired remote input
    Pioneer marine wired remote control (CD-ME300) can only be connected (sold separately).

Power cord

Perform these connections when not connecting a rear speaker lead to a subwoofer.
Power Cord Connections - Part 1

Perform these connections when using a subwoofer without the optional amplifier.
Power Cord Connections - Part 2

In the case of above, two 4 Ω subwoofers wired in parallel will represent a 2 Ω load.

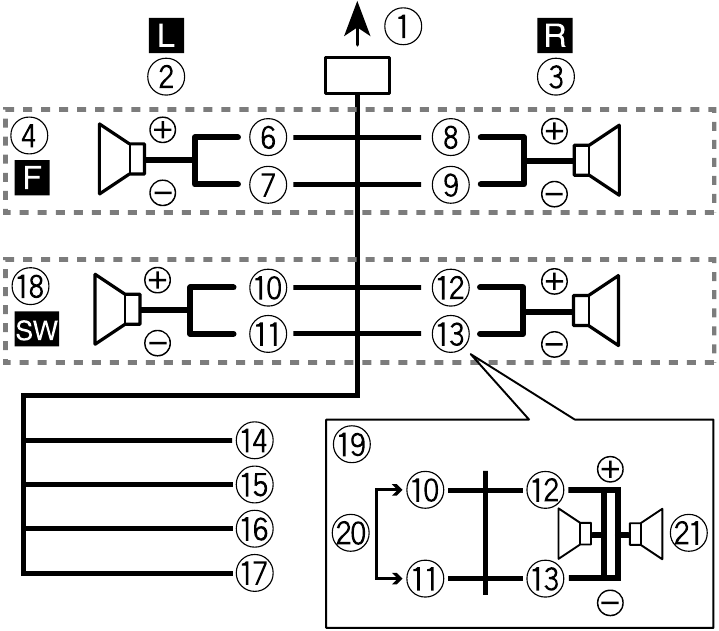
  1. To power cord input
  2. Left
  3. Right
  4. Front speaker
  5. Rear speaker
  6. White
  7. White/black
  8. Gray
  9. Gray/black
  10. Green
  11. Green/black
  12. Violet
  13. Violet/black
  14. Black (chassis ground)
    Connect to a common ground point.
  15. Yellow
    Connect to the constant 12 V supply terminal.
  16. Red
    Connect to terminal controlled by the ignition switch (12 V DC).
  17. Blue/white
    Connect to the system control terminal of the power amp or auto-antenna relay control terminal (max. 300 mA 12 V DC).
  18. Subwoofer (4 Ω)
  19. When using a subwoofer of 2 Ω, be sure to connect the subwoofer to the violet and violet/ black leads of this unit. Do not connect anything to the green and green/black leads.
  20. Not used.
  21. Subwoofer (4 Ω) × 2

Power amp (sold separately)

Perform these connections when using the optional amplifier.
Power Amp Connections

  1. System remote control
    Connect to blue/white cable.
  2. Power amp (sold separately)
  3. Connect with RCA cables (sold separately)
  4. To front output
  5. Front speaker
  6. To rear output or subwoofer output
  7. Rear speaker or subwoofer

Installation

  • To customer:
    This product includes a radio transmitter. According to UNECE Regulation no. 10, vessel manufacturers may impose specific conditions for the installation of radio transmitters into boats. Please check your boat's operation manual or contact the manufacturer or your boat dealer before you install this unit.
  • Carefully select the mounting location to avoid internal damage by water entering the unit. Areas subject to water splashes should be avoided.

  • Check all connections and systems before final installation.
  • Do not use unauthorized parts as this may cause malfunctions.
  • Consult your dealer if installation requires drilling of holes or other modifications to the boat.
  • Do not install this unit where:
    • it may interfere with operation of the boat.
    • it may cause injury to a passenger as a result of a sudden stop.
  • Install this unit away from hot places such as near the heater outlet.
  • Optimum performance is obtained when the unit is installed at an angle of less than 60°.
  • When installing, to ensure proper heat dispersal when using this unit, make sure you leave ample space behind the rear panel and wrap any loose cables so they are not blocking the vents.
    Leave Ample Space when Installing

DIN mount installation

  1. Insert the supplied mounting sleeve into the dashboard.
  2. Secure the mounting sleeve by using a screwdriver to bend the metal tabs (90°) into place.
    DIN Mount Installation
    1. Dashboard
    2. Mounting sleeve
    • Make sure that the unit is installed securely in place. An unstable installation may cause skipping or other malfunctions.

When not using the supplied mounting sleeve

  1. Line up the holes on the mounting bracket with the holes on the sides of the unit to attach the bracket.
    DIN Mount Installation when not Using the Mounting Sleeve - Step 1
  2. Screw in one screw on each side to hold the unit in place.
    DIN Mount Installation when not Using the Mounting Sleeve - Step 2
    1. Tapping screw (5 mm × 9 mm, not supplied with product)
    2. Mounting bracket
    3. Dashboard or console

Using the included bracket

Check to make sure that the included bracket matches your particular model of boat and then attach it to the unit as shown below.
DIN Mount Installation Using the Included Bracket

  1. Screw
  2. Bracket

Removing the unit (installed with the supplied mounting sleeve)

  1. Remove the trim ring.
    Removing the Unit - Step 1
    1. Trim ring
    2. Notched tab
    • Releasing the front panel allows easier access to the trim ring.
    • When reattaching the trim ring, point the side with the notched tab down.
  2. Insert the supplied extraction keys into both sides of the unit until they click into place.
  3. Pull the unit out of the dashboard.
    Removing the Unit - Step 2

Installing the microphone

The microphone should be placed directly in front of the driver at a suitable distance to pick up their voice clearly.

  • Carefully select the mounting location to avoid internal damage by water entering the microphone. Areas subject to water splashes should be avoided.
  • It is extremely dangerous to allow the microphone lead to become wound around the steering column or shift lever. Be sure to install the microphone in such a way that it will not obstruct driving. It is recommended to use the clamps (sold separately) to arrange the lead.
  1. Slide the microphone base to detach it from the microphone clip.
    Installing the Microphone - Step 1
    1. Microphone
    2. Microphone clip
    3. Microphone base
  2. Install the microphone as follows.
    Installing the Microphone - Step 2
    1. Double-sided tape
    2. Clamp (sold separately)

Basic operation

MVH-MS410BT
Basic Operation

About the main menu

You can adjust various settings in the main menu.

  1. Press the M.C. dial to display the main menu.
  2. Turn the M.C. dial to select one of the categories below, then press to confirm.
    • FUNCTION settings
    • AUDIO settings
    • SYSTEM settings
    • ILLUMINATION settings
    • MICROPHONE settings
  3. Turn the M.C. dial to select the options, then press to confirm.

Frequently used operations

Purpose Operation
Turn on the power Press SRC/OFF to turn on the power.
Press and hold SRC/OFF to turn off the power.
Adjust the volume Turn the M.C. dial.
Select a source Press SRC/OFF repeatedly.
Change the display information Press DISP repeatedly.
Return to the previous display/list Press BAND/.
Return to the normal display from the menu Press and hold BAND/.
Change the display brightness Press and hold BAND/.

Setup operation

When you turn the ignition switch to ON after installation, the setup menu appears in the display.

  1. Turn the M.C. dial to select the options, then press to confirm.
    To proceed to the next menu option, you need to confirm your selection.
    Menu Item Description
    LANGUAGE
    [ENG](English),
    [РУС](Russian),
    [TUR](Turkish),
    [FRA](French),
    [DEU](German)
    Select the language to display the text information from a compressed audio file.
    CLOCK SET Set the clock.
    1. Turn the M.C. dial to adjust the hour, then press to confirm.
      The indicator moves to the minute setting automatically.
    2. Turn the M.C. dial to adjust the minute, then press to confirm.
    FM STEP
    [100], [50]
    Select the FM tuning step from 100 kHz or 50 kHz.
  2. [QUIT:YES] appears.
    To return to the first item of the setup menu, turn the M.C. dial to select [QUIT:NO], then press to confirm.
  3. Press the M.C. dial to confirm the settings.

Canceling the demonstration display (DEMO OFF)

  1. Press the M.C. dial to display the main menu.
  2. Turn the M.C. dial to select [SYSTEM], then press to confirm.
  3. Turn the M.C. dial to select [DEMO OFF], then press to confirm.
  4. Turn the M.C. dial to select [YES], then press to confirm.

Tuner operation

Receiving preset stations

  1. Press SRC/OFF to select [RADIO].
  2. Press BAND/ to select the band.
    [FM1] [FM2] [FM3] [MW]/[LW]
  3. Press a number button (1/ to 6/).

Best stations memory (BSM)

  1. After selecting the band, press the M.C. dial to display the main menu.
  2. Turn the M.C. dial to select [FUNCTION], then press to confirm.
  3. Turn the M.C. dial to select [BSM], then press to confirm.

To store stations manually

  1. While receiving the station you want to store, press and hold one of the number buttons (1/ to 6/) until it stops flashing.

USB/iPhone®/AUX operation

(iPhone source is not available when [USB MTP] is set to [ON] in the SYSTEM settings.)

USB/iPhone

  1. Open the USB port cover.
  2. Plug in the USB device/iPhone using an appropriate cable.

MTP connection

A device installed with Android OS 4.0 or most of later versions can be connected to the unit via MTP, using the cable supplied with the Android device. However, depending on the connected device, OS version or the numbers of the files in the device, audio files/songs may not be able to be played back via MTP.

NOTE
If you use an MTP connection, [USB MTP] needs to be set to [ON] in the SYSTEM settings.

AUX

  1. Insert the stereo mini plug into the AUX input jack.
  2. Press SRC/OFF to select [AUX IN] as the source.

Bluetooth connection

Up to two Bluetooth telephones can be connected simultaneously.

  1. Turn on the Bluetooth function of the device.
  2. Select the unit name shown in the device display.
  3. Make sure the same 6-digit number appears on this unit and the device.
  4. Select [YES].

Bluetooth telephone

Basic operations

Purpose Operation
Answer an incoming call Press any button when a call is received.
End a call Press .
Reject an incoming call Press and hold when a call is received.

Activating voice recognition mode

  1. Press and hold and then talk into the microphone to input voice commands.

To exit the voice recognition mode, press BAND/.

Making a connection with Pioneer Smart Sync

Pioneer Smart Sync is the application that intelligently brings your favorite marine application, messages, and music together in the boat.


www.apple.com
play.google.com


Do not attempt to operate the application while driving. Make sure to stop your boat in a safe location before attempting to use the controls on the application.

  1. Enter the SYSTEM menu (refer to "About the main menu").
  2. Turn the M.C. dial to select [APP CONTROL], then press to confirm.
  3. Turn the M.C. dial to select one of the below.
    • Select [WIRED] for the USB connection.
    • Select [BLUETOOTH] for the Bluetooth connection.
  4. Turn the M.C. dial to select [AUTO APP CONN], then press to confirm.
  5. Turn the M.C. dial to select [ON], then press to confirm.
  6. Connect this unit with the mobile device via USB or Bluetooth. Pioneer Smart Sync on the iPhone/Android device starts automatically.

NOTE
Regardless of whether the [AUTO APP CONN] setting is set to [ON] or [OFF], you can also perform the following to start Pioneer Smart Sync.

  • For devices other than the USB-connected Android device, press SRC/OFF to select any source and press and hold the M.C. dial.
  • For iPhone, launch Pioneer Smart Sync on the mobile device.

Listening to Spotify®

(Not available when [USB MTP] is set to [ON] in the SYSTEM settings.)

Update the firmware of the Spotify application to the latest version before use.
Before you start, connect this unit with the mobile device via USB (iPhone only) or Bluetooth.

  1. Enter the SYSTEM menu (refer to "About the main menu").
  2. Turn the M.C. dial to select [APP CONTROL], then press to confirm.
  3. Turn the M.C. dial to select one of the below.
    • Select [WIRED] for the USB connection.
    • Select [BLUETOOTH] for the Bluetooth connection.
  4. Press SRC/OFF to select [SPOTIFY].
  5. Launch the Spotify application on the mobile device and start playback.

Declaration of Conformity with regard to the Radio Equipment Directive 2014/53/EU

Manufacturer:
Pioneer Corporation
28-8, Honkomagome 2-chome, Bunkyo-ku, Tokyo 113-0021, Japan
EU Representative's & Importer:
Pioneer Europe NV
Haven 1087, Keetberglaan 1, 9120 Melsele, Belgium
http://www.pioneer-car.eu

Hereby, Pioneer declares that the radio equipment type [*] is in compliance with Directive 2014/53/EU.
The full text of the EU declaration of conformity is available at the following internet address: http://www.pioneer-car.eu/compliance

[*] MVH-MS410BT

Documents / Resources

References

Download manual

Here you can download full pdf version of manual, it may contain additional safety instructions, warranty information, FCC rules, etc.

Download Pioneer MVH-MS410BT - Marine Media Receiver Quick Start Guide

Advertisement

Need help?

Need help?

Do you have a question about the MVH-MS410BT and is the answer not in the manual?

Questions and answers

Table of Contents