Advertisement

Refer to Safety chapters.
Before you install the hob, write down the serial number from the rating plate. The rating plate is on the bottom of the hob.
Only use the built-in hobs after you assemble the hob into correct built-in units and work surfaces that align to the standards.
If you install the hob under a hood, please see the installation instructions of the hood for the minimum distance between the appliances.

If the appliance is installed above a drawer, the hob ventilation can warm up the items stored in the drawer during the cooking process.

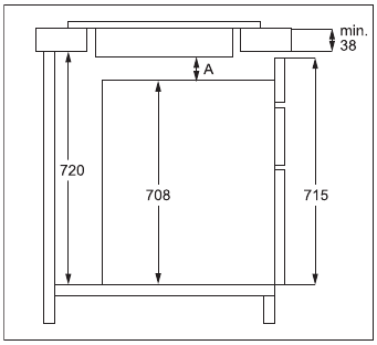
Combination with standard oven

Combination with double oven
A = min. 6 mm, for double ovens from AEG, Electrolux and Zanussi.
A = min. 12 mm, for double ovens from other brands.


Use the sensor fields to operate the appliance. The displays, indicators and sounds tell which functions operate.
| Sensor field | Function | Comment | |
![]() | ![]() | ON / OFF | To activate and deactivate the hob. |
![]() | ![]() | Lock / Child Safety Device | To lock / unlock the control panel. |
![]() | ![]() | Pause | To activate and deactivate the function. |
![]() | - | Heat setting display | To show the heat setting. |
![]() | - | Timer indicators of cooking zones | To show for which zone you set the time. |
![]() | - | Timer display | To show the time in minutes. |
![]() | ![]() | Hob²Hood | To activate and deactivate the manual mode of the function. |
![]() | ![]() | - | To select the cooking zone. |
![]() | ![]() | - | To increase or decrease the time. |
![]() | ![]() | PowerBoost | To activate the function. |
![]() | - | Control bar | To set a heat setting. |
| Display | Description |
![]() | The cooking zone is deactivated. |
![]() | The cooking zone operates. |
![]() | Pause operates. |
![]() | Automatic Heat Up operates. |
![]() | PowerBoost operates. |
+ digit | There is a malfunction. |
![]() | OptiHeat Control (3 step Residual heat indicator): continue cooking / keep warm / residual heat. |
![]() | Lock / Child Safety Device operates. |
![]() | Incorrect or too small cookware or no cookware on the cooking zone. |
![]() | Automatic Switch Off operates. |
As long as the indicator is on, there is a risk of burns from residual heat.
The induction cooking zones produce the heat necessary for the cooking process directly in the bottom of the cookware. The glass ceramic is heated by the heat of the cookware.
The indicators
appear when a cooking zone is hot. They show the level of the residual heat for the cooking zones you are currently using.
The indicator may also appear:
The indicator disappears when the cooking zone has cooled down.
Refer to Safety chapters.
Touch
for 1 second to activate or deactivate the hob.
The function deactivates the hob automatically if:
The relation between the heat setting and the time after which the hob deactivates:
| Heat setting | The hob deactivates after |
, 1 - 2 | 6 hours |
| 3 - 4 | 5 hours |
| 5 | 4 hours |
| 6 - 9 | 1.5 hour |
To set or change the heat setting:
Touch the control bar at the correct heat setting or move your finger along the control bar until you reach the correct heat setting.

Put the cookware on the cross / square which is on the surface that you cook. Cover the cross / square fully. Induction cooking zones adapt to the dimension of the bottom of the cookware automatically. You can cook with the large cookware on two cooking zones at the same time.
Activate this function to get a desired heat setting in a shorter time. When it is on, the zone operates on the highest setting in the beginning and then continues to cook at the desired heating setting.
To activate the function the cooking zone must be cold.
To activate the function for a cooking zone: touch
(
comes on). Immediately touch a desired heat setting. After 3 seconds comes on.
To deactivate the function: change the heat setting.
This function makes more power available to the induction cooking zones. The function can be activated for the induction cooking zone only for a limited period of time. After this time the induction cooking zone automatically sets back to the highest heat setting.
Refer to "Technical data" chapter.
To activate the function for a cooking zone: touch
.
comes on.
To deactivate the function: change the heat setting.
To set the cooking zone: touch
repeatedly until the indicator of a cooking zone appears.
To activate the function or change the time: touch
or
of the timer to set the time (00 - 99 minutes). When the indicator of the cooking zone starts to flash, the time counts down.
To see the remaining time: touch
to set the cooking zone. The indicator of the cooking zone starts to flash. The display shows the remaining time.
To deactivate the function: touch
to set the cooking zone and then touch
. The remaining time counts down to 00. The indicator of the cooking zone disappears.
When the countdown ends, an acoustic signal sounds and 00 flashes. The cooking zone deactivates.
To stop the sound: touch
.
To activate the function: touch
and then touch
or
of the timer to set the time. When the time finishes, an acoustic signal sounds and 00 flashes.
To stop the sound: touch
.
The function has no effect on the operation of the cooking zones.
This function sets all cooking zones that operate to the lowest heat setting.
When the function operates, all other symbols on the control panels are locked.
The function does not stop the timer functions.
Press
to activate the function.
comes on. The heat setting is lowered to 1.
To deactivate the function: press
. The previous heat setting comes on.
You can lock the control panel while cooking zones operate. It prevents an accidental change of the heat setting.
Set the heat setting first.
To activate the function: touch
.
comes on for 4 seconds. The Timer stays on.
To deactivate the function: touch
. The previous heat setting comes on.
When you deactivate the hob, you also deactivate this function.
This function prevents an accidental operation of the hob.
To activate the function: activate the hob with
. Do not set any heat setting. Touch
for 4 seconds.
comes on. Deactivate the hob with
.
To deactivate the function: activate the hob with
. Do not set any heat setting. Touch
for 4 seconds.
comes on. Deactivate the hob with
.
To override the function for only one cooking time: activate the hob with
.
comes on. Touch
for 4 seconds. Set the heat setting in 10 seconds. You can operate the hob. When you deactivate the hob with
the function operates again.
If multiple zones are active and the consumed power exceeds the limitation of the power supply, this function divides the available power between all cooking zones. The hob controls heat settings to protect the fuses of the house installation.
Refer to the illustration for possible combinations in which power can be distributed among the cooking zones.

It is an advanced automatic function which connects the hob to a special hood. Both the hob and the hood have an infrared signal communicator. Speed of the fan is defined automatically on basis of mode setting and temperature of the hottest cookware on the hob. You can also operate the fan from the hob manually.
For most of the hoods the remote system is originally deactivated. Activate it before you use the function. For more information refer to hood user manual.
To operate the function automatically set the automatic mode to H1 – H6. The hob is originally set to H5. The hood reacts whenever you operate the hob. The hob recognizes temperature of the cookware automatically and adjusts the speed of the fan.
| Automatic light | Boiling 1) | Frying 2) | |
| Mode H0 | Off | Off | Off |
| Mode H1 | On | Off | Off |
| Mode H2 3) | On | Fan speed 1 | Fan speed 1 |
| Mode H3 | On | Off | Fan speed 1 |
| Mode H4 | On | Fan speed 1 | Fan speed 1 |
| Mode H5 | On | Fan speed 1 | Fan speed 2 |
| Mode H6 | On | Fan speed 2 | Fan speed 3 |
1) The hob detects the boiling process and activates fan speed in accordance with automatic mode.
2) The hob detects the frying process and activates fan speed in accordance with automatic mode.
3) This mode activates the fan and the light and does not rely on the temperature.
To operate the hood directly on the hood panel deactivate the automatic mode of the function.
When you finish cooking and deactivate the hob, the hood fan may still operate for a certain period of time. After that time the system deactivates the fan automatically and prevents you from accidental activation of the fan for the next 30 seconds.
You can also operate the function manually.
To do that touch
when the hob is active.
This deactivates automatic operation of the function and allows you to change the fan speed manually. When you press
you raise the fan speed by one. When you reach an intensive level and press
again you will set fan speed to 0 which deactivates the hood fan. To start the fan again with fan speed 1 touch
.
To activate automatic operation of the function, deactivate the hob and activate it again.
You can set the hob to activate the light automatically whenever you activate the hob.
To do so set the automatic mode to H1 – H6.
The light on the hood deactivates 2 minutes after deactivating the hob.
Refer to Safety chapters.
For induction cooking zones a strong electro-magnetic field creates the heat in the cookware very quickly.
Use the induction cooking zones with suitable cookware.
Cookware material
Cookware is suitable for an induction hob if:
Cookware dimensions
Refer to "Technical data".
If you can hear:
The noises are normal and do not indicate any malfunction.
The correlation between the heat setting of a zone and its consumption of power is not linear. When you increase the heat setting, it is not proportional to the increase of the consumption of power. It means that a cooking zone with the medium heat setting uses less than a half of its power.
The data in the table is for guidance only.
| Heat setting | Use to: | Time (min) | Hints |
- 1 | Keep cooked food warm. | as necessary | Put a lid on the cookware. |
| 1 - 2 | Hollandaise sauce, melt: butter, chocolate, gelatine. | 5 - 25 | Mix from time to time. |
| 1 - 2 | Solidify: fluffy omelettes, baked eggs. | 10 - 40 | Cook with a lid on. |
| 2 - 3 | Simmer rice and milkbased dishes, heat up ready-cooked meals. | 25 - 50 | Add at least twice as much liquid as rice, mix milk dishes halfway through the procedure. |
| 3 - 4 | Steam vegetables, fish, meat. | 20 - 45 | Add a couple of tablespoons of liquid. |
| 4 - 5 | Steam potatoes. | 20 - 60 | Use max. ¼ l of water for 750 g of potatoes. |
| 4 - 5 | Cook larger quantities of food, stews and soups. | 60 - 150 | Up to 3 l of liquid plus ingredients. |
| 6 - 7 | Gentle fry: escalope, veal cordon bleu, cutlets, rissoles, sausages, liver, roux, eggs, pancakes, doughnuts. | as necessary | Turn halfway through. |
| 7 - 8 | Heavy fry, hash browns, loin steaks, steaks. | 5 - 15 | Turn halfway through. |
| 9 | Boil water, cook pasta, sear meat (goulash, pot roast), deep-fry chips. | ||
![]() | Boil large quantities of water. PowerBoost is activated. | ||
When you operate the hob with the function:
The hood in the picture is only exemplary.
Other remotely controlled appliances may block the signal. Do not use any such appliances near to the hob while Hob²Hood is on.
Cooker hoods with the Hob²Hood function
To find the full range of cooker hoods which work with this function refer to our consumer website.
Refer to Safety chapters.
Refer to Safety chapters.
What to do if
| Problem | Possible cause | Remedy |
| You cannot activate or operate the hob. | The hob is not connected to an electrical supply or it is connected incorrectly. | Check if the hob is correctly connected to the electrical supply. |
| The fuse is blown. | Make sure that the fuse is the cause of the malfunction. If the fuse is blown again and again, contact a qualified electrician. | |
| You do not set the heat setting for 10 seconds. | Activate the hob again and set the heat setting in less than 10 seconds. | |
| You touched 2 or more sensor fields at the same time. | Touch only one sensor field. | |
| Pause operates. | Refer to "Daily use". | |
| There is water or fat stains on the control panel. | Clean the control panel. | |
| An acoustic signal sounds and the hob deactivates. An acoustic signal sounds when the hob is deactivated. | You put something on one or more sensor fields. | Remove the object from the sensor fields. |
| The hob deactivates. | You put something on the sensor field . | Remove the object from the sensor field. |
| Residual heat indicator does not come on. | The zone is not hot because it operated only for a short time or the sensor is damaged. | If the zone operated sufficiently long to be hot, speak to an Authorised Service Centre. |
| Hob²Hood does not work. | You covered the control panel. | Remove the object from the control panel. |
| You use a very tall pot which blocks the signal. | Use a smaller pot, change the cooking zone or operate the hood manually. | |
| Automatic Heat Up does not operate. | The zone is hot. | Let the zone become sufficiently cool. |
| The highest heat setting is set. | The highest heat setting has the same power as the function. | |
| The heat setting changes between two levels. | Power management operates. | Refer to "Daily use". |
| The sensor fields become hot. | The cookware is too large or you put it too near to the controls. | Put large cookware on the rear zones, if possible. |
comes on. | Child Safety Device or Lock operates. | Refer to "Daily use". |
comes on. | There is no cookware on the zone. | Put cookware on the zone. |
| The cookware does not cover the cross / square. | Cover the cross / square fully. | |
| The cookware is unsuitable. | Use suitable cookware. Refer to "Hints and tips". | |
| The diameter of the bottom of the cookware is too small for the zone. | Use cookware with correct dimensions. Refer to "Technical data". | |
and a number come on. | There is an error in the hob. | Deactivate the hob and activate it again after 30 seconds. If comes on again, disconnect the hob from the electrical supply. After 30 seconds, connect the hob again. If the problem continues, speak to an Authorised Service Centre. |
| You can hear a constant beep noise. | The electrical connection is incorrect. | Disconnect the hob from the electrical supply. Ask a qualified electrician to check the installation. |
If you cannot find a solution
If you cannot find a solution to the problem yourself, contact your dealer or an Authorised Service Centre. Give the data from the rating plate. Give also three digit letter code for the glass ceramic (it is in the corner of the glass surface) and an error message that comes on. Make sure, you operated the hob correctly. If not the servicing by a service technician or dealer will not be free of charge, also during the warranty period. The information about guarantee period and Authorised Service Centres are in the guarantee booklet.
Model ZITN844K
Typ 62 D4A 01 AA
Induction 7.35 kW
PNC 949 595 702 01
220 - 240 V / 400 V 2N, 50 - 60 Hz
Made in: Germany
7.35 kW
| Cooking zone | Nominal power (maximum heat setting) [W] | PowerBoost [W] | PowerBoost maximum duration [min] | Cookware diameter [mm] |
| Left front | 2300 | 3200 | 10 | 125 - 210 |
| Left rear | 2300 | 3200 | 10 | 125 - 210 |
| Right front | 2300 | 3200 | 10 | 125 - 210 |
| Right rear | 2300 | 3200 | 10 | 125 - 210 |
The power of the cooking zones can be different in some small range from the data in the table. It changes with the material and dimensions of the cookware.
For optimal cooking results use cookware no larger than the diameter in the table.
| Model identification | ZITN844K | ||||
| Type of hob | Built-In Hob | ||||
| Number of cooking zones | 4 | ||||
| Heating technology | Induction | ||||
| Diameter of circular cooking zones (Ø) | Left front | 21.0 cm | |||
| Left rear | 21.0 cm | ||||
| Right front | 21.0 cm | ||||
| Right rear | 21.0 cm | ||||
| Energy consumption per cooking zone (EC electric cooking) | Left front | 179.6 Wh/kg | |||
| Left rear | 189.1 Wh/kg | ||||
| Right front | 187.3 Wh/kg | ||||
| Right rear | 189.1 Wh/kg | ||||
| Energy consumption of the hob (EC electric hob) | 186.3 Wh/kg | ||||
IEC / EN 60350-2, BS EN 60350-2 - Household electric cooking appliances - Part 2: Hobs - Methods for measuring performance
The energy measurements referring to the cooking area are identified by the markings of the respective cooking zones.
You can save energy during everyday cooking if you follow below hints.
Before the installation and use of the appliance, carefully read the supplied instructions. The manufacturer is not responsible for any injuries or damage that are the result of incorrect installation or usage. Always keep the instructions in a safe and accessible location for future reference.
Only a qualified person must install this appliance.
Risk of injury or damage to the appliance.
Risk of fire and electric shock.
Risk of injury, burns and electric shock.
Risk of fire and explosion
Risk of damage to the appliance.
VISIT OUR WEBSITE TO:
Get usage advice, brochures, trouble shooter, service and repair information: www.zanussi.com/support
zanussi.com\register
Subject to change without notice.

Here you can download full pdf version of manual, it may contain additional safety instructions, warranty information, FCC rules, etc.
Advertisement
.
for 3 seconds. The display comes on and goes off.
for 3 seconds.
a few times until
comes on.
of the Timer to select an automatic mode.
Need help?
Do you have a question about the ZITN844K and is the answer not in the manual?
Questions and answers