Sign In
Upload
Download
Table of Contents
Contents
Add to my manuals
Delete from my manuals
Share
URL of this page:
HTML Link:
Bookmark this page
Add
Manual will be automatically added to "My Manuals"
Print this page
×
Bookmark added
×
Added to my manuals
Manuals
Brands
Acer Manuals
Industrial Equipment
DYNAMIC 2140GH
Operation manual
Electrical Circuit Diagram-Ce Conformity - Acer Dynamic 2140Gh Operation Manual
Hide thumbs
1
Table Of Contents
2
3
4
5
6
7
8
9
10
11
12
13
14
15
16
17
18
19
20
21
22
23
24
25
26
27
28
29
30
31
32
33
34
35
36
37
38
39
40
41
42
43
44
45
46
47
48
49
50
51
52
53
54
55
56
57
58
59
60
61
62
63
64
65
66
67
68
69
70
71
72
73
74
75
76
77
78
79
80
page
of
80
Go
/
80
Contents
Table of Contents
Troubleshooting
Bookmarks
Table of Contents
Advertisement
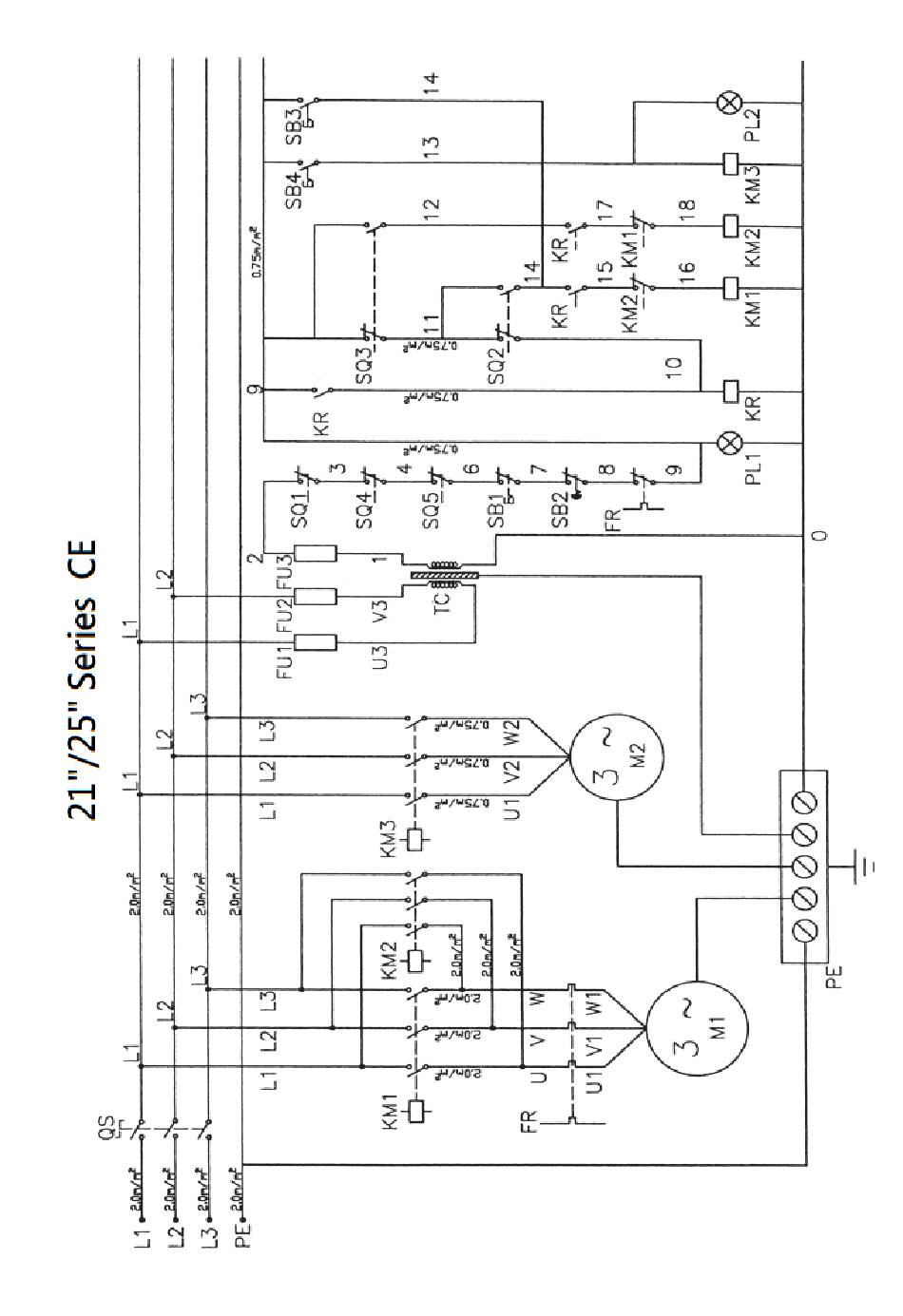
4. ELECTRICAL CIRCUIT DIAGRAM-CE CONFORMITY
09
Table of
Contents
Previous
Page
Next
Page
1
...
14
15
16
17
18
19
20
21
Show Quick Links
Quick Links:
Table of Contents
Safety Ofperation Rules
Lubrication
Gear Box
Hide quick links:
Permanently
Temporary
Cancel
Advertisement
Table of Contents
Need help?
Do you have a question about the DYNAMIC 2140GH and is the answer not in the manual?
Ask a question
Go to Questions and Answers
Related Manuals for Acer DYNAMIC 2140GH
Industrial Equipment Acer Wood Runner Manual
(94 pages)
Related Content for Acer DYNAMIC 2140GH
Wood Runner Safety Circuit Diagram
Acer Wood Runner
This manual is also suitable for:
Dynamic 2180gh
Dynamic 2540gh
Dynamic 2580gh
Dynamic 2160gh
Dynamic 21120gh
Dynamic 2560gh
...
Show all
Dynamic 25120gh
Table of Contents
Print
Rename the bookmark
Delete bookmark?
Delete from my manuals?
Login
Sign In
OR
Sign in with Facebook
Sign in with Google
Upload manual
Upload from disk
Upload from URL
Need help?
Do you have a question about the DYNAMIC 2140GH and is the answer not in the manual?