Sign In
Upload
Download
Table of Contents
Contents
Add to my manuals
Delete from my manuals
Share
URL of this page:
HTML Link:
Bookmark this page
Add
Manual will be automatically added to "My Manuals"
Print this page
×
Bookmark added
×
Added to my manuals
Manuals
Brands
Toshiba Manuals
Air Conditioner
RAV-SM563AT-A
Service manual
Rav-Sm1103At-A, Rav-Sm1403At-A - Toshiba Rav-Sm563At-A Service Manual
Air conditioner split type
Hide thumbs
1
Table Of Contents
2
3
4
5
6
7
8
9
10
11
12
13
14
15
16
17
18
19
20
21
22
23
24
25
26
27
28
29
30
31
32
33
page
of
33
Go
/
33
Contents
Table of Contents
Bookmarks
Table of Contents
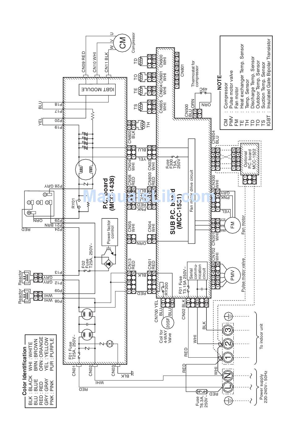
2-2. RAV-SM1103AT-A, RAV-SM1403AT-A
– 8 –
Table of
Contents
Previous
Page
Next
Page
1
...
7
8
9
10
11
12
13
14
Show Quick Links
Quick Links:
Outdoor Unit
Service Manual
Rav-Sm1603At-A
Rav-Sp1104At-A, Rav-Sp1404At-A
Rav-Sp1104At-A, Rav-Sp1404At-A
Rav-Sp1104At-A, Rav-Sp1404At-A
Hide quick links:
Permanently
Temporary
Cancel
Table of Contents
Need help?
Do you have a question about the RAV-SM563AT-A and is the answer not in the manual?
Ask a question
Go to Questions and Answers
Related Manuals for Toshiba RAV-SM563AT-A
Air Conditioner Toshiba RAV-SM1603AT-A Installation Manual
Outdoor unit (16 pages)
Air Conditioner Toshiba RAV-SP1104AT-A Installation Manual
Outdoor unit air conditioner (split type) (16 pages)
Air Conditioner Toshiba RAV-SM563UT-E Service Manual
Split type (195 pages)
Air Conditioner Toshiba RAV-SM563UT-E Service Manual
Air-conditioner split type (195 pages)
Air Conditioner Toshiba RAV-SM563UT-E Service Manual/Integration
Air-conditioner split type (195 pages)
Air Conditioner Toshiba RAV-SM563UT-E Service Manual/Integration
(6 pages)
Air Conditioner Toshiba RAV-SM563AT-E Installation Manual
(116 pages)
Air Conditioner Toshiba RAV-SM563AT-E Installation Manual
(18 pages)
Air Conditioner Toshiba RAV-SM562UT-E Installation Manual
(27 pages)
Air Conditioner Toshiba RAV-SM563UT-E Owner's Manual
(60 pages)
Air Conditioner Toshiba RAV-SM563AT-E Installation Manual
(116 pages)
Air Conditioner Toshiba RAV-SM560XT-E Service Manual
Under ceiling / console type (88 pages)
Air Conditioner Toshiba RAV-SM560AT-E Service Manual
Toshiba hfc r410a split type air conditioners service manual (181 pages)
Air Conditioner Toshiba RAV-SM562KRT-E Installation Manual
(180 pages)
Air Conditioner Toshiba RAV-SM560KRT-E Installation Manual
(132 pages)
Air Conditioner Toshiba RAV-SM564ATJP-E Service Manual
Air-conditioner (split type) (128 pages)
Related Content for Toshiba RAV-SM563AT-A
RAV-GP801AT-TR Rav-Gp801At
Toshiba RAV-GP801AT-TR
RAV-GM802ATW-TR Rav-Gm1102*, Rav-Gm1402*, Rav-Gm1602
Toshiba RAV-GM802ATW-TR
RAV-GM1601ATP-E Rav-Gm1601At(J)P-E 1320 1320 1320 8 Finishing
Toshiba RAV-GM1601ATP-E
RAV-GM561UT-E Rav-Gm801Ut-E (Tr), Rav-Gm1101Ut-E (Tr), Rav-Gm1401Ut-E (Tr)
Toshiba RAV-GM561UT-E
RAV-GM561ATP-NZ Rav-Gm1101Atp-E, Gm1101Atjp-E, Gm1101Atp-Tr, Gm1101Atp-Nz Rav-Gm1401Atp-E, Gm1401Atpj-E, Gm1401Atp-Tr, Gm1401Atp-Nz
Toshiba RAV-GM561ATP-NZ
RAV-GM301ATP-NZ Rav-Gm301Atp-E, Rav-Gm301Atp-Tr, Rav-Gm301Atp-Nz
Toshiba RAV-GM301ATP-NZ
RAV-GM802ATW-E Rav-Gm1102Atw-E, Rav-Gm1402Atw-Erav-Gm1602Atw-E
Toshiba RAV-GM802ATW-E
RAV-SM2244DTP-TR Rav-Sm2244Dtp-E(Tr), Rav-Sm2804Dtp-E(Tr)
Toshiba RAV-SM2244DTP-TR
RAV-GM901ATP-E Rav-Gm901Atp-Erav-Gm901Atjp-E
Toshiba RAV-GM901ATP-E
RAV-HM301MUT-E Rav-Hm401Mut-E, Rav-Hm561Mut-E(Tr)
Toshiba RAV-HM301MUT-E
RAV-RM1601BTP Series Rav-Rm561Btp-E, Rav-Rm561Btp-Tr
Toshiba RAV-RM1601BTP Series
RAV-GP561ATW-E 2-1.Rav-Gp561Atw
Toshiba RAV-GP561ATW-E
RAV-GM1101ATP-E Rav-Gm1101Atjp-E
Toshiba RAV-GM1101ATP-E
RAV-RM1601CTP Series Rav-Rm401Ctp-E, Rav-Rm401Ctp-Tr Rav-Rm561Ctp-E, Rav-Rm561Ctp-Tr
Toshiba RAV-RM1601CTP Series
RAV-SM1104AT8P-E Rav-Sm1104At8P-E, Sm1104At8Jp-E, Sm1104At8P-Tr Rav-Sm1404At8P-E, Sm1404At8Jp-E, Sm1404At8P-Tr
Toshiba RAV-SM1104AT8P-E
RAV-RM301MUT-E Rav-Rm301Mut
Toshiba RAV-RM301MUT-E
This manual is also suitable for:
Rav-sm1403at-a
Rav-sm803at-a
Rav-sm1103at-a
Rav-sm1603at-a
Rav-sp564at-a
Rav-sp804at-a
...
Show all
Rav-sp1104at-a
Rav-sp1404at-a
Table of Contents
Print
Rename the bookmark
Delete bookmark?
Delete from my manuals?
Login
Sign In
OR
Sign in with Facebook
Sign in with Google
Upload manual
Upload from disk
Upload from URL
Need help?
Do you have a question about the RAV-SM563AT-A and is the answer not in the manual?