KitchenAid 8301169 Installation Instructions Manual page 24

36" (91.4 cm) commercial style dual fuel range with self-cleaning thermal/convection oven
Table of Contents

Advertisement

Available languages

Available languages

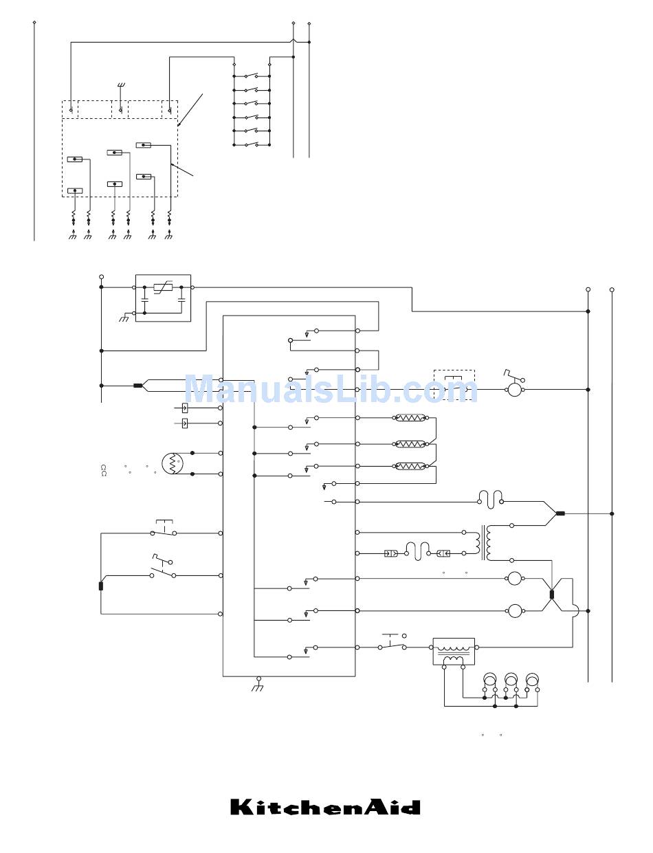
L1
N
TERRE
R
VERT
DISPOSITIF ANTIPARASITE
L1
N
N
N
CONNECTEUR WISP
CAPTEUR DE
TEMPÉRATURE
1080
AT 70 F/21,1 C
1654
AT 350 F/176,6 C
CONTACTEUR
DE PORTE 1
TAN
CONTACTEUR DU LOQUET
(COMMANDÉ PAR MOTEUR)
SYST. DE
VERROUILLAGE
TAN
F
Pièce n °
8301169 Rév. A
©2003 KitchenAid
® Marque déposée/marque de
commerce de KitchenAid U.S.A.;
emploi sous licence au Canada par
KitchenAid Canada
BL
BL
MODULE
D'ÉTINCELAGE
BL
COMMUTATEURS
DES ROBINETS
JA OU MAR (6) PLCS
ÉLECTRODES D'ÉTINCELAGE
WP no 4451985
COMMANDE ÉLECTRONIQUE
N
P4-1
A
N
P4-2
2
J
P9-1
OR
1
P9-3
V
BL
P7-4
t
BL
V
P7-5
MAR
P7-1
BU
P7-2
TAN
P7-3
P3-1
*
(
) LE VENTILATEUR RESTE ÉTEINT JUSQU'À CE QUE LE FOUR ATTEIGNE 19O F (88 C) ET PEUT CONTINUER DE
FONCTIONNER JUSQU'À 45 MINUTES APRÈS QUE LE FOUR EST ÉTEINT.
REMARQUE : CIRCUIT ILLUSTRÉ EN MODE D'ATTENTE/ARRÊT AVEC PORTE DU FOUR FERMÉE.
Préparé par KitchenAid, Benton Harbor, Michigan 49022
NEU
L2
BL
R
BL
Schéma de la table
de cuisson
Schéma du four
N
P8-1
J
P8-2
P8-3
J
CONTACTEUR
OR
P8-4
DE PORTE 2
GRIL-3000W
BU
P5-1
P5-3
R
CONV.-1600W
P5-4
J
R
RELAIS
DISJONCTEUR -
R
DEUX LIGNES
BU
P3-3
BU
P3-2
FUSIBLE THERMIQUE DU TABLEAU
GR
P1-1
DE COMMANDE
P1-3
OR
P1-5
N
CONTACTEUR
D'ÉCLAIRAGE
VERT
APPAREILS MÉNAGERS
SUR SYSTÈME
DE VERROUILLAGE
OR
M
~
VERROUILLAGE
PORTE MOTEUR
DU LOQUET
CUISSON AU
FOUR-2000W
T.O.D. PAS RÉINITIALISABLE
TRANSFORMATEUR
D'ALIMENTATION -
R
MODULE DE COMMANDE
BU
BL
84 C
(183 F)
M
~
VENTILATEUR
(VOIR
M
~
VENTILATEUR
ALIMENTATION
ARRÊT
CONV.
ÉCLAIRAGE
N
AUTO
LAMPE À
HALOGÈNE - 5 W
N
BL
N
N
BL
®
NEU
L2
BL
BL
BL
BL
R
B
R
R
BL
BL
C
*
)
BL
BL
BL
N
BL
BL
Imprimé aux É.-U.

Advertisement

Table of Contents
loading
Need help?

Need help?

Do you have a question about the 8301169 and is the answer not in the manual?

Table of Contents