Sign In
Upload
Download
Table of Contents
Contents
Add to my manuals
Delete from my manuals
Share
URL of this page:
HTML Link:
Bookmark this page
Add
Manual will be automatically added to "My Manuals"
Print this page
×
Bookmark added
×
Added to my manuals
Manuals
Brands
Denon Manuals
Stereo Receiver
AVR-1909
Service manual
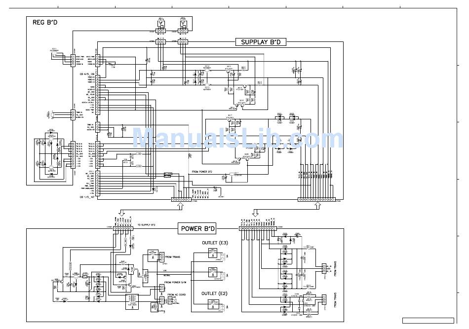
Schematic Diagram: Power Unit - Denon AVR-1909 Service Manual
Av surround receiver
Hide thumbs
Also See for AVR-1909
:
Owner's manual
(103 pages)
,
Brochure & specs
(2 pages)
,
Getting started
(2 pages)
1
2
3
4
5
6
7
8
9
10
11
12
13
14
15
16
17
18
19
20
21
22
23
24
25
26
27
28
29
30
31
32
33
34
35
36
37
38
39
40
41
42
43
44
45
46
47
48
49
50
51
52
53
54
55
56
57
58
59
60
61
62
63
64
65
66
67
68
69
70
71
72
73
74
75
76
77
78
79
80
81
82
83
84
85
86
87
88
89
90
91
92
93
94
95
96
97
98
99
100
101
102
103
104
105
106
107
108
109
110
111
112
113
114
115
116
117
118
119
120
121
122
123
124
125
126
127
128
129
130
131
132
133
134
135
136
137
138
139
140
141
142
143
144
145
146
147
148
149
150
151
152
153
154
155
156
157
158
159
160
161
Table Of Contents
162
page
of
162
Go
/
162
Contents
Table of Contents
Troubleshooting
Bookmarks
Table of Contents
Advertisement
1
2
3
4
5
6
7
8
A
B
C
D
E
SCHEMATIC DIAGRAMS (25/25)
POWER UNIT
SUPPLAY UNIT
F
REG UNIT
AVR-1909/789, AVC-1909
Table of
Contents
Previous
Page
Next
Page
1
...
160
161
162
Show Quick Links
Quick Links:
Service Manual
Avr-1909 Model
Hide quick links:
Permanently
Temporary
Cancel
Advertisement
Table of Contents
Related Manuals for Denon AVR-1909
Stereo Receiver Denon AVR-1909 Owner's Manual
(103 pages)
Stereo Receiver Denon AVR-1909 Owner's Manual
(92 pages)
Receiver Denon AVR 1909 - AV Receiver Owner's Manual
Av surround receiver (92 pages)
Stereo Receiver Denon AVR-1909 Owner's Manual
Denon home theater system user manual (84 pages)
Stereo Receiver DENON AVR-1909 Owner's Manual
(81 pages)
Receiver Denon AVR-1909 Owner's Manual
Av surround receiver (78 pages)
Receiver Denon AVR-789 Service Manual
Av surround receiver (161 pages)
Stereo Receiver Denon 789BA - DHT Home Theater System Owner's Manual
Owners manual - english (95 pages)
Receiver Denon AVR-789 Owner's Manual
Av surround receiver (95 pages)
Receiver Denon AVR 789 - AV Receiver Product Sheet
Av surround receiver (2 pages)
Stereo Receiver Denon AVR-589 Comparison Chart
Retail avr hdmi capabilites and compatibilities (1 page)
Stereo Receiver Denon AVR-1909 Brochure & Specs
Denon av surround receiver specification sheet (2 pages)
Stereo Receiver Denon AVR-1906 Operating Instructions Manual
Denon av surround receiver operating instructions avr-1906 (67 pages)
Stereo Receiver Denon AVR-1908 Owner's Manual
Denon owner's manual av surround receiver avr-1908 (74 pages)
Stereo Receiver Denon AVR-1905 Operating Instructions Manual
Denon av surround receiver operating instructions avr-1905, avr-785 (77 pages)
Stereo Receiver Denon AVR-1905 Operating Instructions Manual
Denon av surround receiver operating instructions (85 pages)
Related Content for Denon AVR-1909
AVR-2312CI Turn The Television Power On, And Switch The Video Input To This Unit (Hdmi Input)
Denon AVR-2312CI
AVR-1912 Turn The Television Power On, And Switch The Video Input To This Unit (Hdmi Input)
Denon AVR-1912
DR-M3QHX Schematic Diagram Of Power/Logic Unit
Denon DR-M3QHX
DR-M33HX Schematic Diagram Of Power And Logic Unit {Dr-M33Hx)
Denon DR-M33HX
DRA-385RD Schematic Diagram
Denon DRA-385RD
AVR-900 Schematic Diagram
Denon AVR-900
DRA-800H Note For Schematic Diagram
Denon DRA-800H
AVR-A110 Note For Schematic Diagram
Denon AVR-A110
HEOS AVR Note For Schematic Diagram
Denon HEOS AVR
AVR-X4200W Note For Schematic Diagram
Denon AVR-X4200W
AVR-2807 Note For Schematic Diagram
Denon AVR-2807
AVR-5308CI Note For Schematic Diagram
Denon AVR-5308CI
AVR-X8500H Note For Schematic Diagram
Denon AVR-X8500H
AVR-S510BT Note For Schematic Diagram
Denon AVR-S510BT
AVR-S650H Note For Schematic Diagram
Denon AVR-S650H
AVR-X2300W Note For Schematic Diagram
Denon AVR-X2300W
This manual is also suitable for:
Avr-789
Avc-1909
Table of Contents
Print
Rename the bookmark
Delete bookmark?
Delete from my manuals?
Login
Sign In
OR
Sign in with Facebook
Sign in with Google
Upload manual
Upload from disk
Upload from URL