Sign In
Upload
Download
Table of Contents
Add to my manuals
Delete from my manuals
Share
URL of this page:
HTML Link:
Bookmark this page
Add
Manual will be automatically added to "My Manuals"
Print this page
×
Bookmark added
×
Added to my manuals
Manuals
Brands
Panasonic Manuals
TV
TX-29AS10C
Service manual
Block Diagrams; Schaltbild Block - Panasonic TX-29AS10C Service Manual
Euro- 4h chassis
Hide thumbs
Also See for TX-29AS10C
:
Operating instructions manual
(32 pages)
,
Service manual
(20 pages)
1
Table Of Contents
2
3
4
5
6
7
8
9
10
11
12
13
14
15
16
17
18
19
20
21
22
23
24
25
26
27
28
29
30
31
32
33
34
35
36
37
38
page
of
38
Go
/
38
Contents
Table of Contents
Bookmarks
Table of Contents
Advertisement
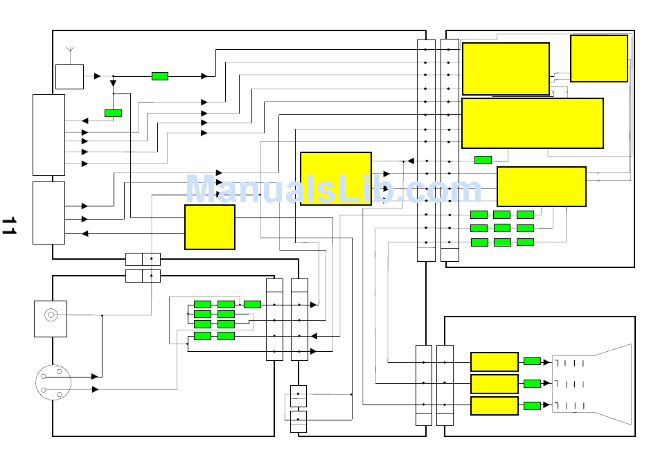
VIDEO BLOCK DIAGRAM
E - BOARD
TUNER
AV1
Q105
Video Out 19
Blue 7
Green 11
Red 15
Video In 20
AV2
Video In 20
AV2 C 15
Video Out 19
6
E17
M2
6
M - BOARD
AV3
Y
C
Q104
IC601
8
3
AV VIDEO
SWITCH
6
M3
2
Q2305
Q2306
Q2307
Q2304
Q2303
4
Q2302
Q2301
6
Q2309
Q2308
8
BILDSIGNAL BLOCKSCHEMA
CVBS 68
IC1101
R 37
MICRO
G 38
PROCESSOR
B 39
E15
2
4
6
8
1
E25
1
E26
F - BOARD
27
27
IC1502
COMPONENT
33
33
63 BU
INTERFACE
34
34
PROCESSOR
65 GY
C OUT 10-17
Y OUT 20-27
35
35
C IN 36-43
67 RV
Y IN 44-51
28
28
61 VIN2
Y 20- 25, 28, 29
29
29
IC1501
60 VIN3
VIDEO PROCESSOR
26
26
63 CIN
30
30
58 VIN4
64 VOUT
25
25
Q1501
3
3
IC1504
31
DEFLECTION
2
2
32
PROCESSOR
1
1
33
25
6
6
Q1511
Q1512
Q1513
7
7
Q1505
Q1506
Q1507
8
8
Q1508
Q1509
Q1510
E70
F1
Y - BOARD
5
5
IC351
9
3
Q351
R OUT
4
4
IC371
9
3
Q371
B OUT
3
3
IC361
9
3
Q361
G OUT
E8
Y2
IC1503
UP-CONVERTER
C OUT 10-16
Y OUT 3-7, 1, 63, 64
8 bit
C IN 37-44
8 bit
Y IN 43-50
8 bit
8 bit
C1 38-43, 46, 47
62 VIN1
8 bit
C IN 43-50
8 bit
Y IN 54-61
24
26
CRT
Table of
Contents
Previous
Page
Next
Page
1
...
8
9
10
11
12
13
14
15
Show Quick Links
Quick Links:
Colour Television
Hide quick links:
Permanently
Temporary
Cancel
Advertisement
Table of Contents
Related Manuals for Panasonic TX-29AS10C
TV PANASONIC QuintrixF TX-29AS10F Operating Instructions Manual
Colour television 100hz (32 pages)
TV Panasonic TX-29AS10C Service Manual
Colour television (20 pages)
TV PANASONIC QuintrixF TX-29AS10C/B Operating Instructions Manual
Colour television 100hz (32 pages)
TV PANASONIC QuintrixF TX-29AS1D Operating Instructions Manual
Colour television (28 pages)
TV Panasonic TX-29AS1D Service Manual
Euro-4 chassis (32 pages)
TV PANASONIC QuintrixF TX-29AS1C Operating Instructions Manual
Colour television (28 pages)
TV Panasonic TX-29AS1C Service Manual
Euro- 4 chassis (35 pages)
TV PANASONIC QuintrixF TX-29AS10P Operating Instructions Manual
Colour television 100hz (32 pages)
TV Panasonic TX-29AS10P Service Manual
Euro- 4h chassis colour television (35 pages)
TV PANASONIC QuintrixF TX-29AS1P Operating Instructions Manual
Colour television (28 pages)
TV PANASONIC QuintrixF TX-29AS1F Operating Instructions Manual
Colour television (28 pages)
TV Panasonic TX-29AD2 Service Manual
(39 pages)
TV PANASONIC QuintrixF TX-29AL1F Operating Instructions Manual
Colour television (28 pages)
TV PANASONIC QuintrixF TX-29AL1P Operating Instructions Manual
Colour television (28 pages)
TV PANASONIC QuintrixF TX-29AL10P Operating Instructions Manual
Colour television 100hz (32 pages)
TV PANASONIC TX-29AL10D Operating Instructions Manual
Colour television (32 pages)
Related Content for Panasonic TX-29AS10C
TX-28XD4F Block Diagrams
Panasonic TX-28XD4F
CT-30WX54J Block Diagrams
Panasonic CT-30WX54J
TX-W28R4F Block Diagrams
Panasonic TX-W28R4F
TX-28LD90F Block Diagrams
Panasonic TX-28LD90F
CT-27DC50B Video-Chroma Signal Path Block Diagrams
Panasonic CT-27DC50B
CT-36SL13G Block Diagrams
Panasonic CT-36SL13G
TX-28LD4P Block Diagrams
Panasonic TX-28LD4P
TX-W32D5F/P Block Diagrams
Panasonic TX-W32D5F/P
TX-28LD20F Block Diagrams
Panasonic TX-28LD20F
TX-W32R4 Block Diagrams
Panasonic TX-W32R4
TX-32PD30D Block Diagrams
Panasonic TX-32PD30D
TX-36PG50 Block Diagrams
Panasonic TX-36PG50
CT-36HL43G Block Diagrams
Panasonic CT-36HL43G
TX-28PK25 Block Diagrams
Panasonic TX-28PK25
TX-28SL1F Block Diagrams
Panasonic TX-28SL1F
TX-28XD90F/A Block Diagrams
Panasonic TX-28XD90F/A
This manual is also suitable for:
Tx-29as10c/b
Table of Contents
Print
Rename the bookmark
Delete bookmark?
Delete from my manuals?
Login
Sign In
OR
Sign in with Facebook
Sign in with Google
Upload manual
Upload from disk
Upload from URL