Sign In
Upload
Download
Table of Contents
Contents
Add to my manuals
Delete from my manuals
Share
URL of this page:
HTML Link:
Bookmark this page
Add
Manual will be automatically added to "My Manuals"
Print this page
×
Bookmark added
×
Added to my manuals
Manuals
Brands
Whirlpool Manuals
Dehumidifier
AD70USS
Manual
Whirlpool AD70USS Manual page 35
Hide thumbs
1
2
Table Of Contents
3
4
5
6
7
8
9
10
11
12
13
14
15
16
17
18
19
20
21
22
23
24
25
26
27
28
29
30
31
32
33
34
35
36
37
38
39
40
page
of
40
Go
/
40
Contents
Table of Contents
Troubleshooting
Bookmarks
Table of Contents
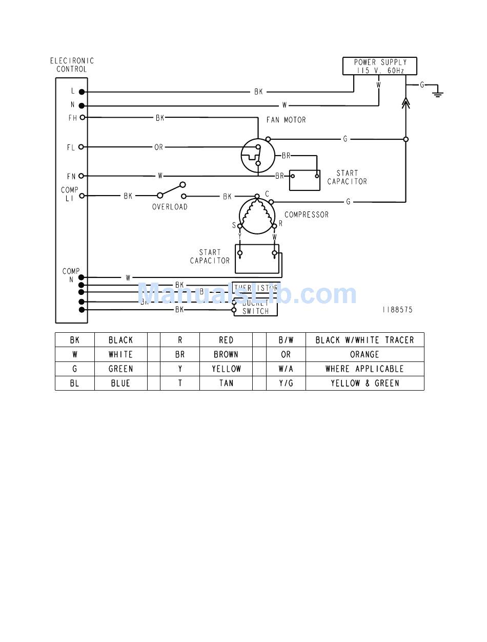
WIRING DIAGRAM 3
6-3
Table of
Contents
Previous
Page
Next
Page
1
...
32
33
34
35
36
37
38
39
Show Quick Links
Quick Links:
Model & Serial Number Designations
Theory of Operation
Dehumidifier Use
Setting the Controls
Draining the Dehumidifier
Dehumidifier Care
Troubleshooting
Hide quick links:
Permanently
Temporary
Cancel
Table of Contents
Troubleshooting
DIAGNOSTICS & TROUBLESHOOTING
31
Troubleshooting
32
Need help?
Do you have a question about the AD70USS and is the answer not in the manual?
Ask a question
Go to Questions and Answers
Related Manuals for Whirlpool AD70USS
Dehumidifier Whirlpool AD35DSS1 Use And Care Manual
Whirlpool dehumidifier use & care guide (20 pages)
Dehumidifier Whirlpool 1187984 Use And Care Manual
Whirlpool dehumidifier use & care guide (16 pages)
Dehumidifier Whirlpool AD030 Use And Care Manual
Whirlpool dehumidifiers use and care guide (15 pages)
Dehumidifier Whirlpool AD025 Use And Care Manual
(16 pages)
Dehumidifier Whirlpool AD0302XS1 Use And Care Manual
(16 pages)
Dehumidifier Whirlpool AD0482XP1 Use And Care Manual
(16 pages)
Dehumidifier Whirlpool AD0402XS0 Use & Care Manual
Whirlpool dehumidifier use & care guide (13 pages)
Dehumidifier Whirlpool AD25DSS0 Parts List
Whirlpool dehumidifier parts list (4 pages)
Dehumidifier Whirlpool AD25BBK0 Use And Care Manual
Whirlpool dehumidifier use & care guide (24 pages)
Dehumidifier Whirlpool AD35DSS0 Use And Care Manual
Whirlpool dehumidifier use and care guide (16 pages)
Dehumidifier Whirlpool AD40DSS0 Use And Care Manual
Whirlpool dehumidifier use&careguide (16 pages)
Dehumidifier Whirlpool AD40LJ0 Use And Care Manual
Whirlpool dehumidifier use & care guide (24 pages)
Dehumidifier Whirlpool AD65USM2 Use And Care Manual
Whirlpool corporation dehumidifier use & care guide dehumidifier (24 pages)
Dehumidifier Whirlpool AD50USS Manual
(40 pages)
Dehumidifier Whirlpool Dehumidifier Use & Care Manual
Dehumidifier (22 pages)
Dehumidifier Whirlpool AD50GUSB Use & Care Manual
(22 pages)
Related Products for Whirlpool AD70USS
Whirlpool AD75UST0
Whirlpool AD35DSS1
Whirlpool AD40DSS0
Whirlpool AD40LJ0
Whirlpool AD65USM2
Whirlpool AD50USS
Whirlpool AD25G0
Whirlpool AD25TH0
Whirlpool AD0402XA0
Whirlpool AD0122XM1
Whirlpool AD0302XS1
Whirlpool AD0202XV0
Whirlpool AD50DSL4
Whirlpool AD60LEK0
Whirlpool AD40DSL0
Whirlpool AD0122XM2
This manual is also suitable for:
Ad50uss
Ad50dss
Ad35uss
Ad35dss
Ad25bss
Table of Contents
Print
Rename the bookmark
Delete bookmark?
Delete from my manuals?
Login
Sign In
OR
Sign in with Facebook
Sign in with Google
Upload manual
Upload from disk
Upload from URL
Need help?
Do you have a question about the AD70USS and is the answer not in the manual?