Bosch 1500, 1500 DH, F1500 W 125 Manual
![]()
APPLICATION AND OPERATING CONDITIONS
- Bathroom extractor fans are designed to transport normal or slightly dusty air (particle size <10 μm) of low aggressiveness and humidity in temperate climates according to and within their limits of performance.
- The appliance is designed only for continuous operation in a building if there is no access to the power supply line.
- The maximum temperature of the medium handled by the bathroom extractor fan and the maximum ambient temperature are +40°C.
![Bosch - 1500 - Arrangement of mounting holes and wires Arrangement of mounting holes and wires]()
Fig. 5
| Model | Ø | A | B | X | Y |
F1500 W100 F1500 DH W 100 | 102 mm | 125 mm | 125 mm | 31 mm | 58 mm |
F1500 W125 F1500 DH W 125 | 127 mm | 145 mm | 145 mm | 32 mm | 61 mm |
- The exhaust fan is an IP24 and protection class II device if it is installed in the wall according to Figure 5. The fan is not designed for ceiling installation.
- The bathroom extractor fan must be operated according to its intended use and in accordance with the data provided on the rating plate
- The bathroom extractor fan must be connected to the building mains (recessed electrical installation) with one of the following power cable: 2x1,5 mm2; 3x1,5 mm2, depending on the fan version - see Chapter "Installation". If a cable with more wires is used, e.g. 4x1,5mm2, the outer diameter of the cable must not exceed 14 mm.
- The bathroom extractor fan cannot be used to circulate air with the following characteristics:
- viscous contaminants prone to deposition in the bathroom extractor fan,
- corrosive contaminants which may degrade the bathroom extractor fan,
- contaminants from mixtures of flammable substances in the form of gases, vapours, mists and dusts, which in combination with air can create an explosive atmosphere
- Motors fitted with ball bearings are designed for a service life of at least 30,000 hours at maximum permissible ambient temperature so as to enable continuous operation at maximum efficiency.
- In case additional controllers exist in the installation, these must not cause frequent switching on and off of the bathroom extractor, as this will be considered extreme and not intended use of the product.
- The device is not suitable for use above 2000 m.
TRANSPORT AND STORAGE
- Bathroom extractor fans should be stored in their original packaging in a dry place protected from-weather conditions
- Maintain storage and transport temperatures between -20°C and +40°C
- Avoid shocks and impacts Bathroom extractor fans should be transported in their original packaging
- If the storage period is longer than 1 year, it is necessary to check the correct functioning of the motor bearings by manually turning the rotor before installation
- Damage caused by improper transport, storage or starting is not covered by the warranty
PRODUCT DATA
![Bosch - 1500 - PRODUCT DATA PRODUCT DATA]()
![Bosch - 1500 - Terminal block wiring diagram Terminal block wiring diagram]()
Fig. 2
Terminal block (standard version, no part index suffix). Models with terminal block should be connected according to the wiring diagram in Fig. 2.
The bathroom extractor fan is operated by means of a separate switch, which is part of the building electrical installation (not part of the appliance)
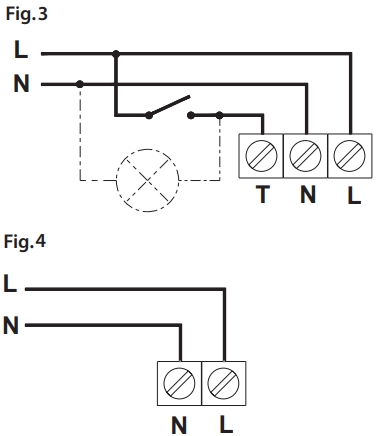
Humidity sensor and timer (part name suffix "DH"). Models equipped with humidity sensor (hygrostat) and stop delay (timer) should be connected according to the wiring diagram in Fig. 3 or 4.
![Bosch - 1500 - Humidity sensor and timer wiring diagram Humidity sensor and timer wiring diagram]()
The operation of the bathroom extractor fan will depend on the power supply connection method. When connected as shown in Fig. 4, the bathroom extractor fan starts automatically when the air humidity exceeds the set value. It is switched off when the humidity drops below the set value and after the time of the set stop delay has elapsed since the humidity drops.
If connected according to Fig. 3, in addition to automatic operation, it is possible to manually start the bathroom extractor fan by means of a light switch or a separate switch for the bathroom extractor fan If the light or the bathroom extractor fan is off, as in the first case, the appliance will stop after the stop delay time set with the potentiometer has elapsed, provided that the humidity level in the room is below the level preset on the potentiometer. The humidity detection system is the master system. The humidity sensor operating range is 40% to 90% of relative air humidity. The system is additionally equipped with a timer.
The stop delay time can be set with a potentiometer knob on the electronic module of the stop delay timer. The minimum stop delay time is 3 minutes with the potentiometer knob rotated counterclockwise. Turn the potentiometer knob clockwise to set a longer stop delay time accordingly. The maximum stop delay time is 30 minutes. The stop delay time regulation is smooth regulation. The fan stop delay time is counted from the time of switching off the light or a separate switch to which the appliance is connected or from the time of humidity drop set on the humidity sensor potentiometer
ATTENTION: When the green diode located in the electronic system is on, it means that the humidity level in the room is higher than the preset on the potentiometer controlling the humidity level adjustment. As long as the diode is on, the fan will not start counting down the stop delay after which the fan is switched off. It will take place only after the humidity level in the room drops and the green diode goes off.
INSTALLATION
The bathroom extractor fan should only be installed, connected to electrical mains and commissioned for use by qualified personnel in accordance with applicable laws!
Necessary tools:
![]()
Cross-tip screwdriver
![]()
Drill-driver
![Bosch - 1500 - Installation overview Installation overview]()
Installation procedure (Fig. 1)
- Determine the installation location of the fan
- Prepare the power cable indicated in Chapter APPLICATION AND OPERATION CONDITIONS
NOTE: Ensure that the power cable is not live before proceeding. - Remove the push-fit hole plugs (9) using a pointed tool
- Measure and drill the holes for the fan, the ø6 mm fixing pins (included in the package), and then route the power cable
NOTE: The arrangement of mounting holes and wires must be in accordance with Figure 5. - Remove the electrical cover (2) secured with screws (3)
- Pass the double-insulated electrical cable through the passage (4) The cable should be led in a length that allows connection to the power terminals
Before fixing the fan: Remove foreign objects from inside the fan; check that the rotor rotates freely by setting it in motion with your hand; ensure there is enough space for the opening of the check valve shutter located at the fan outlet;
It is recommended to connect the exhaust fan to the duct installation using flexible tubes!
- Place the fan body (5) and the mounting pins into the prepared holes
- Secure the fan to the partition by screwing the screws into the fixing plugs, using the mounting holes (6)
- Insert the mounting hole plugs
- Remove the outer insulation from the cable, remove the wire insulation to a length of 4 mm
- Arrange the cable and connect it according to the connection diagram appropriate for the model being installed
- Ensure that the cable conductors are securely attached to the terminals
NOTE: If there are unused wires in the cable then they should be insulated. - Check the fan for secure mounting and proper electrical installation
- Adjust the parameters:
Applies to the DH version: Set the time delay value and humidity sensor sensitivity using the key (7) on the potentiometers located on the controller (8)
- Check the sealing of the connection cable
- The connection cable must be protected in such a way that, in the event of flooding, under no circumstances water can reach the live parts
- Attach the electrical cover (2) and then screw it in with screws (3)
- Attach the front panel (1) which acts as protection against touching moving parts and water ingress
![Bosch - 1500 - Installation recommendations Installation recommendations]()
Fig. 7
Installation recommendations (Fig. 7)
ATTENTION! Hazard of injuring fingers with the rotating fan rotor!
Install the guard against the direct touch of moving parts before starting!
FIRST START OF THE DEVICE
The first start may only take place after all safety precautions have been checked and risks have been eliminated After the bathroom extractor fan start-up, check that it runs steadily and the air is handled efficiently (out of the room and through the exhaust duct to the outside)
The bathroom extractor fan may only be used with the front panel, which provides protection against contact with moving parts and water ingress
The installer is responsible for compliance with the applicable standards and may be held liable for accidents resulting from the absence of safety devices
ELECTRICAL CONNECTIONS
- The electrical connection and start-up may only be carried out by qualified personnel who are qualified to perform electrical work
- Always follow the applicable standards, safety regulations and technical requirements specified by the power company!
- The type of mains system, voltage and frequency must match the data on the rating plate of the bathroom extractor fan
- For bathroom extractor fans with stop delay time, the minimum voltage at the T terminal that starts the stop delay countdown or starts the exhaust fan is 130V AC
DIMENSIONS
![Bosch - 1500 - DIMENSIONS DIMENSIONS]()
Fig. 6
The dimensions of the models are listed on the packaging and Figure 6
CLEANING
Electrocution risk by damaged wiring insulation! Before cleaning, completely disconnect the bathroom extractor fan from the mains and secure it against inadvertent operation!
- Clean the front cover and visible parts of the housing with a damp cloth
- Do not use any aggressive solvents!
- Do not clean with a high pressure cleaner or strong jets of water!
- When cleaning, make sure that no water enters the electric motor or terminal box
- The grille at the bathroom fan inlet must always be kept clean
WARNING
The following safety symbols show important safety information. Follow all safety regulations and the safety symbols shown in the Instructions manual to avoid injury and hazards!
![danger]() | Danger! |
![shock hazard]() | Electrocution hazard: high voltage! |
![]() | Attention: rotating parts! |
GENERAL SAFETY PRINCIPLES
Information for the target group
Observe the instructions in the manual. Failure to follow the instructions may result in property damage, personal injury or even death
- Read the installation instructions before proceeding with the installation.
- Read and retain this manual before using the device.
- Observe safety principles and warnings.
- Observe national and regional regulations, technical rules and guidelines.
Safety of household and similar electrical appliances
In order to avoid hazards posed by electrical appliances, the following requirements apply in accordance with the EN 60335-1 standard:
- "This product can be used by children at least 8 years old, by people with impaired physical and/or mental abilities, and by people without any experience in or understanding of the operation of the product, if supervised or instructed by a competent adult in the safe use of the product so that they understand the relevant operating risks "
- "Children should not play with the appliance. Children should not be al-lowed to clean or maintain the product without supervision of an adult "
- "If the power cord is defective, it must be replaced by the manufacturer, his service department or a person with similar qualifications in order to avoid hazards "
Risk of fatal injury from electric shock!
Touching live electrical parts may result in electric shock
- The bathroom extractor fan is designed for permanent indoor connection, for fixed electrical installation, which must be equipped with means/devices for total contact breakage in order to ensure complete separation under overvoltage conditions of category III according to the regulations for such installation.
- The bathroom extractor fan is designed for installation at a substantial height, i.e. 2,3 m above the floor Installation - only in accordance with the descriptions and guidelines in this manual, in particular with regard to the required installation position, by inserting the power cord into the housing.
- Measures shall be taken to prevent gases from escaping from open smoke duct or other open flame equipment into the room.
- Unauthorised changes or modifications to the equipment are not permitted.
- Before installing the equipment, check the load-bearing capacity of the structure to which it is to be mounted, as improper mounting can lead to damage or destruction of the equipment and can pose a risk to persons in the vicinity of the equipment in the following situations.
The appliance may become dangerous if used improperly or if installed by unqualified personnel.
Documents / Resources
Need help?
Do you have a question about the 1500 and is the answer not in the manual?
Questions and answers