Advertisement
Note: These operating and installation instructions cannot claim to contain all detailed information of all types of this product range and can even not consider every possible application of the products. All statements serve exclusively to describe the product and have not to be understood as assured characteristics with legal force. Further information and data is obtainable from the catalogues and data sheets of this product, from the local ABB sales organisations as well as on the ABB homepage http://www.abb.com. Subject to change without prior notice. The German text applies in cases of doubt.
The device must be installed by qualified persons only and in accordance with the specific national regulations (e.g., VDE, etc.). Before installing this unit, read these operating and installation instructions carefully and completely. The devices are maintenance-free chassis-mounted units.
![]() ø 4,5 mm / 0.177 in / PH 1 | 0,6... 0,8 Nm 5.31... 7.08 in.lb |
| 2 x 0,5... 4 mm2 2 x 20... 12 AWG |
| 2 x 0,75... 2,5 mm2 2 x 18... 14 AWG |
| 2 x 0,75... 2,5 mm2 2 x 18... 14 AWG |




Fault messages
Overvoltage: F1 on
Undervoltage: F2 on
Phase unbalance: F1 and F2 on
Phase failure: F1 on, F2 flashing
Phase sequence: F1 and F2 alternately flashing
Interruption of the neutral: F1 on, F2 flashing
Overlapping of the threshold values: R/T, F1 and F2 flashing

State of delivery: All DIP switches in position OFF
* Output relay R1 is responsive to overvoltage, output relay R2 is responsive to undervoltage. In case of other faults, both output relays react synchronously.

| L1, L2, L3 (N) | Control supply voltage / Three-phase measuring voltage Frequency 50/60 Hz CM-MPS.23, CM-MPS.43: 50/60/400 Hz |
| 15-16/18 | Output relay 1 |
| 25-26/28 | Output relay 2 |
CM-MPS.23 is also suitable for monitoring single-phase mains. The following conditions apply:
DIP 2: ON and L1-L2-L3 jumpered
Threshold value for phase unbalance set to maximum (25%)
Threshold values for over- and undervoltage
| CM-MPS.23: | L1-L2-L3-N | 180-280 V | Umin = 180-220 V Umax = 240-280 V |
| CM-MPS.43: | L1-L2-L3 | 300-500 V | Umin = 300-380 V Umax = 420-500 V |
| CM-MPN.52: | L1-L2-L3 | 350-580 V | Umin = 350-460 V Umax = 480-580 V |
| CM-MPN.62: | L1-L2-L3 | 450-720 V | Umin = 450-570 V Umax = 600-720 V |
| CM-MPN.72: | L1-L2-L3 | 530-820 V | Umin = 530-660 V Umax = 690-820 V |
Threshold values for phase unbalance
Switch-off value:
L1-L2-L3: 2-25% (unbalance value in percentage)
Unbalance value in percentage =

Switch-on value:
Set switch-off value -20%
CM-MPS and CM-MPN are multifunctional monitoring relays for three-phase mains. They monitor all phase parameters such as phase sequence, phase failure, over- and undervoltage and phase unbalance. CM-MPS.23 is also suitable for monitoring single-phase mains (see ‚Electrical connection').
Over- and undervoltage, 1 x 2 c/o contacts
If all three phases are present with correct voltage, the output relays are energized. If the voltage to be monitored exceeds or falls below the set threshold value, the output relays de-energize instantaneously or delayed (0.1-30 s), depending on the set time delay. The fault type is indicated by LEDs. The output relays re-energize automatically, instantaneously or with delay (0.1-30 s), depending on the set time delay, as soon as the voltage returns to the tolerance range, taking into account a fixed hysteresis of 5%.
Over- and undervoltage, 2 x 1 c/o contact
If all three phases are present with correct voltage, the output relays are energized. If the voltage to be monitored exceeds the set threshold value, output relay R1 de-energizes instantaneously or delayed (0.1-30 s), depending on the set time delay. If the voltage to be monitored falls below the set threshold value, output relay R2 de-energizes instantaneously or delayed (0.1-30 s), depending on the set time delay. The fault type is indicated by LEDs. The output relays re-energize automatically, instantaneously or with delay (0.1-30 s), depending on the set time delay, as soon as the voltage returns to the tolerance range, taking into account a fixed hysteresis of 5%.
Phase unbalance
If all three phases are present with correct voltage, the output relays are energized. If the phase unbalance of the phases to be monitored exceeds the set unbalance threshold value, the output relays de-energize instantaneously or delayed (0.1-30 s), depending on the set time delay. The fault type is indicated by LEDs. The output relays re-energize, instantaneously or with delay (0.1-30 s), depending on the set time delay, as soon as the voltage returns to the tolerance range, taking into account a fixed hysteresis of 20%.
Phase sequence and phase failure
If all three phases are present with correct phase sequence, the output relays are energized. They de-energize immediately if a phase failure or a phase sequence error occurs. The fault type is indicated by LEDs. The output relays re-energize automatically as soon as the voltage returns to the tolerance range.
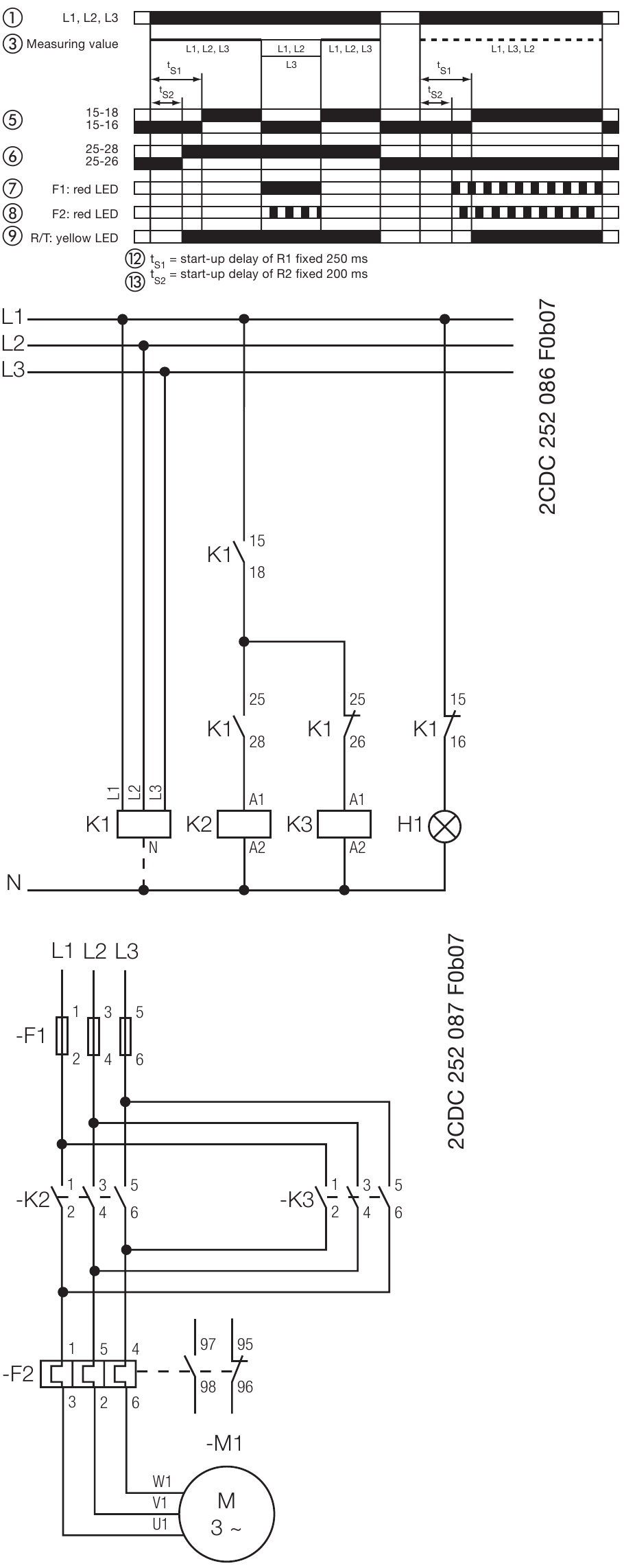
Automatic phase sequence correction
Applying control supply voltage / three-phase measuring voltage with correct phase sequence, energizes output relay R2 when the fixed start-up delay tS2 of about 200 ms is complete. Relay R2 remains de-energized if the phase sequence is incorrect.
If all three phases are present with correct voltage, output relay R1 energizes when the fixed start-up delay tS1 of about 250 ms is complete. If the voltage to be monitored exceeds or falls below the set threshold value for phase unbalance, over- or undervoltage or if a phase failure occurs, output relay R1 de-energizes. Output relay R2 is responsive only to a false phase sequence. In conjunction with a reversing contactor combination, this enables an automatic correction of the rotation direction (see circuit diagram).
The operating mode ‚Automatic phase sequence correction' can be selected only when ‚Phase sequence monitoring activated' (DIP2: OFF) and ‚2 x 1 c/o contact' (DIP3: ON) is selected.
With the operating mode ‚Automatic phase sequence correction', the phase sequence error has the lowest error priority for the status indication.
Here you can download full pdf version of manual, it may contain additional safety instructions, warranty information, FCC rules, etc.
Download ABB CM Series, CM-MPS.23, CM-MPS.43, CM-MPN.52, CM-MPN.62 Manual
Advertisement
Relay energized
Time delay is running







Need help?
Do you have a question about the CM Series and is the answer not in the manual?
Questions and answers