Advertisement

These symbols are found on the machine and in the operator manual.
Study them carefully so that you know what they mean.
Xxxx xxxxxx
Used in this publication to notify the reader of a risk of personal injury or death, particularly if the reader should neglect to follow instructions given in the manual
Xxxx xxxxxx
Used in this publication to notify the reader of a risk of material damage, particularly if the reader should neglect to follow instructions given in the manual. Used also when there is a potential for misuse or misassembly
![]() | ![]() | ![]() | ![]() | ![]() | ![]() |
| Reverse | Neutral | Fast | Slow | Choke | Fuel |
![]() | ![]() | ![]() | ![]() | ||
| Warning! | Use protective glasses | Parking Brake | Use protective gloves | Do not stand here | |
![]() | ![]() | ![]() | ![]() | ![]() | |
| Moving sharp blades under cover | Shut off engine and remove key before performing any maintenance or repair work | Keep a safe distance from the machine | Use on slopes no greater than 10° | No passengers | |
![]() | ![]() | ![]() | ![]() | ![]() | |
| Whole body exposure to thrown objects | Severing of fingers and toes | Do not open or remove safety shields while engine is running | Careful backing up, watch for other people | Careful going forward, watch for other people | |
![]() | ![]() | ![]() | |||
| Battery acid is corrosive, explosive and flammable | Warning! Rotating blades, keep away from the discharge deck | Do not touch parts | |||
These instructions are for your safety. Read them carefully.
THIS CUTTING MACHINE IS CAPABLE OF AMPUTATING HANDS AND FEET AND THROWING OBJECTS. FAILURE TO OBSERVE THE FOLLOWING SAFETY INSTRUCTIONS COULD RESULT IN SERIOUS INJURY OR DEATH.
This symbol means that important safety instructions need to be emphasized. It concerns your safety.
General Operation
Engine exhaust and certain vehicle components contain or emit chemicals considered to cause cancer, birth defects, or other reproductive system damage. The engine exhaust contains carbon monoxide, which is a odorless, colorless, poisonous gas. Do not use the machine in enclosed spaces.
When using the machine, approved personal protective equipment (shown in illustrations) shall be used. Personal protective equipment cannot eliminate the risk of injury but it will reduce the degree of injury if an accident does happen. Ask your retailer for help in choosing the right equipment.

Slopes are a major factor related to loss of control and tip-over accidents, which can result in severe injury or death. Operation on all slopes requires extra caution. If you cannot back up the slope or if you feel uneasy on it, do not mow it.
Do not drive up or down hills with slopes greater than 10 degrees. And do not drive across any slopes.
CHILDREN CAN BE INJURED BY THIS EQUIPMENT. The American Academy of Pediatrics recommends that children be a minimum of 16 years of age before operating a riding lawn mower. Keep children out of the mowing area and in the watchful care of a responsible adult other than the operator.
Children
Tragic accidents can occur if the operator is not alert to the presence of children. Children are often attracted to the machine and the mowing activity. Never assume that children will remain where you last saw them.
The engine and the exhaust system become very hot during operation.
There is risk for burns if touched.
Allow engine and exhaust system to cool before refueling.
To avoid personal injury or property damage, use extreme care in handling gasoline. Gasoline is extremely flammable and the vapors are explosive.
The engine must not be started when the driver's floor plate or any protective plate for the mower deck's drive belt is removed.
Use protective glasses for maintenance work

The battery contains lead and lead compounds, chemicals that are considered to cause cancer, birth defects, and other reproductive system damage. Wash your hands after handling the battery
Sparking can occur when working with the battery and the heavy cables of the starter circuit. This can cause battery explosion, fire or eye injury. Sparking in this circuit can not occur after the chassis cable (normally negative, black) is removed from the battery.

Avoid electrical sparking and its consequences by the following routines:
Use extreme caution when loading the machine into a truck or trailer using ramps. There is the possibility of serious injury or death if the machine falls off the ramps.
The parking brake is not sufficient to lock the machine in place during transport. Ensure that the machine is well fastened to the transport vehicle. Always reverse the machine onto the transport vehicle to avoid tipping it over.
If machine is equipped with a tow hitch, use extreme caution when towing. Never allow children or others in or on towed equipment.
Make wide turns to avoid jack-knifing. Travel slowly and allow extra distance to stop. Do not tow on sloped ground. The weight of the towed equipment may cause loss of traction and loss of control.
Follow the manufacturer's recommendation for weight limits for towed equipment. Do not tow near ditches, canals, and other hazards.
Escaping hydraulic oil under pressure can have sufficient force to penetrate the skin, causing serious injury. If injured by escaping fluid, see a doctor at once. Serious infection or reaction can develop if proper medical treatment is not administered immediately.
This mower is equipped with an internal combustion engine and should not be used on or near any unimproved forested, bush covered or grassy lands unless the engine's system is equipped with a spark arrestor meeting applicable local or state laws (if any). In the state of California the above is required by law (Section 4442 of the California Public Resources Code).
Other states may have similar laws. Federal laws apply on federal lands.
A spark arrestor for the muffler is available through any authorized Husqvarna dealer.
This mower is equipped with an internal combustion engine and should not be used on or near any unimproved forested, bush covered or grassy lands unless the engine's system is equipped with a spark arrester meeting applicable local or state laws (if any). If a spark arrester is used, it should be maintained in effective working order by the operator
Gasoline containing up to 10% ethanol (E10) is acceptable for use in this machine. The use of any gasoline exceeding 10% ethanol (E10) will void the product warranty.
Driving and Transport on Public Roads
Check applicable road traffic regulations before transporting on public roads. If the machine is transported, you must always use approved fastening equipment and ensure that the machine is well anchored. DO NOT operate this machine on public roadways.
Towing
If machine is equipped with a tow hitch, use extreme caution when towing. Never allow children or others in or on the towed equipment. Make wide turns to avoid jack-knifing. Travel slowly and allow extra distance to stop.
Do not tow on sloped ground. The weight of the towed equipment may cause loss of traction and loss of control.
Follow the manufacturer's recommendation for weight limits for towed equipment. Do not tow near ditches, canals, and other hazards.
Operating
This machine is constructed only for mowing grass on lawns and even ground without obstacles such as stones, tree stumps, etc. The machine can also be used for other tasks when equipped with special accessories provided by the manufacturer. Operating instructions for the accessories are provided with delivery. All other types of uses are incorrect. The manufacturer's directions concerning operation, maintenance, and repairs must be carefully followed.
Lawn mowers and all power equipment, can be potentially dangerous if used improperly. Safety requires good judgement, careful use in accordance with these instructions and common sense.
The machine must only be operated, maintained, and repaired by persons familiar with the machine's special characteristics and who are also knowledgeable about the safety instructions. Use only approved repair parts to maintain this machine.
Accident prevention regulations, other general safety regulations, occupational safety rules, and traffic regulations must be followed without fail.
Unauthorized modifications to the design of the machine may absolve the manufacturer from liability for any resulting personal injury or property damage.
Good Service
Husqvarna's products are sold only in specialized retail stores with complete service. This ensures that you as a customer receive only the best support and service. Before the product is delivered, the machine has, for example, been inspected and adjusted by your retailer. See the certificate in the Service Journal in this operator manual.
When you need spare parts or support in service questions, warranty issues, etc., please consult the following professional:
Manufacturing Number
The machine's manufacturing number can be found on the printed plate affixed to the engine compartment.
Stated on the plate, from the top are:
Please have the type designation and serial number available when ordering spare parts.
The engine's manufacturing number is stamped on one of the valve covers.
The plate states:
Please have these available when ordering spare parts.
The wheel motors and hydrostatic pumps have a barcode decal affixed at the rear.
This operator manual describes the Husqvarna Zero Turn Rider. The rider is fitted with a Kawasaki four-stroke overhead valve engine.
Transmission from the engine is made via a belt- driven hydraulic pumps. Using the left and right steering controls, the flow is regulated and thereby the direction and speed.

The machine's speed and direction are continuously variable using the two steering controls. The steering controls can be moved forward or backward about a neutral position. Furthermore, there is a neutral position, which is locked if the steering controls are moved outward.
When both controls are in the neutral position (N), the machine stands still.
By moving both controls an equal amount forward or backward, the machine moves in a straight line forward or backward respectively.
For example, to turn right while moving forward, move the right control towards the neutral position. The rotation of the right wheel is reduced and the machine turns to the right.
Zero turn can be achieved by moving one control backward (behind the neutral position) and carefully moving the other steering control forward from its neutral position. The rotation direction when zero turning is determined by which steering control is moved backward behind the neutral position. If the left steering control is pulled backward, the machine turns to the left. Use extra care when using this maneuver.
If the steering controls are in uneven positions when standing still or do not fit in the slots for moving the controls outward, they can be adjusted.


Motion control lever, right side
The machine can turn very rapidly if one steering control is moved much further forward than the other.
The machine must be not be moving when engaging the parking brake. Always set the parking brake before dismounting. Release the parking brake before moving the mower.

The parking brake is found on the left of the machine. Push the release button and pull the lever backward to activate the brake—push forward to release it.

The throttle control regulates the engine speed and the rate of rotation of the blades, assuming the blade switch is pulled out,
To increase or decrease the engine speed, the control is moved forward or back respectively.
Avoid idling the engine for long periods, as there is a risk of fouling the spark plugs.
USE FULL THROTTLE WHEN MOWING, for best mower performance and battery charging.

To engage the mower deck, pull the blade switch knob out. The mower blades are disengaged when the knob is pressed down fully.

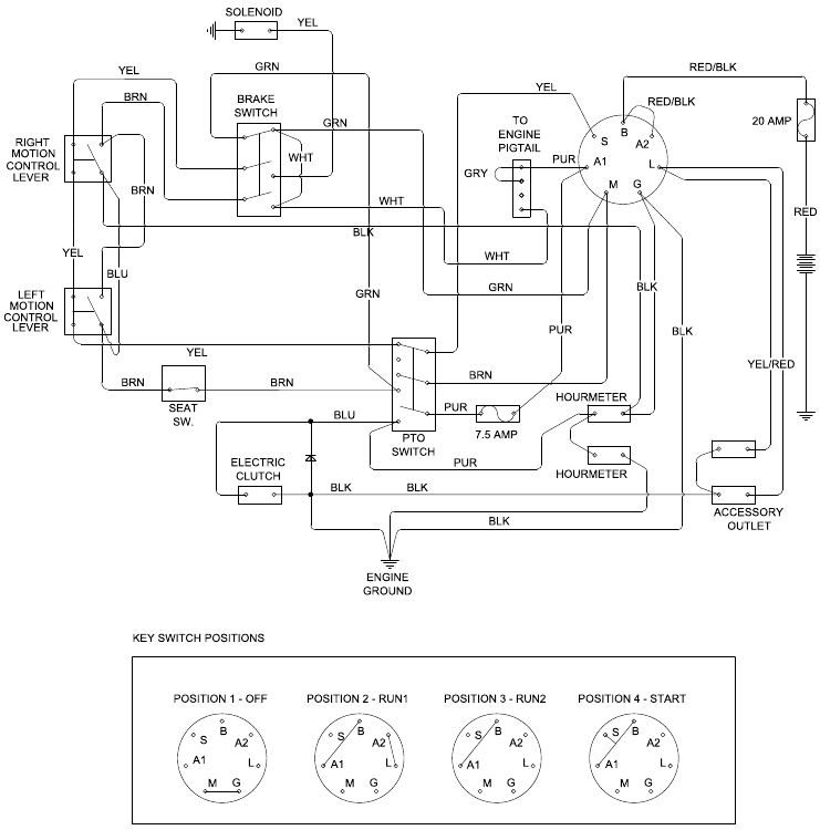
The ignition switch is placed on the control panel and is used to start and stop the engine.
On models equipped with headlights, turn the key clockwise to ACCESSORY for headlight use.
The choke control is used for cold starts to provide the engine with a richer fuel mixture.
For cold starts on models with separate choke, the control should be pulled up.


The hour meter displays the total operating time with the blade activated.
The display on the hour meter will turn on the oil can icon after every fifty hours of use and will stay on for two hours or until the meter is manually reset. To manually reset the timer, turn the ignition key to the run position and then engage and disengage the blade switch five times at one second intervals.
The seat can be adjusted lengthways. When making adjustments, the lever under the right side of the seat is pulled up, after which the seat can be moved backward or forward.

Seat should not be adjusted while unit is in motion.
The 20 amp primary fuse is located on the left hand side of the machine. It is accessed by tilting the seat forward. The fuse is a flat pin type used in automobiles.

![]()
If the mower is not tracking straight, check the air pressure in both rear tires. Recommended air pressure is 15 psi (103 kPa / 1 bar) for all tires. Tracking must be checked on a flat and level concrete or blacktop surface.
Rotating the tracking knob allows fine tuning adjustments so the machine tracks straight with the steering control levers in the full forward position.
Rotate the knob counter clockwise (as viewed from the operation position) to increase the speed on the left lever. Rotate clockwise to decrease speed.
Read the safety instructions before refueling. The machine has one fuel tank, just behind the console. The tank capacity is 3.5 gallons (13.25 liters).

Regularly check the gas cap gasket for damage and keep the cap properly tightened.
The engine will run on a minimum of 85-octane unleaded gasoline (no oil mix). Environmentally adapted alkylate gasoline can be used. See also Technical Data concerning ethanol fuel. Methanol fuel is not allowed. Do not use E85 alcohol based fuel. Damage to engine and components may occur.
When operating in temperatures below 32°F. (0°C.), use fresh, clean winter grade gasoline to insure good cold weather starting.
Gasoline is highly flammable. Observe caution and fill the tank outdoors (see the safety instruction).
The engine and the exhaust system, become very hot during operation.
Risk for burns if touched.
Allow engine and exhaust system to cool before refueling.
Fill to bottom of filler neck. Do not overfill. Wipe off any spilled oil or fuel. Do not store, spill or use gasoline near an open flame.
Experience indicates that alcohol blended fuels (called gasohol, ethanol or methanol) can attract moisture which leads to separation and formation of acids during storage. Acidic gas can damage the fuel system of an engine while in storage. To avoid engine problems, the fuel system should be emptied before storage of 30 days or longer. Drain the gas tank, start the engine and let it run until the fuel lines and carburetor are empty. Use fresh fuel the next season. See Storage Instructions for additional information. Never use engine or carburetor cleaners in the fuel tank or permanent damage may occur.
The fuel shut off valve is located at the left rear of the seat. The valve is off when the handle tab is turned perpendicular to the fuel line.

Always raise the deck to the highest position for transport.

To set the desired deck cutting height, press the release button and move the lever forward to the preset height pin and release the button. See Before Starting in the Operation section to change the cutting height. The cutting height range is from 1½" (38mm) to 4" (102mm) in ½" (13mm) increments. The heights are measured from the ground up to the blade tip with the engine not running.
To obtain an even cutting height, it is important that the air pressure in all tires is 15 psi / 103 kPa / 1 bar.
The levers are located on each side of the rear of the unit below the rear engine plate. The bypass linkage is used when manually pushing or pulling the unit. See Moving Machine By Hand in the Operation section.

Bypass linkages are located close to the muffler. To prevent burns, the engine should be shut off and allowed to cool before the bypass linkage levers are handled.
Due to unique steering capabilities, zero turn mowers are far more maneuverable than typical riding mowers.
This section should be reviewed in its entirety prior to attempting to move the mower under its own power. When first operating the mower or until becoming comfortable with controls, use a reduced throttle speed and reduced ground speed. DO NOT move control levers to the furthest forward or reverse positions during initial operation.
First time users should become familiar with the mower's movement on a hard surface, such as concrete or blacktop PRIOR to attempting to operate on turf. Until the operator becomes comfortable with the mower controls and zero turning capability, overly aggressive maneuvers may damage turf.
To move forward and backward
The direction and speed of the mower's movements are effected by the movement of the control lever(s) on each side of mower. The left control lever controls the left wheel. The right control lever controls the right wheel.
First time users should push the mower (see Moving Machine By Hand in the Operation section) to an open, flat area without other people, vehicles or obstacles nearby. To move the unit under its own power, the operator must sit in the seat and start the engine (see Before Starting in the Operation section). Adjust the engine speed to idle, disengage the parking brake but do not engage the blades at this time. Rotate control levers inward. As long as the control levers have not been moved forward or backwards, the mower will not move.
Slowly move both control levers forward slightly. This will allow mower to start moving forward in a straight line. Pull the control levers back to the neutral position and the mower should stop moving.
Pull back slightly on control levers, allowing the mower to move backwards. Push the control levers forward to the neutral position and mower should stop moving.
To turn to the right
While moving in a forward direction, pull the right lever back towards the neutral position while maintaining the position of the left lever, this will slow the rotation of the right wheel and cause the machine to turn in that direction.
To turn to the left
While moving in a forward direction pull the left lever back towards the neutral position while maintaining the position of the right lever, this will slow the rotation of the left wheel and cause the machine to turn in that direction.
To zero turn
While moving in a forward direction, first pull both control levers back until the mower stops or slows dramatically.
Then by alternating one lever slightly to the forward position and the other in the reverse position, complete the turn.
The following conditions must be fulfilled before the engine can be started:
Do not run the starter for more than 5 seconds each time. If the engine does not start, wait approximately 10 seconds before retrying.
Engine exhaust and certain vehicle components contain or emit chemicals considered to cause cancer, birth defects or other reproductive system damage. The engine exhaust contains carbon monoxide, which is a odorless, colorless, poisonous gas. Do not use the machine in enclosed spaces.
Lead-acid batteries generate explosive gases. Keep sparks, flame and smoking materials away from batteries. Always wear eye protection when around batteries.

Your mower is equipped with a 12-volt negative grounded system. The other vehicle must also be a 12-volt negative grounded system. Do not use your mower to start other vehicles.
If the battery is too weak to start the engine, it should be recharged. (See Battery in the Maintenance section.)

Jumper Cables Use
To remove cables, reverse order
Make sure that no one is near mower when engaging blade switch.
Make sure the work area is free from objects that could be thrown by the rotating blades.

Read the Safety Instructions Driving on Slopes in the Safety section.
Do not drive up or down hills with slopes greater than 10 degrees. Do not drive across slopes.

Clear the lawn of stones and other objects that can be thrown out by the blades.
Never drive the rider on terrain that slopes more than 10 degrees. Mow slopes up and down, never side to side. Avoid sudden directional changes.
Leaving the ignition switch in any other position than OFF will cause the battery to be discharged.
When pushing or pulling the mower, engage the EZT bypass linkages. The EZT bypass linkages are located on the rear of the frame, below the rear engine guard.
Load the machine into truck or trailer by driving slowly up the ramps. DO NOT LIFT! The machine is not intended to be lifted by hand.
Bypass linkages are located close to the muffler. To prevent burns, the engine should be shut off and allowed to cool before the bypass linkage levers are handled.
Make no adjustments without:
Use extreme caution when loading the machine into a truck or trailer using ramps. There is the possibility of serious injury or death if the machine falls off the ramps.
The following is a list of maintenance procedures that must be performed on the machine. For those points not described in this manual, visit an authorized service workshop. An annual service carried out by an authorized service workshop is recommended to maintain your machine in the best possible condition and to ensure safe operation.
Read Maintenance in the Safety section.
| MAINTENANCE | Daily | At least once each year | Maintenance interval in hours | ||||
| Before | After | 25 | 50 | 100 | 300 | ||
| Check the parking brake | ● | ||||||
| Check the engine's oil level (every refueling) | ■ | ||||||
| Check the safety system | ● | ||||||
| Check for fuel and oil leakages | ♦ | ||||||
| Check/clean the engine's cooling air intake | ■ | ||||||
| Check the mower deck | ● | ||||||
| Check for loose hardware (screws, nuts) | ● | ||||||
| Clean under the mower deck | ● | ||||||
| Start the engine and blades, listen for unusual sounds | ♦ | ||||||
| Check for damage | ♦ | ||||||
| Thoroughly clean around the engine | ♦ | ||||||
| Clean around belts, belt pulleys | ♦ | ||||||
| Check the tire pressures | ● | ||||||
| Check battery connections | ● | ||||||
| Sharpen3)/ Replace mower blades | ● | ||||||
| Clean the engine's cooling air intake 2) | ■ | ■ | |||||
| Clean the air cleaner's foam pre-filter 2) | ■ | ■ | |||||
| Clean the air cleaner's paper filter cartridge 2) | ■ | ||||||
| Check/adjust the parking brake | ♦ | ♦ | |||||
| Inspect muffler/spark arrester | ♦ | ♦ | |||||
| Check/adjust throttle cable | ■ | ||||||
| Check the condition of belts, belt pulleys | ● | ● | |||||
| Change the engine oil 1) | ■ | ■ | |||||
| Replace the engine oil filter | ■ | ■ | |||||
| Clean/replace the spark plugs | ■ | ■ | |||||
| Replace the fuel filter | ● | ● | |||||
| Replace paper air filter 2) | ■ | ■ | |||||
| Check the caster wheels (every 200 hours) | ● | ● | |||||
| Replace the air cleaner's foam pre-filter 2) | ■ | ||||||
| Check/adjust the mower deck | ● | ● | |||||
| Check the engine valve clearance 3) | ♦ | ♦ | |||||
| Perform the 300-hour service 3) | ♦ | ♦ | |||||
1) First change after 8-10 hours. When operating with a heavy load or at high ambient temperatures, replace every 50 hours.
2) In dusty conditions, cleaning and replacement are required more often.
3) Performed by authorized service workshop.
● = Described in this manual
♦ = Not described in this manual
■ = Refer to the engine manufacturer's manual
Before performing any service or adjustment checklist:
Your mower is equipped with a maintenance free battery and does not need servicing. However, periodic charging of the battery with an automotive type battery charger will extend its life.
Always wear eye protection when around batteries.

Cleaning battery and terminals
Corrosion and dirt on the battery and terminals can cause the battery to lose power.
Replacing battery
| STANDARD BATTERY | STATE OF CHARGE | APPROXIMATE BATTERY CHARGING TIME* TO FULL CHARGE AT 80°F / 27°C | |||
| Maximum Rate at: | |||||
| 50 Amps | 30 Amps | 20 Amps | 10 Amps | ||
| 12.6V | 100% | -FULL CHARGE- | |||
| 12.4V | 75% | 20 min. | 35 min. | 48 min. | 90 min. |
| 12.2V | 50% | 45 min. | 75 min. | 95 min. | 180 min. |
| 12.0V | 25% | 65 min. | 115 min. | 145 min. | 280 min. |
| 11.8V | 0% | 85 min. | 150 min. | 195 min. | 370 min. |
*Charging time depends on battery capacity, condition, age, temperature and efficiency of charger
Do not attempt to open or remove caps or covers. Adding or checking level of electrolyte is not necessary.
Always use two wrenches for the terminal screws.
Do not short battery terminals by allowing a wrench or any other object to contact both terminals at the same time. Before connecting battery, remove metal bracelets, wristwatch bands, rings, etc.
Positive terminal must be connected first to prevent sparks from accidental grounding.
The machine is equipped with a safety system that prevents starting or driving under the following conditions.
The engine can only be started when:
Make daily inspections to ensure that the safety system works by attempting to start the engine when one of the conditions is not met. Change the conditions and try again.
If the machine starts when one of these conditions is not met, turn the machine off and repair the safety system before using the machine again.
Make sure the engine stops when the park brake is not engaged and the operator leaves the seated position.
Check that the engine stops if the mower blades are engaged and the driver temporarily moves off the drivers seat.

Visually check that no damage is found on the lever, links or switch belonging to the parking brake. Perform a standstill test and check that there is sufficient braking action.
To adjust the parking brake, contact the Husqvarna service workshop.
The machine must be absolutely standing still when applying the parking brake.
Faulty adjustment will result in reduced braking ability and can cause an accident.
All tires should be at 15 psi / 103 kPa / 1 bar.

Adjust anti-scalp rollers with the mower on a flat level surface.
Anti-scalp rollers are properly adjusted when they are just slightly off of the ground when the deck is at the desired cutting height in the operating position. Antiscalp rollers then keep the deck in the proper position to help prevent scalping in most terrain conditions. Anti-scalp rollers can be set in four positions. The rollers should be approximately ¼" (6.5 mm) from ground. Do not adjust the rollers to support the deck.

To avoid deck damage, the anti-scalp rollers must not be adjusted to support the deck.
Check every 100 hours of operation. Check for severe cracking and large nicks.
NOTE: The belt will show some small cracks in normal operation.
The belts are not adjustable. Replace belts if they begin to slip from wear.

Removing the deck belt
Deck Belt Removal
Deck Belt Installation
NOTE: For ease in installing the deck belt, refer to the routing decal on the top of the deck.

To attain the best mowing effect, it is important that blades are well sharpened and not damaged.
Replace blades that have been bent or cracked when hitting obstacles.
Let the service workshop should decide whether the blade can be repaired/ground or must be replaced. Balance the blades after sharpening.
Check the blade mounts.

Blade attachment
Blades are sharp. Protect your hands with gloves and/or wrap blades with a heavy cloth when handling.
The sharpening of blades should be carried out by an authorized service workshop.

Blade replacement
Special blade bolt is heat treated.
Replace with a Husqvarna bolt if required.
Do not use lower grade hardware than specified.
Leveling deck
Adjust the deck while the mower is on a level surface. Make sure the tires are inflated to the correct pressure. See Technical Data / Transmission. If tires are under or over inflated, the deck cannot be properly adjusted. Raise the deck to the highest (transport) position.
The deck should be adjusted slightly higher in the rear.
NOTE: To insure accuracy of leveling procedure, mower deck drive belt must be installed prior to leveling deck.
Check every 200 hours. Check that wheels rotate freely. If wheels do not rotate freely take the unit to your dealer for service.
Foam filled tires or solid tires will void the warranty.

Removal and installation of caster wheel
DO NOT add any type of tire liner or foam fill material to the tires. Excessive loads created by foam filled tires will cause premature failures.
Only use O.E.M. specified tires.
Use protective glasses when cleaning and washing.


Regular cleaning, especially under the mower deck, will increase the machine's life-span. Make it a habit to clean the machine directly after use (after it is cooled), before the debris sticks.
Do not spray water on the top of the mower deck. Use compressed air to clean the top side of mower deck. Regularly clean the underside of the deck with normal water pressure. Do not use a high pressure washer or steam cleaner. Avoid spraying engine and electrical components with water.
For models fitted with a cleanout port, attach the quick connect (from the accessory packet) to any garden hose. After mowing, snap the hose to the cleanout port and turn on water supply.
Restart the mower and engage the blades to use the spinning action to wash away debris. Make sure the hose is away from the mower blades.
Do not rinse hot surfaces with cold water. Let unit cool before washing.
Check daily. Inspect the entire machine for loose or missing hardware.

General
Remove the ignition key to prevent unintentional movements during lubrication.
When lubricating with an oil can, it must be filled with engine oil.
When lubricating with grease, unless otherwise stated, use a high grade molybdenum disulphide grease.
For daily use, the machine should be lubricated twice weekly.
Wipe away excess grease after lubrication.
It is important to avoid getting lubricant on the belts or the drive surfaces on the belt pulleys. Should this happen, attempt to clean them with spirits. If the belt continues to slip after cleaning, it must be replaced. Gasoline or other petroleum products must not be used to clean belts.
Use minimal lubrication and remove excess lubricant so that is does not come into contact with belts or belt pulley drive surfaces.
The engine drain plug is located close to the muffler. To prevent burns, the engine should be shut off and allowed to cool slightly so the engine is still warm but the surrounding surfaces and oil are not.
NOTE: Change the engine oil when the engine is warm. Refer to the engine owner's manual for the correct replacement oil and filter change recommendations.
Use only good quality bearing grease.
Grease from well-known brand names (petrochemical companies, etc.) usually maintains a good quality.

Front Wheel Mount
Lubricate 3-4 strokes with a grease gun on each set of wheel bearings.
Front Wheel Bearings
Lubricate 3-4 strokes with a grease gun on each set of wheel bearings.

Deck Spindles
Lower the cutting deck completely.
If a grease gun without rubber hose is used, the foot plate must be removed to access the center deck spindle.
Lubricate with a grease gun, 2-3 strokes per spindle.
The transmission is maintenance free with no need for level checks or oil changes. If a leak occurs, replace the unit or contact your Husqvarna dealer.
| Problem | Cause |
Engine will not start |
|
Starter does not turn the engine over |
|
Engine runs rough |
|
Engine seems weak |
|
Machine vibrates |
|
Engine overheats |
|
Battery not charging |
|
The machine moves slowly/unevenly or not at all |
|
Deck not engaging |
|
Transaxle leaks oil |
|
Uneven mowing results |
|
The machine should be readied for storage at the end of the mowing season or if it will not be in use for longer than 30 days. Fuel allowed to stand for long periods of time (30 days or more) can leave sticky residues that can plug the carburetor and disrupt engine function.
Fuel stabilizers are an acceptable option as regards to the sticky residues that can occur during storage.
Add stabilizer to the fuel in the tank or in the storage container. Always use the mixing ratios specified by the manufacturer of the stabilizer. Run the engine for at least 10 minutes after adding the stabilizer so that it reaches the carburetor. Do not empty the fuel tank and the carburetor if you have added stabilizer.
Never store an engine with fuel in the tank indoors or in poorly ventilated spaces where fuel vapor can come in contact with open flames, sparks, or a pilot light such as in a boiler, hot water tank, clothes dryer, etc. Handle the fuel with care. It is very flammable and can cause serious personal injury and property damage. Drain the fuel into an approved container outdoors and store far away from open flame. Never use gasoline for cleaning. Use a degreaser and warm water instead.
To ready the machine for storage:
When ordering spare parts, please specify the purchase year, model, type, and serial number.
Always use genuine Husqvarna spare parts.
An annual check-up at an authorized service workshop is a good way to ensure that your machine performs its best the following season.
NOTES:

| Torque Specifications | |||
| Engine crankshaft bolt | 75 ft/lb (100 Nm) | Standard ¼" fasteners | 9 ft/lb (12 Nm) |
| Deck pulley bolts | 75 ft/lb (100 Nm) | Standard 5/16" fasteners | 18 ft/lb (25 Nm) |
| Lug nuts | 75 ft/lb (100 Nm) | Standard 3/8" fasteners | 33 ft/lb (44 Nm) |
| Blade bolt | 50 ft/lb (67 Nm) | Standard 7/16" fasteners Standard ½" fasteners | 52 ft/lb (70 Nm) 80 ft/lb (110 Nm) |
HEX HEAD CAP SCREWS
The torque values shown should be used as a general guideline when specific torque values are not given.
| U.S. Standard Hardware | |||||||
| Grade | SAE Grade 5 | SAE Grade 8 | Flangelock Screw w/Flangelock Nut | ||||
| Size | ft./lbs | Nm | ft./lbs | Nm | ft./lbs | Nm | |
| Shank Size (Diameter in inches, fine or coarse thread) | ¼ | 9 | 12 | 13 | 18 | ||
| 5/16 | 18 | 24 | 28 | 38 | 24 | 33 | |
| 3/8 | 31 | 42 | 46 | 62 | 40 | 54 | |
| 7/16 | 50 | 68 | 75 | 108 | |||
| ½ | 75 | 102 | 115 | 156 | |||
| 9/16 | 110 | 150 | 165 | 224 | |||
| 5/8 | 150 | 203 | 225 | 305 | |||
| ¾ | 250 | 339 | 370 | 502 | |||
| 7/8 | 378 | 513 | 591 | 801 | |||
| 11/8 | 782 | 1060 | 1410 | 1912 | |||
** Grade 5 - Minimum commercial quality (lower quality not recommended)
| Metric Standard Hardware | |||||||
| Grade | Grade 8.8 | Grade 10.9 | Grade 12.9 | ||||
| Size | ft./lbs | Nm | ft./lbs | Nm | ft./lbs | Nm | |
| Shank Size (Diameter in inches, fine or coarse thread) | M4 | 1.5 | 2 | 2.2 | 3 | 2.7 | 3.6 |
| M5 | 3 | 4 | 4.5 | 6 | 5.2 | 7 | |
| M6 | 5.2 | 7 | 7.5 | 10 | 8.2 | 11 | |
| M7 | 8.2 | 11 | 12 | 16 | 15 | 20 | |
| M8 | 13.5 | 18 | 18.8 | 25 | 21.8 | 29 | |
| M10 | 24 | 32 | 35.2 | 47 | 43.5 | 58 | |
| M12 | 43.5 | 58 | 62.2 | 83 | 75 | 100 | |
| M14 | 70.5 | 94 | 100 | 133 | 119 | 159 | |
| M16 | 108 | 144 | 147 | 196 | 176 | 235 | |
| M18 | 142 | 190 | 202 | 269 | 242 | 323 | |
| M20 | 195 | 260 | 275 | 366 | 330 | 440 | |
| M22 | 276 | 368 | 390 | 520 | 471 | 628 | |
| M24 | 353 | 470 | 498 | 664 | 596 | 794 | |
| M27 | 530 | 707 | 474 | 996 | 904 | 1205 | |
Accessories
Collection system
| Engine | |
| Manufacturer | Kohler |
| Type | KT745 |
| Power | 26 hp 1) |
| Lubrication | Pressure with oil filter |
| Fuel | Min 87 octane unleaded (Max ethanol 10%, Max MTBE 15%) |
| Fuel tank capacity | 3.5 gallons / 13.25 liters |
| Cooling | Air cooled |
| Air filter | Standard |
| Alternator | 12V |
| Starter | Electric |
| Transmission | |
| Transmission | Hydrostatic transaxles |
| Speed and direction controls | Dual levers, foam gripped |
| Speed forward | 0-6.5 mph / 0-10.5 km/h |
| Speed reverse | 0-3.5 mph / 0-5.6 km/h |
| Brakes | Mechanical parking brake |
| Front caster tires, smooth tread | 11 x 6-5 |
| Rear tires, turf pneumatic | 18 x 9.5-8 |
| Tire pressure | 15 PSI / 103 kPa / 1 bar |
| Frame | |
| Cutting Width | 54" / 137cm |
| Cutting Height | 1.5 - 4" / 3.8 - 10.2 cm |
| Uncut Circle | 0 |
| Number of Blades | 3 |
| Blade Length | 18¼" / 46.4 cm |
| Gauge Wheels | 4 Adjustable |
| Sprung Seat | Standard |
| Hour Meter | Digital |
| Blade Engagement | Electromagnetic Clutch |
| Deck Construction | Stamped |
| Productivity | 2.8 acres/h / 11331 m2/h |
| Dimensions | |
| Weight | 640 lbs / 290 kg |
| Base Machine Length | 75" / 191 cm |
| Base Machine Height | 40" / 102 cm |
| Base Machine Width | 43¾" / 112 cm |
| Overall Width, Chute Up | 57" / 145 cm |
| Overall Width, Chute Down | 67½" / 171 cm |
1) The power rating as declared by the engine manufacturer is the average gross power output at the specified RPM of a typical production engine for the engine model measured using SAE Standards for engine gross power. Refer to the engine manufacturer engine specifications.
Documents / ResourcesAdvertisement















Need help?
Do you have a question about the RZ5426 and is the answer not in the manual?
Questions and answers