Asus TUF GAMING B550-PLUS Wi-Fi Manual
![]()
About this guide
This user guide contains the information you need when installing and configuring the motherboard.
How this guide is organized
This guide contains the following parts:
- Chapter 1: Product Introduction
This chapter describes the features of the motherboard and the new technology it supports. It includes descriptions of the switches, jumpers, and connectors on the motherboard. - Chapter 2: BIOS and RAID Support
This chapter tells how to boot into the BIOS, upgrade BIOS using the EZ Flash Utility and support on RAID.
Where to find more information
Refer to the following sources for additional information and for product and software updates.
- ASUS website
The ASUS website provides updated information on ASUS hardware and software products. Refer to the ASUS contact information. - Optional documentation
Your product package may include optional documentation, such as warranty flyers, that may have been added by your dealer. These documents are not part of the standard package.
Conventions used in this guide
To ensure that you perform certain tasks properly, take note of the following symbols used throughout this manual.
![]()
Information to prevent damage to the components and injuries to yourself when trying to complete a task.
![]()
Instructions that you MUST follow to complete a task.
NOTE: Tips and additional information to help you complete a task.
Package contents
Check your motherboard package for the following items.
| Motherboard | 1 x TUF GAMING B550-PLUS (Wi-Fi) motherboard |
| Cables | 2 x SATA 6Gb/s cables |
| Miscellaneous | 1 x I/O Shield 1 x M.2 Rubber package 1 x M.2 SSD screw package 1 x TUF Gaming sticker |
| Application DVD | 1 x Support DVD |
| Documentation | 1 x TUF Certification card 1 x User manual |
If any of the above items is damaged or missing, contact your retailer.
Specifications summary
| CPU | AMD Socket AM4 for 3rd Gen AMD Ryzen and 3rd Gen AMD Ryzen with Radeon Graphics Processors* *Refer to www.asus.com for CPU support list. |
| Chipset | AMD B550 Chipset |
| Memory | 3rd Gen AMD Ryzen Processors 4 x DIMM, Max. 128GB, DDR4 4600(O.C.)/4400(O.C.)/4266(O.C.)/4133(O.C.)/4000(O.C.)/3866(O.C.)/3733(O.C.)/3600(O.C.)/3466(O.C.)/3333(O.C.)/3200/3000/2800/2666/2400/2133 MHz, Un-buffered Memory* 3rd Gen AMD Ryzen with Radeon Graphics Processors 4 x DIMM, Max. 128GB, DDR4 4800(O.C.)/4600(O.C)/4466(O.C.)/4400(O.C)/ 4266(O.C.)/4133(O.C.)/4000(O.C.)/3866(O.C.)/3733(O.C.)/3600(O.C.)/3466(O.C.)/3333(O.C.)/3200/3000/2800/2666/2400/2133 MHz, Un-buffered Memory* Dual Channel Memory Architecture *ECC Memory (ECC mode) support varies by CPU. **Refer to www.asus.com for the Memory QVL (Qualified Vendors Lists). |
| Graphics | 1 x DisplayPort 1.2 1 x HDMI 2.1(4K@60HZ) *Graphics specifications may vary between CPU types. |
| Expansion Slots | 3rd Gen AMD Ryzen Processors 1 x PCIe 4.0 x16 slot (supports x16 mode) 3rd Gen AMD Ryzen with Radeon Graphics Processors 1 x PCIe 3.0 x16 slot (supports x16 mode) AMD B550 Chipset 1 x PCIe 3.0 x16 slot (supports x4 mode)* 3 x PCIe 3.0 x1 slots* *PCIE 3.0 X16_2 runs x1 mode when any of the PCIe 3.0 x1 slots is occupied. **Support PCIe bifurcation for RAID on CPU function. |
| Multi-GPU Support | Supports AMD 2-Way CrossFireX Technology |
| Storage | Total supports 2 x M.2 slots and 6 x SATA 6Gb/s ports 3rd Gen AMD Ryzen Processors M.2_1 slot (Key M), type 2242/2260/2280/22110 (supports PCIe 4.0 x4 & SATA modes) 3rd Gen AMD Ryzen with Radeon Graphics Processors M.2_1 slot (Key M), type 2242/2260/2280/22110 (supports PCIe 3.0 x4 & SATA modes) AMD B550 Chipset M.2_2 slot (Key M), type 2242/2260/2280/22110 (supports PCIe 3.0 x4 & SATA modes)* 6 x SATA 6Gb/s ports Supports RAID 0, 1, 10 * M.2_2 shares bandwidth with SATA6G_56. When M.2_2 is populated, SATA6G_56 will be disabled. |
| Ethernet | 1 x Realtek RTL8125B 2.5Gb Ethernet |
| Wireless & Bluetooth | Intel Wi-Fi 6 AX200 2x2 Wi-Fi 6 (802.11 a/b/g/n/ac/ax) support 1024QAM/OFDMA/MU-MIMO Supports up to 2.4Gbps max data rate Supports 2.4/5GHz Dual-Band Supports channel bandwidth: HT20/HT40/HT80/HT160 Supports PCIe interface Bluetooth v5.1* *Bluetooth 5.1 function will be ready in Windows 10 build 19041 or later. |
| USB | Rear USB (Total 8 ports) 2 x USB 3.2 Gen 2 ports (1 x Type-A + 1 x USB Type-C) 4 x USB 3.2 Gen 1 ports (4 x Type-A) 2 x USB 2.0 ports (2 x Type-A) Front USB (Total 6 ports) 1 x USB 3.2 Gen 1 header supports additional 2 USB 3.2 Gen 1 ports 2 x USB 2.0 headers support additional 4 USB 2.0 ports |
| Audio | Realtek ALC S1200A 7.1 Surround Sound High Definition Audio CODEC* - Supports Jack detection, Multi-streaming, Front Panel Jack-retasking
- Supports up to 24-Bit/192 kHz playback
Audio Features - Audio Shielding
- Rear optical S/PDIF out port
- Premium Japanese audio capacitors
- Dedicated audio PCB layers
- Audio cover
- Unique de-pop circuit
|
| Back Panel I/O Ports | 2 x USB 3.2 Gen 2 ports (1 x Type-A + 1 x USB Type-C) 4 x USB 3.2 Gen 1 ports (4 x Type-A) 2 x USB 2.0 ports (2 x Type-A) 1 x DisplayPort 1 x HDMI port 1 x ASUS Wi-Fi Module 1 x Realtek RTL8125B 2.5Gb Ethernet port 5 x Audio jacks 1 x Optical S/PDIF out port 1 x BIOS FlashBack button |
| Internal I/O Connectors | Fan and cooling related 1 x 4-pin CPU Fan header 1 x 4-pin CPU OPT Fan header 1 x 4-pin AIO Pump header 3 x 4-pin Chassis Fan headers Power related 1 x 24-pin Main Power connector 1 x 8-pin +12V Power connector Storage related 2 x M.2 slots (Key M) 6 x SATA 6Gb/s ports USB 1 x USB 3.2 Gen 1 header supports additional 2 USB 3.2 Gen 1 ports 2 x USB 2.0 headers support additional 4 USB 2.0 ports Miscellaneous 2 x AURA Addressable Gen 2 headers 2 x AURA RGB headers 1 x Clear CMOS header 1 x COM Port header 1 x Front Panel Audio header (AAFP) 1 x SPI TPM header (14-1pin) 1 x 20-5 pin System Panel header 1 x Thermal Sensor header 1 x Thunderbolt header |
| Special Features | ASUS TUF PROTECTION - ASUS DIGI+ VRM (Digital power design with DrMOS)
- ASUS Enhanced DRAM Overcurrent Protection
- ASUS ESD Guards
- TUF LANGuard
- ASUS Overvoltage Protection
- ASUS SafeSlot
- ASUS Stainless-Steel Back I/O
ASUS Q-Design - ASUS Q-DIMM
- ASUS Q-LED (CPU [red], DRAM [yellow], VGA [white], Boot Device [yellow green])
- ASUS Q-Slot
ASUS Thermal Solution ASUS EZ DIY - BIOS FlashBack button
- BIOS FlashBack LED
- Procool
AURA Sync - AURA RGB headers
- Addressable Gen 2 RGB header
|
| Software Features | ASUS Exclusive Software Armoury Crate - Aura Sync
- AI Noise-Canceling Microphone
AI Suite 3 - Performance and Power Saving Utility
TurboV EVO EPU Digi+ VRM Fan Xpert 4 PC Cleaner - EZ update
- System Information
Aura Creator TUF GAMING CPU-Z AI Charger ASUS Turbo LAN DTS Custom for GAMING Headsets Norton Anti-virus software (Free Trial for 60 days) WinRAR UEFI BIOS ASUS EZ DIY - ASUS CrashFree BIOS 3
- ASUS EZ Flash 3
- ASUS UEFI BIOS EZ Mode
|
| BIOS | 256 Mb Flash ROM, UEFI AMI BIOS |
| Manageability | WOL by PME, PXE |
| Operating System | Windows 10 64 - bit |
| Form Factor | ATX Form Factor 12 inch x 9.6 inch ( 30.5 cm x 24.4 cm ) |
Specifications are subject to change without notice. Refer to the ASUS website for the latest specifications.
Connectors with shared bandwidth
![Asus - TUF GAMING B550-PLUS Wi-Fi - Connectors with shared bandwidth Connectors with shared bandwidth]()
| Configuration | 1 | 2 |
| A | PCIEX16_2 | x4 | x1 |
| PCIEX1_1 | - | x1 |
| PCIEX1_2 | - | x1 |
| PCIEX1_3 | - | x1 |
| Configuration | 1 | 2 |
| B | M.2_2 | PCIe 3.0 x4 / SATA | - |
| SATA6G_56 | - | v |
![information]()
- PCIE 3.0 X16_2 runs x1 mode when any of the PCIe 3.0 x1 slots is occupied.
- M.2_2 shares bandwidth with SATA6G_56. When M.2_2 is populated, SATA6G_56 will be disabled.
Product Introduction
Before you proceed
Take note of the following precautions before you install motherboard components or change any motherboard settings.
![]()
- Unplug the power cord from the wall socket before touching any component.
- Before handling components, use a grounded wrist strap or touch a safely grounded object or a metal object, such as the power supply case, to avoid damaging them due to static electricity.
- Before you install or remove any component, ensure that the ATX power supply is switched off or the power cord is detached from the power supply. Failure to do so may cause severe damage to the motherboard, peripherals, or components.
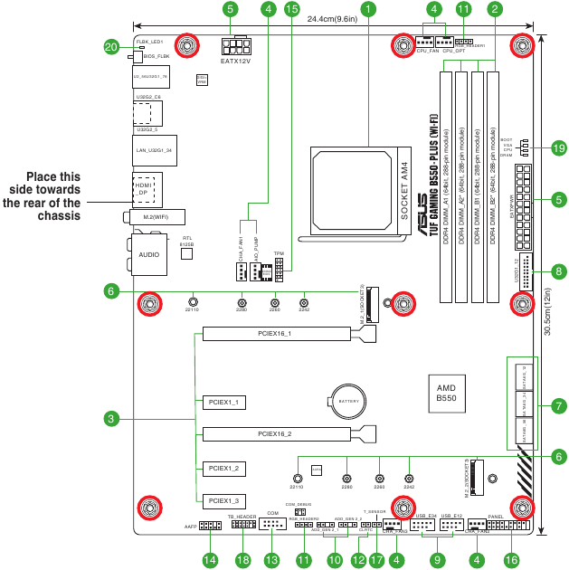
Product overview
![Asus - TUF GAMING B550-PLUS Wi-Fi - Product overview Product overview]()
![]()
Unplug the power cord before installing or removing the motherboard. Failure to do so can cause you physical injury and damage motherboard components.
Layout contents
- CPU socket
The motherboard comes with an AMD Socket AM4 designed for 3rd Gen AMD Ryzen and 3rd Gen AMD Ryzen with Radeon Graphics Processors.
For more details, refer to Central Processing Unit (CPU). - DDR4 DIMM slots
The motherboard comes with Dual Inline Memory Modules (DIMM) slots designed for DDR4 (Double Data Rate 4) memory modules.
For more details, refer to System memory. - Expansion slots
This motherboard supports two PCIe x16 graphics cards and three PCIe 3.0 x1 network cards, SCSI cards and other cards that comply with the PCI Express specification. Please refer to the following table for the Hyper M.2 configuration.
| Hyper M.2 x16 series card configuration |
| Slot | PCIe bifurcation settings in PCIe x16 slots with different Ryzen CPUs |
| PCIEX16_1 | 3rd Gen AMD Ryzen Processors (Support PCIe Gen 4 SSDs) |
| Supported SSDs |
| 4 |
![information]()
- Hyper M.2 X16 series cards are sold separately.
- When using 3rd Gen AMD Ryzen Processors and a Hyper M.2 X16 series card with 4 M.2 SSDs, if you wish to connect a display, we suggest installing a VGA card to PCIe X16_2, which will run at x4.
- Set PCIEX16_1 to [PCIe RAID Mode] under BIOS settings to enable the Hyper M.2 X16 series card.
- Fan headers
The Fan headers allow you to connect fans to cool the system.
| Header | Max. Current | Max. Power | Default Speed | Shared Control |
| CPU_FAN | 1A | 12W | Q-Fan Controlled | A |
| CPU_OPT | 1A | 12W | Q-Fan Controlled | A |
| CHA_FAN1 | 1A | 12W | Q-Fan Controlled | - |
| CHA_FAN2 | 1A | 12W | Q-Fan Controlled | - |
| CHA_FAN3 | 1A | 12W | Q-Fan Controlled | - |
- Power connectors
These Power connectors allow you to connect your motherboard to a power supply. The power supply plugs are designed to fit in only one orientation. Find the proper orientation and push down firmly until the power supply plugs are fully inserted.
![]()
Ensure to connect the 8-pin power plug.
![]()
- For a fully configured system, we recommend that you use a power supply unit (PSU) that complies with ATX 12V Specification 2.0 (or later version) and provides a minimum power of 350 W.
- We recommend that you use a PSU with a higher power output when configuring a system with more power-consuming devices. The system may become unstable or may not boot up if the power is inadequate.
- If you are uncertain about the minimum power supply requirement for your system, we recommend you to refer to online resources for Power Supply Wattage Calculator.
- M.2 Slots (Key M)
The M.2 slots allow you to install M.2 devices such as M.2 SSD modules.
![]()
- For 3rd Gen AMD Ryzen Processors, M.2_1 slot supports PCIe 4.0 x4 mode and SATA mode Key M design and type 2242/2260/2280/22110 storage devices.
- For 3rd Gen AMD Ryzen with Radeon Graphics Processors, M.2_1 slot supports PCIe 3.0 x4 mode and SATA mode Key M design and type 2242/2260/2280/22110 storage devices.
- For AMD B550 chipset, M.2_2 slot supports PCIe 3.0 x4 mode and SATA mode Key M design and type 2242/2260/2280/22110 storage devices.
- SATA 6Gb/s ports
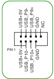
The SATA 6Gb/s ports allow you to connect SATA devices such as optical disc drives and hard disk drives via a SATA cable. - USB 3.2 Gen 1 header
The USB 3.2 Gen 1 header allows you to connect a USB 3.2 Gen 1 module for additional USB 3.2 Gen 1 ports. The USB 3.2 Gen 1 header provides data transfer speeds of up to 5 Gb/s.
The USB 3.2 Gen 1 module is purchased separately.
- USB 2.0 headers
The USB 2.0 headers allow you to connect USB modules for additional USB 2.0 ports. The USB 2.0 headers provide data transfer speeds of up to 480 Mb/s.
![]()
DO NOT connect a 1394 cable to the USB connectors. Doing so will damage the motherboard!
The USB 2.0 module is purchased separately.
- Aura Addressable Gen 2 headers
The Addressable Gen 2 headers allow you to connect individually addressable RGB WS2812B LED strips or WS2812B based LED strips.
![]()
The Addressable Gen 2 headers support WS2812B addressable RGB LED strips (5V/Data/Ground), with a maximum power rating of 3A (5V), and the addressable headers on this board can handle a combined maximum of 500 LEDs.
![]()
Before you install or remove any component, ensure that the power supply is switched off or the power cord is detached from the power supply. Failure to do so may cause severe damage to the motherboard, peripherals, or components.
![]()
- Actual lighting and color will vary with LED strip.
- If your LED strip does not light up, check if the addressable RGB LED strip is connected in the correct orientation, and the 5V connector is aligned with the 5V header on the motherboard.
- The addressable RGB LED strip will only light up when the system is powered on.
- The addressable RGB LED strip is purchased separately.
- Aura RGB headers
The RGB headers support 5050 RGB multi-color LED strips (12V/G/R/B), with a maximum power rating of 3A (12V), and no longer than 3 m.
![]()
The RGB headers support 5050 RGB multi-color LED strips (12V/G/R/B), with a maximum power rating of 3A (12V), and no longer than 3 m.
![]()
Before you install or remove any component, ensure that the ATX power supply is switched off or the power cord is detached from the power supply. Failure to do so may cause severe damage to the motherboard, peripherals, or components.
![information]()
- Actual lighting and color will vary with LED strip.
- If your LED strip does not light up, check if the RGB LED extension cable and the RGB LED strip are connected in the correct orientation, and the 12V connector is aligned with the 12V header on the motherboard.
- The LED strip will only light up when the system is powered on.
- The LED strip is purchased separately.
- Clear CMOS header
This header allows you to clear the CMOS RTC RAM data of the system setup information such as date, time, and system passwords.
To erase the RTC RAM:
- Turn OFF the computer and unplug the power cord.
- Use a metal object such as a screwdriver to short the two pins.
- Plug the power cord and turn ON the computer.
- Hold down the <Del> key during the boot process and enter BIOS setup to reenter data.
If the steps above do not help, remove the onboard battery and short the two pins again to clear the CMOS RTC RAM data. After clearing the CMOS, reinstall the battery.
- COM Port header
This header is for a serial (COM) port. Connect the serial port module cable to this header, then install the module to a slot opening at the back of the system chassis.
![]()
- Front panel audio header
This header is for a chassis-mounted front panel audio I/O module that supports HD audio standard. Connect one end of the front panel audio I/O module cable to this header.
![]()
![]()
- We recommend that you connect a high-definition front panel AAFP audio module to this header to avail of the motherboard's high-definition audio capability.
- If you want to connect a high-definition front panel audio module to this header, set the Front Panel Type item in the HD-audio-compliant BIOS setup to [HD Audio]. By default, this header is set to [HD pin definition Audio].
- SPI TPM header
This header supports a Trusted Platform Module (TPM) system with a Serial Peripheral Interface (SPI), allowing you to securely store keys, digital certificates, passwords, and data. A TPM system also helps enhance network security, protects digital identities, and ensures platform integrity.
- 20-5 pin System Panel header
This header supports several chassis-mounted functions.
- System power LED (2-pin PLED)
This 2-pin header is for the system power LED. Connect the chassis power LED cable to this header. The system power LED lights up when you turn on the system power, and blinks when the system is in sleep mode. - Hard disk drive activity LED (2-pin HDD_LED)
This 2-pin header is for the HDD Activity LED. Connect the HDD Activity LED cable to this header. The HDD LED lights up or flashes when data is read from or written to the HDD. - System warning speaker (4-pin SPEAKER)
This 4-pin header is for the chassis-mounted system warning speaker. The speaker allows you to hear system beeps and warnings. - ATX power button/soft-off button (2-pin PWRSW)
This header is for the system power button. Pressing the power button turns the system on or puts the system in sleep or soft-off mode depending on the operating system settings. Pressing the power switch for more than four seconds while the system is ON turns the system OFF. - Reset button (2-pin RESET)
This 2-pin header is for the chassis-mounted reset button for system reboot without turning off the system power.
- Thermal Sensor header
This header is for the thermistor cable that allows you to monitor the temperature of your motherboard's critical components and connected devices.
![]()
- Thunderbolt header
This header is for the add-on Thunderbolt I/O card that supports Intel's Thunderbolt Technology, allowing you to connect up to six Thunderbolt-enabled devices and a DisplayPort-enabled display in a daisy-chain configuration.
![]()
- Q-LEDs
The Q-LEDs check key components (CPU, DRAM, VGA, and booting devices) during the motherboard booting process. If an error is found, the critical component's LED stays lit up until the problem is solved.
The Q-LEDs provide the most probable cause of an error code as a starting point for troubleshooting. The actual cause may vary from case to case.
- BIOS FlashBack LED
The FlashBack LED lights up or blinks to indicate the status of the BIOS FlashBack.
![]()
Scan the QR code for more information on BIOS FlashBack function.
![]()
Rear panel connectors
![Asus - TUF GAMING B550-PLUS Wi-Fi - Rear panel connectors Rear panel connectors]()
- USB 2.0 port. This 4-pin Universal Serial Bus (USB) port is for USB 2.0 devices.
- USB 2.0 port with BIOS FlashBack function. Insert a USB storage device to this USB 2.0 port to run BIOS FlashBack.
- USB 3.2 Gen 2 (up to 10Gbps) port (teal blue, Type A). This 9-pin Universal Serial Bus 3.2 (USB 3.2) port is for USB 3.2 Gen 2 devices.
- Ethernet port. This port allows 2.5G Gigabit connection to a Local Area Network (LAN) through a network hub. Refer to the table below for the Ethernet port LED indications
| Realtek RTL8125B 2.5G Ethernet port LED indications |
| Activity Link LED | Speed LED |
| Status | Description | Status | Description |
| OFF | No link | OFF | 100 Mbps connection |
| GREEN | Linked | GREEN | 2.5 Gbps connection |
| BLINKING | Data activity | ORANGE | 1 Gbps / 100 Mbps / 10 Mbps connection |
- DisplayPort. This port is for a DisplayPort-compatible device.
- Center / Subwoofer port (orange). This port connects the center/subwoofer speakers.
- Rear Speaker Out port (black). This port connects the rear speakers in a 4 channel, 5.1 channel, or 7.1 channel audio configuration.
- Line In port (light blue). This port connects the tape, CD, DVD player, or other audio sources.
- BIOS FlashBack button. Press the BIOS FlashBack button for three seconds until the FlashBack LED blinks three times, indicating that the BIOS FlashBack function is enabled.
- USB 3.2 Gen 1 (up to 5Gbps) ports. These 9-pin Universal Serial Bus (USB) ports connect to USB 3.2 Gen 1 devices.
- USB 3.2 Gen 2 (up to 10Gbps) port (USB Type-C).This 9-pin Universal Serial Bus 3.2 (USB 3.2) port is for USB 3.2 Gen 2 Type-C devices.
- HDMI port. This port is for a High-Definition Multimedia Interface (HDMI) connector, and is HDCP compliant allowing playback of HD DVD, Blu-ray, and other protected content.
- Intel Wi-Fi 6 AX200 ports. These ports connect to a Wi-Fi antenna.
![information]()
- Ensure that the ASUS 2x2 dual-band Wi-Fi antenna is securely installed to the Wi-Fi ports.
- Ensure that the antenna is at least 20 cm away from all persons.
- Optical S/PDIF Out port. This port connects to the optical S/PDIF devices.
- Microphone port (pink). This port connects a microphone.
- Line Out port (lime). This port connects a headphone or a speaker. In 4-channel, 5.1-channel, and 7.1-channel configurations, the function of this port becomes Front Speaker Out.
Refer to the audio configuration table for the function of the audio ports in 2, 4, 5.1, or 7.1-channel configuration.
| Audio 2, 4, 5.1 or 7.1-channel configuration |
| Port | Headset 2-channel | 4-channel | 5.1-channel | 7.1-channel |
| Light Blue | Line In | Line In | Line In | Side Speaker Out |
| Lime | Line Out | Front Speaker Out | Front Speaker Out | Front Speaker Out |
| Pink | Mic In | Mic In | Mic In | Mic In |
| Orange | – | – | Center/Subwoofer | Center/Subwoofer |
| Black | – | Rear Speaker Out | Rear Speaker Out | Rear Speaker Out |
Central Processing Unit
This motherboard comes with an AMD Socket AM4 designed for 3rd Gen AMD Ryzen and 3rd Gen AMD Ryzen with Radeon Graphics Processors.
![]()
Unplug all power cables before installing the CPU.
![]()
The AM4 socket has a different pinout design. Ensure that you use a CPU designed for the AM4 socket. The CPU fits in only one correct orientation. DO NOT force the CPU into the socket to prevent bending the connectors on the socket and damaging the CPU!
![Asus - TUF GAMING B550-PLUS Wi-Fi - Product Introduction - Installing the CPU Product Introduction - Installing the CPU]()
Installing the CPU
![]()
Apply the Thermal Interface Material to the CPU heatsink and CPU before you install the heatsink and fan if necessary.
System memory
This motherboard comes with four Double Data Rate 4 (DDR4) Dual Inline Memory Module (DIMM) sockets. The figure illustrates the location of the DDR4 DIMM sockets:
![Asus - TUF GAMING B550-PLUS Wi-Fi - Product Introduction - DDR4 DIMM sockets location Product Introduction - DDR4 DIMM sockets location]()
| Channel | Sockets |
| Channel A | DIMM_A1 & DIMM_A2* |
| Channel B | DIMM_B1 & DIMM_B2* |
![]()
- You may install varying memory sizes in Channel A and Channel B. The system maps the total size of the lower-sized channel for the dual-channel configuration. Any excess memory from the higher-sized channel is then mapped for single-channel operation.
- Always install DIMMs with the same CAS latency. For optimal compatibility, we recommend that you install memory modules of the same version or date code (D/C) from the same vendor. Check with the retailer to get the correct memory modules.
- A DDR4 memory module is notched differently from a DDR, DDR2, or DDR3 module. DO NOT install a DDR, DDR2, or DDR3 memory module to the DDR4 slot.
![information]()
- The default memory operation frequency is dependent on its Serial Presence Detect (SPD), which is the standard way of accessing information from a memory module. Under the default state, some memory modules for overclocking may operate at a lower frequency than the vendor-marked value.
- For system stability, use a more efficient memory cooling system to support a full memory load.
- Refer to www.asus.com for the latest Memory QVL (Qualified Vendors Lists).
![Asus - TUF GAMING B550-PLUS Wi-Fi - Recommended memory configurations Recommended memory configurations]()
Recommended memory configurations
![Asus - TUF GAMING B550-PLUS Wi-Fi - Product Introduction - Installing a DIMM Product Introduction - Installing a DIMM]()
Installing a DIMM
![]()
To remove a DIMM
M2 installation
![Asus - TUF GAMING B550-PLUS Wi-Fi - M2 installation - Step 1 M2 installation - Step 1]()
![Asus - TUF GAMING B550-PLUS Wi-Fi - M2 installation - Step 2 M2 installation - Step 2]()
![information]()
- Ensure to install the bundled M.2 rubber pad before installing your single sided M.2 storage device.
- DO NOT install the bundled M.2 rubber pads when installing a double-sided M.2 storage device. The rubber pad installed by default is compatible with double sided M.2 storage devices.
- The diagrams in this section are for reference only.
- The M.2 is purchased separately.
BIOS and RAID Support
Knowing BIOS
The new ASUS UEFI BIOS is a Unified Extensible Interface that complies with UEFI architecture, offering a user-friendly interface that goes beyond the traditional keyboard-only BIOS controls to enable a more flexible and convenient mouse input. You can easily navigate the new UEFI BIOS with the same smoothness as your operating system. The term "BIOS" in this user manual refers to "UEFI BIOS" unless otherwise specified.
BIOS (Basic Input and Output System) stores system hardware settings such as storage device configuration, overclocking settings, advanced power management, and boot device configuration that are needed for system startup in the motherboard CMOS. In normal circumstances, the default BIOS settings apply to most conditions to ensure optimal performance. DO NOT change the default BIOS settings except in the following circumstances:
- An error message appears on the screen during the system bootup and requests you to run the BIOS Setup.
- You have installed a new system component that requires further BIOS settings or update.
![]()
Inappropriate BIOS settings may result to instability or boot failure. We strongly recommend that you change the BIOS settings only with the help of a trained service personnel.
![information]()
- When downloading or updating the BIOS file, rename it as TGB550PW.CAP for this motherboard.
- BIOS settings and options may vary due to different BIOS release versions. Please refer to the latest BIOS version for settings and options.
![]()
For more information on BIOS configurations, please refer to https://www.asus.com/support, or download the BIOS manual by scanning the QR code.
![]()
BIOS Setup program
Use the BIOS Setup to update the BIOS or configure its parameters. The BIOS screen includes navigation keys and brief onscreen help to guide you in using the BIOS Setup program.
Entering BIOS at startup
To enter BIOS Setup at startup, press <Delete> or <F2> during the Power-On Self Test (POST). If you do not press <Delete> or <F2>, POST continues with its routines.
Entering BIOS Setup after POST
To enter BIOS Setup after POST:
- Press <Ctrl>+<Alt>+<Delete> simultaneously.
- Press the reset button on the system chassis.
- Press the power button to turn the system off then back on. Do this option only if you failed to enter BIOS Setup using the first two options.
After doing either of the three options, press <Delete> key to enter BIOS.
![]()
- Ensure that a USB mouse is connected to your motherboard if you want to use the mouse to control the BIOS setup program.
- If the system becomes unstable after changing any BIOS setting, load the default settings to ensure system compatibility and stability. Select the Load Optimized Defaults item under the Exit menu or press hotkey <F5>.
- If the system fails to boot after changing any BIOS setting, try to clear the CMOS and reset the motherboard to the default value.
- The BIOS setup program does not support Bluetooth devices.
BIOS menu screen
The BIOS Setup program can be used under two modes: EZ Mode and Advanced Mode. You can change modes from Setup Mode in Boot menu or by pressing the <F7> hotkey.
ASUS EZ Flash 3
The ASUS EZ Flash 3 feature allows you to update the BIOS without using an OS-based utility.
![]()
Ensure to load the BIOS default settings to ensure system compatibility and stability. Select the Load Optimized Defaults item under the Exit menu or press hotkey <F5>.
To update the BIOS by USB:
![]()
- This function can support devices such as a USB flash disk with FAT 32/16 format and single partition only.
- DO NOT shut down or reset the system while updating the BIOS to prevent system boot failure!
- Insert the USB flash disk that contains the latest BIOS file to the USB port.
- Enter the Advanced Mode of the BIOS setup program. Go to the Tool menu to select ASUS EZ Flash 3 Utility and press <Enter>.
- Select via Storage Device(s).
- Press <Tab> to switch to the Drive field.
- Press the Up/Down arrow keys to find the USB flash disk that contains the latest BIOS, and then press <Enter>.
- Press <Tab> to switch to the Folder field.
- Press the Up/Down arrow keys to find the BIOS file, and then press <Enter> to perform the BIOS update process. Reboot the system when the update process is done.
ASUS CrashFree BIOS 3
The ASUS CrashFree BIOS 3 utility is an auto recovery tool that allows you to restore the BIOS file when it fails or gets corrupted during the updating process. You can restore a corrupted BIOS file using a USB flash drive that contains the BIOS file.
![]()
If you want to use the latest BIOS file, download the file at https://www.asus.com/support/ and save it to a USB flash drive.
Recovering the BIOS
To recover the BIOS:
- Turn on the system.
- Insert the USB flash drive containing the BIOS file to the USB port.
- The utility automatically checks the devices for the BIOS file. When found, the utility reads the BIOS file and enters ASUS EZ Flash 3 automatically.
- The system requires you to enter BIOS Setup to recover the BIOS setting. To ensure system compatibility and stability, we recommend that you press <F5> to load default BIOS values.
![]()
DO NOT shut down or reset the system while updating the BIOS! Doing so can cause system boot failure!
RAID configurations
The motherboard comes with the RaidXpert2 Configuration Utility that supports RAID 0, RAID 1 and RAID 10 configuration.
![]()
For more information on configuring your RAID sets, please refer to the RAID Configuration Guide which you can find at https://www.asus.com/support, or by scanning the QR code.
![]()
RAID definitions
RAID 0 (Data striping) optimizes two identical hard disk drives to read and write data in parallel, interleaved stacks. Two hard disks perform the same work as a single drive but at a sustained data transfer rate, double that of a single disk alone, thus improving data access and storage. Use of two new identical hard disk drives is required for this setup.
RAID 1 (Data mirroring) copies and maintains an identical image of data from one drive to a second drive. If one drive fails, the disk array management software directs all applications to the surviving drive as it contains a complete copy of the data in the other drive. This RAID configuration provides data protection and increases fault tolerance to the entire system. Use two new drives or use an existing drive and a new drive for this setup. The new drive must be of the same size or larger than the existing drive.
RAID 10 is data striping and data mirroring combined without parity (redundancy data) having to be calculated and written. With the RAID 10 configuration you get all the benefits of both RAID 0 and RAID 1 configurations. Use four new hard disk drives or use an existing drive and three new drives for this setup.
Electrical safety
![]()
To prevent electrical shock hazard, disconnect the power cable from the electrical outlet before relocating the system. - When adding or removing devices to or from the system, ensure that the power cables for the devices are unplugged before the signal cables are connected. If possible, disconnect all power cables from the existing system before you add a device.
- Before connecting or removing signal cables from the motherboard, ensure that all power cables are unplugged.
- Seek professional assistance before using an adapter or extension cord. These devices could interrupt the grounding circuit.
- Ensure that your power supply is set to the correct voltage in your area. If you are not sure about the voltage of the electrical outlet you are using, contact your local power company.
- If the power supply is broken, do not try to fix it by yourself. Contact a qualified service technician or your retailer.
Operation safety
- Before installing the motherboard and adding components, carefully read all the manuals that came with the package.
- Before using the product, ensure all cables are correctly connected and the power cables are not damaged. If you detect any damage, contact your dealer immediately.
- To avoid short circuits, keep paper clips, screws, and staples away from connectors, slots, sockets and circuitry.
- Avoid dust, humidity, and temperature extremes. Do not place the product in any area where it may be exposed to moisture.
- Place the product on a stable surface.
- If you encounter technical problems with the product, contact a qualified service technician or your retailer.
- Your motherboard should only be used in environments with ambient temperatures between 0°C and 40°C.
Documents / Resources
References
Download manual
Here you can download full pdf version of manual, it may contain additional safety instructions, warranty information, FCC rules, etc.
Download Asus TUF GAMING B550-PLUS Wi-Fi Manual
Available languages
Need help?
Do you have a question about the TUF GAMING B550-PLUS Wi-Fi and is the answer not in the manual?
Questions and answers