Asus TUF GAMING B450M-PRO II Manual
Also See for TUF GAMING B450M-PRO II:

Advertisement

Asus TUF GAMING B450M-PRO II Manual

About this guide

This user guide contains the information you need when installing and configuring the motherboard.

How this guide is organized
This guide contains the following parts:

  • Chapter 1: Product Introduction
    This chapter describes the features of the motherboard and the new technology it supports. It includes descriptions of the switches, jumpers, and connectors on the motherboard.
  • Chapter 2: BIOS and RAID Support
    This chapter tells how to boot into the BIOS, upgrade BIOS using the EZ Flash Utility and support on RAID.

Where to find more information
Refer to the following sources for additional information and for product and software updates.

  1. ASUS website
    The ASUS website provides updated information on ASUS hardware and software products. Refer to the ASUS contact information.
  2. Optional documentation
    Your product package may include optional documentation, such as warranty flyers, that may have been added by your dealer. These documents are not part of the standard package.

Conventions used in this guide
To ensure that you perform certain tasks properly, take note of the following symbols used throughout this manual.


Information to prevent damage to the components and injuries to yourself when trying to complete a task.


Instructions that you MUST follow to complete a task.

information NOTE: Tips and additional information to help you complete a task.

Package contents

Check your motherboard package for the following items.

Motherboard 1 x TUF GAMING B450M-PRO II motherboard
Cables 2 x SATA 6Gb/s cables
Miscellaneous 1 x I/O Shield
1 x M.2 SSD screw package
1 x TUF Gaming sticker
Application DVD 1 x Support DVD
Documentation 1 x TUF Certification card
1 x User manual

information If any of the above items is damaged or missing, contact your retailer.

Product specifications summary

CPU AMD Socket AM4 for 3rd/2nd/1st Gen AMD Ryzen™/ 2nd and 1st Gen AMD Ryzen with Radeon Vega Graphics/ Athlon with Radeon Vega Graphics Processors*
*Refer to www.asus.com for CPU support list.
Chipset AMD B450 Chipset
Memory 4 x DIMM, Max. 128GB, DDR4 4400(O.C.)/4000(O.C.)/3866(O.C.)/3733(O.C.)/3600(O.C.)/3533(O.C.)/3466(O.C.)/3400(O.C.)/3200(O.C.)/3000(O.C.)/2800(O.C.)/2666/2400/2133 MHz Un-buffered Memory*
Dual Channel Memory Architecture
*ECC Memory (ECC mode) support varies by CPU.
*The maximum memory frequency supported varies by processor.
*Refer to www.asus.com for the Memory QVL (Qualified Vendors Lists).
Graphics Integrated Graphics in the 2nd and 1st Gen AMD Ryzen with Radeon Vega Graphics/ Athlon with Radeon Vega Graphics Processors
1 x DisplayPort 1.2
1 x HDMI 2.0b
*Graphics specifications may vary between CPU types.
Expansion Slots

3rd/2nd/1st Gen AMD Ryzen Processors
1 x PCIe 3.0 x16 slot (supports x16 mode)
2nd and 1st Gen AMD Ryzen with Radeon Vega Graphics Processors
1 x PCIe 3.0 x16 slot (supports x8 mode)

AMD Athlon with Radeon Vega Graphics Processors
1 x PCIe 3.0 x16 slot (supports x4 mode)
AMD B450 Chipset
1 x PCIe 2.0 x16 slot (supports x4 mode)
1 x PCIe 2.0 x1 slot

Multi-GPU Support Supports AMD 2-Way CrossFireX Technology
Storage Total supports 2 x M.2 slots and 6 x SATA 6Gb/s ports
3rd
/2nd/1st Gen AMD Ryzen/ 2nd and 1st Gen AMD Ryzen with Radeon Vega Graphics
1 x M.2_1 slot (Key M), type 2242/2260/2280 (supports PCIe 3.0 x4 & SATA modes)
AMD Athlon with Radeon Vega Graphics Processors
1 x M.2_1 slot (Key M), type 2242/2260/2280 (supports SATA mode)
3rd/2nd/1st Gen AMD Ryzen/ 2nd and 1st Gen AMD Ryzen with Radeon Vega Graphics/ Athlon with Radeon Vega Graphics Processors
2 x SATA 6Gb/s ports with Raid 0, 1, 10 support
AMD B450 Chipset
1 x M.2_2 slot (Key M), type 2242/2260/2280 (supports PCIe 3.0 x2 and SATA modes)
4 x SATA 6Gb/s ports with Raid 0, 1, 10 support
*M.2_1 shares bandwidth with SATA6G_56. When M.2_1 is populated, SATA6G_56 will be disabled.
** M.2_2 shares bandwidth with SATA6G_34. When M.2_2 is populated, SATA6G_34 will be disabled.
Ethernet 1 x Realtek RTL8111H 1Gb Ethernet
USB

Rear USB (Total 8 ports)
2 x USB 3.2 Gen 2 ports (1 x Type-A + 1 x USB Type-C)
4 x USB 3.2 Gen 1 ports (4 x Type-A)
2 x USB 2.0 ports (2 x Type-A)

Front USB (Total 6 ports)
1 x USB 3.2 Gen 1 header supports additional 2 USB 3.2 Gen 1 ports
2 x USB 2.0 headers support additional 4 USB 2.0 ports

Audio

Realtek ALC S1200A 7.1 Surround Sound High Definition Audio CODEC*

  • Supports: Jack detection, Multi-streaming, Front Panel Jack-retasking
  • Supports up to 24-Bit/192 kHz playback

Audio Features

  • Premium Japanese audio capacitors
  • Audio Shielding
  • Dedicated audio PCB layers
  • Audio cover

* A chassis with an HD audio module in the front panel is required to support 7.1 Surround Sound audio output.

Back Panel I/O Ports 2 x USB 3.2 Gen 2 ports (1 x Type-A + 1 x USB Type-C)
4 x USB 3.2 Gen 1 ports (4 x Type-A)
2 x USB 2.0 ports (2 x Type-A)
1 x DisplayPort
1 x HDMI port
1 x Realtek RTL8111H 1Gb Ethernet port
3 x Audio jacks
1 x BIOS FlashBack button
1 x PS/2 Keyboard/Mouse combo port
Internal I/O Connectors Fan and cooling related
1 x 4-pin CPU Fan header
2 x 4-pin Chassis Fan headers
Power related
1 x 24-pin Main Power connector
1 x 8-pin +12V Power connector
Storage related
2 x M.2 slots (Key M)
6 x SATA 6Gb/s ports
USB
1 x USB 3.2 Gen 1 header supports additional 2 USB 3.2 Gen 1 ports
2 x USB 2.0 headers support additional 4 USB 2.0 ports
Miscellaneous
2 x AURA RGB headers
1 x Clear CMOS header
1 x COM Port header
1 x Front Panel Audio header (AAFP)
1 x Speaker header
1 x S/PDIF out header
1 x SPI TPM header (14-1 pin)
1 x 10-1 pin System Panel header
Special Features

ASUS TUF PROTECTION

  • ASUS DIGI+ VRM
  • ASUS Enhanced DRAM Overcurrent Protection
  • ASUS ESD Guards
  • TUF LANGuard
  • ASUS Overvoltage Protection
  • ASUS SafeSlot
  • ASUS Stainless-Steel Back I/O

ASUS Q-Design

  • ASUS Q-DIMM
  • ASUS Q-Slot

ASUS Thermal Solution

  • Aluminum heatsink design

ASUS EZ DIY

  • BIOS FlashBack button
  • BIOS FlashBack LED

AURA Sync

  • AURA RGB headers
Software Features

ASUS Exclusive Software
Armoury Crate

  • Aura Creator
  • Aura Sync
  • AI Noise-Canceling Microphone

AI Suite 3

  • Performance And Power Saving Utility
    TurboV EVO
    EPU
    DIGI+ VRM
    Fan Xpert 2+
  • EZ update
  • PC Cleaner

TUF GAMING CPU-Z
AI Charger
ASUS Turbo LAN
DAEMON Tools
DTS Custom for GAMING Headsets
Norton Anti-virus software (Free Trial for 60 days)
WinRAR
UEFI BIOS
ASUS EZ DIY

  • ASUS CrashFree BIOS 3
  • ASUS EZ Flash 3
  • ASUS UEFI BIOS EZ Mode
BIOS 256 Mb Flash ROM, UEFI AMI BIOS
Manageability WOL by PME, PXE
Operating System Windows 10 64-bit
Windows 7 64-bit*
* To support Windows 7 64-bit, please install an AMD Ryzen 2nd Generation or Ryzen 1st Generation Processor.
Form Factor mATX Form Factor
9.6 inch x 9.6 inch (24.4 cm x 24.4 cm)

information Specifications are subject to change without notice. Refer to the ASUS website for the latest specifications.

Product Introduction

Before you proceed

Take note of the following precautions before you install motherboard components or change any motherboard settings.

  • Unplug the power cord from the wall socket before touching any component.
  • Before handling components, use a grounded wrist strap or touch a safely grounded object or a metal object, such as the power supply case, to avoid damaging them due to static electricity.
  • Before you install or remove any component, ensure that the ATX power supply is switched off or the power cord is detached from the power supply. Failure to do so may cause severe damage to the motherboard, peripherals, or components.

Product overview

Product overview


Unplug the power cord before installing or removing the motherboard. Failure to do so can cause you physical injury and damage motherboard components.

Layout contents

  1. CPU socket
    The motherboard comes with an AMD Socket AM4 designed for 3rd/2nd/1st Gen AMD Ryzen/ 2nd and 1st Gen AMD Ryzen with Radeon Vega Graphics/ Athlon with Radeon Vega Graphics Processors.
    information For more details, refer to Central Processing Unit (CPU).
  2. DDR4 DIMM slots
    The motherboard comes with Dual Inline Memory Modules (DIMM) slots designed for DDR4 (Double Data Rate 4) memory modules.
    information For more details, refer to System memory.
  3. Expansion slots
    This motherboard supports two PCIe x16 graphics cards and one PCIe 2.0 x1 network card, SCSI card or other card that comply with the PCI Express specification. Please refer to the following table for the Hyper M.2 configuration.
Hyper M.2 x16 series card configuration
Slot PCIe bifurcation settings in PCIe x16 slots with different Ryzen CPUs
PCIeX16_1 3rd/2nd/1st Gen AMD Ryzen Processors (Support PCIe Gen 3 SSDs)
Supported SSDs
4

information

  • Hyper M.2 X16 series cards are sold separately.
  • When using 3rd2nd/1st Gen AMD Ryzen Processors and a Hyper M.2 X16 series card with 4 M.2 SSDs, if you wish to connect a display, we suggest installing a VGA card to PCIe X16_2, which will run at x4.
  • Set PCIeX16_1 to [PCIe RAID Mode] under BIOS settings to enable the Hyper M.2 X16 series card.
  1. Fan headers
    The Fan headers allow you to connect fans to cool the system
Header Max. Current Max. Power Default Speed Shared Control
CPU_FAN 1A 12W Q-Fan Controlled A
CHA_FAN1 1A 12W Q-Fan Controlled -
CHA_FAN2 1A 12W Q-Fan Controlled -
  1. Power connectors
    These Power connectors allow you to connect your motherboard to a power supply. The power supply plugs are designed to fit in only one orientation. Find the proper orientation and push down firmly until the power supply plugs are fully inserted.


Ensure to connect the 8-pin power plug.

  • For a fully configured system, we recommend that you use a power supply unit (PSU) that complies with ATX 12V Specification 2.0 (or later version) and provides a minimum power of 350 W.
  • We recommend that you use a PSU with a higher power output when configuring a system with more power-consuming devices. The system may become unstable or may not boot up if the power is inadequate.
  • If you are uncertain about the minimum power supply requirement for your system, we recommend you to refer to online resources for Power Supply Wattage Calculator.
  1. M.2 Slots (Key M)
    The M.2 slots allow you to install M.2 devices such as M.2 SSD modules.

  • For 3rd/2nd/1st Gen AMD Ryzen/ 2nd and 1st Gen AMD Ryzen with Radeon Vega Graphics, M.2_1 slot supports PCIe 3.0 x4 and SATA modes M Key design and type 2242/2260/2280 storage devices.
  • For AMD Athlon with Radeon Vega Graphics Processors, M.2_1 slot supports SATA mode M Key design and type 2242/2260/2280 storage devices.
  • For AMD B450 chipset, M.2_2 slot supports PCIe 3.0 x2 and SATA modes M Key design and type 2242/2260/2280 storage devices.
  • M.2_1 shares bandwidth with SATA6G_56. When M.2_1 is populated, SATA6G_56 will be disabled.
  • M.2_2 shares bandwidth with SATA6G_34. When M.2_2 is populated, SATA6G_34 will be disabled.
  1. SATA 6Gb/s ports
    The SATA 6Gb/s ports allow you to connect SATA devices such as optical disc drives and hard disk drives via a SATA cable.
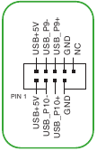
  2. USB 3.2 Gen 1 header
    The USB 3.2 Gen 1 header allows you to connect a USB 3.2 Gen 1 module for additional USB 3.2 Gen 1 ports. The USB 3.2 Gen 1 header provides data transfer speeds of up to 5Gb/s.
    information The USB 3.2 Gen 1 module is purchased separately.
  3. USB 2.0 headers
    The USB 2.0 headers allow you to connect a USB module for additional USB 2.0 ports. The USB 2.0 headers provide data transfer speeds of up to 480Mb/s.


DO NOT connect a 1394 cable to the USB connectors. Doing so will damage the motherboard!

information The USB 2.0 module is purchased separately.

  1. AURA RGB headers
    The RGB headers allow you to connect RGB LED strips.


The RGB headers support 5050 RGB multi-color LED strips (12V/G/R/B), with a maximum power rating of 3A (12V), and no longer than 3 m.


Before you install or remove any component, ensure that the ATX power supply is switched off or the power cord is detached from the power supply. Failure to do so may cause severe damage to the motherboard, peripherals, or components.

information

  • Actual lighting and color will vary with LED strip.
  • If your LED strip does not light up, check if the RGB LED extension cable and the RGB LED strip are connected in the correct orientation, and the 12V connector is aligned with the 12V header on the motherboard.
  • The LED strip will only light up when the system is powered on.
  • The LED strip is purchased separately.
  1. Clear CMOS header
    This header allows you to clear the CMOS RTC RAM data of the system setup information such as date, time, and system passwords.

To erase the RTC RAM:

  1. Turn OFF the computer and unplug the power cord.
  2. Use a metal object such as a screwdriver to short the two pins.
  3. Plug the power cord and turn ON the computer.
  4. Hold down the <Del> key during the boot process and enter BIOS Setup to reenter data.

information If the steps above do not help, remove the onboard battery and short the two pins again to clear the CMOS RTC RAM data. After clearing the CMOS, reinstall the battery.

  1. COM Port header
    This header is for a serial (COM) port. Connect the serial port module cable to this header, then install the module to a slot opening at the back of the system chassis.
  2. Front panel audio header
    This header is for a chassis-mounted front panel audio I/O module that supports HD audio standard. Connect one end of the front panel audio I/O module cable to this header.

  • We recommend that you connect a high-definition front panel AAFP audio module to this header to avail of the motherboard's high-definition audio capability.
  • If you want to connect a high-definition front panel audio module to this header, set the Front Panel Type item in the BIOS setup to [HD Audio]. By default, this header is set to [HD Audio].
  1. Digital audio connector
    This connector is for an additional Sony/Philips Digital Interface (S/PDIF) port. Connect the S/PDIF Out module cable to this connector, then install the module to a slot opening at the back of the system chassis.
  2. Speaker header
    The 4-pin header is for the chassis-mounted system warning speaker. The speaker allows you to hear system beeps and warnings.
  3. SPI TPM header
    This header supports a Trusted Platform Module (TPM) system with a Serial Peripheral Interface (SPI), allowing you to securely store keys, digital certificates, passwords, and data. A TPM system also helps enhance network security, protects digital identities, and ensures platform integrity.
  4. 10-1 pin System Panel header
    This header supports several chassis-mounted functions.
    • System power LED (2-pin +PWR_LED-)
      This 2-pin header is for the system power LED. Connect the chassis power LED cable to this header. The system power LED lights up when you turn on the system power, and blinks when the system is in sleep mode.
    • Hard disk drive activity LED (2-pin +HDD_LED-)
      This 2-pin header is for the HDD Activity LED. Connect the HDD Activity LED cable to this header. The HDD LED lights up or flashes when data is read from or written to the HDD.
    • Power button/Soft-off button (2-pin PWR_BTN)
      This header is for the system power button.
    • Reset button (2-pin RESET)
      This 2-pin header is for the chassis-mounted reset button for system reboot without turning off the system power.
  5. BIOS Flashback LED
    The FlashBack LED lights up or blinks to indicate the status of the BIOS FlashBack.


Scan the QR code for more information on BIOS FlashBack function.

Rear panel connectors

Rear panel connectors

  1. PS/2 keyboard/mouse combo port. This port is for a PS/2 mouse or keyboard.
  2. USB 3.2 Gen 1 (up to 5Gbps) ports. These 9-pin Universal Serial Bus (USB) ports connect to USB 3.2 Gen 1 devices.
  3. USB 3.2 Gen 2 (up to 10Gbps) port (teal blue, Type A). This 9-pin Universal Serial Bus 3.2 (USB 3.2) port is for USB 3.2 Gen 2 devices.
  4. DisplayPort. This port is for a DisplayPort-compatible device.
  5. Ethernet port. This port allows Gigabit connection to a Local Area Network (LAN) through a network hub. Refer to the table below for the Ethernet port LED indications.
Ethernet port LED indications
Activity/Link LED Speed LED
Status Description Status Description
Off No link Off 10Mbps connection
Orange Linked Orange 100Mbps connection
Orange (Blinking) Data activity Green 1Gbps connection
Orange (Blinking then steady) Ready to wake up from S5 mode
  1. Line In port (light blue). This port connects the tape, CD, DVD player, or other audio sources.
  2. Line Out port (lime). This port connects a headphone or a speaker. In 4-channel, 5.1-channel, and 7.1-channel configurations, the function of this port becomes Front Speaker Out.
  3. BIOS FlashBack button. Press the BIOS FlashBack button for three seconds until the FlashBack LED blinks three times, indicating that the BIOS FlashBack function is enabled.
  4. USB 2.0 ports. These 4-pin Universal Serial Bus (USB) ports are for USB 2.0 devices.
  5. USB 3.2 Gen 2 (up to 10Gbps) port (USB Type-C). This 9-pin Universal Serial Bus 3.2 (USB 3.2) port is for USB 3.2 Gen 2 Type-C devices.
  6. HDMI port. This port is for a High-Definition Multimedia Interface (HDMI) connector, and is HDCP compliant allowing playback of HD DVD, Blu-ray, and other protected content.
  7. USB 3.2 Gen 1 (up to 5Gbps) port with BIOS FlashBack function. Insert a USB storage device to this 9-pin Universal Serial Bus (USB) port to run BIOS FlashBack.
  8. Microphone port (pink). This port connects a microphone.
    information Refer to the audio configuration table below for the function of the audio ports in 2, 4, 5.1, or 7.1-channel configuration.
Audio 2, 4, 5.1 or 7.1-channel configuration
Port Headset 2-channel 4-channel 5.1-channel 7.1-channel
Light Blue (Rear panel) Line In Rear Speaker Out Rear Speaker Out Rear Speaker Out
Lime (Rear panel) Line Out Front Speaker Out Front Speaker Out Front Speaker Out
Pink (Rear panel) Mic In Mic In Bass/Center Bass/Center
Lime (Front panel) Side Speaker Out

information To configure a 7.1-channel audio output:
Use a chassis with HD audio module in the front panel to support a 7.1-channel audio output.

Central Processing Unit

This motherboard comes with an AMD Socket AM4 designed for 3rd/2nd/1st Gen AMD Ryzen/ 2nd and 1st Gen AMD Ryzen with Radeon Vega Graphics/ Athlon with Radeon Vega Graphics Processors.


Unplug all power cables before installing the CPU.


The AM4 socket has a different pinout design. Ensure that you use a CPU designed for the AM4 socket. The CPU fits in only one correct orientation. DO NOT force the CPU into the socket to prevent bending the connectors on the socket and damaging the CPU!

Installing the CPU
Installing the CPU


Apply the Thermal Interface Material to the CPU heatsink and CPU before you install the heatsink and fan if necessary.

System memory

This motherboard comes with four Double Data Rate 4 (DDR4) Dual Inline Memory Module (DIMM) sockets. The figure illustrates the location of the DDR4 DIMM sockets:
Location of the DDR4 DIMM sockets

Channel Sockets
Channel A DIMM_A1 & DIMM_A2*
Channel B DIMM_B1 & DIMM_B2*

  • You may install varying memory sizes in Channel A and Channel B. The system maps the total size of the lower-sized channel for the dual-channel configuration. Any excess memory from the higher-sized channel is then mapped for single-channel operation.
  • Always install DIMMs with the same CAS latency. For optimal compatibility, we recommend that you install memory modules of the same version or date code (D/C) from the same vendor. Check with the retailer to get the correct memory modules.
  • A DDR4 memory module is notched differently from a DDR, DDR2, or DDR3 module. DO NOT install a DDR, DDR2, or DDR3 memory module to the DDR4 slot.

information

  • The default memory operation frequency is dependent on its Serial Presence Detect (SPD), which is the standard way of accessing information from a memory module. Under the default state, some memory modules for overclocking may operate at a lower frequency than the vendor-marked value.
  • For system stability, use a more efficient memory cooling system to support a full memory load.
  • Refer to www.asus.com for the latest Memory QVL (Qualified Vendors Lists).

System memory - Recommended memory configurations
Recommended memory configurations

System memory - Installing a DIMM
Installing a DIMM


To remove a DIMM

BIOS and RAID Support

Knowing BIOS

information The new ASUS UEFI BIOS is a Unified Extensible Interface that complies with UEFI architecture, offering a user-friendly interface that goes beyond the traditional keyboardonly BIOS controls to enable a more flexible and convenient mouse input. You can easily navigate the new UEFI BIOS with the same smoothness as your operating system. The term "BIOS" in this user manual refers to "UEFI BIOS" unless otherwise specified.

BIOS (Basic Input and Output System) stores system hardware settings such as storage device configuration, overclocking settings, advanced power management, and boot device configuration that are needed for system startup in the motherboard CMOS. In normal circumstances, the default BIOS settings apply to most conditions to ensure optimal performance. DO NOT change the default BIOS settings except in the following circumstances:

  • An error message appears on the screen during the system bootup and requests you to run the BIOS Setup.
  • You have installed a new system component that requires further BIOS settings or update.


Inappropriate BIOS settings may result to instability or boot failure. We strongly recommend that you change the BIOS settings only with the help of a trained service personnel.

information

  • When downloading or updating the BIOS file, rename it as TB450MR2.CAP for this motherboard.
  • BIOS settings and options may vary due to different BIOS release versions. Please refer to the latest BIOS version for settings and options.

BIOS Setup program

Use the BIOS Setup to update the BIOS or configure its parameters. The BIOS screens include navigation keys and brief onscreen help to guide you in using the BIOS Setup program.

Entering BIOS at startup
To enter BIOS Setup at startup, press <Delete> or <F2> during the Power-On Self Test (POST). If you do not press <Delete> or <F2>, POST continues with its routines.

Entering BIOS Setup after POST
To enter BIOS Setup after POST:

  • Press <Ctrl>+<Alt>+<Delete> simultaneously.
  • Press the reset button on the system chassis.
  • Press the power button to turn the system off then back on. Do this option only if you failed to enter BIOS Setup using the first two options.

After doing either of the three options, press <Delete> key to enter BIOS.

  • Ensure that a USB mouse is connected to your motherboard if you want to use the mouse to control the BIOS setup program.
  • If the system becomes unstable after changing any BIOS setting, load the default settings to ensure system compatibility and stability. Select the Load Optimized Defaults item under the Exit menu or press hotkey <F5>.
  • If the system fails to boot after changing any BIOS setting, try to clear the CMOS and reset the motherboard to the default value.
  • The BIOS Setup program does not support Bluetooth devices.

BIOS menu screen
The BIOS Setup program can be used under two modes: EZ Mode and Advanced Mode. You can change modes from Setup Mode in Boot menu or by pressing the <F7> hotkey.

ASUS EZ Flash 3

The ASUS EZ Flash 3 feature allows you to update the BIOS without using an OS-based utility.


Ensure to load the BIOS default settings to ensure system compatibility and stability. Select the Load Optimized Defaults item under the Exit menu or press hotkey <F5>.

  • This function can support devices such as a USB flash disk with FAT 32/16 format and single partition only.
  • DO NOT shut down or reset the system while updating the BIOS to prevent system boot failure!

To update the BIOS by USB:

  1. Insert the USB flash disk that contains the latest BIOS file to the USB port.
  2. Enter the Advanced Mode of the BIOS setup program. Go to theTool menu to select ASUS EZ Flash 3 Utility and press <Enter>.
  3. Press <Tab> to switch to the Drive field.
  4. Press the Up/Down arrow keys to find the USB flash disk that contains the latest BIOS, and then press <Enter>.
  5. Press <Tab> to switch to the Folder field.
  6. Press the Up/Down arrow keys to find the BIOS file, and then press <Enter> to perform the BIOS update process. Reboot the system when the update process is done.

ASUS CrashFree BIOS 3

The ASUS CrashFree BIOS 3 utility is an auto recovery tool that allows you to restore the BIOS file when it fails or gets corrupted during the updating process. You can restore a corrupted BIOS file using a USB flash drive that contains the BIOS file.


If you want to use the latest BIOS file, download the file at https://www.asus.com/support, and save it to a USB flash drive.

Recovering the BIOS
To recover the BIOS:

  1. Turn on the system.
  2. Insert the USB flash drive containing the BIOS file to the USB port.
  3. The utility automatically checks the devices for the BIOS file. When found, the utility reads the BIOS file and enters ASUS EZ Flash 3 automatically.
  4. The system requires you to enter BIOS Setup to recover the BIOS setting. To ensure system compatibility and stability, we recommend that you press <F5> to load default BIOS values.


DO NOT shut down or reset the system while updating the BIOS! Doing so can cause system boot failure!

RAID configurations

The motherboard comes with the RaidXpert2 Configuration Utility that supports RAID 0, RAID 1 and RAID 10 configuration.


For more information on configuring your RAID sets, please refer to the RAID Configuration Guide which you can find at https://www.asus.com/support, or by scanning the QR code.

RAID definitions
RAID 0 (Data striping) optimizes two identical hard disk drives to read and write data in parallel, interleaved stacks. Two hard disks perform the same work as a single drive but at a sustained data transfer rate, double that of a single disk alone, thus improving data access and storage. Use of two new identical hard disk drives is required for this setup.
RAID 1 (Data mirroring) copies and maintains an identical image of data from one drive to a second drive. If one drive fails, the disk array management software directs all applications to the surviving drive as it contains a complete copy of the data in the other drive. This RAID configuration provides data protection and increases fault tolerance to the entire system. Use two new drives or use an existing drive and a new drive for this setup. The new drive must be of the same size or larger than the existing drive.
RAID 10 is data striping and data mirroring combined without parity (redundancy data) having to be calculated and written. With the RAID 10 configuration you get all the benefits of both RAID 0 and RAID 1 configurations. Use four new hard disk drives or use an existing drive and three new drives for this setup.

Safety information

Electrical safety


  • To prevent electrical shock hazard, disconnect the power cable from the electrical outlet before relocating the system.
  • When adding or removing devices to or from the system, ensure that the power cables for the devices are unplugged before the signal cables are connected. If possible, disconnect all power cables from the existing system before you add a device.
  • Before connecting or removing signal cables from the motherboard, ensure that all power cables are unplugged.
  • Seek professional assistance before using an adapter or extension cord. These devices could interrupt the grounding circuit.
  • Ensure that your power supply is set to the correct voltage in your area. If you are not sure about the voltage of the electrical outlet you are using, contact your local power company.
  • If the power supply is broken, do not try to fix it by yourself. Contact a qualified service technician or your retailer.

Operation safety

  • Before installing the motherboard and adding components, carefully read all the manuals that came with the package.
  • Before using the product, ensure all cables are correctly connected and the power cables are not damaged. If you detect any damage, contact your dealer immediately.
  • To avoid short circuits, keep paper clips, screws, and staples away from connectors, slots, sockets and circuitry.
  • Avoid dust, humidity, and temperature extremes. Do not place the product in any area where it may be exposed to moisture.
  • Place the product on a stable surface.
  • If you encounter technical problems with the product, contact a qualified service technician or your retailer.
  • Your motherboard should only be used in environments with ambient temperatures between 0°C and 40°C.

Documents / Resources

References

Download manual

Here you can download full pdf version of manual, it may contain additional safety instructions, warranty information, FCC rules, etc.

Download Asus TUF GAMING B450M-PRO II Manual

Available languages

Advertisement

Need help?

Need help?

Do you have a question about the TUF GAMING B450M-PRO II and is the answer not in the manual?

Questions and answers

Table of Contents