Sign In
Upload
Download
Add to my manuals
Delete from my manuals
Share
URL of this page:
HTML Link:
Bookmark this page
Add
Manual will be automatically added to "My Manuals"
Print this page
×
Bookmark added
×
Added to my manuals
Manuals
Brands
Panasonic Manuals
Amplifier
SU-373
Service manual
Block Diagram - Panasonic Su-373 Service Manual
Stereo integrated amplifier
Hide thumbs
Also See for SU-373
:
Service manual
(12 pages)
1
2
3
4
5
6
7
8
9
10
11
12
page
of
12
Go
/
12
Bookmarks
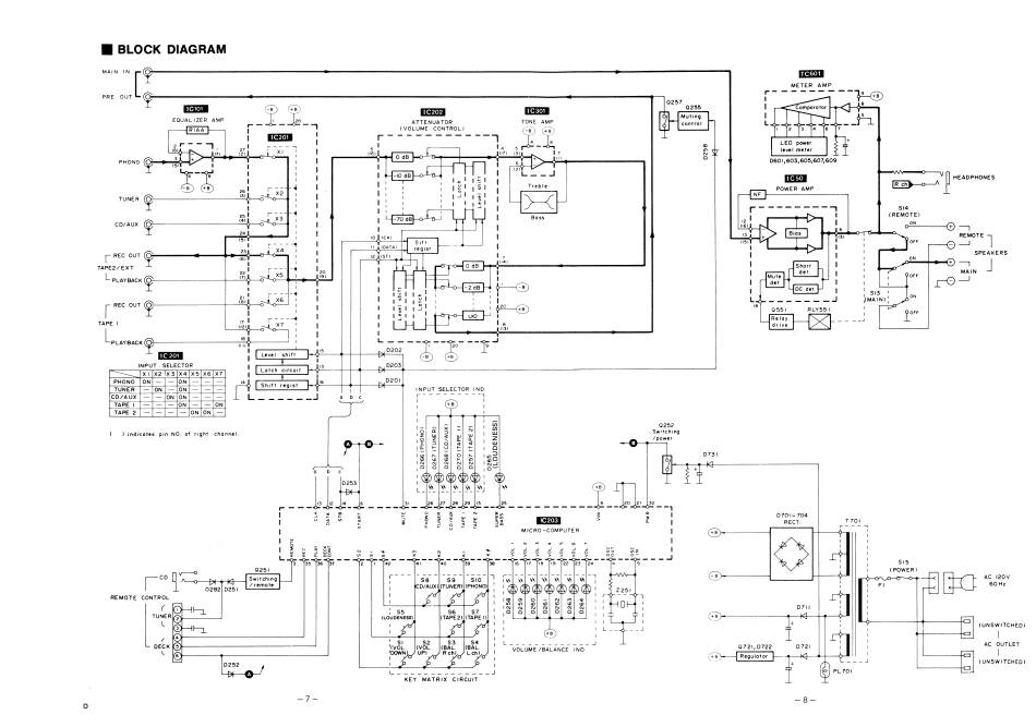
BLOCK
DIAGRAM
MAIN
IN
OUT
EOIJAL
ZER
AMp
RIAA
IC201
p H ONO
TUNER
25 1
(4)
CD/AUX
23
TAPE2 / EXT
22
PLAY BACK O—
21
(8)
REC
ot-JT
TAPE
I
PLAYBACK
shift
IC
201
Leve
I
INPUT
SELECTOR
Latch
circuit
pHONO
ON
—
—
ON
Shift
regist
TUNER
—
ON
—
ON
CD/AUX
—
ON
ON
TAPE
—
ON
—
ON
TAPE
2
—
—
ON
ON
) indicates
pin
NO.
of
right
channel.
0251
Switching
/ remote
0282
0251
REMOTE
CONTROL
TUNER
DEC K
0252
IC202
ATTENUATOR
VOLUME
CONTROL)
-10 dB
-70
dB
•O
Sift
regist
O dB
-2 dB
0202
0203
13
020'
16
INPUT
SELECTOR
'NO
b
a
c
1
b
o
c
0253
13
12
31
26
27
28
29
O
5
36
37
4?
40
s 10
AUX ) (TUNER)
(PHONO)
(TAPE2)
(TAPE
l)
(LOUDENESS)
s.
ltVOL
(VOL
(BAL
(BAL.
UP)
R chi
KEY
MATRIX
0257
0255
1 C301
Muting
TONE
AMP
control
Treble
Bo ss
0252
Switching
/ power
0731
20
32
'C 203
MICRO
-COMPUTER
18
'9
22
23
24
Z2Sl
0
0
o
o
VOLUME
'BALANCE
INO
TC601
METER
AMP
omporator
6
7
LED
power
level
meter
0601,603,605,607,609
I c 50
POWER
AMP
S14
(REMOTE)
12
Bias
13
OFF
ON
Short
det.
Mute
det.
DC
det
ON
18
RLY551
0551
OFF
Relay
drive
0
704
T 701
RECT.
st5
( POWER)
0721,
0722
0721
Regulator
PL 701
HEADPHONES
REMOTE
SPEAKERS
MAIN
AC
120V
60
HZ
(UNSWITCHED)
AC
OUTLET
( UNSWI
TCHEO)
Table of
Contents
Previous
Page
Next
Page
1
...
3
4
5
6
7
8
9
10
Need help?
Do you have a question about the SU-373 and is the answer not in the manual?
Ask a question
Go to Questions and Answers
Related Manuals for Panasonic SU-373
Amplifier Panasonic SU-373 Service Manual
Stereo integrated amplifier (12 pages)
Amplifier Panasonic SU-C1010 Operating Manual
Dvd-audio ready stereo control amplifier su-c1010 operating manual (41 pages)
Amplifier Panasonic SU-CH80 Service Manual
Cassette deck (54 pages)
Amplifier Panasonic FX-551 Series Instruction Manual
Digital fiber sensor amplifier (4 pages)
Amplifier Panasonic SU-7 Series Instruction Manual
Amplifier separated. automatic sensitivity setting photoelectric amplifier (4 pages)
Amplifier Panasonic SU-2600 Service Manual
Stereo integrated amplifier (10 pages)
Amplifier Panasonic FX-550L Series Instruction Manual
Digital fiber sensor amplifier for io-link (6 pages)
Amplifier Panasonic CY-M654EN Operating Instructions Manual
4 channel bridgeable power amplifier (9 pages)
Amplifier Panasonic CY-PAD1003N Service Manual
Digital mono amplifier (25 pages)
Amplifier Panasonic WR-201E Design Handbook
Power amplifier & mixer integrated system (42 pages)
Amplifier Panasonic WP-9440 Operating Instructions Manual
2-channel power amplifier (11 pages)
Amplifier Panasonic Minas-LIQI Series Technical Reference
Ac servo amplifier (80 pages)
Amplifier Panasonic WA-H120N Specification Sheet
90w (max), 60w (rms) 180w (max), 120w (rms) (1 page)
Amplifier Panasonic MINAS-BL GP series Instructions Manual
Amplifiers (56 pages)
Amplifier Panasonic MINAS-BL GU series Technical Instructions
Brushless motor / brushless amplifier (41 pages)
Amplifier Panasonic WP-1200 Operating Instructions Manual
2-channel power amplifier (13 pages)
Related Content for Panasonic SU-373
SA-EH60X Block Diagram
Panasonic SA-EH60X
CY-BG8013ZC Block Diagram
Panasonic CY-BG8013ZC
SU-2600 Block Diagram
Panasonic SU-2600
RAMSA WP-1400 Block Diagram
Panasonic RAMSA WP-1400
CY-PAD1003N Block Diagram
Panasonic CY-PAD1003N
Minas-LIQI Series Block Diagram Of Position Control Mode
Panasonic Minas-LIQI Series
RAMSA WP-9055 Block Diagram
SU-V60 Connection Diagram
Panasonic SU-V60
Technics SU-CH7 Wiring Connection Diagram
Panasonic Technics SU-CH7
SE-HD560E Schematic Diagram Notes
Panasonic SE-HD560E
SU-CH80 Block Diagram
Panasonic SU-CH80
Ramsa WZ-AD96M Block Diagram
Panasonic Ramsa WZ-AD96M
WP-9440 Block Diagram
Panasonic WP-9440
LS-403 I/O Circuit Diagram
Panasonic LS-403
LS-401 I/O Circuit Diagram
Panasonic LS-401
Ramsa WX-RP900 Block Diagram
Print
Rename the bookmark
Delete bookmark?
Delete from my manuals?
Login
Sign In
OR
Sign in with Facebook
Sign in with Google
Upload manual
Upload from disk
Upload from URL
Need help?
Do you have a question about the SU-373 and is the answer not in the manual?