Wiring Diagrams - Whirlpool Agb 597/Wp Instructions For Installation, Use And Maintenance Manual

Table of Contents

Advertisement

L1
1
L2
2
L3
3
N
4
5
mA
400 V 3N
AGB 597/WP
AGB 521/WP
AGB 515/WP
L1
1
L2
2
L3
3
N
4
5
mA
AGB 598/WP
AGB 523/WP
AGB 516/WP
400 V 3N
005 - 03 - Electric fryer

Wiring diagrams

H1
F1
1
2
11
12
3
4
21
22
5
6
31
32
13
14
A2
A1
C1
P4
4
P3
3
P2
2
P1
1
B1
H1
F1
1
2
11
12
3
4
21
22
5
6
31
32
13
14
A2
A1
C1
P4
4
P3
3
P2
2
P1
1
H1
B1
F1
1
2
11
12
3
4
21
22
5
6
31
32
13
14
A2
A1
C1
P4
4
P3
3
P2
2
P1
1
B1
8
H2
mC
L3
L2
L1
N
mA
B2
mC
F2
B1
B2
C1
F1
F2
H1
H2
R
H2
mC
L3
L2
L1
N
B2
F2
H2
mC
L3
L2
L1
N
B2
F2
R
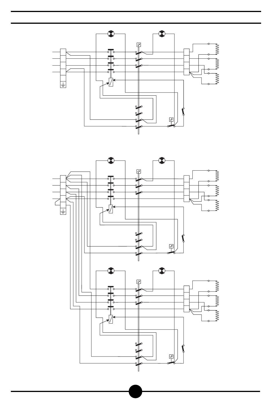
Line input terminal board
Commutating terminal board
Switch
Microswitch
Contactor
Working thermostat
Safety thermostat
Green pilot lamp
Orange pilot lamp
Resistance
R
R

Advertisement

Table of Contents
loading
Need help?

Need help?

Do you have a question about the AGB 597/WP and is the answer not in the manual?

Table of Contents