Whirlpool AGB 597/WP Instructions For Installation, Use And Maintenance Manual page 10

Table of Contents
R1
22 23
21
C1
11 12 13
T2
H2
H1
mA
1
L1 L 2 L 3 N
400V 3N
005 - 03 - Electric fryer
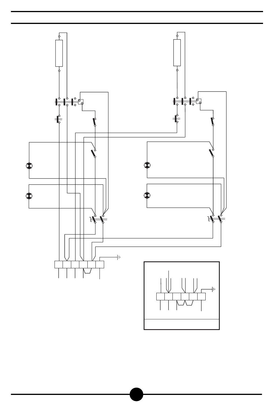
Wiring diagrams
AGB 522/WP
AGB 514/WP
A1
A2
B2
T1
2
1
B1
P1 P2
2
3
4
5
6
PE
R1
22 23
21
C1
11 12 13
T3
H2
H1
T3
mA
1
2
3
L1 L 2 L 3
230 V 3
10
A1
A2
B2
T1
2
1
B1
P1 P2
4
5
6
PE
mA
Line input terminal board
B1
Switch
B2
Microswitch
T1
Thermostat
T2
Safety thermostat
T3
Safety thermostat
C1/C2
Contactor
R1
Resistance
H1
Green pilot lamp
H2
Orange pilot lamp
Table of Contents
loading
Need help?

Need help?

Do you have a question about the AGB 597/WP and is the answer not in the manual?

Table of Contents