Sign In
Upload
Download
Table of Contents
Contents
Add to my manuals
Delete from my manuals
Share
URL of this page:
HTML Link:
Bookmark this page
Add
Manual will be automatically added to "My Manuals"
Print this page
×
Bookmark added
×
Added to my manuals
Manuals
Brands
Sony Manuals
Receiver
AN-101
Service manual
Sony AN-101 Service Manual page 14
Fm stereo/lw/mw/sw pll synthesized receiver
Hide thumbs
1
Table Of Contents
2
3
4
5
6
7
8
9
10
11
12
13
14
15
16
17
18
19
20
21
22
23
24
25
26
27
28
29
30
31
32
page
of
32
Go
/
32
Contents
Table of Contents
Bookmarks
Table of Contents
ANTI
FM/SW
TELESCOPIC
"ANTENNA
'
i
LW/MW
1
ANT2
|
Lw/SW
1
RF AMP
ROD ANTENNA !
Di si-2
es
pipe
DX
'
LOCAL
AGC AMP
0402
, 403
AGC AMP
SWITCH
Q410
VOLTAGE DET
B+
(C802
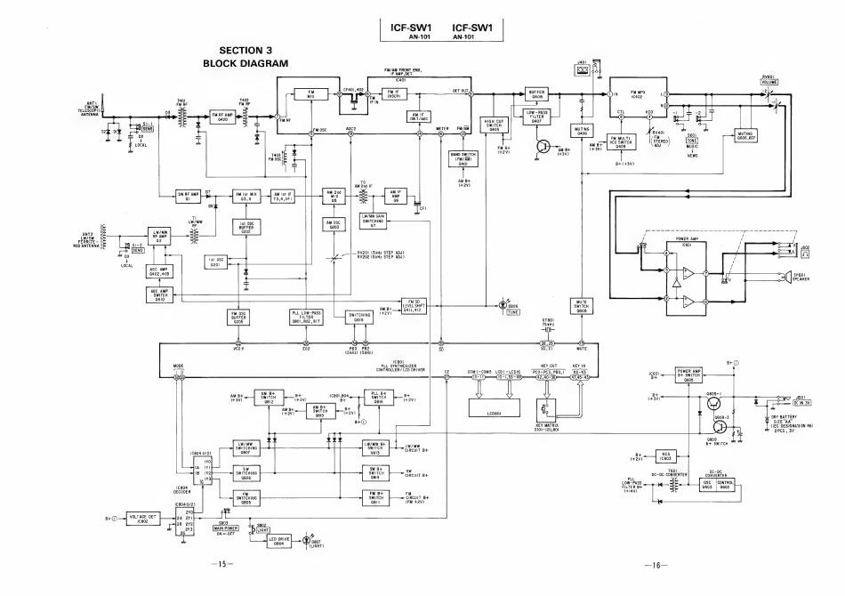
SECTION 3
BLOCK DIAGRAM
ICF-SW1
ICF-SW1
AN-101
AN-101
FM/AM FRONT END,
IF AMP, DET
FM IF
DISCRI
CF401,402
J401
RV60!
ea?
ee =
$803
if 5802
"Pp luiset]
ON-OFF
4
LED DRIVE
ne
aoe
(LIGHT)
Table of
Contents
Previous
Page
Next
Page
1
...
11
12
13
14
15
16
17
18
Show Quick Links
Quick Links:
1-1. Location and Function of Controls
Hide quick links:
Permanently
Temporary
Cancel
Table of Contents
Need help?
Do you have a question about the AN-101 and is the answer not in the manual?
Ask a question
Go to Questions and Answers
Related Manuals for Sony AN-101
Receiver Sony AVD-S50 Service Manual
Super audio cd/dvd receiver (122 pages)
Receiver Sony AVD-S500ES Operating Instructions Manual
Super audui cd/dvd receiver (184 pages)
Receiver Sony avd-c70es Operation Instruction Manual
(99 pages)
Receiver Sony AVD-C70ES Service Manual
5 dvd/sacd/cd changer receiver (124 pages)
Receiver Sony AVD-C70ES Operating Instructions Manual
Super audio cd dvd receiver (99 pages)
Receiver Sony AVD-S10 Operating Instructions Manual
Super audio cd/dvd receiver (164 pages)
Receiver Sony AVD-S10 Service Manual
Super audio cd/dvd receiver (94 pages)
Receiver Sony AVD-S10 Operating Instructions Manual
Super audio cd/dvd receiver (84 pages)
Receiver Sony AIR-7 Operating Instructions Manual
Ar bano/fm/av plc synthesized receiver (23 pages)
Receiver Sony AIR-7 Operating Instructions Manual
Air band fm/am pll and psb synthesized receiver (33 pages)
Receiver Sony Multi Channel AV Receiver Startup Manual
Multi channel av receiver (34 pages)
Receiver Sony AVD-LS10 Service Manual
Audio cd/dvd receiver (36 pages)
Receiver Sony AVD-LS10 Operating Instructions Manual
Audio cd/dvd receiver (72 pages)
Receiver Sony AC-VQL1BP Operating Instructions Manual
Ac adaptor/charger (96 pages)
Receiver Sony AC-300MD Instructions For Use Manual
Ac adaptor (353 pages)
Receiver Sony AC-300MD Instructions For Use Manual
Ac adaptor (293 pages)
Related Products for Sony AN-101
Sony AVD-S50
Sony Multi Channel AV Receiver
Sony ATR-GX390
Sony AN-LP1
Sony AN-01
Sony AN-820A
Sony a NEX6
Sony AN-1
Sony AN-IF3
Sony ACC-FM50A
Sony StorStation AITe130
Sony Alpha A68
Sony Aibo ERA-102M
Sony AC-110MD
Sony TRINITRON AE-6B
Sony A6700
Table of Contents
Print
Rename the bookmark
Delete bookmark?
Delete from my manuals?
Login
Sign In
OR
Sign in with Facebook
Sign in with Google
Upload manual
Upload from disk
Upload from URL
Need help?
Do you have a question about the AN-101 and is the answer not in the manual?