Schémas De Câblage - Kitchenaid Kxu2830Jss0 Installation Instructions And Use & Care Manual

30" (76.2 cm) and 36" (91.4 cm) slide-out range hood
Table of Contents
Available languages

Available languages

MOTOR CHARACTERISTICS
CARACTÉRISTIQUES DU MOTEUR
Power supply
Alimentation électrique
Frequency
Fréquence
Power Absortion
Puissance absorbée
RD/R
RD/R
BR/MAR
N/NEU
YL-GN/JA-VE
L
MOTOR RESISTENCE
RÉSISTANCE DU MOTEUR
(Ohm)
Blue - White
Bleu - Blanc
Blue - Red
Bleu - Rouge
Blue - Gray
Bleu - Gris
Blue - Black
Bleu - Noir
Room Temp.
Temp.ambiante
30
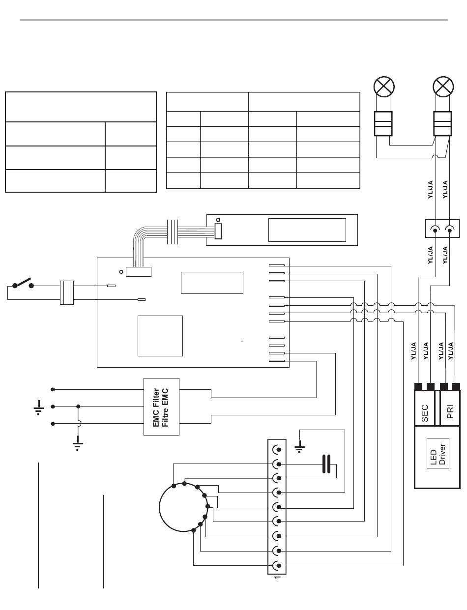
SCHÉMAS DE CÂBLAGE
SEL0160097
COLOR TABLE TABLE
BK/N
120 V
BU/BU
BR/MAR
60 Hz
GN/VE
230 W
GY/GRIS
Carte principale
BR/MAR
WH/BL
WH/BL
BK/N
BK/N
M
45.1 (Min)
37.7
30.3
20.8 (Max)
73.4°F/23°C
DE COULEURS
BLACK
RD/R
NOIR
BLUE
WH/BL
BLEU
BROWN
YL/JA
MARRON
GREEN
YL-GN/JA-VE
VERT
GREY
GRIS
Interface utilisateur
Main Board
BR/MAR
YL/JA
YL-GN/JA-VE
WH/BL
RD/R
GY/GRIS
BK/N
BU/BU
COLOR TABLE TABLE
DE COULEURS
RED
ROUGE
WHITE
BLANC
YELLOW
JAUNE
YELLOW-GREEN
JAUNE-VERT
User Interface
BK/N
GY/GRIS
RD/R
WH/BL
YL/JA
YL/JA
BU/BU
BK/N
WH/BL
YL-GN/JA-VE
BR/MAR
YL/JA
YL-GN/JA-VE
WH/BL
RD/R
GY/GRIS
BK/N
BU/BU
YL/JA
YL/JA
1
+ -
Table of Contents
loading
Need help?

Need help?

Do you have a question about the KXU2830JSS0 and is the answer not in the manual?

Table of Contents