General Description - Mitsubishi Electric Fr-D800 Instruction Manual

Inverter, functional safety, standard/ethernet
Hide thumbs Also See for FR-D800:
Table of Contents
1

GENERAL DESCRIPTION

Features
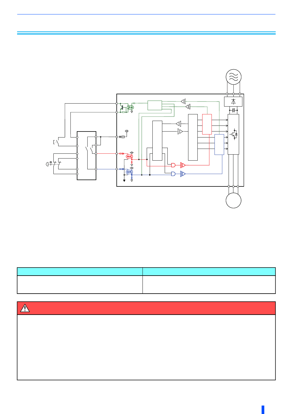
The safety stop function of the Mitsubishi Electric FR-D800(-E) inverter can be used to prevent the inverter from supplying
rotational energy to motors. Dual input terminals S1 and S2 can be used to cut off the gate-drive power to the IGBT.
RESET
Emergency
stop button
Safety relay module/
Safety programmable controller
Safety stop function with SIL 2 certification
Mitsubishi Electric FR-D800(-E) series general-purpose inverters have met the SIL 2 requirements of the international
standard IEC 61508 for functional safety.
Safety performance
(Standards certified by a third-party certification body)
WARNING
 Disconnecting the power to the gate driver by the safety stop function does not isolate electrically
between the inverter and the motor. To avoid an electric shock hazard, disconnect power to the
inverter and verify that the main circuit capacitor voltage is zero (across terminals P/+ and N/-)
before performing any work on the motor (refer to your inverter's Instruction Manual for discharging
time).
 The misuse of safety function leads to personal injury or death, property damage, or economic loss.
To ensure that the system complies fully with requirement of safety, make a system-level risk
assessment. Mitsubishi Electric cannot assume responsibility for any system to comply with safety
standards.
SO
SOC
+24V
PC
Fuse
S1
S2
Figure 1 FR-D800(-E) safety stop function diagram
Table 1 Compliance with SIL 2
FR-D800(-E)
Logic
CPU
CPU
FR-D800(-E)
ISO 13849-1 Category 3/PLd
IEC 62061 / IEC 61800-5-2 / IEC 61508 SIL2
IEC 60204-1 / IEC 61800-5-2 Stop category 0
GENERAL DESCRIPTION
Power supply
R/L1 S/L2 T/L3
IGBTs
Gate
Driver
Gate
Driver
U V W
M
3
Table of Contents
loading
Need help?

Need help?

Do you have a question about the FR-D800 and is the answer not in the manual?

This manual is also suitable for:

800 seriesFr-d800-e

Table of Contents