Note On Safety - Philips 70Fa775 Service Manual

Table of Contents
9
RS43
RSIO~ RSIG
RS44
RGI7 RGB
RS47_——s«RS4B
RRIO
RS62 RSEI RG3I
RGO3 RGO4
RGO9 RGIO RGIS~RGIC
RGI9 RG2C RG26 RG25
RG27
RGZB
RGOB
RG32
RGOT
cst2
csi
625
col
cE37
—ccoz
j
RS64
RROS
.
cGIO CGO9
CGI5~ cGI8
€G03-. C608
cG23
cG24
asi2
0802
0S05
@so2
siz
QS03~QS05
0S07 Qs03 DSO6
:
DS08 DS08
——-DG03-—
QO!
oGo2
QG03~
G07
| eo - 0 |
SRIS-1/4
GEO!
GEO2
SRIS~2/4
s-6
CSII 4.7p06
+:5V
h
Pee
a
| [| |
4
3
12
W
0
9
8B
I5.OVISOVISOV OV
OV
OV
OV
__aso2
é
LC4966
OV
OV
OV
OV~I3.IV-13.IV
(
2
3
4
5
6
7
+15V
G25
RGI7
wso3-2 220 6.
aseo = —— I
o7aw)
RGI8
[220]
:
caw)
+--+,
| «807
9603
~ 9606 |
C603)
| /4.7p 0G
28C 28786 (A)
AY
RGIS,
2209 aac!
RG25
WGOl - |
fo ik)
cG23e
——CJ701-1
4.
RSO9
cGO5
os
os04
22pdG6|
_RGI3
2SA608SP
{t-
B8A1046
fe
+6V
a
9,
ET,
gO
ee en
LES
Qcol
10
9
8
7
4
3
2
4
26 Bl acog
[C7s35
JOV I36V 136V-I3.7V0V
OV
Ov
OV
OV
OV
ov
rm
¢/RSIO
a
x
14.9V
RSi6|¢
Elesis
Q
+IV
+15V
OV
OV O6V 4.7V
OV
OV
OV
OV
OV
ov
ov
ie
.
:
os
44
15
16
I7
18
19
20
21
22
17 16
o2vsed
+5V
BvOV OV
Dso7
RG3!
coos
asol
DSO6
RS62
[0 3.3K]
ak
Spake
aco2
wae?
vov ov | "6782!
~15V
9803
0S06 , DS07
5
47p OG
Sl eG 10
RGI6
NUMAS9ED =D:
NUMa5580-D
14 15
BoC5265P
1SS133
RSG)
ro
fox]
eae
am
ISSI76
0G03
CRIB
a
cG04
ae
5.1V
4.7 OG
220p4AaG
ws02-3
t
see
iSS133
Dso8
Dso9
ar
188176
aa
+5V
188133
188133
188176
1SS176
WSOI-4
|wSsol-5
Wso2 -2
copy
yuoz-4
uo2-5
uu02 -7
SRIS~1/4
a e s cow a Oe
4
13
12
tt 0
9
8
A.
IS.0V-I3.1V-I3.IVOV
OV
OV
OV
asia
ov OV
OV
OV ISOVISOV ~I5V
PGAS66:
1
2
3
4
§
6
7
pan
pe
repr
LC4966
a
-15V
ie
WSOI—1
-15V
OG
JUud2 «1
rat)
~I8V
OG
NSOI-2
—C
JUuo2-2
OV
"A OV.
ov
Cy
Qsi2
2SAG608SP
2841048
RS50.
bso2
, OSOS
IS$133
ISSI76
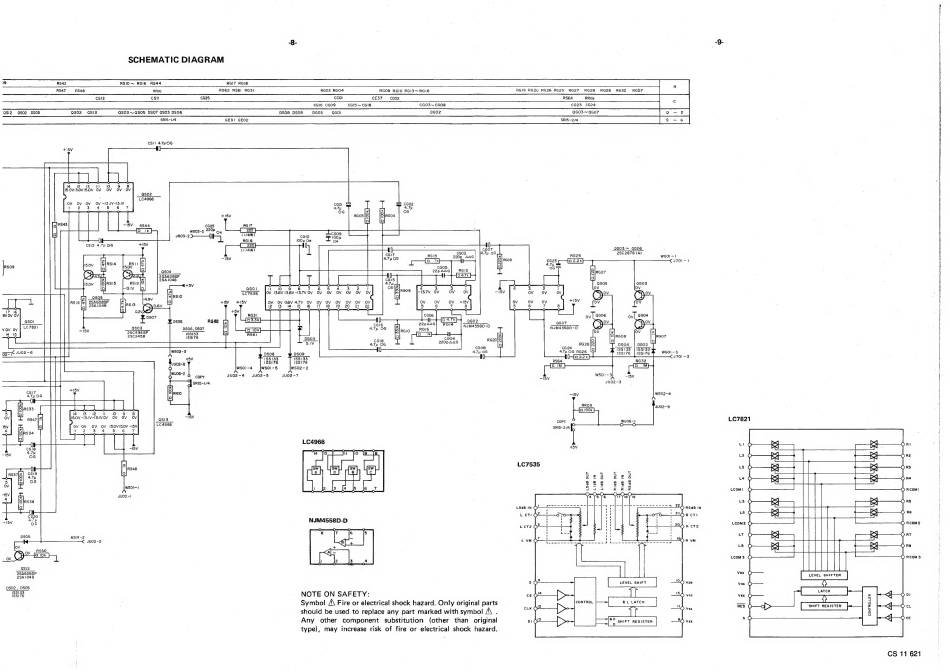
NOTE ON SAFETY:
Symbol A\ Fire or electrical shock hazard. Only original parts
should be used to replace any part marked with symbol A\ .
Any.
other
component
substitution
{other
than
original
type), may
increase risk of fire or electrical shock hazard.
+5V
LC7535
{) (548
OUT
{) RIdB
OUT
()
RIdB
IN
() R5dB
OUT
s
LEVEL SHIFT
10) voo
cE
©
vee
@L
LATCH
cLK
O vss
.
oD
oF
D
SHIFT
REGISTER
©
VEE
LC7821
LL
O
RS
ot
ORI
L<]
Lo]
L2
0
Sei
Sc}
R2
7
:
L3
O
RS
bo
© R3
L4
co
Ke
© R4
Lcomt
©
© RCOMI
Ls
O
Kor
eo
O RS
Le ©
Kor
co
© RE
Lcom2
©) RCOM2
lL?
O
bo
bo
© R7
wl
'-
|
nD
"
Looms O
© RcoM 3
RES
?
[LeveL
swieTeR |
SHIFTER
fe
4}
LATCH
I
fn
:
ee]
:
|
3
©
SHIFT REGISTER
E Bel
ct
°o
&
O cE
CS 11 621
A
te
te
SN
TERE
EIRENE
MESSR
PI

Hide quick links:

Table of Contents
loading
Need help?

Need help?

Do you have a question about the 70FA775 and is the answer not in the manual?

This manual is also suitable for:

70fa775/00r70fa775/05r

Table of Contents