Sign In
Upload
Download
Table of Contents
Contents
Add to my manuals
Delete from my manuals
Share
URL of this page:
HTML Link:
Bookmark this page
Add
Manual will be automatically added to "My Manuals"
Print this page
×
Bookmark added
×
Added to my manuals
Manuals
Brands
Toshiba Manuals
TV
42WH18P
Service manual
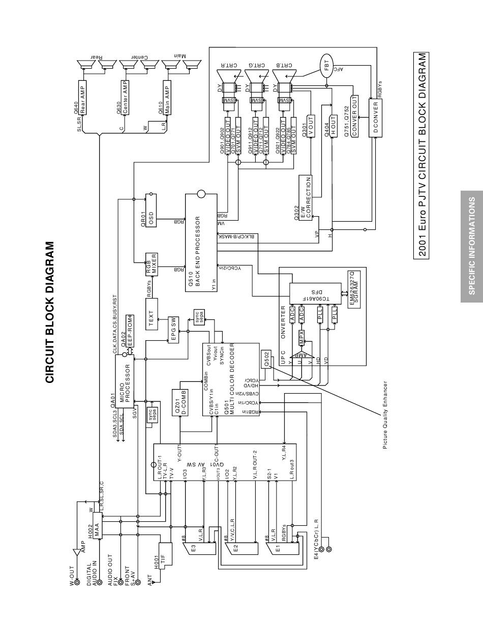
Circuit Block Diagram - Toshiba 42Wh18P Service Manual
Hide thumbs
1
Table Of Contents
2
3
4
5
6
7
8
9
10
11
12
13
14
15
16
17
18
19
20
21
22
23
24
25
26
27
28
29
30
31
32
33
34
35
36
37
38
39
40
41
42
43
44
45
46
47
48
49
50
51
52
53
54
55
56
57
58
59
60
61
62
63
64
65
66
67
68
69
70
71
72
73
74
75
76
77
78
79
80
81
82
83
84
85
86
87
88
89
90
91
92
93
94
95
96
97
98
99
100
101
102
103
104
105
106
107
108
109
110
111
112
page
of
112
Go
/
112
Contents
Table of Contents
Bookmarks
Table of Contents
– 35 –
Table of
Contents
Previous
Page
Next
Page
1
...
32
33
34
35
36
37
38
39
Table of Contents
Need help?
Do you have a question about the 42WH18P and is the answer not in the manual?
Ask a question
Go to Questions and Answers
Related Manuals for Toshiba 42WH18P
TV Toshiba 42WP56A Service Manual
Plasma color television (94 pages)
TV Toshiba 42WL863B Owner's Manual
Wl86* digital series, yl86* digital series (110 pages)
TV Toshiba 42WH18B, 50WH18B Owner's Manual
Toshiba colour television 42wh18b, 50wh18b owner's manual (28 pages)
TV Toshiba 42WLT58 Series Owner's Manual
Toshiba tv (36 pages)
TV Toshiba PDP 37 Series Manual
(45 pages)
TV Toshiba 42WP46P Service Manual
Plasma color television (186 pages)
TV Toshiba 42WP56P Service Manual
Plasma color television (33 pages)
TV Toshiba CPBRO2005Eu Catalog
Home cinema catalogue 2005-6 (21 pages)
TV Toshiba Freeview 17WLT56 Re-Tuning Manual
(2 pages)
TV Toshiba Stasia 17WL46 Catalogue
Television plasma, lcd, projector, dvd video (9 pages)
TV Toshiba 42WH46P Service Manual
(99 pages)
TV Toshiba 42WH36P Service Manual
(127 pages)
TV Toshiba 42HPX95 Service Manual
Plasma color television (21 pages)
TV Toshiba 32AV83*G Manual
Digital series (59 pages)
TV Toshiba 42 UL21 Series Operating Instructions Manual
(46 pages)
TV Toshiba 24 WN3D Series Operating Instructions Manual
(47 pages)
Related Content for Toshiba 42WH18P
42WP56A Circuit Block Diagram
Toshiba 42WP56A
TAC0070 Circuit Block Diagram
Toshiba TAC0070
42HDX82 Circuit Block Diagram
Toshiba 42HDX82
42HPX95 Circuit Block Diagram
Toshiba 42HPX95
TAC0171 Circuit Block Diagram
Toshiba TAC0171
50HDX82 Circuit Block Diagram
Toshiba 50HDX82
42H82 Circuit Block Diagram
Toshiba 42H82
28ZH46P Circuit Block Diagram
Toshiba 28ZH46P
14AS20 Circuit Block Diagram
Toshiba 14AS20
14CS2R Circuit Block Diagram
Toshiba 14CS2R
55A10A Circuit Block Diagram
Toshiba 55A10A
43VJ13P Circuit Block Diagram
Toshiba 43VJ13P
TAC0326 Circuit Block Diagram
Toshiba TAC0326
29AX9UM Circuit Block Diagram
Toshiba 29AX9UM
29CJZ6DR Circuit Block Diagram
Toshiba 29CJZ6DR
20A3E Circuit Block Diagram
Toshiba 20A3E
This manual is also suitable for:
50wh18p
42wt29b
50wt29b
Table of Contents
Print
Rename the bookmark
Delete bookmark?
Delete from my manuals?
Login
Sign In
OR
Sign in with Facebook
Sign in with Google
Upload manual
Upload from disk
Upload from URL
Need help?
Do you have a question about the 42WH18P and is the answer not in the manual?