Kenmore K90-125 Owner's Manual page 18

Gas-fired direct vent condensing hot water boiler
Hide thumbs Also See for K90-125:
Table of Contents

Advertisement

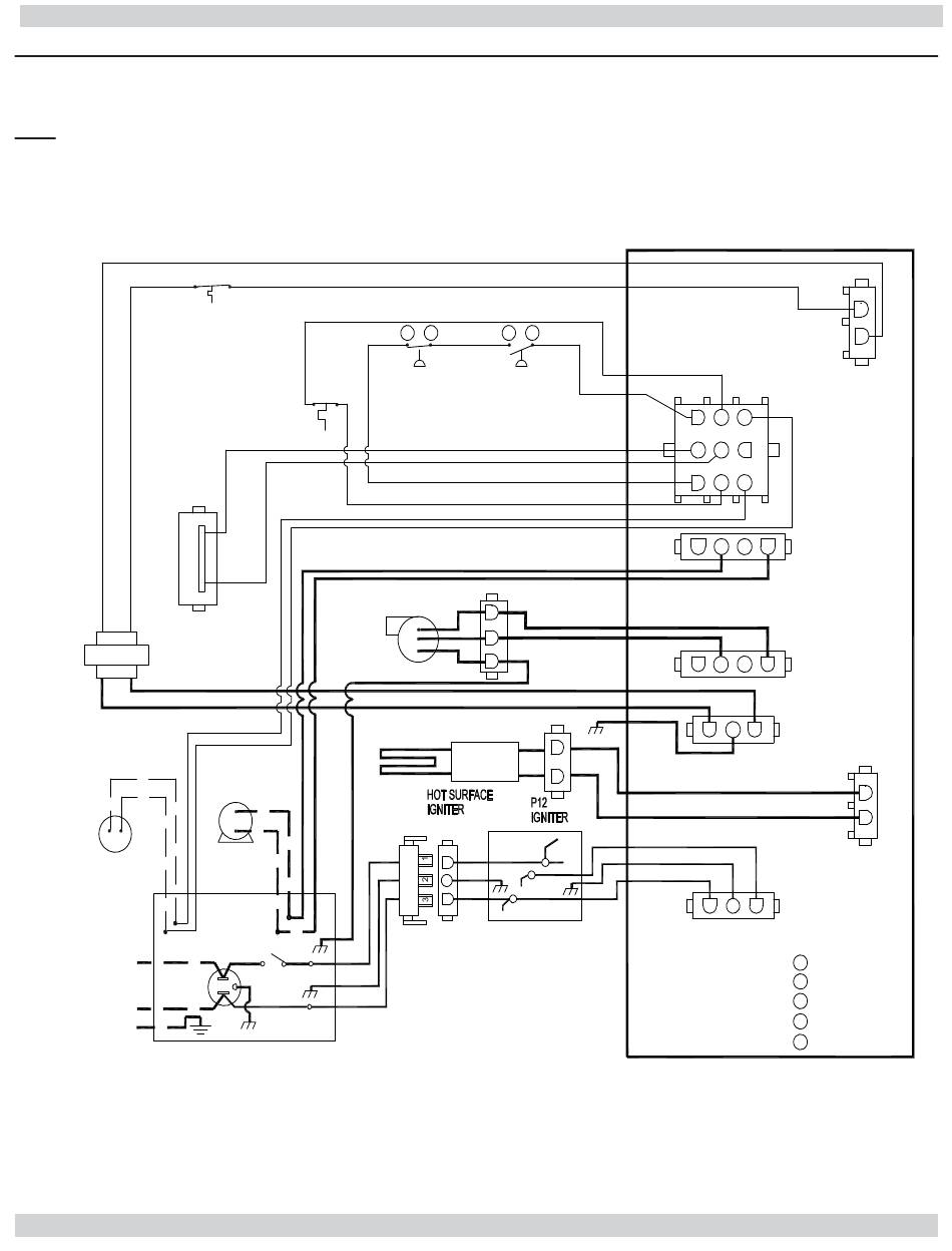
Figure 14A - Schematic Wiring Connections
NOTE: If any of the original wire as supplied with this appliance must be replaced, it must be replaced with type 150°C
Thermoplastic wire or its equivalent.
CASTING TEMPERATURE SAFETY SWITCH (MANUAL RESET)
Y
Y
GAS VALVE
RECTIFIER PLUG
24 VAC
EAEF03801
CONTROL
TRANSFORMER
120
VAC
COMMON
R
W
24V THERMOSTAT
120 VAC
60 HZ, 1 Ø
HOT (L1)
NEUTRAL (L2)
GROUND
(NOTE: USE COPPER CONDUCTORS ONLY)
HI LIMIT
AQUASTAT
DIFFERENTIAL
CONTROL
AIR PRESSURE
SWITCH (N.C.)
SET AT
+ 3.5" WC
BL
BR
BK
W
CIRCULATOR
PUMP
ON/OFF SWITCH
BK
G
W
ELECTRICAL WIRING
1
2
1
3
V
DIFFERENTIAL
AIR PRESSURE
SWITCH (N.O.)
SET AT
+ 0.5" WC
BK
1
W
2
P10
BLOWER
3
G
BLOWER
1
2
BK
LWCO
(PS-122)
BK
Y
1
G
2
Y
W
3
W
18
1013-10 INTEGRATED BOILER CONTROL
BR
V
CONTROL
1
4
7
BL
2
5
8
BR
3
6
9
V
BR
4
3
2
W
BK
W
4
3
2
3
2
1
TO
CASTING
G
Y
G
W
3
1
2
120VAC
DIAGNOSTIC INDICATOR LIGHTS
P2
1
Y
2
Y
24 VAC
P3
TRANSFORMER
SECONDARY
Y
P4
1
CIRCULATOR
BK
P5
1
BLOWER
P1
TRANSFORMER
PRIMARY
P6
R
1
R
2
IGNITER
P7
G
POWER
R
PURGE
R
IGNITOR
R
VALVE
R
FLAME

Advertisement

Table of Contents
loading
Need help?

Need help?

Do you have a question about the K90-125 and is the answer not in the manual?

This manual is also suitable for:

K90-150K90-175K90-200

Table of Contents