Sanyo JJ-P5 Service Manual page 9

Stereo cassette player
Table of Contents
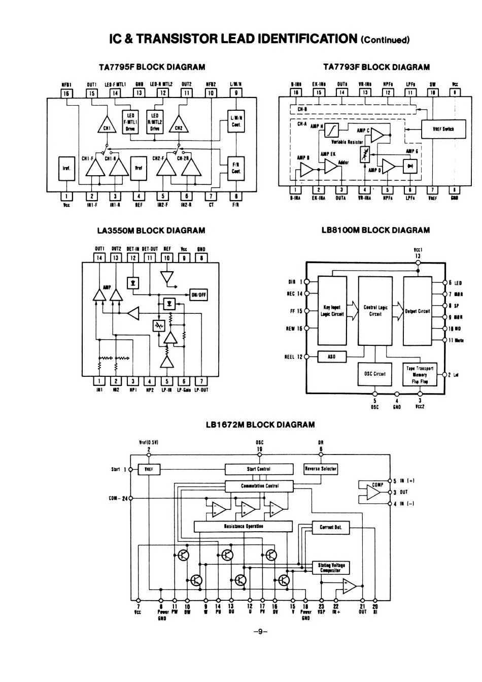
IC & TRANSISTOR LEAD IDENTIFICATION (continueg)
TA7795F BLOCK DIAGRAM
TA7793F BLOCK DIAGRAM
NFB!
OUT!
LED-FMTL!
GNO
LED-AMTL2
OUT
NFB2
Van
8-iNe
EK-iNs
OUTs
VR-IMe
PFS
UPFs
sw
B-IMA
EK-IWA =: OUTA
¥R-INA
PFA
LPFA
VREF
Gas
IW1-F
IN1-R
REF
IN2-F
IN2-R
cT
F/R
LA3550M BLOCK DIAGRAM
OUT!
OUT2
DET-IM DET-OUT
REF
Veo
GND
iw
m2
MP1)
= MP2
LPI
LP-Gain LP-OUT
TT]
Stating Voltage
Compesiter
Table of Contents
loading
Need help?

Need help?

Do you have a question about the JJ-P5 and is the answer not in the manual?

Table of Contents