Sanyo C29LF34 Service Manual page 10

Hide thumbs Also See for C29LF34:
Table of Contents

Advertisement

IC Block Diagrams
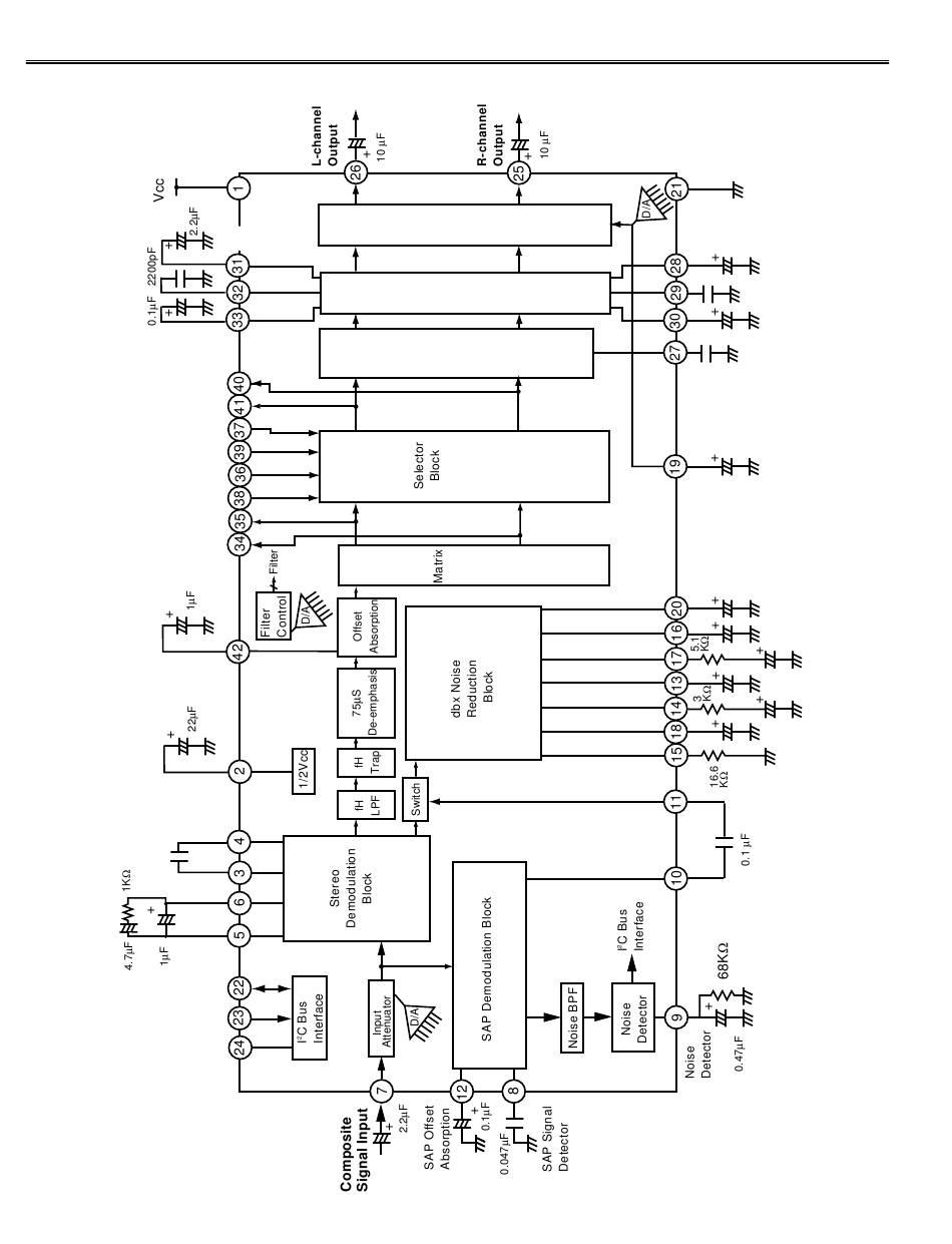
IC3401 < MTS Decoder, Audio Control & Switch> UPC1851BCU
Power Supply
L-channel Capacity of
High Frequency
Band Width
L-channel Capacity of
Low Frequency
Band Width
R-channel Fixed Output
L-channel Fixed Output
External L-channel Input 2
External L-channel Input 1
External R-channel Input 2
External R-channel Input 1
External L-channel Input 3
External R-channel Input 3
Monaural Offset Absorption
Reference Voltage
Pilot Detector 2
0.1µF
Pilot Detector 1
Phase
Detector 2
Phase
Detector 1
SDA
SCL
I
2
GND(
C bus)
Volume Control Block
L-channel Offset
Absorption
Tone Control Block
Surround
Block
VCA Offset Absorption
Wide-band Timing Setting
Wide-band RMS Setting
Spectral Timing Setting
Spectral RMS Setting
Variable Emphasis Input
Offset Absorption
Timing Current Setting
-10-
Analog Ground
2.2µF
R-channel Offset
Absorption
0.022µF
R-channel Capacity of
High Frequency Band Width
R-channel Capacity of
Low Frequency
0.1µF
Band Width
2200pF
Surround Timing Setting
4.7µF
Variable Emphasis
Offset Absorption
10 µF
1 µF
1 µF
3.3 µF
1 µF
1 µF
SAP Signal Input
SAP Signal Output

Advertisement

Table of Contents
loading
Need help?

Need help?

Do you have a question about the C29LF34 and is the answer not in the manual?

Table of Contents