Sign In
Upload
Download
Table of Contents
Contents
Add to my manuals
Delete from my manuals
Share
URL of this page:
HTML Link:
Bookmark this page
Add
Manual will be automatically added to "My Manuals"
Print this page
×
Bookmark added
×
Added to my manuals
Manuals
Brands
Canon Manuals
Camcorder
Canovision8 E50E
Service manual
Canon Canovision8 E50E Service Manual page 86
8mm video camera & recorder
Hide thumbs
1
2
3
4
5
6
7
8
9
10
11
12
13
14
15
16
17
18
19
20
21
22
23
24
25
26
27
28
29
30
31
32
33
34
35
36
37
38
39
40
41
42
43
44
45
46
47
48
49
50
51
52
53
54
55
56
57
58
59
60
61
62
63
64
65
66
67
68
69
70
71
72
73
74
75
76
77
78
79
80
81
82
83
84
85
86
87
88
89
90
91
92
93
94
95
96
97
98
99
100
101
102
103
104
105
106
107
108
109
110
111
112
113
114
115
116
117
118
119
120
121
122
123
124
125
126
127
128
129
130
131
132
133
134
135
136
137
138
139
140
141
142
143
144
145
146
147
148
149
150
151
152
153
154
155
156
157
158
159
160
161
162
163
164
165
166
167
168
169
170
171
172
173
174
175
176
177
178
179
page
of
179
Go
/
179
Contents
Table of Contents
FAQs
Bookmarks
Table of Contents
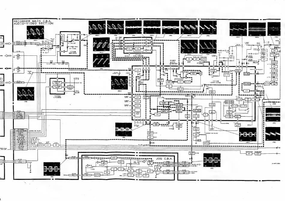
voRert
© LINE our
erie
© VIDEO MEAD
eve Vipeo
1¢108
M1002
7
¥
sO
ee
varoa
vari?
wines
ap108
vipee nO
10106
CXA1 2900
xos
[2]
fr] cco 7} ST
{3}
fe "veroara
fleet |
1 pesasome E
gee ECR
JOG
C.B.A.
©
Ecrr)
—
{cor Totes]
= or
[Pes eC)
13}—fs]
Fa ee
Cpr © ee ©)
{00
Ta} fee
300
3
cnsez
x08
[essere Ta} fa exe
—c~sne
a= ES ==
Table of
Contents
Previous
Page
Next
Page
1
...
83
84
85
86
87
88
89
90
Show Quick Links
Quick Links:
Table of Contents
Disassembling
Removal of Cassette Cover
Main Parts in Mechanical
Play
Hide quick links:
Permanently
Temporary
Cancel
Chapters
| Prireiure
43
Table of Contents
113
Table of Contents
Need help?
Do you have a question about the Canovision8 E50E and is the answer not in the manual?
Ask a question
Go to Questions and Answers
Related Manuals for Canon Canovision8 E50E
Camcorder Canon Digital Camcorders Brochure & Specs
Canon digital camcorders (16 pages)
Camcorder Canon C-100 MK I Student Handout
(17 pages)
Camcorder Canon XL H1 Instruction Manual
Hd video camera recorder (161 pages)
Camcorder Canon Elura 50 Instruction Manual
Digital video camcorder (174 pages)
Camcorder Canon ZR100 Instruction Manual
Canon instruction manual digital video camcorder zr100 (97 pages)
Camcorder Canon ZR20 Instruction Manual
Digital video camcorder (114 pages)
Camcorder Canon VIXIA HF R10 Instruction Manual
Canon vixia hd dual flash camcorder instruction manual (184 pages)
Camcorder Canon Vixia mini X Instruction Manual
Hd camcorder (322 pages)
Camcorder Canon VIXIA HF R40 Quick Manual
Hd camcorder (37 pages)
Camcorder Canon ES290 Instruction Manual
8mm video camcorder (220 pages)
Camcorder Canon UC-X65 Hi Instruction Manual
8mm video camcorder (73 pages)
Camcorder Canon Canovision 8 E77 Instruction Manual
8mm video camera and recorder (64 pages)
Camcorder Canon XapShot RC-250 Instructions Manual
Still video camera (49 pages)
Camcorder Canon Vistura Instruction Manual
(56 pages)
Camcorder Canon ZR800 Instruction Manual
Canon digital video camcorder instruction manual zr800 (66 pages)
Camcorder Canon VIXIA HF G21 Instruction Manual
(150 pages)
Related Products for Canon Canovision8 E50E
Canon Digital Camcorders
Canon C-100 MK I
Canon Capture Perfect 3.0
Canon Canonflex RM
Canon CA-30
Canon CA-400
Canon Leather Soft Case 70
Canon Camera
Canon Cat
Canon CanoScan Toolbox CS
Canon CanoScan Toolbox
Canon CanoScan 5000
Canon CameraWindow
Canon CanoCraft FS 3.6
Canon Canonet Electric Eye
Canon CARPS2
This manual is also suitable for:
Canovision8 e50f
D15-3230
D15-3270
Table of Contents
Print
Rename the bookmark
Delete bookmark?
Delete from my manuals?
Login
Sign In
OR
Sign in with Facebook
Sign in with Google
Upload manual
Upload from disk
Upload from URL
Need help?
Do you have a question about the Canovision8 E50E and is the answer not in the manual?