Schematic Diagram - Sanyo Trc 8000 Service Manual

Memo-scriber
Table of Contents

Advertisement

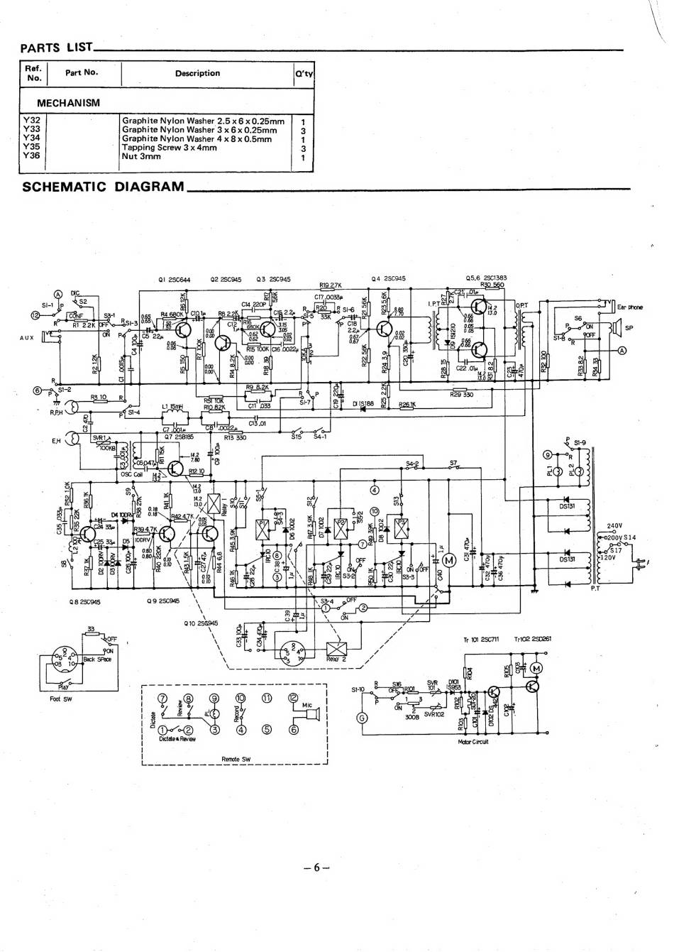
PARTS
LIST
No.
Part No.
|
| |
Description
O'ty
|
MECHANISM
Y32
|
Graphite Nylon Washer 2.5 x6 x0.25mm
Graphite Nylon Washer 3 x
6x 0.25mm
Graphite Nylon Washer 4 x 8x 0.5mm
' | Tapping Screw 3 x 4mm
Y36
Nut 3mm
|
|
SCHEMATIC
DIAGRAM
_ _
. QI 280644
Q2 250945
Q3
280945
~
~Q4 280945
.
ee
-—
?
Ci4 220P U
ClO lp -
RB 2.2%
ae
:
'
S
a
062
C1 001
R.
.
Si-2
&
ei
R310
RL
|
:
9
:
LIS
RH
e
Bf Si-4
3
C7 .00}1
Q8 2sco4s
Tr #1 25C711
TrO2 280261
Motor Circuit

Advertisement

Table of Contents
loading
Need help?

Need help?

Do you have a question about the TRC 8000 and is the answer not in the manual?

This manual is also suitable for:

Trc 8000z

Table of Contents