Sign In
Upload
Download
Table of Contents
Contents
Add to my manuals
Delete from my manuals
Share
URL of this page:
HTML Link:
Bookmark this page
Add
Manual will be automatically added to "My Manuals"
Print this page
×
Bookmark added
×
Added to my manuals
Manuals
Brands
Sony Manuals
CD Player
CDP-557ESD
Service manual
Diagrams; Ic Block Diagrams - Sony Cdp-557Esd Service Manual
Hide thumbs
Also See for CDP-557ESD
:
Service manual
(34 pages)
,
Service manual
(33 pages)
,
Operating instructions manual
(30 pages)
1
2
Table Of Contents
3
4
5
6
7
8
9
10
11
12
13
14
15
16
17
18
19
20
21
22
23
24
25
26
27
28
29
30
31
32
33
page
of
33
Go
/
33
Contents
Table of Contents
Bookmarks
Table of Contents
Advertisement
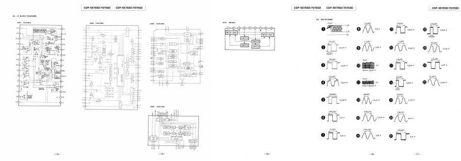
3-2.
ic BLOCK
DIAGRAMS
1C101
CXA1081S
O RFI-V AMP( 2)
~ FI-V AMP
1C204
CXA1182S
CDP-557ESD/707ESD
CDP-557ESD/707ESD
NOILYSN3IdW8O
3SVHd
SNDO04
YOLVYEVdNOD
MOGNIM.
SAL
SWL
Y3G093G
LAdLNO
wacoogaG
ssaycav
YALSI9IW
LdIHS
LNdNE
9
>
4
>
D in
a
a
4 m
a
2
Q
o
%
pa
ta
a
m
a
iC302
CXD11250
FSW
iow
Da
CLV SERVO
oy
CONTROL
MOS
MDP a
EFM
>
i a
LOCK
vcot
vss (12)
CLOCK
113
LATCH]
|
DATA
|15
sens (i
mee
9
> 0
ree
}
roo (i= ——[ er F
RESET (8) ee
Eun
TRACKING
(8) Lack
(3) wock
CPU
INTERFACE
COUNTER
1
DAI6 DAOI
Lt
SELECTOR
'
FRAME
SYNC DETECTOR"
PPROTECTOR/
INSERTER
23-BIT
SHIFT REGISTER
SUBCODE
SYNC DETCTOR
—-
MUTG (19)}—-»>—
CRCF Cy
exck QI)
SUBCODE Q
= 1 ae
SUBQ
SCOR
be
5)
—~22)
G8)
C 29-37)
x"
a
~~
-
8
8
2&8
Es
(C601
CXD1144P
Is
Gi IS
'
i
Zo
-
at)
—
re
a
a
NN
xo
<
ale
>
.-
Se
©
FRSERESSED
Zé
5
azo
S£3538a665884
2
Bas
C8-—=2?)
222!)
ING
ROL
SUBCODE
Q
REGISTER
DIGITAL OUT
VCO CIRCUIT
TIMING
GENERATOR
ie
245! 35 | 13 {SOFT
TIM
&
COEF RAM
+4
i
SOFT INAF INIT
X'TAL
CIRCUIT
TIMING
GENERATOR
ADDRESS
GENERATOR
€0)
nf?
APTR
APTL
VSS
C4M
RACS
RAWE
RA11
RAQ1
1C701
M54543L
2)—-@)
+) +) —)
room}
} |
MOTOR DRIVE
—
|
&
Se
SWITCH
CDP-557ESD/707ESD
CDP-557ESD/707ESD
3-3.
WAVEFORMS
PLAY
1
PY
-
——0.7V
OV
i30uSEC
|<»
2]
5,6VP-P
>
50pSEC
135 ySEC
[<>
@
3.2VP-P
0.2yuSEC
~<———>
4]
7.6VP-P
ISOySEC
<->
5]
5.2VP-P
O48ySEC
——————_+r
@
ey
IS SEC
@
5VP-P
8
0.1 pSEC
|<»
3VP-P
0.1 SEC
<>
|.5VP-P
®
Applox. 3.6 VP-P
PLAY
CTA
OV
Applox. 80mVP-P
60nSEC
}+-——»|
@® N\\\y 4.4VP-P
®
0.26ySEC
<——-»
5.2VP-P
0.26 ySEC
bt}
5VP-P
2.8ySEC
<>
@®
| | | 5.6VP-P
1.1 SEC
}<—|
@ [\f\ 5.2VP-P
2.8ySEC
bt»
@
| | | 5.6VP-P
2.8ySEC
<>
@
| | | 5.6VP-P
jt}
| SEC
6OnSEC
~<——»-|
®
2.8uSEC
@
28SEC
|
@
CDP-557ESD/707ESD
2.8ySEC
a
22) | | | 5 AVP-P
>|
O.9ySEC
60nSEC
}-~<———-—-|
®)
5.4VP-P
2.8ySEC
)
6VP-P
O.1pSEC
}<-———— >
25)
5.4VP-P
Table of
Contents
Previous
Page
Next
Page
1
...
8
9
10
11
12
13
14
15
Advertisement
Table of Contents
Need help?
Do you have a question about the CDP-557ESD and is the answer not in the manual?
Ask a question
Go to Questions and Answers
Related Manuals for Sony CDP-557ESD
CD Player Sony CDP-557ESD Service Manual
Compact disc player (34 pages)
CD Player Sony CDP-557ESD Service Manual
Compact disc player (33 pages)
CD Player Sony CDP-557ESD Operating Instructions Manual
(30 pages)
CD Player Sony CDP-550 Service Manual
(22 pages)
CD Player Sony CDP-555ESD Operating Instructions Manual
(49 pages)
CD Player Sony CDP-761 Operating Instructions Manual
(17 pages)
CD Player Sony CDP-761 Operating Instructions Manual
Compact disc player (16 pages)
CD Player Sony CDP-561 Service Manual
Compact disc player (25 pages)
CD Player SONY CDP-461 Operating Instructions Manual
Compact disc piayer (17 pages)
CD Player Sony CDP-597 Service Manual
(23 pages)
CD Player Sony CDP-597 Service Manual
(42 pages)
CD Player Sony CDP-490 Service Manual
(24 pages)
CD Player Sony CDP-591/M51 Service Manual
(27 pages)
CD Player Sony CDP-511 Service Manual
Compact disc player (32 pages)
CD Player Sony MICROFILM CDP-502ES Service Manual
(56 pages)
CD Player Sony CDP-501ES Service Manual
(49 pages)
Related Content for Sony CDP-557ESD
CFD-330 Diagrams
Sony CFD-330
CDP-CX151 Section Diagrams
Sony CDP-CX151
CDP-D11 Section 4 Diagrams
Sony CDP-D11
Discman D-34 Ic Block Diagrams
Sony Discman D-34
SCD-X501ES Diagrams
Sony SCD-X501ES
SCD-XA1200ES Diagrams
Sony SCD-XA1200ES
AIWA XP-ZV610 Diagrams
Sony AIWA XP-ZV610
AIWA XP-ZV700 Diagrams
Sony AIWA XP-ZV700
CDX-52 Diagrams
Sony CDX-52
CDP-0945 Diagrams
Sony CDP-0945
CDX-M850MP Section 4 Diagrams
Sony CDX-M850MP
CDX-F7500 Diagrams
Sony CDX-F7500
SCD-C2000ES Diagrams
Sony SCD-C2000ES
CDX-M630 Section 4 Diagrams
Sony CDX-M630
CDX-G1000U Section 4 Diagrams
Sony CDX-G1000U
TCM-150 Diagrams
Sony TCM-150
This manual is also suitable for:
Cdp-707esd
Table of Contents
Print
Rename the bookmark
Delete bookmark?
Delete from my manuals?
Login
Sign In
OR
Sign in with Facebook
Sign in with Google
Upload manual
Upload from disk
Upload from URL
Need help?
Do you have a question about the CDP-557ESD and is the answer not in the manual?