Sign In
Upload
Download
Table of Contents
Contents
Add to my manuals
Delete from my manuals
Share
URL of this page:
HTML Link:
Bookmark this page
Add
Manual will be automatically added to "My Manuals"
Print this page
×
Bookmark added
×
Added to my manuals
Manuals
Brands
KitchenAid Manuals
Ventilation Hood
KXU2830YSS
Installation instructions and use & care manual
Wiring Diagram - Kitchenaid Kxu2830Yss Installation Instructions And Use & Care Manual
30" (76.2 cm) and 36" (91.4 cm) slide-out range hood
Hide thumbs
1
Table Of Contents
2
3
4
5
6
7
8
9
10
11
12
13
14
15
16
17
18
19
20
21
22
23
24
25
26
27
28
29
30
31
32
page
of
32
Go
/
32
Contents
Table of Contents
Bookmarks
Table of Contents
Available languages
EN
FR
Available languages
ENGLISH, page 1
FRANÇAIS, page 17
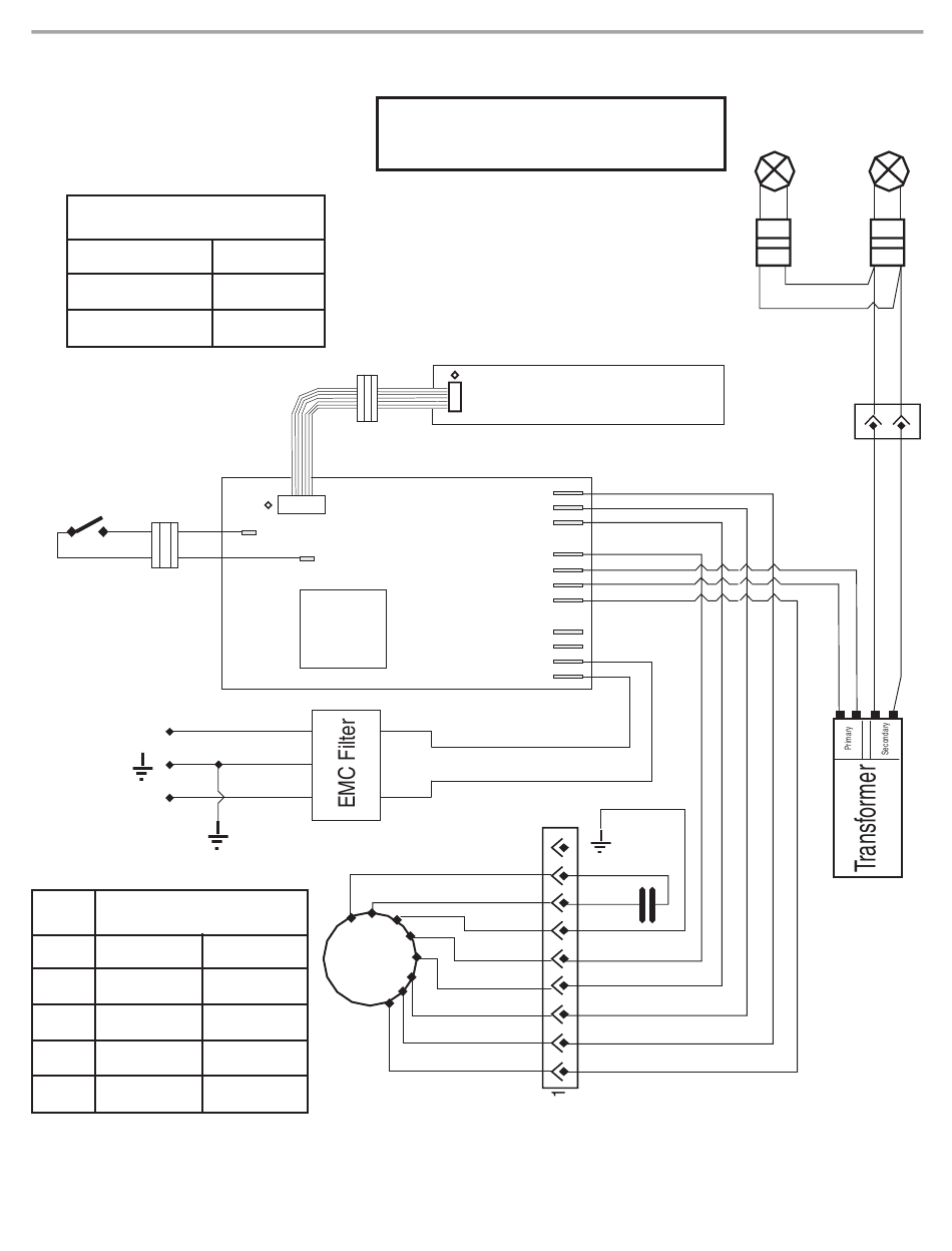
Motor Characteristics
Power Supply
Frequency
Power Absorption
R
R
BR
N
L
Speed
Motor Resistance (Ohms)
1
BU/W
2
BU/R
3
BU/GY
BU/BK
4
Room Temp.
73.4˚ F (23˚ C)
14
WIRING DIAGRAM
SEL0015013
120 V
60 Hz
230 W
Main Board
BR
W
W
Y/G
BK
BK
M
45.1 Min.
37.7
30.3
20.8 Max.
User Interface
BK
Speed 4
GY
Speed 3
R
Speed 2
W
Speed 1
Y
Lamp
Y
Neutral
BU
Neutral
BK
L1
W
Neutral
Y/G
BR
BR
Y
Y
Y/G
Y/G
W
W
R
R
GY
GY
BK
BK
BU
BU
Y
Y
Y
Y
Y
Y
Y Y
Table of
Contents
Previous
Page
Next
Page
1
...
11
12
13
14
15
16
17
18
Table of Contents
Need help?
Do you have a question about the KXU2830YSS and is the answer not in the manual?
Ask a question
Go to Questions and Answers
Related Manuals for KitchenAid KXU2830YSS
Ventilation Hood KitchenAid 30" (76.2 CM) SLIDE-OUT RANGE HOOD Installation Instructions And Use & Care Manual
30" (76.2 cm) and 36" (91.4 cm) slide-out range hood (32 pages)
Ventilation Hood KitchenAid KXU2836YSS0 Installation Instructions And Use & Care Manual
30" (76.2 cm) and 36" (91.4 cm) slide-out range hood (32 pages)
Ventilation Hood KitchenAid KXU2830JSS0 Installation Instructions And Use & Care Manual
30" (76.2 cm) and 36" (91.4 cm) slide-out range hood (32 pages)
Ventilation Hood KitchenAid KitchenAid KVUC600KSS0 Installation Instructions And Use And Care Manual
30" (76.2 cm) and 36" (91.4 cm) commercial style (40 pages)
Ventilation Hood KitchenAid KWCU360JSS1 Installation Instructions And Use And Care Manual
36/42/48" (91.4/106.7/121.9 cm) wall mount pro line range hood (24 pages)
Ventilation Hood KitchenAid KPEC992M Dimension Manual
900 cfm exterior blower (1 page)
Ventilation Hood KitchenAid KHTU105RSS1 Installation Instructions And Use & Care Manual
30" (76.2 cm) and 36" (91.4 cm) range hood (24 pages)
Ventilation Hood KitchenAid 30" Use & Care Manual
30" (76.2 cm) and 36" (91.4 cm) wall-mount canopy range hood (32 pages)
Ventilation Hood KitchenAid KVWB406DSS Installation Instructions And Use & Care Manual
30" and 36" range hoods (32 pages)
Ventilation Hood KitchenAid KHTU100 Series Installation Instructions And Use And Care Manual
30" (76.2 cm) and 36" (91.4 cm) traditional series vented and non-vented range hoods (20 pages)
Ventilation Hood KitchenAid Microwave Hood Combination User Manual
(9 pages)
Ventilation Hood KitchenAid 30 Installation Instructions And Use And Care Manual
30" (76.2 cm) 36" (91.4 cm) 48" (121.9 cm) wall-mount canopy range hood (24 pages)
Ventilation Hood KitchenAid 36" Installation Instructions And Use & Care Manual
36" (91.4 cm) and 48" (121.9 cm) designer commercial-style wall-mount canopy range hood (40 pages)
Ventilation Hood KitchenAid KIRD801HSS0 Parts List
30" and 36" retractable down draft vent system (4 pages)
Ventilation Hood KitchenAid W10029780 Installation Instructions And Use & Care Manual
30" (76.2 cm) and 36" (91.4 cm) wall-mount canopy range hood (28 pages)
Ventilation Hood KitchenAid KPEU722M Installation Instructions And Use And Care Manual
30" (76.2 cm), 36" (91.4 cm) retractable (pop-up) downdraft vent systems (32 pages)
Related Content for KitchenAid KXU2830YSS
KVWC906KSS Wiring Diagram
KitchenAid KVWC906KSS
KVUC600KSS Wiring Diagram
KitchenAid KVUC600KSS
KVWC956KSS Wiring Diagram
KitchenAid KVWC956KSS
KVWB400DSS Wiring Diagram
KitchenAid KVWB400DSS
KVWB600DSS Wiring Diagram
KitchenAid KVWB600DSS
KXU2830JSS0 Wiring Diagram
KitchenAid KXU2830JSS0
KVUC606JSS0 Wiring Diagram
KitchenAid KVUC606JSS0
KXW2536YSS Wiring Diagram
KitchenAid KXW2536YSS
LI32ND/W10674120D Wiring Diagram
KitchenAid LI32ND/W10674120D
Architect KXU8036YSS Wiring Diagram
KitchenAid Architect KXU8036YSS
KVWC956JSS0 Wiring Diagram
KitchenAid KVWC956JSS0
LI32NE Wiring Diagram
KitchenAid LI32NE
WVU11UV0F Wiring Diagram
KitchenAid WVU11UV0F
WVU31UC0F Wiring Diagram
KitchenAid WVU31UC0F
585 CFM Wiring Diagram
KitchenAid 585 CFM
KVWC958JSS Wiring Diagram
KitchenAid KVWC958JSS
This manual is also suitable for:
Kxu2836yss
Table of Contents
Print
Rename the bookmark
Delete bookmark?
Delete from my manuals?
Login
Sign In
OR
Sign in with Facebook
Sign in with Google
Upload manual
Upload from disk
Upload from URL
Need help?
Do you have a question about the KXU2830YSS and is the answer not in the manual?