Sign In
Upload
Download
Table of Contents
Contents
Add to my manuals
Delete from my manuals
Share
URL of this page:
HTML Link:
Bookmark this page
Add
Manual will be automatically added to "My Manuals"
Print this page
×
Bookmark added
×
Added to my manuals
Manuals
Brands
Toshiba Manuals
Color television
TheaterWide 30HFX84
Service manual
Toshiba 30HFX84 Service Manual page 25
Hide thumbs
Also See for 30HFX84
:
Owner's manual
(50 pages)
,
Specifications
(2 pages)
1
2
3
Table Of Contents
4
5
6
7
8
9
10
11
12
13
14
15
16
17
18
19
20
21
22
23
24
25
26
27
28
29
30
31
32
33
34
35
36
37
38
39
40
41
42
43
44
45
46
47
48
49
50
page
of
50
Go
/
50
Contents
Table of Contents
Bookmarks
Table of Contents
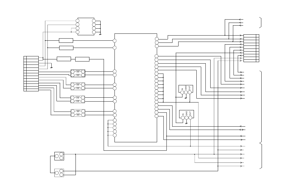
Q3603
Q3604
HDMI1
CONNECTOR
CP3601
Q3617
19 DET
18 POWER
17 GND
16
SDA
15
SCL
12
CLK-
10
CLK+
9 D0-
7 D0+
6 D1-
4 D1+
3 D2-
1 D2+
Audio_In_L1
J3601
1
Audio_In_R1
J3602
1
E-9
EEP_ROM
IC3606 S-24C02BFJ-TB
5
SDA
GND
4
6
SCL
A2
3
7
WP
A1
2
8
VCC
A0
1
BUFFER
76
BUFFER
77
Q3618
SW
SW
L3601
ACM2012D
1
4
83
84
2
3
L3603
ACM2012D
1
4
86
2
3
87
L3602
ACM2012D
1
4
91
2
3
92
L3604
ACM2012D
4
96
1
2
3
97
81
82
89
93
95
2
3
2
3
INTERFACE1 BLOCK DIAGRAM
HDMI INTERFACE
IC3605 SiI9993CTG100
AnBPb 15
DSDA
AnGY 12
AnRPr
7
DSCL
34
VSYNC
SCK
32
WS
31
30
SD0
27
MCLK
RXC-
VCC 100
RXC+
OVCC 67
VCC 64
OVCC
56
RX0-
OVCC 47
RX0+
VCC 40
PVCC2
23
RX1-
OVCC
21
RX1+
VCC 17
CSCL
74
CSDA
75
RX2-
RXT.RST 72
RX2+
INT
71
EXT_RES
AVCC
AVCC
AVCC
AVCC
3.3VREG
IC3601 KIA78D33F
1
2
3
3.3VREG
IC3602 KIA78D33F
1
2
3
ANBPB
INTERFACE2
ANGY
ANRPR
CP3602
Pb
1
Y
2
3
Pr
AV/
+12V
7
SYNC COUNT/
DAC_A_L
8
CONNECTOR
DAC_A_R
10
+4V
12
+5V
13
14
AUDIO-L
AUDIO-R
16
+5V
DAC_A_R
DAC_A_L
+12V
V_SYNC
SCK
WS
SDO
MCLK
MICON2
CSCL
CSDA
RXT1_RST#
H1_INT
3.3V_B
SW_AUDIO_R
SW_AUDIO_L
INTERFACE2
3.3V_A
AUDIO_L1
AUDIO_R1
E-10
Table of
Contents
Previous
Page
Next
Page
1
...
22
23
24
25
26
27
28
29
Table of Contents
Need help?
Do you have a question about the 30HFX84 and is the answer not in the manual?
Ask a question
Go to Questions and Answers
Related Manuals for Toshiba 30HFX84
TV Toshiba TheaterWide 30HFX84 Owner's Manual
Toshiba owner's manual color television 30hfx84 (50 pages)
TV Toshiba 30HFX84 Specifications
30” diagonal cinema series hd (2 pages)
Color television Toshiba 32A32 Service Manual
(33 pages)
Color television Toshiba MV13P2 Service Manual
Color television/ video cassette recorder (65 pages)
Related Products for Toshiba 30HFX84
Toshiba 30HF86C
Toshiba 30H83
Toshiba FSTPURE 30HF84
Toshiba 30HF85C
Toshiba 32TL515U
Toshiba 32A10
Toshiba 32SL753B
Toshiba 32SL415UM
Toshiba 32L2400U
Toshiba 32L1400U
Toshiba 32A3000P
Toshiba 32UL863G
Toshiba 39L3663DG
Toshiba 3788DG
Toshiba 32W3663DG
Toshiba 32W1665DG
Table of Contents
Print
Rename the bookmark
Delete bookmark?
Delete from my manuals?
Login
Sign In
OR
Sign in with Facebook
Sign in with Google
Upload manual
Upload from disk
Upload from URL
Need help?
Do you have a question about the 30HFX84 and is the answer not in the manual?