Sign In
Upload
Download
Table of Contents
Contents
Add to my manuals
Delete from my manuals
Share
URL of this page:
HTML Link:
Bookmark this page
Add
Manual will be automatically added to "My Manuals"
Print this page
×
Bookmark added
×
Added to my manuals
Manuals
Brands
Frigidaire Manuals
Laundry Appliance
FFLE3911QW
Technical & service manual
Motor/Blower/Belt - Frigidaire Ffle3911Qw Technical & Service Manual
Hide thumbs
1
2
Table Of Contents
3
4
5
6
7
8
9
10
11
12
13
14
15
16
17
18
19
20
21
22
23
24
25
26
27
28
29
30
31
32
33
34
35
36
37
38
39
40
41
42
43
44
45
46
47
48
49
50
51
52
53
54
55
56
57
58
59
60
61
62
63
64
65
66
67
68
69
70
71
72
73
74
75
76
77
78
79
80
81
82
83
84
85
86
87
88
89
90
91
92
93
94
95
96
97
98
99
100
101
102
103
104
105
106
107
108
109
110
111
112
113
114
115
116
117
118
119
120
121
122
123
124
125
126
127
128
129
130
131
132
133
134
135
136
137
138
139
140
141
142
143
144
145
146
147
148
149
150
151
152
153
154
155
156
157
158
159
160
161
162
163
164
165
166
167
168
169
170
171
172
173
174
175
176
177
178
179
180
181
182
183
184
185
186
187
188
189
190
191
192
193
194
195
page
of
195
Go
/
195
Contents
Table of Contents
Troubleshooting
Bookmarks
Table of Contents
Advertisement
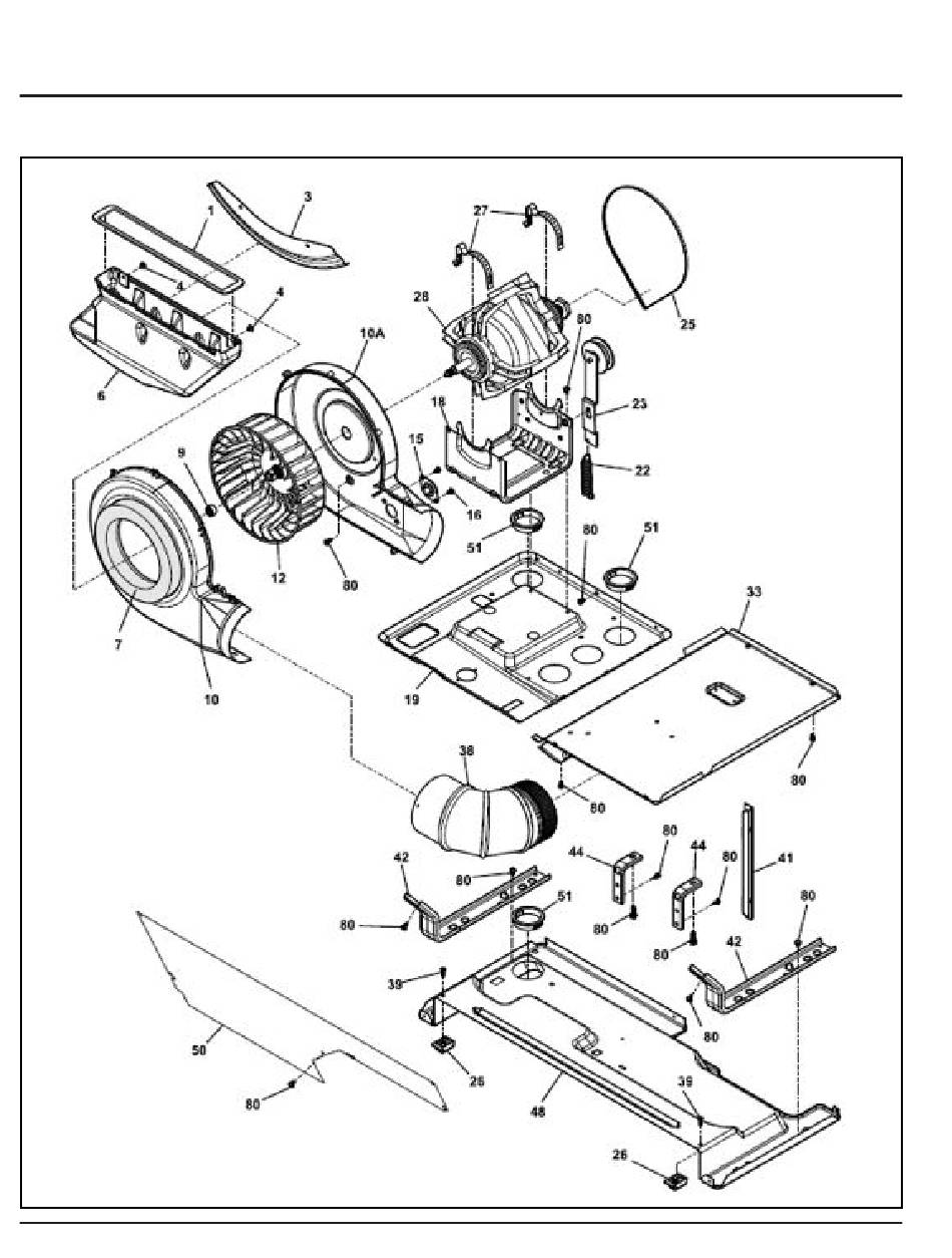
5.1.2 Motor/Blower/Belt
16
Table of
Contents
Previous
Page
Next
Page
1
...
14
15
16
17
18
19
20
21
Show Quick Links
Quick Links:
Diagnostic System - Ffle3911Qw and Fflg4033Qw...
Diagnostic System - Ffle3911Qw and Fflg4033Qw...
Hide quick links:
Permanently
Temporary
Cancel
Advertisement
Table of Contents
Troubleshooting
TROUBLESHOOTING BASED ON ALARM CODES - FFLE3911QW AND FFLG4033QW (DRYER MODEL)
122
TROUBLESHOOTING BASED ON ALARM CODES - FFLE3911QW AND FFLG4033QW (WASHER MODEL)
159
Need help?
Do you have a question about the FFLE3911QW and is the answer not in the manual?
Ask a question
Go to Questions and Answers
Related Manuals for Frigidaire FFLE3911QW
Laundry Appliance Frigidaire FEX831F Factory Parts Catalog
Laundry center with electric dryer (14 pages)
Laundry Appliance Frigidaire GLGH1642DS1 Owner's Manual
Tumble action laundry center (16 pages)
Laundry Appliance Frigidaire GLEH1642FS2 Owner's Manual
Tumbleaction laundry center (17 pages)
Laundry Appliance Frigidaire GLEH1642FS - 3.1 cu. Ft. Laundry Center Owner's Manual
Tumble action laundry center (16 pages)
Laundry Appliance Frigidaire LCE462L Owner's Manual
(24 pages)
Laundry Appliance Frigidaire GLET1041AS2 Owner's Manual
Laundry center (16 pages)
Laundry Appliance Frigidaire FLCG7522AW Use & Care Manual
Laundry center (55 pages)
Laundry Appliance Frigidaire FLCE752CAW Use & Care Manual
(52 pages)
Laundry Appliance Frigidaire GLEH1642DS0 Schematic Diagrams
Frigidaire gleh1642ds0 electric laundry center: release note (4 pages)
Laundry Appliance Frigidaire GLET1041AS2 Wiring Diagram
Frigidaire glet1041as2 electric laundry center: release note (1 page)
Laundry Appliance Frigidaire GLGT1142CS1 Wiring Diagram
Frigidaire glgt1142cs1 gas laundry center: release note (1 page)
Laundry Appliance Frigidaire GLET1031FS2 Owner's Manual
(13 pages)
Laundry Appliance Frigidaire GLEH1642FS - 3.1 cu. Ft. Laundry Center Installation Instructions Manual
Full size laundry center gas & electric (20 pages)
Laundry Appliance Frigidaire GLET1142CS0 Owner's Manual
Frigidaire glet1142cs0 electric laundry center: owners guide (13 pages)
Related Products for Frigidaire FFLE3911QW
Frigidaire FFLG3911QW
Frigidaire FFLE4033QW
Frigidaire FGX831CS1
Frigidaire FLGB8200FS1
Frigidaire FEX831FS2
Frigidaire FLEB8200FS2
Frigidaire FGX831FS2
Frigidaire FGX831FS3
Frigidaire FEX831FS0
Frigidaire FEX831FS1
Frigidaire FGX831FS1
Frigidaire FGX831FS0
Frigidaire FLEB8200FS1
Frigidaire FLGB8200FS2
Frigidaire FEZ831CFS1
Frigidaire FRIGIDAIRE
This manual is also suitable for:
Fflg3911qw
Ffle4033qw
Fflg4033qw
Table of Contents
Save PDF
Print
Rename the bookmark
Delete bookmark?
Delete from my manuals?
Login
Sign In
OR
Sign in with Facebook
Sign in with Google
Upload manual
Upload from disk
Upload from URL
Need help?
Do you have a question about the FFLE3911QW and is the answer not in the manual?