Philips PM 3342 Manual page 37

Dual trace unit
Table of Contents

Advertisement

48
SK9 —~
i~
9O2/A . . .
T
sa4/.._ .
1 X J
I I
SK 10
01
0
z x I--~—~--0
sx
1
w—~
1 o x ~--o
►0
r 20X)
O
~
~ sox
o
•----+o--~ 10o x I
o
b
1200 X
1
•~
~ 500 X ~---~
•—iO
I 1000 X (
O
i
O
.o
0
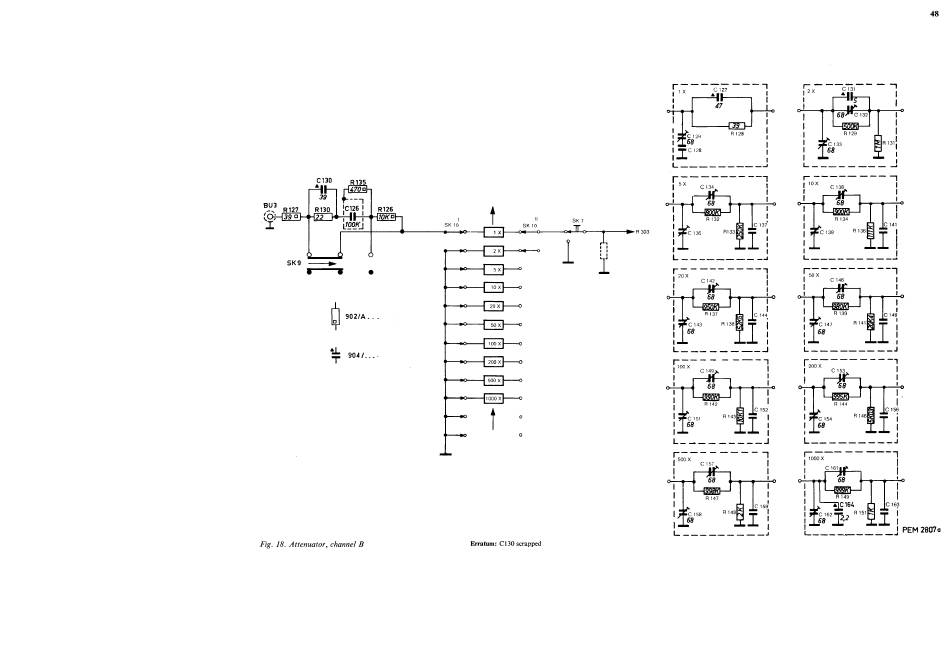
Fig. 18. ~ttenuator, channel B
Erratum:
C13o
scrapped
SK 7
o~~o
1
~
R 303
i
i
1 X
0127 ---,
c,29
68
T
C 126
y
R 129
'
6 X
C 134
~
68
~
r .,-.
~
C 137!
I
I
i
I
C 136
R133
I
L ---------~
20 x
~
I
c 142
C 143
68
C 144
R 138
r
100X
_
_
— --_,
C 149
R 142
c
1s1
68
L—~--
00 X
L
C 157
C 1s8
68
R 147
1
.I
C
1
ss'
R 148 i
T
I
R 143
C 152
I'
I
I
-----~
----
I
r
X
C131—_
~
I
lox
C 133
68
C 138
R P31
I
L
---------~
so x
c
1
as
L
---------~
~200X
----
___,
C 153
~..L~
~
156
I`
~
I
L ---------~
r00~ X
— —
---
~
C 161
C
r~
~7
163
I
L ___ ` ~___
_~ PEM 28O7a
R 149
• C 164
R 151
T2

Advertisement

Table of Contents
loading
Need help?

Need help?

Do you have a question about the PM 3342 and is the answer not in the manual?

Table of Contents