With cd changer control full panel detachable high power fm/am stereo receiver compact disc player with cd changer controller iso mounting with removable trim ring (26 pages)
Full panel detachable
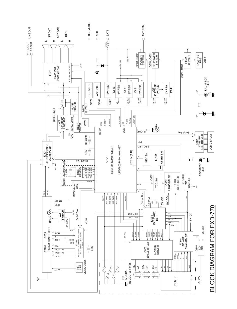
high power fm/mw/lw stereo receiver
compact disc player
iso mounting with removable trim ring
cd changer control
remote control (21 pages)
Full panel detachable
fm stereo/mw receiver
compact disc/mp3-cd player
with cd changer controller
with remote controller
iso mounting with removable trim ring (35 pages)
Need help?
Do you have a question about the FXD-770GD and is the answer not in the manual?