Electrolux 267752 Installation, Operation And Maintenance Manual page 7

Gas steam/convection ovens
Table of Contents

Advertisement

USA
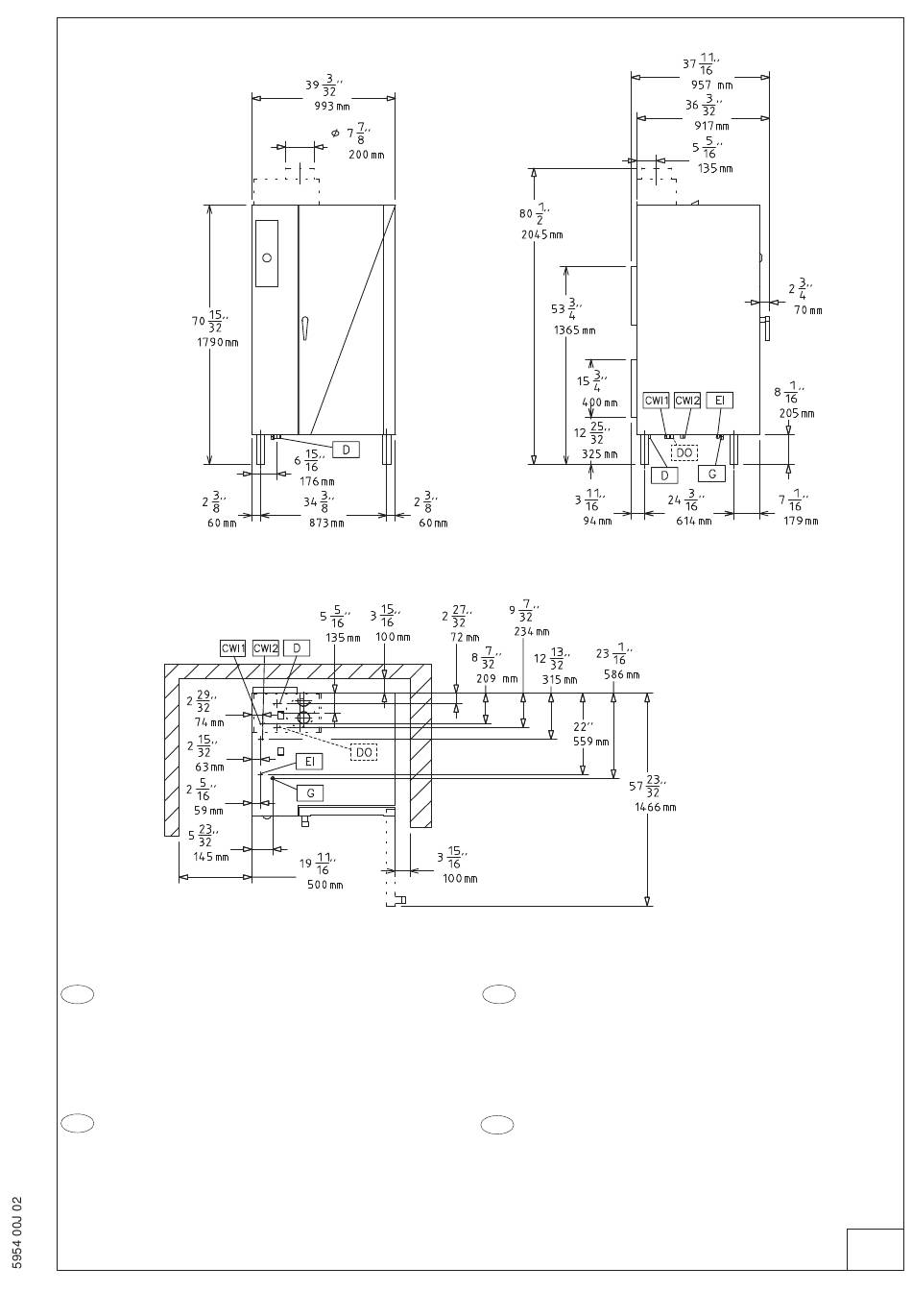
G - Gas connection
EI - Power supply cable inlet
CWI1 - Water supply connection (0.5- 5 °F) ø3/4" NPT
D - Water drain connection
CWI2 - Steam condens. water connection ø3/4" NPT
DO - Overfl ow drain pipe (AIR-BREAK)
IT
G - Attacco gas
EI - Entrata cavo elettrico
CWI1 - Attacco alim. acqua (0,5 - 5 °F)
D - Collettore scarico acqua
CWI2 - Attacco acqua Conden. fumane
DO - Scarico di sicurezza (AIR-BREAK)
20 GN 1/1
:
Mod.
CDN
G - Entée gaz
ø1/2" NPT
EI - Entrée câble électrique
CWI1 - Entrée eau (0,5 - 5 °F)
ø1"1/4 NPT
D - Collecteur évacuation eau
CWI2 - Entrée eau Conden.vapeurs
(Do not connect)
DO - Évacuation de secours (AIR-BREAK) (Ne pas raccorder)
ES
ø1/2" NPT
G - Conexión de gas
EI - Ingreso cable eléctrico
ø3/4" NPT
CWI1 - Conexión de agua (0,5 - 5 °F)
ø1"1/4 NPT
D - Colector del desagüe
ø3/4" NPT
CWI2 - Entrada del agua de condensación ø3/4" NPT
(Non collegare)
DO - Desagüe de seguridad (AIR-BREAK) (No conectar)
7
ø1/2" NPT
ø3/4" NPT
ø1"1/4 NPT
ø3/4" NPT
ø1/2" NPT
ø3/4" NPT
ø1"1/4 NPT
1e

Advertisement

Table of Contents
loading
Need help?

Need help?

Do you have a question about the 267752 and is the answer not in the manual?

Table of Contents