Block Diagram Of Position Control Mode - Panasonic Minas-Liqi Series Technical Reference

Ac servo amplifier
Table of Contents
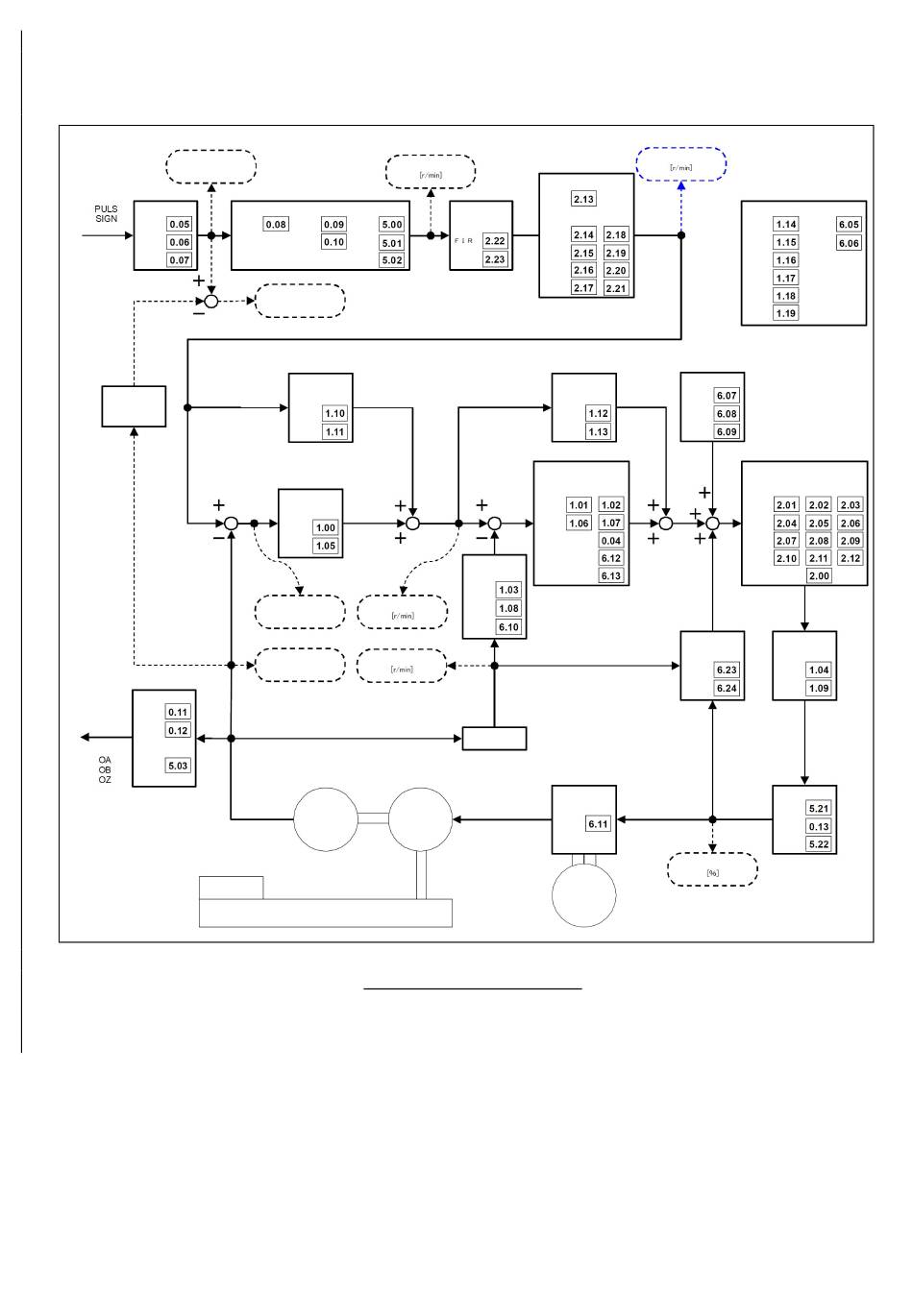
5-2-1 Block Diagram of Position Control Mode
LIQI series position control has a structure shown in the following block diagram.
Cumulative com-
mand pulse [com-
mand unit]
Pulse train
Input configuration
Input
One
selection
revolution
Reference
direction
Mode
Command
scaling (elec-
tronic gear)
reverse conver-
Pulse regeneration
One
revolution
Reverse
Numerator/
Pulse output
denominator
Denominator
Position command
speed
Command scaling (electronic gear)
Numerator
Numerator
1
2
Numerator
Denominator
3
Numerator
4
Command position
deviation
[command unit]
Velocity feed
forward
Gain
Filter
Position
control
1
2
Velocity control command
Position deviation
[encoder pulses]
Cumulative
Motor speed
feedback pulse
[encoder pulses]
Encoder
Motor
Load
Position control block diagram
Anti-vibration control
Switching
mode
Smoothing
filter
Filter
Frequency
1
FIR
2
First
order
3
4
Torque feed
forward
Gain
Filter
Velocity control
Proportional
1
2
Inertia ratio
Switching mode
Velocity
detection filter
Inertia ratio 2
1
2
Instantaneous
speed
Velocity
detection
Current
control
Response
Main
power
Motor Business Unit, Appliances Company, Panasonic Corporation
№SR-ZSV00039 - 34 -
Internal position
command speed
Gain switching
Second
Third gain
gain
Multi-
Mode
plication
Delay
Level
Hysteresis
Switching
time
Friction compen-
sation
Addition
Positive
Negative
Notch filter
Frequency
Width
1
2
3
4
Adaptive mode
Disturbance
Torque filter
observer
1
Gain
2
Filter
Torque limit
Select
1
2
Torque command
Depth
Table of Contents
loading
Need help?

Need help?

Do you have a question about the Minas-LIQI Series and is the answer not in the manual?

Table of Contents